| Скачать .docx |
Реферат: Применение операционных усилителей
Министерство образования и науки РФ
Дальневосточный Государственный Технический Университет
(ДВПИ им. Куйбышева)
Институт Радиоэлектроники Информатики и Электротехники
ЭЛЕКТРОНИКА
"ПРИМЕНЕНИЕ ОПЕРАЦИОННЫХ УСИЛИТЕЛЕЙ"
Владивосток 2010 г.
Цель работы: Ознакомиться с применением ОУ для сложения двух постоянных, двух переменных, постоянного и переменного напряжений, дифференцирования и интегрирования входных сигналов.
Для исследования был использован ОУ LM741.
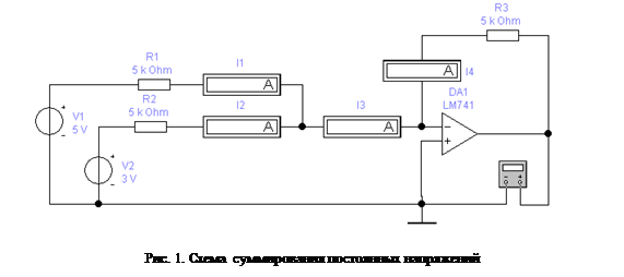
1. Суммирование постоянных напряжений моделировалось на схеме рис.1.

А. При UВХ1 = 5В и UВХ2 = 3В измерены: I1 =1мА; I2 =0,6мА; I3 =1,6мА; I4 =1,6мА; UВЫХ =-8В.
В. По значениям номиналов схемы рассчитаны:
I1 = U1 / R1 = 1мА; I2 = U2 / R2 =0,6мА;
Iос = UВЫХ / R3 =1,6мА; Iос = I1 + I2 = 1,6мА;
U* ВЫХ = - (UВХ 1 ∙ R3 / R1 + UВХ 2 ∙ R3 / R2 ) = - 8В.
Измеренное значение UВЫХ соответствует расчетному значению U* ВЫХ .
2. Суммирование постоянного и переменного напряжений моделировалось на схеме рис.2., осциллограммы напряжений приведены на
![]() |
рис.6.3
А. При UВХ≈ = 1В; UВЫХ≈ = 1В (фаза сдвинута на 1800 ); UВЫХ= = - 1В; расчетные значения этих величин:
U* ВЫХ≈ = 1В; U* ВЫХ= =-1В.
![]() |
В. При UВХ≈ = 1В и R2 =2,5 кОм измеренное значение UВЫХ≈ = 1В (фаза сдвинута на 1800 ), а постоянная составляющая UВЫХ= = 2В (рис.4).
Расчетные значения этих величин:
U* ВЫХ≈ = UВХ1 ∙ R3 / R1 = 1В; U* ВЫХ= = - UВХ2 ∙ R3 / R2 = - 2В;

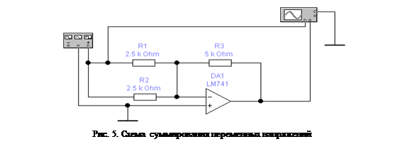
3. Суммирование переменных напряжений исследовалось по схеме рис.5.
![]() |
При UВХ≈ = 1В; UВЫХ≈ = 4В (фаза сдвинута на 1800 ); UВЫХ= = - 4В;
![]() |
расчетные значения этих величин:
U* ВЫХ≈ = UВХ ∙ R3 / R1 + R3 / R1 = 4В, что соответствует результатам измерений.
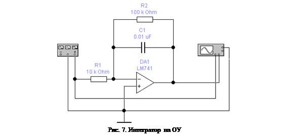
4. Переходной процесс в интеграторе исследовался по схеме рис.7 На вход схемы подавались импульсы прямоугольной формы частотой 1 кГц.

Скорость изменения выходного напряжения (по осциллограмме рис.8) VU ВЫХ = 10В/мс.
5. Влияние амплитуды входного сигнала на переходный процесс в интеграторе показан на рис.9.

VU ВЫХ = 20В/мс, что в два раза больше, чем в предыдущем эксперименте, то есть скорость изменения выходного напряжения интегратора пропорциональна амплитуде входного сигнала.
![]() |
6. Влияние параметров схемы на переходный процесс в схеме интегратора
А. При R1 = 5 кОм скорость изменения выходного сигнала увеличивается:
![]() |
VU ВЫХ = 20В/мс, что в 2 раза больше, чем в эксперименте по п.4 и равно значению в предыдущем эксперименте.
В. При С1 = 0,02 мФ скорость изменения выходного сигнала (рис.11) уменьшается: VU ВЫХ = 5В/мс, что в 2 раза меньше, чем в эксперименте по п.4.

Результаты измерений по п.4 - п.6 сведены в таблицу 1.
Таблица 1
Результаты экспериментов со схемой интегратора
| № пункта эксперимента | UВХ (В) | R1 (кОм) | C1 (мкФ) | VU ВЫХ (В/мс) | UВЫХ MAX (В) |
| 4 | 1 | 10 | 0,01 | 10 | 2,5 |
| 5 | 2 | 10 | 0,01 | 20 | 5 |
| 6 А | 1 | 5 | 0,01 | 20 | 5 |
| 6 В | 1 | 10 | 0,02 | 5 | 1,25 |
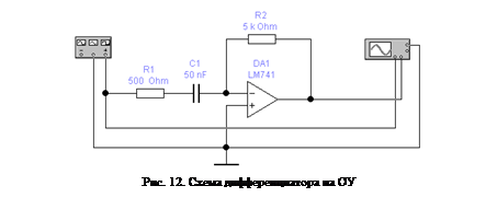
7. Переходный процесс в схеме дифференциатора на ОУ исследовался по схеме рис.12, полученные осциллограммы представлены на рис.13.
![]() |
А. Скорость изменения входного напряжения (по осциллограмме рис.13) VU ВХ = 4В/мс.
В. UВЫХ = - R2 ∙C1 ∙ ∆ UВХ / ∆t= - R2 ∙C1 ∙VU ВХ = - 1В, что соответствует экспериментальным данным, показанным на рис.13.
8. Для исследования влияния частоты входного напряжения, ее значение увеличено вдвое - 2 кГц (рис.14), следовательно, и скорость изменения входного напряжения (при той же амплитуде сигнала) увеличилась вдвое.
![]() |
А. VU ВХ = 8В/мс.
Амплитуда выходного сигнала, также увеличилась вдвое (рис.14) в сравнении с предыдущим экспериментом (рис.13).
В. UВЫХ = - R2 ∙C1 ∙ ∆ UВХ / ∆t= - R2 ∙C1 ∙VU ВХ = - 2В,
что соответствует экспериментальным данным, показанным на рис.6.14.
9. Влияние сопротивления обратной связи (R2 ) на выходное напряжение дифференциатора, которое в эксперименте увеличено до 10кОм.
![]() |
А. Скорость изменения входного напряжения (рис.15) аналогична эксперименту по п.7 (рис.13) - VU ВХ = 4В/мс
В. UВЫХ = - 2В, что соответствует экспериментальным данным, показанным на рис.14 и в 2 раза больше, чем в эксперименте по п.7 (рис.13).
10. Влияние емкости конденсатора схемы (С1 ) на выходное напряжение дифференциатора, которое в эксперименте увеличено до 100нФ.
А. Скорость изменения входного напряжения (рис.16) аналогична эксперименту по п.7 (рис.13) и п.9 (рис.15) - VU ВХ = 4В/мс.
![]() |
В. UВЫХ = - R2 ∙C1 ∙ ∆ UВХ / ∆t= - R2 ∙C1 ∙VU ВХ = - 2В,
что соответствует экспериментальным данным, показанным на рис.14 и рис.15 и вдвое больше, чем в эксперименте по п.7 (рис.13).
Таблица 2
Результаты экспериментов со схемой дифференциатора
| № пункта эксперимента | FВХ (кГц) | C1 (нФ) | R2 (кОм) | VU ВХ (В/мс) | UВЫХ (В) |
| 7 | 1 | 50 | 5 | 4 | -1 |
| 8 | 2 | 50 | 5 | 8 | -2 |
| 9 | 1 | 50 | 10 | 4 | -2 |
| 10 | 1 | 100 | 5 | 4 | -2 |
![]() |
Выводы
В результате проделанной работы с использованием средств моделирования программного комплекса "ElectronicsWorkbench" ознакомлены с применением ОУ для сложения двух постоянных, двух переменных, постоянного и переменного напряжений, дифференцирования и интегрирования входных сигналов. Экспериментальные данные, полученные в работе, подтверждены аналитическими расчетами.










