| Похожие рефераты | Скачать .docx |
Реферат: Преобразователь двоичного кода от 0 до 255 в двоично-десятичный код
МИНИСТЕРСТВО ОБРАЗОВАНИЯ И НАУКИ УКРАИНЫ
НАЦИОНАЛЬНЫЙ ТЕХНИЧЕСКИЙ УНИВЕРСИТЕТ УКРАИНЫ
«КИЕВСКИЙ ПОЛИТЕХНИЧЕСКИЙ ИНСТИТУТ»
КАФЕДРА КЭВА
Расчетно-графическая контрольная работа
по курсу «Цифровая электроника»
«Преобразователь двоичного кода от 0 до 255 в двоично-десятичный код»
Киев, 2009
СОДЕРЖАНИЕ
Введение.
1. Способы реализации преобразователей кодов.
1.1 Преобразователь BCD от 0 до 99 в двоичный код.
1.2 Преобразователь двоичного кода от 0 до 255 в BCD.
1.3 Преобразователи входного кода в дополнение до 9 и в дополнение до 10
2. Преобразователь двоичного кода от 0 до 255 в BCD.
2.1 Структурная схема.
2.2 Описание работы схемы.
3. Описание элементов, использовавшихся для реализации схемы.
3.1 DIP-переключатели.
3.2 Преобразователей кодов.
3.3 Семисегментный индикатор с дешифратором.
4. Схема электрическая принципиальная.
5. Моделирование схемы в среде Quartus II
Выводы
Список использованной литературы
ВВЕДЕНИЕ
Целью данной расчетно-графической работы является создание схемы преобразователь двоичного кода от 0 до 255 в двоично-десятичный код. Двоичный код задается DIP-переключателями.
Микросхемы преобразователей кодов (англ. сonverter) служат для преобразования входных двоичных кодов в выходные двоично-десятичные и наоборот - входных двоично-десятичных кодов в выходные двоичные. Они используются довольно редко, так как применение двоично-десятичных кодов ограничено узкой областью, например, они применяются в схемах многоразрядной десятичной индикации. К тому же при правильной организации схемы часто можно обойтись без преобразования в двоично-десятичный код, например, выбирая счетчики, работающие в двоично-десятичном коде.
Кроме того, надо учесть, что любые преобразования параллельных кодов, даже самые экзотические, могут быть легко реализованы на микросхемах постоянной памяти нужного объема. Обычно это намного удобнее, чем брать стандартные микросхемы преобразователей кодов.
На схемах микросхемы преобразователей обозначаются буквами X/Y. В отечественных сериях преобразователи имеют обозначения ПР.
В стандартные серии входят две микросхемы преобразователей кодов: ПР6 для преобразования двоично-десятичного кода в двоичный и ПР7 для преобразования двоичного кода в двоично-десятичный.
Для схемы будут построены структурная и электрическая принципиальные схемы (чертеж формата А3). Также будет проведено проверка корректности работы данного преобразователя в среде QuartusII (методом симуляции) и на учебном стенде фирмы ALTERA.
1. СПОСОБЫ РЕАЛИЗАЦИИ ПРЕОБРАЗОВАТЕЛЕЙ КОДОВ
1.1 Преобразователь двоично-десятичного кода от 0 до 99 в двоичный код
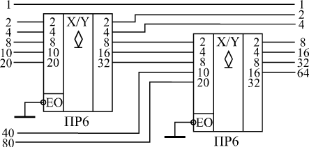
Для преобразования двоично-десятичных кодов от 0 до 99 достаточно двух микросхем ПР6 (рис.1.), которые необходимо каскадировать для увеличения разрядности.
Микросхемы ПР6 имеют выходы ОК. Микросхема ПР6 имеет также вход разрешения выхода -ЕО при нулевом уровне на котором все выходы активны, а при единичном - переходят в состояние единицы. Преобразователь ПР6 имеет дополнительные выходы А, В, С, не участвующие в основном преобразовании.
Двоично-десятичный код без младшего разряда на входе ПР6 преобразуется в двоичный код без младшего разряда на выходе ПР6. Младший разряд не участвует в преобразовании, он непосредственно передается со входа на выход. Одна микросхема ПР6 обрабатывает входные коды в диапазоне от 0 (двоично-десятичный код 00 000) до 39 (код 11 1001).

Рис. 1. Преобразователь двоично-десятичного кода от 0 до 99 в двоичный код
1.2 П реобразователь двоичного кода от 0 до 255 в двоично-десятичный код
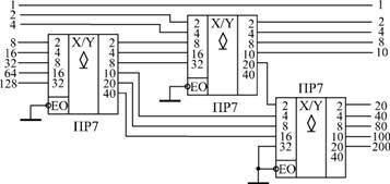
Для преобразования двоичных кодов от 0 до 255 требуется три микросхемы ПР7 (рис.2.), которые необходимо каскадировать для увеличения разрядности.
Микросхемы ПР7 имеют выходы ОК. Микросхема ПР7 имеет также вход разрешения выхода -ЕО при нулевом уровне на котором все выходы активны, а при единичном - переходят в состояние единицы.
Двоичный код без младшего разряда на входе ПР7 преобразуется в двоично-десятичный код без младшего разряда на выходе ПР7. Одна микросхема ПР7 может обрабатывать входные коды в диапазоне от 0 (двоичный код 000000) до 63 (код 111111). Младшие разряды входных кодов передаются на выход без обработки в обход микросхемы, так как они одинаковые как в двоичном, так и в двоично-десятичном кодах.

Рис. 2. Преобразователь двоичного кода от 0 до 255 в двоично-десятичный код
Такой метод и будем использовать. Более подробное описание работы данной схемы, а также структурная схема приведены ниже.
1.3 Преобразователи входного кода в дополнение до 9 и в дополнение до 10
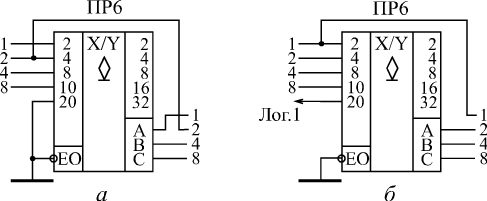
Наличие дополнительных выходов А, В, С у микросхемы ПР6 позволяет преобразовывать двоично-десятичный код от 0 до 9 в код дополнения до 9 или до 10 (рис.3.) То есть сумма входного и выходного кодов в этом случае равна, соответственно, 9 или 10. Например, при входном коде 6 на выходе схемы а будет код 3, а на выходе схемы б - код 4. В схеме б при входном коде 0 на выходе также формируется код 0. Как и все остальные выходы микросхемы ПР6, выходы А, В, С имеют тип ОК. Такие схемы "дополнителей" применяются редко.

Рис. 3. Преобразователи входного кода в дополнение до 9 (а) и в дополнение до 10 (б)
2. ПРЕОБРАЗОВАТЕЛЬ ДВОИЧНОГО КОДА ОТ 0 ДО 255 В ДВОИЧНО-ДЕСЯТИЧНЫЙ КОД
2.1 Структурная схема

Рис. 4. Структурная схема преобразователь двоичного кода от 0 до 255 в двоично-десятичный код.
2.2 Описание работы схемы
Блок преобразователя двоичного кодасостоит из 3 микросхем DIP-переключателя. Различное нажатие этих переключателей позволяет устанавливать двоичный код. 8-разрядная шина двоичного кода поступает на 2 преобразователя кодов. Младшие разряды входных кодов передаются на выход без обработки в обход микросхемы, так как они одинаковые как в двоичном, так и в двоично-десятичном кодах.
Для оповещения пользователя о результате работы схемы используется 4 семисегментных индикатора с дешифратором. Цифровые сегменты используются для отображения входного кода.
В общем-то, схема является достаточно простой и понятной.
Ниже более подробно описаны компоненты, использующиеся для построения схемы.
3. ОПИСАНИЕ ЭЛЕМЕНТОВ, ИСПОЛЬЗОВАВШИХСЯ ДЛЯ РЕАЛИЗАЦИИ СХЕМЫ
3.1 DIP – переключатели
DIP-переключатели – один из типов переключателей, использующиеся для коммутации. Имеет довольно таки простую конструкцию. Позволяет осуществлять такие положения: замкнут – ток протекает в данном участке цепи, разомкнут – соответственно ток не протекает. Следовательно, такой тип переключателей обеспечит нам установления логического 0 и 1.
Для защиты переключателей от больших токов возможно использование резисторов. В данной РГР мною были использованы простые проволочные резисторы на 10 кОм. Точность номинала резистора не является столь востребованной, поэтому допуск можем брать ±20%.
Так как двоичный код 8-разрядный, то я взял 1 микросхему SWD1 – 8. Она имеет 8 позиций.
3.2 Преобразователей кодов
Микросхемы преобразователей кодов (англ. сonverter) служат для преобразования входных двоичных кодов в выходные двоично-десятичные и наоборот - входных двоично-десятичных кодов в выходные двоичные. Они используются довольно редко, так как применение двоично-десятичных кодов ограничено узкой областью, например, они применяются в схемах многоразрядной десятичной индикации.
Примером преобразователя двоичного кода от 0 до 255 в двоично-десятичный код может служить микросхема DM74185A производства фирмы TexasInstruments.
3.3 Семисегментный индикатор с дешифратором
Для отображения результатов работы схемы воспользуемся семисегментными индикаторами. Они позволяют отображать цифры от 0 до 9, буквы от А до F, и десятичную точку. Значит, диапазон отображения такого индикатора – это число от 0 до F (HEX система исчисления).
Чтобы не задумываться о подключении дешифратора к индикатору, будем использовать микросхемы TIL309 производства фирмы TexasInstruments. В них уже встроен дешифратор, следовательно, на входы уже будет нужно подавать 4-разрядную шину данных.
Например, сигналу 1111 будет соответствовать число F
(81 + 41 + 21 + 11 = 1510 = F16 ).
Вход DP отвечает за десятичную точку. Именно его будем использовать для отображения совпадения/несовпадения кодов. Инверсный вход –LS отвечает за работу микросхемы, а инверсный вход –BI – за полное погашение циферблата.
При конструировании схемы будем использовать 3 таких семисегментных индикатора, так как на них будем выводить текущий 8-разрядный входной код.
4. СХЕМА ЭЛЕКТРИЧЕСКАЯ ПРИНЦИПИАЛЬНАЯ
Для реализации схемы электрической принципиальной нам понадобятся такие микросхемы и компоненты:
DD 1.. DD 3 – 3 микросхемы преобразователей кодов DM74185A.
HG 1.. HG 3 – 3 микросхемы семисегментных индикаторов с дешифратором TIL309. Используются для отображения входного кода .
SA 1 – микросхема SWD1-8. Микросхема имеет 8 позиций DIP-переключателей. Используется для установления двоичного кода.
R 1.. R 11 – резисторы по 10кОм.
Выводы на Землю и Питание +5В.
Сам чертеж схемы электрической принципиальной (А3) прилагается как приложение.
5. МОДЕЛИРОВАНИЕ СХЕМЫ В СРЕДЕ QUARTUS II
Для ввода двоичного кода используем 8 DIP-переключателей.
Так как в нашем распоряжении только 2 семисегментных индикатора, то будем оперировать входным кодом со старшими 8 разрядами равными 0. Тогда младшие 8 разрядов мы сможем наблюдать на индикаторах.
Схема для симуляции показана на рис. 5., ее временные диаграммы на рис. 6. Схема для загрузки на учебный стенд показана на рис. 7.

Рис. 5. Схема преобразователя двоичного кода от 0 до 255 в двоично-десятичный код.

Рис. 6. Временная диаграмма работы преобразователя двоичного кода от 0 до 255 в двоично-десятичный код.

Рис. 7. Схема преобразователя двоичного кода от 0 до 255 в двоично-десятичный код, подготовленная для загрузки на стенд.
Как видно с временных диаграмм, моя схема преобразовует двоичного код в двоично-десятичный код.
Имеется место задержкам на выходе ( задержки преобразователей кодов примерно вдвое превосходят задержки логических элементов).
ВЫВОДЫ
В данной расчетно-графической работе мною был реализован и исследован преобразователь двоичного кода от 0 до 255 в двоично-десятичный код.
Потребовалось три микросхемы ПР7 (DM74185A).
После создания структурной схемы и ее описания, был составлен перечень компонентов и микросхем, нужных для конструирования такой схемы. После этого был сделан чертеж схемы электронной принципиальной (идет как приложение).
Кроме этого, в среде QuartusII была смоделирована схема. После симуляции были получены временные диаграммы, что свидетельствуют о корректной работе схемы. Схема преобразователя кода готова также для загрузки на учебный стенд.
СПИСОК ИСПОЛЬЗОВАННОЙ ЛИТЕРАТУРЫ
1. Аналоговая и цифроваяэлектроника(Полный курс): Учебник для вузов/ Ю.Ф. Опадчий, О.П. Глудкин, А.И. Гуров; Под ред. О.П. Глудкина.- М.: Горячая линия – Телеком, 2002.
2. http://www.altera.com
Похожие рефераты:
Оборудование летательных аппаратов
Ответы к Экзамену по Микропроцессорным Системам (микроконтроллеры микрокопроцессоры)
Средства учета количества электричества и электрической энергии
Разработка передающего полукомплекта ТУ
Шпоры к ГОС экзаменам Воронеж, 2004г.)
Разработка виртуальных лабораторных работ средствами эмулятора Emu8086
Техническая диагностика средств вычислительной техники
Интегральные логические элементы
Основы анализа и синтеза комбинационных логических устройств