| Скачать .docx |
Реферат: Последние нововведения: ШИМ-контроллеры
Последние нововведения
Импульсные источники питания (ИИП) получили повсеместное распространение в середине уже теперь прошлого столетия. И сегодня ИИП подвергаются эволюционным изменениям практически ежегодно./
В качестве мощных (150 Вт и более) обычно применяют мостовые ИИП. Обратноходовые ИИП чаще используют как маломощные и средней мощности (до 150 Вт) и широко применяются в блоках питания телевизоров, компьютеров и другой электронной аппаратуре. В свою очередь широкое применение в этих ИИП получили ШИМ - контролеры микросхемы типа КР1033УЕ10 и VIPer – 100A
Еще не успели внедриться в отечественную бытовую технику интегральные ШИМ-контроллеры КР1033ЕУ5 (зарубежный аналог ТDА4605), как в зарубежной видеотехнике, и особенно видеомониторах, уже широко используется их новая разновидность UС3842, КА3842 и UС3844, КА3844 (отечественные аналоги КР1033ЕУ10 и КР1033ЕУ11 соответственно). Внешне и принципиально ничем не отличающиеся от прототипа, относительно новые ШИМ-контроллеры все же претерпели ряд усовершенствований.
Кратко рассмотрим основные свойства и отличия микросхемы КР1033ЕУ10 (UС3842, КА3842), которую дальше будем именовать ЕУ10, от КР1033ЕУ5 (ТDА4605), именуемой ЕУ5.
Обе микросхемы выполнены в пластмассовом корпусе 2101.8-1 (по зарубежной терминологии — DIР-8). Назначение выводов ЕУ10 приведено в таблице 1.
Таблица 1.
| Вывод | Наименование | Функциональное назначение |
| 1 | СОМР | Выход усилителя сигнала ошибки |
| 2 | UFB | Вход усилителя сигнала ошибки |
| 3 | ISEN | Вход компаратора контроля тока |
| 4 | Rт/Ст | Вывод для подключения частотозадающей цепи |
| 5 | GND | Общий вывод |
| 6 | UOUT | Выход коммутирующих импульсов |
| 7 | UCC | Напряжение питания микросхемы |
| 8 | UREF | Выход источника прецизионного образцового напряжения |
Основные характеристики
Пороговый уровень напряжения питания при переходе в состояние, В
"Включено" ........14,5...17,5
"Выключено" ........8,5...11,5
Максимальное напряжение
питания, В ..................30
Потребляемый ток в состоянии, мА
"Включено" ...........11...17
"Выключено"...........0.5...1
Частота следования коммутирующих импульсов, кГц, не более .....500
Входное напряжение усилителя сигнала ошибки, В .................2,42...2,58
Пределы изменения коммутирующего тока, А........-1 ... + 1
ШИМ-контроллер ЕУ10, как и ЕУ5, рассчитан на подключение n-канального полевого транзистора с изолированным затвором и в основном обладает теми же функциональными возможностями.
Сегодня разработка импульсных стабилизаторов значительно упростилась. Стали доступны (в том числе и по цене) интегральные микросхемы, включающие в себя все необходимые узлы. Кроме того, производители полупроводниковых приборов стали сопровождать свои изделия большим количеством информации по применению, содержащей типовые схемы включения, которые удовлетворяют потребителя в подавляющем большинстве случаев. Это практически исключает из разработки этапы предварительных расчетов и макетирования. Пример тому — микросхема КР1155ЕУ2.
В ее состав входят коммутатор, датчик тока, источник образцового напряжения (5,1 В ± 2 %), узел управления тринистором для защиты от превышения напряжения на нагрузке, узел плавного запуска, узел сброса для внешних устройств, узел для дистанционного выключения, узел защиты микросхемы от перегрева.
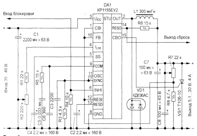
Рассмотрим источник питания, разработанный на основе КР1155ЕУ2.
Технические характеристики
Входное нестабилизированное напряжение, В ........35...46
Интервал регулирования выходного стабилизированного
напряжения, В.......5,1 ...30
Максимальный ток нагрузки, А .........................4
Размах (двойная амплитуда) пульсаций выходного напряжения при максимальной нагрузке, мВ..............30
Интервал регулирования срабатывания защиты по току, А.....................1...4
Схема устройства приведена на рис. 9. Она мало отличается от стандартной схемы включения, причем позиционные обозначения элементов совпадают. Здесь реализован способ управления с фиксированным периодом следования импульсов, т. е. широтно-импульсное управление.
Конденсатор С1 — входной фильтр. Он имеет большую, чем указано в типовой схеме включения, емкость, что обусловлено сравнительно большим потребляемым током.
Резисторы R1 и R2 управляют уровнем защиты по току. Максимальному суммарному их сопротивлению соответствует максимальный ток срабатывания защиты, а минимальному сопротивлению — минимальный ток.
С помощью конденсатора С4 осуществляется плавный запуск стабилизатора. Кроме того, его емкость определяет период перезапуска при превышении порога защиты по току.
Резистор R5 и конденсаторы С5, С6 — элементы частотной компенсации внутреннего усилителя ошибки.
Конденсатор СЗ и резистор RЗ определяют несущую частоту широтно-импульсного преобразователя.
Конденсатор С2 задает время между резким уменьшением выходного напряжения (вызванного внешними причинами, например, кратковременной перегрузкой по выходу) и переходом сигнала RESО (вывод 14 DА1) в состояние, соответствующее нормальной работе, когда транзистор, включенный между выводами RESО и GND внутри микросхемы, закрывается. Резистор R6 обеспечивает нагрузку открытого коллектора этого транзистора. Если планируется использовать сигнал RESО с привязкой его к напряжению, отличному от выходного напряжения стабилизатора, то резистор R6 не устанавливают, а нагрузку открытого коллектора подключают внутри приемника сигнала RESО.
Резистор R4 обеспечивает нулевой потенциал на входе INHI (вывод 6 DА1), что соответствует нормальной работе микросхемы. Стабилизатор можно выключить внешним сигналом высокого ТТЛ уровня.
Применение диода КД636АС (его суммарный допустимый ток значительно превосходит требуемый в этом стабилизаторе) позволяет увеличить КПД на 3...5 % при незначительном удорожании устройства. Это приводит к снижению температуры теплоотвода и, следовательно, к уменьшению его габаритов и массы.
Резисторы R7 и R8 служат для регулирования выходного напряжения. Когда движок резистора R7 находится в нижнем по схеме положении, напряжение на выходе минимально и равно образцовому напряжению микросхемы DА1, соответственно, когда в верхнем — выходное напряжение максимально.
Тринистор VS1 открывается сигналом СВО (вывод 15 DА1), если напряжение на входе СВI (вывод 1 DА1) превышает внутреннее образцовое микросхемы DА1 приблизительно на 20 %. Так осуществляется защита нагрузки от превышения напряжения на выходе.
Все оксидные конденсаторы К50-35, кроме С1 — К50-53. Конденсатор С6 — керамический К10-176, остальные пленочные (К73-9, К73-17 и т. д.). Все постоянные резисторы — С2-23. Переменные резисторы R2 и R7 — СПЗ-4аМ мощностью 0,25 Вт. Их устанавливают на плате с помощью кронштейнов. Дроссель 11 наматывают на двух сложенных кольцевых магнитопроводах К20х12х6,5 из пермаллоя МП140.
. 
Рис.9.
Импульсный стабилизатор напряжения на микросхеме LM 2576 ADJ (рис.10)
Сегодня многие фирмы производят специализированные микросхемы для импульсных стабилизаторов напряжения. Рассмотрим применение в подобном устройстве микросхемы фирмы NationalSemiconductor. Отличительная ее особенность — возможность регулирования выходного напряжения при токе нагрузки 3 А.
Основное преимущество импульсных стабилизаторов по сравнению с аналоговыми — высокий КПД, поскольку работающий в переключательном режиме регулирующий транзистор рассеивает минимальную мощность. Благодаря этому не требуется большой теплоотвод. Кроме того, в регулируемых стабилизаторах можно осуществить непрерывное перекрытие всего интервала выходного напряжения, без введения подинтервалов (без дополнительных переключений), что особенно важно для лабораторных блоков питания. Однако из-за присущих импульсным стабилизаторам специфических свойств — сложности, наличия импульсных помех и сквозного тока регулирующего транзистора — на практике их применяют гораздо реже аналоговых.
Современные специализированные микросхемы позволяют значительно упростить импульсные стабилизаторы напряжения и снизить уровень импульсных помех, а применение мощных быстродействующих диодов с барьером Шотки практически решает проблему сквозного тока регулирующего транзистора.
Сегодня такие микросхемы выпускают многие отечественные предприятия и зарубежные фирмы. Например, фирма NationalSemiconductor производит несколько серий микросхем для интегральных импульсных стабилизаторов напряжения. Одна из них — LM2576 Основные технические характеристики микросхем этой серии
Максимально допустимое
входное напряжение, В ........45
Интервал входного напряжения, В ...............4,75...40
Номинальное напряжение сигнала обратной связи, В .........................1,23
Интервал напряжения обратной связи, В......1,217...1,243
Импульсный коммутируемый ток, А...................5,8
Средний ток, А ...................3
Частота коммутации, кГц .........52
КПД, % ........................77
Тепловое сопротивление
кристалл—корпус, °С/Вт ......2 »
Корпус......пластмассовый ТО220-5

Рис.10.
Литература
1. Найвельт Г.С. Источники электропитания радиоэлектронной аппаратуры.
М.Радио и связь. 1985г.
2. Радио. Журналы. 2000 – 2003гг.