| Скачать .docx |
Реферат: Поляризационная структура излученного сигнала, принятого сигнала. Когерентное объединение (накопление) сигнала в поляризационных каналах
БЕЛОРУССКИЙ ГОСУДАРСТВЕННЫЙ УНИВЕРСИТЕТ ИНФОРМАТИКИ И РАДИОЭЛЕКТРОНИКИ
кафедра ЭТТ
РЕФЕРАТ на тему:
« Поляризационная структура излученного сигнала, принятого сигнала. Когерентное объединение (накопление) сигнала в поляризационных каналах »
МИНСК, 2008
Поляризационная структура излученного сигнала
Векторное электромагнитное поле, в отличие от скалярного акустического поля, имеет поляризационную структуру. Это означает, что в фиксированной точке пространства конец вектора напряженности электрического
(или магнитного
) поля в плоскости поляризации, перпендикулярной к направлению распространения электромагнитной волны, совершает вращательное движение, описывая за каждый период высокочастотного колебания
траекторию, в общем случае эллиптическую, называемую годографом (рис. 1).
Эллиптически поляризованная волна (наиболее общий случай) может быть разложена на две ортогонально поляризованные составляющие, каждая из которых характеризуется своей амплитудой и фазой:
.
Каждая пара ортогонально поляризованных векторов
и
единичной длины
, т.е. ортонормированных векторов, образует так называемый поляризационный базис. Поляризационных базисов может быть бесконечное множество (рис. 2). Они отличаются эллиптичностью (как отношением малого и большого диаметров эллипсов) и углом ориентации. Однако наиболее широкое распространение получили два поляризационных базиса: линейный и круговой (рис. 3). Линейный базис составляют два пульсирующих вектора с горизонтальное и вертикальной поляризацией единичной длины (рис.3,а). Круговой базис составляют два вращающихся вектора с круговой поляризацией (правой и левой) единичной длины (рис.3,6).
Комплексные амплитуды
и
, характеризующие амплитуду и фазу ортогонально поляризованных составляющих вектора
, есть проекции вектора
на направления ортов
и
соответственно, которые определяются скалярными произведениями:
,
.
![]() |
Комплексные амплитуды
![]() |
Рис. 1. Годограф вектора напряженности электрического поля
![]() |
Рис.2. Эллиптический поляризационный базис [
Рис. 3. Линейный (а) и круговой (б) поляризационные базисы [
].
Меняя амплитуду и фазу, т.е. управляя амплитудой и фазой
и
ортогонально поляризованных колебаний (волн) с линейной поляризацией, получаемых, например, с помощью горизонтально и вертикально расположенных вибраторов, или с круговой поляризацией, получаемых, например, с помощью спиральных излучателей с правозаходной илевозаходной спиралью, можно получить необходимую поляризационную структуру зондирующего (излученного) сигнала и управлять ею. Процесс формирования некоторой эллиптически поляризованной волны с помощью ортогонально поляризованных волн с круговой поляризацией показанна рис.4,а, а с линейной поляризацией - на рис.4,6. Здесь в моменты времени
с интервалом в четверть периода высокочастотного колебания показаны ортогонально поляризованные составляющие с учетомих комплексных амплитуд
и
. Складывая векторы напряженности электрического поля, соответствующие ортогонально поляризованным компонентам для одних и тех же моментов времени, получаем результирующий вектор напряженности электрического поля
последовательно в моменты времени
, т.е. поляризационную структуру излучаемого сигнала (годограф вектора
).
Поляризационная структура принятого сигнала
При анализе поляризационной структуры принятого сигнала (отраженного сигнала, мешающих излучений и метающих отражений) следует учитывать два явления: деполяризацию и декорреляцию поляризационной структуры.
Под деполяризацией понимается изменение поляризационной структуры отраженного (рассеянного сигнала), т.е. изменение эллиптичности и ориентации годографа результирующего вектора напряженности электрического поля
. Преобразование поляризации вызывается процессами обратного вторичного излучения объекта под действием наведенных на его поверхности токов проводимости (для проводников) или токов смещения (для диэлектриков). Поляризационные свойства объекта отражения (рассеяния) зависят от электрических свойств его поверхности (диэлектрической и магнитной проницаемости и проводимости), формы,относительных размеров, ориентации относительно направления прихода облучающей волны. Поляризационные свойства объекта наблюдения характеризуются так называемой поляризационной матрицей
![]() |
рассеяния
.Рис. 4. Результирующая эллептически поляризованная волна, сформированная из составляющих с круговой (а) и линейной (б) поляризацией.
представляющей собой совокупность четырех комплексных коэффициентов отражения для двух ортогонально поляризованных составляющих рассеянного поля (первый индекс коэффициента) при двух ортогонально поляризованных составляющих облучающей волны (второй индекс коэффициента) в некотором поляризационном базисе [
].
Преобразование поляризационного состояния волны при отражении (рассеянии) может быть представлено:
- в сокращенной матричной форме
,
- в развернутой матричной форме
.
- в алгебраической форме
,
,
где
- комплексные координаты вектора отраженной
и падающей
волны в базисе [
].
Поскольку возможно бесконечное множество различных поляризационных базисов [
], существует бесконечное множество образов
и
, а также бесконечное множество поляризационных матриц рассеяния
одного объекта наблюдения. Однако для любого объекта существует некоторый поляризационный базис
, в котором матрица рассеяния приобретает диагональную форму
,
когда коэффициенты отражения для перекрестных компонент равны нулю
. Поляризационный базис, в котором матрица рассеяния имеет диагональную форму, называется собственным базисом объекта наблюдения (цели). Поляризации волн, совпадающих с ортами собственного базиса, называются собственными поляризациями объекта наблюдения (цели).
Рассмотрим несколько примеров поляризационных матриц рассеяния.
Пример 1. Поляризационная матрица рассеяния вибратора (рис. 2.10.5.) в линейном базисе (с горизонтальной и вертикальной поляризацией ортов):
,
где
- максимальное значение коэффициента рассеяния (отражения) вибратора при облучении его линейно поляризованной волной, ректор поля
которой параллелен оси вибратора.
Пример 2. Поляризационная матрица рассеяния сферы в любом базисе:
.
Пример 3. Поляризационная матрица рассеяния вибратора (рис. 5) в наклоненном линейном базисе, один из ортов которого параллелен оси вибратора, т.е. в собственном поляризационном базисе:
.
Таким образом, вибратор является в общем случае объектом рассеяния, изменяющим поляризационную структуру облучающей волны. Объекты рассеяния радиоволн, обладающие деполяризующими свойствами, называются анизотропными в поляризационном смысле. Таких объектов -подавляющее большинство. Сфера является объектом рассеяния, не изменяющим поляризационную структуру облучающей волны. Такие объекты называются изотропными в поляризационном смысле. Изотропными являются любые осесимметричные объекты, еслиих ось симметрии совпадает с направлением на систему. Для изотропных объектов
. Следует обратить внимание на некоторую условность понятия изотропного в поляризационном смысле объекта наблюдения. Эта условность касается направления вращения вектора поля. Сохранение направления вращения вектора поля при отражении как необходимое условие изотропности объекта наблюдения, предполагает наблюдение обеих волн (падающей и отраженной в обратном направлении) по нормали к фронту каждой волны.
![]() |
Рис. 2.10.5. Вибратор
![]() |
Рис. 6. Поворот базиса в плоскости поляризации
Однако в большинстве случаев предполагается наблюдение обеих волн с какой-то одной стороны (со стороны РЛС или объекта). При этом направление вращения вектора поля отраженной волны меняется на противоположное по сравнению с падающей волной. Эта условность, конечно, не может изменить представления об изотропности (в поляризационном смысле) объекта наблюдения.
Теперь обратимся ко второму явлений при отражении электромагнитной волны - декорреляции ее поляризационной структуры. Прежде всего отметим, что отраженная волна является линейным преобразованием падающей волны, причем свойства этого линейного преобразования определяются поляризованной матрицей рассеяния:
.
Данное обстоятельство свидетельствует о том, что четыре компоненты отраженного сигнала, соответствующие двум взаимно ортогональным поляризациям на прием при двух взаимно ортогональных поляризацияхна излучение
,
,
,
,
являются сильно коррелированными, т.е., функционально линейно зависимыми, если соответствующие комплексные амплитуды взаимно ортогональных по поляризации составляющих падающего поля
и
являются сильно коррелированными, а также если объект наблюдения (цель) в поляризационном смысле является стабильным, т.е. параметры его поляризационной матрицы рассеяния не изменяются (не флуктуируют) случайным образом, а если и изменяются, то "дружно". Последнее характерно для целей (объектов наблюдения) с жесткой конструкцией, у которых положение в пространствеодних отражателей, определяющих компоненту с одной поляризацией, зависит от расположения других отражателей, определяющих компоненту с ортогональной поляризацией.
Напротив, если объект наблюдения имеет нежесткую или "мягкую" конструкцию, например, совокупность пространственно распределенных элементарных отражателей, когда положение в пространстве одних отражателей не зависит от расположения других и эти отражатели являются анизотропными в поляризационном смысле, то приведенные выше четыре компоненты рассеянного поля
оказываются некоррелированными, а рассеянная волна хаотически поляризованной (неполяризованной). Такая ситуация характерна для мешающих отражений от объемно или поверхностно распределенных отражателей, обладающих свойством поляризационной анизотропности.
В случае поляризационно изотропных отражателей, обладающих свойством осевой симметрии по направлению на РЛС, две компоненты рассеянного поля
и
принципиально отсутствуют, поскольку
, а компоненты
и
рассеянного поля с учетом равенства диагональных элементов матрицы рассеяния
будут сильно коррелированными, если сильно коррелированными являются комплексные амплитуды падающего поля
и
. Эта ситуация характерна для объемно распределенных гидрометеоров (дождь, снег, туман, град, пыль), отражатели которых имеют осесимметричную (как правило, сферическую) форму.
Таким образом, при анализе корреляционных свойств ортогонально поляризованных составляющих отраженного (рассеянного) сигнала или мешающих отражений следует учитывать во взаимосвязи ряд факторов:
- степень жесткости конструкции объекта наблюдения,
- степень поляризационной изотропности элементарных отражателей, из которых состоит объект наблюдения;
- степень коррелированности комплексных амплитуд
и
падающего поля.
Принципы поляризационной обработки сигналов на фоне помех
Под поляризационной обработкой понимается некоторый способ объединения поляризационных каналов многоканальной по поляризации системы. Принципы поляризационной обработки можно сформулировать на основании общих принципов пространственно-временной обработки:
- подавление помех путем междуканального вычитания коррелированных ортогонально поляризованных составляющих мешающих колебаний (излучений и отражений;
- накопление сигнала путем междуканального сложения (когерентного или некогерентного) коррелированных ортогонально поляризованных составляющих отраженного сигнала.
Когерентное объединение (накопление) сигнала в поляризационных каналах.
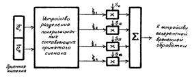
Основой когерентного объединения сигнала в поляризационных каналах многоканальной по поляризации РЛС является его сильная межканальная корреляция, характерная для объектов наблюдения с жесткой конструкцией. При этом оптимальная процедура объединения сигналов с разных каналов сводится ких взвешенному когерентному накоплению (рис. 7).
Максимально возможная эффективность когерентного поляризационного объединения сигналов определяется числом поляризационных каналов :

Полный поляризационный прием подразумевает наличие четырех поляризационных составляющих принятого сигнала
.
Неполный поляризационный прием подразумевает наличие двух поляризационных составляющих принятого сигнала : нечетных
или четных
.
Некогерентное объединение (накопление) сигнала в поляризационных каналах.
![]() |
Оптимальная процедура некогерентного объединения сигналов с разных каналов сводится к их взвешенному некогерентному накоплению (рис.8).
![]() |
Рис. 7. Схема когерентного объединения сигнала в поляризационных каналах. Рис. 8. Схема некогерентного объединения сигнала в поляризационных каналах.
Максимально возможная эффективность некогерентного объединения поляризационных каналов уступает когерентному.
ЛИТЕРАТУРА
1. Охрименко А.Е. Основы извлечения, обработки и передачи информации. (В 6 частях). Минск, БГУИР, 2004.
2. Девятков Н.Д., Голант М.Б., Реброва Т.Б.. Радиоэлектроника и медицина. –Мн. – Радиоэлектроника, 2002.
3. Медицинская техника, М., Медицина 1996-2000 г.
4. Сиверс А.П. Проектирование радиоприемных устройств, М., Радио и связь, 2006.
5. Чердынцев В.В. Радиотехнические системы. – Мн.: Высшая школа, 2002.
6. Радиотехника и электроника. Межведоств. темат. научн. сборник. Вып. 22, Минск, БГУИР, 2004.







