| Скачать .docx |
Реферат: ПЛМ, воспроизведение скобочных форм переключательных функций, схемы с двунаправленными выводами
Белорусский государственный университет информатики и радиоэлектроники
Кафедра защиты информации
РЕФЕРАТ
на тему:
«ПЛМ, воспроизведение скобочных форм переключательных функций, схемы с двунаправленными выводами»
МИНСК
2008
Программируемые логические матрицы – ПЛМ.
Структура программируемой логической матрицы:

М1 – матрица конъюнкции – И; М2 – матрица дизъюнкции – ИЛИ.
![]() |
![]() |
в литературе иногда заменяют на

- может быть:
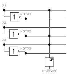
Если на базу поступает высокий потенциал, то транзистор открывается и в горизонтальную шину поступает высокий потенциал, иначе, если на базу не поступает высокий сигнал, то транзистор закрывается. При подаче на плавкую перемычку высокого потенциала она замыкается.
- может быть:
![]() |
Таким образом, получаем:

У диодов красного цвета перемычка пережжена.
![]()
![]()
![]()
![]()
![]()
![]()
![]()
![]()
« Ставя крестики » в других местах матрицы М2 получим:

![]()
![]()
![]()
![]()
![]()
![]()
![]()
![]()
По данным можно составить таблицу:

Основными параметрами ПЛМ является:
· число входов m (xi);
· число термов l (Pi);
· число выходов n (yi).
В общем случае:
- это достоинство ПЛМ.
ПЛМ реализует дизъюнктивную нормальную форму воспринятых функций.
ПЛМ способно реализовать n логических функций от m аргументов, содержащую не более l термов. Наиболее простой способ программирования ПЛМ – это пережигание перемычек.
Упрощенное изображение ПЛМ.
Вместо
ставят
– такое обозначение используется, по крайней мере, для ПЛМ.

На самом деле у элемента И три входа.

Единственная линия входа элементов И и ИЛИ пересекается с несколькими линиями входных элементов. Физически дизъюнкт и конъюнктуры мы переставим. Эти вентили служат для разграничения матрицы дизъюнкции. Достоинство ПЛМ не надо упрощать исходные выражение, если позволяет железо.
Воспроизведение скобочных форм переключательных функций.
С помощью ПЛМ можно воспроизводить не только дизъюнктивные нормальные формы, но и скобочные формы (выражение в скобках). Для этого вначале получают выражения в скобках, а затем они рассматриваются как аргументы для получения окончательного результата. В схеме появляются обратные связи, т.е. промежуточные результаты с выхода вновь подаются на входы. Логическая глубина схемы увеличивается. Задержка выборки конечного результата растет.
Например:
![]()
Изобразим:

Из-за обратной связи нужно подождать пока выработается скобочная величина
, иначе результат будет не верным.
Общее правило решения задач с помощью ПЛМ.
Число термов в данной системе функций необходимо свести до l (параметра имеющегося в ПЛМ). Дальнейшая минимизация функции не требуется. Если размерность имеющейся ПЛМ обеспечивает решение задачи в ее исходной форме, то минимизация не требуется, так как не ведет к сокращению оборудования.
Рассмотрим, как с помощью ПЛМ построить шифратор.
Управление для шифратора
- входные сигналы.
- выходные сигналы.
![]()
![]()
![]()
![]()
![]()
не учитываем, так как в этом случае нет сигнала на выходе.

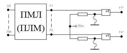
Программируемая матричная логика (ПМЛ).
Если для ПЛМ важно уменьшение числа термов функции, то для ПЛМ важно уменьшить число элементов и для каждого выхода.

Схемы с программируемым выходным буфером. Эта схема может вырабатывать как прямые, так и инверсные функции.


- сумматор по модулю два.
![]()
![]()
![]()
![]()

![]()
![]()
![]()
![]()
![]()
![]()
![]()
Минимизируем
,
,
с помощью карт Карно:



![]()
![]()
Таким образом, для реализации системы функций
,
получаем пять различных термов вместо восьми. Возврат от
к
получается пережиганием линии выхода
.
Схемы с двунаправленными выводами.
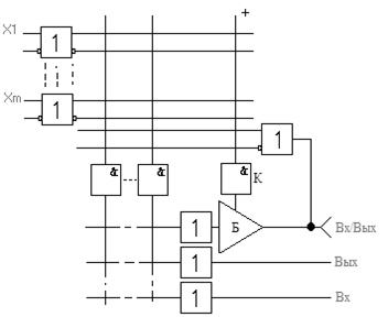
Используя элементы с тремя состояниями выхода, можно построить схему, в которой некоторые выводы предназначены для работы в качестве входов или выходов в зависимости от программируемых элементов. В таких схемах один из конъюнктов управляют элементами с тремя состояниями выхода. Выход этого элемента одновременно связан с матрицей и как вход:


К – конъюнктор, с его помощью можно управлять буфером.
Возможны 4 режима реализации вход-выход в зависимости от того, как запрограммированы входы конъюктора (К).
1. все перемычки оставлены целыми, на выходе К имеем логический «0». И вывод функционирует как вход.
2. все перемычки пережжены, на конъюнктор поступает высокий потенциал «1», буфер активен, его вывод становится выходом, сигналы не используются в матрице И.
3. выход с обратной связью отличается от предыдущих тем, что сигналы выводов используются в матрице И, например для воспроизведения матрицы скобочных функций (предыдущая лекция).
4. входы коньюнктора К программируются при определенной комбинировании входных сигналов коньюнктора К приобретает единичный выход и вывод срабатывает как выход (применяется в схемах контроля).
Схемы с памятью.

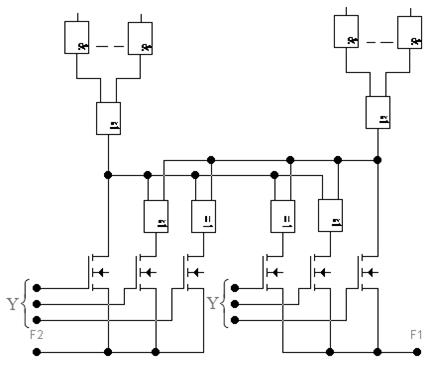
Программируемая матричная логика (ПМЛ) с разделяемыми
коньюнкторами.
Это относится только к ПМЛ. Для двух смежных элементов ИЛИ отводится некоторое количество коньюнкторов, которое может быть произвольно распределено между этими смежными коньюнкторами. Другие элементы ИЛИ использовать данный набор коньюнкторов не могут. Вариант с разделяемыми коньюнкторами смягчает наиболее очевидные ограничения жестких ПМЛ. А именно, фиксированное число элементов И на входах ИЛИ, которых может не хватить при воспроизведении сложных функций.

Ставится дополнительный набор ИЛИ и исключающее ИЛИ. Можно комбинировать сигналы основных элементов ИЛИ, для образования окончательных значений функции F1 и F2 . Характер получаемых функций зависит от того, какой из трех транзисторов в каждой группе будет проводящим. Управление транзистором осуществляется подачей положительного напряжения на затвор.
ЛИТЕРАТУРА
1. Закревский А.Д. Логический синтез каскадных схем. - М.: Наука, 2001.
2. Скляров В.А. Синтез автоматов на матричных БИС. – Мн.: Наука и техника, 2004.
3. Бибило П.Н. Синтез комбинационных структур для СБИС. – Мн.: Навука i тэхнiка, 2002.
4. Соловьев В.В., Васильев А.Г. Программируемые логические интегральные схемы и их применение. – Мн.: Беларуская навука, 2002.
5. Угрюмов Е. Цифровая схемотехника. – СПб.: БХВ, 2001.


