| Скачать .docx |
Курсовая работа: Підсилювач потужності
Міністерство транспорту та зв’язку України
Українська Державна Академія Залізничного Транспорту
Кафедра “Транспортний зв’язок”
ПІДСИЛЮВАЧ ПОТУЖНОСТІ
Пояснювальна записка курсового проекту
з дисципліни “Електроніка та мікросхемотехніка”
Харків
2008
Зміст
Вступ
1 Попередній розрахунок підсилювача
1.1 Типова структурна схема підсилювача
1.2 Попередній розрахунок вихідного каскаду
1.3 Попередній розрахунок вхідного і проміжного каскадів
1.4 Розподіл спотворень по каскадах
2 Вибір схеми і розрахунок кінцевого каскаду
2.1 Розрахунок схеми на комплементарних транзисторах
2.2 Особливості розрахунку схеми на складених транзисторах
3 Розрахунок вхідного і проміжного каскадів
3.1 Розрахунок каскаду по постійному струму
3.2 Розрахунок резисторного каскаду з ЗЕ
3.3 Розрахунок каскадів на мікросхемах
4 Розрахунок узагальнюючих параметрів і схеми НЗЗ
4.1 Розрахунок якісних показників підсилювача
4.2 Розрахунок електричних параметрів підсилювача
Висновок
Список літератури
Вступ
У наш час однією із самих швидко розвиваючих і перспективних галузей науки та техніки є електроніка. Зараз практично неможливо знайти яку-небудь галузь промисловості у якій би не використовувалися електронні вимірювальні прилади, пристрої автоматики й обчислювальної техніки. Але всього цього не було б без винаходу напівпровідних пристроїв, у тому числі транзисторів і діодів, які є тими елементарними цеглинками, з яких і будується сучасний будинок електроніки. Спочатку, транзистор був розроблений саме як підсилювальний прилад, покликаний замінити громіздкі електронні лампи, а вже пізніше став використовуватись як основний елемент логічних схем. З тих пір практично всі електронні підсилювачі виконуються на основі транзисторів.
Пристрій, призначенний для підсилення вхідного сигналу за рахунок енергії джерел живлення називається підсилювачем. Важливим типом підсилювача є підсилювач потужності. Будучи або самостійними пристроями, або частиною більш складних апаратів, підсилювачі знайшли широке застосування в радіомовленні, звуковому кіно, техніці звукозапису, телебаченні, радіолокації й радіонавігації, ядерній фізиці, медицині й біології, системах автоматики й т.д. У даному курсовому проекті зроблений розрахунок підсилювача потужності на транзисторах і мікросхемі.
1 Попередній розрахунок підсилювача
1.1 Типова структурна схема підсилювача
Як вхідний каскад підсилювача використовують резистивний підсилювач на мікросхемі ОП. З метою одержання основного підсилення сигналу, яке здійснюється проміжним каскадом, використовують схему на транзисторі за схемою ЗЕ, отже саме він володіє найбільшим коефіцієнтом підсилення.
З метою забезпечення в навантаженні
необхідної потужності
, в якості вихідного каскаду підсилювача використовуємо безтрансформаторну двотактну схему, яка володіє малими габаритами і широким діапазоном частот.
![]()

Рисунок 1.1 Типова структурна схема підсилювача
1.2 Попередній розрахунок вихідного каскаду
За відомою потужністю на виході
=8 Вт і опором навантаження
=4 Ом визначають амплітуду напруги на виході:
![]()
Розраховуються необхідні коефіцієнти підсилення за напругою і потужністю:
;
;
де
,
- ЕРС і внутрішній опір джерела сигналу;
- потужність на вході підсилювача при вхідному опорі
.
Так як напруга джерела живлення
не задана, то її необхідно визначити зі співвідношення:
,
де
, n=1,
;
напруга насичення транзистора (0,5… 2 В);
амплітуда напруги сигналу на виході;
(3…5)В- запас напруги, що враховує температурну нестабільність каскаду.
В
![]()
В
З ряду номінальних джерел вибираємо двополярне джерело живлення:
В
В
В.
Вибираємо схему каскаду за вихідною потужністю:
Вихідна потужність – більше 1…5 Вт,
Режим транзисторів – В,
Схема каскаду-двотактний без трансформаторний каскад з ЗЕ на складених транзисторах.
Транзистори для вихідного каскаду вибираються за потужністю розсіювання на колекторі при максимальній робочій температурі, за максимальними величинами напруги і струму, а також за верхньою робочою частотою.
Якщо підсилювач забезпечує в навантаженні потужність
, то орієнтовне значення потужності, що розсіюється на колекторі, буде дорівнювати:
Вт
де,
- для без трансформаторного каскаду;
- коефіцієнт використання транзистора;
- коефіцієнт, що враховує тип схеми ( двотактна ).
Для забезпечення надійної роботи підсилювача потужність повинна бути менше граничної потужності розсіювання транзистора при максимальній температурі навколишнього середовища ![]()
Вибір транзистора вихідного каскаду проведемо відповідно до наступних умов:
![]()
![]()
Вт
Визначимо максимально допустиму напругу:
В
Гранична частота підсилення струму транзистора в схемі з ЗЕ
в обраного транзистора повинна задовольняти умові:
![]()
Гц
Транзистор повинен забезпечити в навантаженні амплітуду струму:
А
Максимальний припустимий струм колектора
повинен задовольняти умові:
![]()
А
Обраний транзистор КТ817А задовольняє умовам, які наведені вище.
Таблиця 1.1 Параметри транзистора КТ817А
| Тип |
Структура |
|
Макс. доп. Параметри |
|
||
| Ркмакст, Вт |
Iк, А |
Uкэ, В |
||||
| 1 |
2 |
3 |
4 |
5 |
6 |
7 |
| КТ817А |
n-р-n |
3 |
25 |
3 |
25 |
20 |
Перевіримо умову:
Гц
Для схеми на складених транзисторах, крім вихідного транзистора, необхідно вибрати комплементарну пару, що задовольняє наступним умовам:
1)
Вт
2)
А
3)
В
4)
Гц
Обрані транзистори ГТ402А, ГТ404А задовольняють умовам, які наведені вище.
Таблиця 1.2 Параметри транзисторів ГТ402А, ГТ404А
| Тип |
Структура |
|
Макс. доп. Параметри |
|
||
| Ркмакст, Вт |
Iк, А |
Uкэ, В |
||||
| 1 |
2 |
3 |
4 |
5 |
6 |
7 |
| ГТ402А |
р-n-р |
1 |
4 |
0,5 |
25 |
30 |
| ГТ404А |
n-р-n |
|||||
Перевіримо умову:
Гц
![]() |
На вихідних характеристиках транзистора будується лінія навантаження, що проходить через точки “P” – (
Рисунок 2. Вхідні та вихідні характеристики транзистора КТ817А
За амплітудою базового струму за допомогою вхідної характеристики визначається амплітуда вхідної напруги
=1,1-0,65=0,45В, а за ними - вхідний опір вихідного каскаду
Ом і величина ЕРС передкінцевого каскаду з вихідним опором
Ом
![]()
В
Коефіцієнт підсилення кінцевого каскаду за потужністю орієнтовано визначається за формулою:
;
Орієнтовано коефіцієнт підсилення вихідного каскаду за напругою дорівнює:
;
1.3 Попередній розрахунок вхідного і проміжного каскадів
Попередній розрахунок вхідного і проміжного каскадів полягає у визначенні числа каскадів, типів і схем включення транзисторів чи мікросхем.
Амплітуда вхідної напруги і струму кінцевого каскаду:
В
Для передкінцевого каскаду вибирається транзистор з потужністю, яка розсіюється на колекторі ( стоці ),
![]()
![]()
Вт,
і максимально припустимим струмом колектора ( стоку ),
![]()
А
і максимально допустимою напругою колектор емітер:
В
Обраний транзистор КТ815В задовольняє умовам, які наведені вище.
Таблиця 1.3 Параметри транзистора КТ815А
| Тип |
Структура |
|
Макс. доп. Параметри |
|
||
| Ркмакст, Вт |
Iк, А |
Uкэ, В |
||||
| 1 |
2 |
3 |
4 |
5 |
6 |
7 |
| КТ815В |
n-p-n |
3 |
1 |
1,5 |
60 |
40 |
Перевіримо умову:
Гц
Коефіцієнти підсилення проміжного каскаду по потужності та напрузі:

Амплітуда вхідного струму передкінцевого каскаду:
А
Амплітуда вхідної напруги передкінцевого каскаду:
В
Вхідний опір передкінцевого каскаду:
Ом
![]() |
Рисунок 3.Вихідні та вхідні характеристики транзистора КТ815В
Мікросхеми для вхідного і проміжного каскадів вибирають за величинами вхідного струму, напруги й опору наступного каскаду. У використовуваної мікросхеми припустимий опір навантаження повинен бути менше, а величини максимальної вихідної напруги і струму (
і
)- більше відповідних вхідних величин наступного каскаду.
Умови вибору мікросхеми:

Параметри обраної мікросхеми представлені в таблиці 1.4
Таблиця 1.4 Параметри мікросхеми КР140УД1
| Тип |
Коефіцієнт підсилення, тис |
Частота одиничного посилення, МГц |
Швидкість наростання вихідної напруги, V В/мкс |
Максимальний струм, мА |
Максимальна напруга, В |
Мінімальний опір, кОм |
Напруга живлення, В |
Струм споживання, мА |
Максимальна вхідна напруга, В |
Вхідний опір, кОм |
Вихідний опір, Ом |
| 1 |
2 |
3 |
4 |
5 |
6 |
7 |
8 |
9 |
10 |
11 |
|
| КР140УД1 |
2 |
5 |
0,5 |
3 |
6 |
1 |
12,6 |
8 |
1,5 |
300 |
100 |
Перевіримо умову вибору:
Гц
1.4 Розподіл спотворень по каскадах
Нелінійні спотворення цілком відносять на вихідних каскад. Щоб забезпечити малий рівень нелінійних спотворень у проміжних каскадах величини струму колектора і напруги колектор-емітер у робочій точці вибирають у 1,3…1,7 рази більше амплітуд перемінних складових струму і напруги.
Орієнтовно рівень нелінійних спотворень кінцевого каскаду можна оцінити за коефіцієнтами підсилення по струму в точках “P”, “M”.
![]()
,
А,
А,
,
А,
А,
,
;
%
Величина коефіцієнта нелінійних спотворень (КНС)
оцінюється за співвідношенням цих коефіцієнтів для двотактного каскаду з режимом В- вище приблизно в 1,5 рази.
< 2%
Отже місцевий НЗЗ не потрібний.
Лінійні спотворення в області нижніх частот вносяться розділовими і блокувальними конденсаторами, а також трансформаторами ( при їх наявності). Знаючи число і тип каскадів, можна визначити число елементів, що вносять спотворення, і сумарну величину спотворень:
дБ
дБ
Так як
, то не треба вводити НЗЗ.
Спотворення в області верхніх частот:
дБ,
дБ,
дБ;
де
.
Сумарна величина спотворень
(дБ) повинна бути менше припустимої
дБ.
0,24 дБ < 2 дБ, отже НЗЗ не потрібний.
2 Вибір схеми і розрахунок кінцевого каскаду
2.1 Особливості розрахунку схеми на складених транзисторах
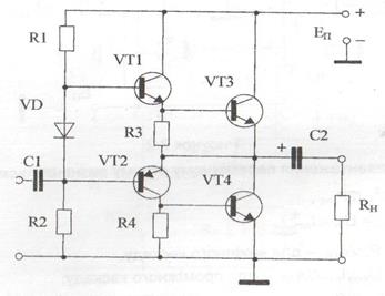
Схема простого двотактного безтрансформаторного підсилювача наведена на рисунку 4.

Рисунок 4. Схема простого двотактового безтрансформаторного підсилювача
Складений транзистор у кінцевому каскаді, маючи високий вхідний опір, полегшує роботу передкінцевого каскаду і дозволяє одержати від нього велику амплітуду сигналу.
Методика розрахунку схеми на складених транзисторах цілком збігається з розрахунком простої схеми на комплементарних транзисторах. При цьому використовують параметри складеного транзистора, які можна визначити з наступних співвідношень:
![]()
Ом
Ом
Номінальне значення R3=R4=33 Ом.
В
де
параметри транзисторів VT1, VT2;
параметри транзисторів VT3,VT4;
напруги зсуву транзисторів VT1 і VT3.
Розрахунок починається з визначення параметрів робочої точки:
В і
А для режиму В. На вихідних статичних характеристиках обраних транзисторів у координатах
будується лінія навантаження, що проходить через точки
і
-
(12;0)і (0;3);
![]() |
Рисунок 5.Вихідні та вхідні характеристики транзистора КТ817A
Знаючи необхідну амплітуду напруги в навантаженні
, визначаємо
В,
За допомогою вхідної статичної характеристики обраного транзистора, визначаємо:
А,
В,
В,
мА,
А,
В,![]()
В,
В,
В,
мА;
А,
В;
Постійний струм бази
визначається зі співвідношення:
А
Оцінюємо задану потужність:
![]()
Вт
У схемі з ЗК діє місцевий НЗЗ, глибина якого:
,
де![]()
![]()
Резистори R1, R2 і діод VD ставляться в схемі, якщо вихідний і перед кінцевий каскади розділені конденсатором. Тоді опори R1, R2 приймають однаковими з розрахунку:
,
де ![]()
Ом
мА
Номінальне значення R1=R2=1200 Ом = 1,2 кОм
Розраховуємо потужність, що розсіюється:
Вт;
![]() |
Діод вибирають таким, щоб спадання напруги на ньому складало
Рисунок 6. ВАХ діода КД520
Вхідний опір дорівнює
, якщо ставиться дільник R1,VD,R2, де
Ом і
вхідний опір транзистора, обумовлений за вхідною характеристикою поблизу точки
.
Ом;
Амплітуда напруги вхідного сигналу дорівнює:
,
де 
В
І амплітуда вхідного струму дорівнює:
А = 17 мА;
Будуємо наскрізну динамічну характеристику транзистора
. При цьому необхідно враховувати, що для безтрансформаторного каскаду
, де
Ом.
Таблиця 1.5 Наскрізна динамічна характеристика
| Точки |
|
|
|
|
| 0 |
0 |
0 |
0,65 |
0,65 |
| 1 |
0,5 |
0,01 |
0,8 |
3,84 |
| 2 |
1 |
0,025 |
0,9 |
7,5 |
| 3 |
1,5 |
0,05 |
1,05 |
12,25 |
| 4 |
1,9 |
0,07 |
1,1 |
15,98 |
В,
В,
В,
В,
В;

Рисунок 7. Наскрізна динамічна характеристика
За цією характеристикою визначають коефіцієнт нелінійних спотворень по третій гармониці
без обліку впливу НЗЗ.

З урахуванням дії місцевого НЗЗ коефіцієнт нелінійних спотворень по третій гармониці
. Нелінійні спотворення по другій гармониці в двотактних схемах компенсуються тим краще, чим менше коефіцієнт асиметрії струму (Х) у плечах схеми. У залежності від точності застосовуваних елементів і розкиду параметрів транзисторів Х=0,1…0,5. Тоді
і, з обліком НЗЗ,
. Повний коефіцієнт гармонік дорівнює:
;
Ємність розділового конденсатора (при його наявності) визначається за припустимою величиною лінійних спотворень
(у відносних одиницях) на частоті
. Величина лінійних спотворень:
;

мкФ
Номінальне значення -
мкФ.
Частотні спотворення на нижній граничній частоті будуть рівні:


дБ
Коефіцієнт частотних спотворень на верхній частоті діапазону визначається виразом:
дБ.
3. Розрахунок вхідного і проміжного каскадів
3.1 Розрахунок каскаду по постійному струму
Вихідними даними для розрахунку є параметри наступного каскаду: амплітуда перемінної напруги
на вході і вхідний опір
.
Розрахунок проводиться в такому порядку. Визначаються параметри робочої точки транзистора, що задовольняє умовам:
![]()
А = 21 мА;
![]()
В;
Отримані значення округляємо до цілих значень:
мА та
В;
Визначається значення струму бази
:
А = 0,52 мА;
Постійна напруга
=0,7 В визначається за вхідною статичною характеристикою обраного транзистора і розрахованим струмом
. Опір резистора
визначається з умови:
, де
…0,2 для каскаду ЗЕ.
Ом;
Номінальне значення -
Ом.
Опір резистора
вибирається як менше з двох значень:
Ом ,
Ом ,
![]()
Ом
Номінальне значення
Ом = 0,5 кОм.
Фільтр
в схему включати не потрібно, так як
.
Резистори R1 і R2 визначаються за формулами:
,
Ом
Ом
![]()
Ом,
де
=24 В – при відсутності фільтра.
вхідний опір транзистора, а значення
визначається за статичними вхідними характеристиками транзистора поблизу точки
.
Номінальні значення R1=1600 Ом, R2=240 Ом.
Для всіх резисторів розраховується потужність, що розсіюється:
Вт,
Вт,
Вт,
Вт;
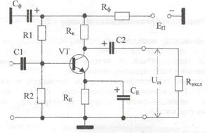
3.2 Розрахунок резисторного каскаду з ЗЕ
Схема каскаду наведена на рисунку 8. Вихідними даними для розрахунку є амплітуда перемінної напруги
і вхідний опір
каскаду, що підключається до виходу даної схеми.

Рисунок 8. Схема проміжного каскаду
Розрахунок по постійному струму проводиться за методикою розділу 3.1 Розрахунок по перемінному струму починається з визначення еквівалентному опору колекторного навантаження перемінному струму:
![]()
Ом;
Вхідний опір каскаду перемінному струму дорівнює:
,
де
Ом ,
вхідний опір транзистора.
Ом;
Коефіцієнт підсилення каскаду по напрузі визначається за формулою:
,
де
вихідна провідність транзистора, обумовлена за вихідними характеристиками поблизу робочої точки
.
см
Амплітудне значення вхідної напруги дорівнює:
В;
Вхідна потужність дорівнює:
Вт = 0,5 мВт;
Ємності конденсаторів визначають з нерівностей:
,
мкФ
Номінальне значення С2=20 мкФ.
,
мкФ
Номінальне значення
мкФ, де
Ом;
;
Ом;
і
величини спотворень, внесених конденсаторами С2 і
, які виражені у відносних одиницях;
вихідний опір попереднього каскаду чи внутрішній опір джерела сигналу для вхідного каскаду. Якщо попередній каскад з ЗК чи на мікросхемі, то
Ом
Фактична величина спотворень, що внесені елементами схеми з обраними номіналами, визначається за формулами:

дБ,

![]()
дБ
Сумарна величина лінійних спотворень на нижній частоті дорівнює:
![]()
дБ
Величина лінійних спотворень на верхній граничній частоті дорівнює:
![]()
дБ
3.3 Розрахунок каскадів на мікросхемах
Розрахунок каскадів підсилення на мікросхемах полягає у виборі типу мікросхеми, здатної забезпечити на опорі
амплітуду
із припустимою величиною лінійних спотворень
і
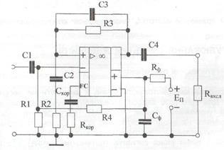
. Для підсилення сигналів широко використовують мікросхеми операційних підсилювачів (ОП). На цих мікросхемах, застосовуючи зворотній зв’язок, можна реалізувати різні види підсилювачів.
Розрахунок каскаду по постійному струму полягає у виборі резистора фільтра
. Так як необхідна напруга
для мікросхем більш за джерело живлення
, то фільтр не треба включати в схему. Схеми ОП у більшості випадків вимагають двох джерел живлення. Однак їх можна підключати до одного джерела
. Схема підсилювача на ОП з живленням від одного джерела наведена на рисунку 9.

Рисунок 9. Схема підсилювача на ОП
При розрахунку каскаду на ОП по перемінному струму задаються величиною R2 з умови:
![]()
Ом = 3 кОм.
Номінальне значення R2=3 кОм.
Величину резистора R3 визначають за необхідною величиною коефіцієнта підсилення за напругою
.
,

Ом
Номінальне значення R3=93 кОм.
Резистор R1 визначають з умови
.
![]()
кОм.
Номінальне значення R1=100 кОм.
При цьому враховується, що потужність, що розсіюється на них, звичайно не перевищує 125 мВт.
Фактичний коефіцієнт підсилення каскаду за напругою:
;
Вхідний і вихідний опори:
,
кОм.
де
коефіцієнт підсилення,
і
- вхідний і вихідний опори ОП.
;
Ом.
При цьому повинні виконуватися умови:
-
,
-
,
-
;
Амплітуда вхідної напруги:
В = 7мВ.
Конденсатор С3 призначений для запобігання можливого збудження ОП на частотах вище
. Його ємність дорівнює:
пФ;
Номінальне значення: С3=33 пФ.
Конденсатор С2 призначений для збільшення глибини НЗЗ за постійним струмом, що зменшує дрейф нуля ОП і стабілізує роботу каскаду. Ємність конденсатора визначають з умови:
мкФ;
Номінальне значення: С2=5 мкФ.
Ланцюжок
забеспечує стійкість підсилювача, його конфігурація та параметри визначаються типом мікросхеми і вибираються за довідником.
Ом,
пФ.
Ємність розділового конденсатора С4 визначається за формулою:


мкФ;
Номінальне значення: С4=200 мкФ.
Величина спотворень, фактично внесених на нижній граничній частоті
, дорівнює:

дБ,
а на верхній граничній частоті
дорівнює:
дБ.
4 Розрахунок узагальнюючих параметрів і схеми НЗЗ
4.1 Розрахунок якісних показників підсилювача
Якість підсилювача характеризується ступенем його відповідності технічному завданню. Найбільшою мірою це відображає коефіцієнти підсилення К,
і величини спотворень
,
і
.
Коефіцієнт підсилення за напругою визначається як добуток коефіцієнтів підсилення за напругою окремих каскадів
, розрахованих раніше:
;
Цей коефіцієнт має бути більше необхідного:
![]()
![]()
Ємність першого розділового конденсатора
на вході підсилювача визначається зі співвідношення:
,
де
внутрішній опір джерела сигналу,
вхідний опір першого (вхідного) каскаду.
мкФ;
Номінальне значення:
мкФ.
Величина спотворень, внесених ємністю, дорівнює:

дБ;
Тоді, ![]()
дБ.
![]()
дБ
де
,
- величини лінійних спотворень, внесених і-им каскадом. Отримані величини не повинні перевищувати заданих:
,
дБ
,
дБ
4.2 Розрахунок електричних параметрів підсилювача
Величина споживаного струму
визначається за відомими з попередніх розрахунків величинами колекторних (стокових) струмів спокою вхідного і проміжного каскадів
, постійною складовою струму колектора вихідного каскаду
, а також за струмами дільників базового зсуву
всіх каскадів, включаючи вихідний (
при наявності):
![]()
![]()
А.
У двотактному каскаді режиму В-
=0,637
.
Потужність, споживана від джерела живлення,
Вт.
ККД підсилювача дорівнює:
![]()
![]()
![]()
Висновок:
В ході курсового проекту був розрахован трьохкаскадний підсилювач потужності. Був вибран двотактний безтрансформаторний каскад, зібраний по схемі з загальним емітером (ЗЕ) на складених транзисторах. Наведені принципові схеми, вольт-амперні характеристики (ВАХ) транзисторів, діода, наскрізна динамічна характеристика.
Список літератури:
1. Гусев В.Г. Злектроника. - М.: Высшая школа. 1991. 622с.
2. Лавриненко В. Ю. Справочник по полупроводниковым приборам. -К.: Техника 1984. 424с.
3. Методические указания к курсовой работе по дисцеплине «Злектронные устройства ЖАТС». Часть З -X.: ХИИТ, 1988. 37с.
4. Методичні вказівки до курсового проекту з дисципліни « Електроніка та мікросхемотехніка». Часть 1 - X.: УкрДАЗТ. 2003. 62с.
5. Мощные полупроводниковые приборы. Транзисторы. Справочник Под. ред. Голомедова. - М.: Радио и связь, 1985. 560 с.
6. Полупроводниковые приборы: Транзисторы. Справочник. Под общей редакцией Н. Н. Горюнова. Издание второе, переработанное.. М.: Знергоатомиздат 1985. 902 с.



