| Скачать .docx |
Курсовая работа: Перетворювач опір - часовий інтервал
Міністерство освіти і науки України
Вінницький національний технічний університет
Інститут автоматики електроніки та комп‘ютерних систем управління
Факультет автоматики і комп’ютерних систем управління
Кафедра метрології і промислової автоматики
ПЕРЕТВОРЮВАЧ ОПІР-ЧАСОВИЙ ІНТЕРВАЛ
Пояснювальна записка
З дисципліни “Основи електроніки”
До курсового проекту за спеціальністю
6.097302 “Метрологія та вимірювальна техніка”
08 – 03.КП.012.00.000ПЗ
Керівник курсового проекту
К.т.н., доцент. Дрючин О.О.
(прізвище та ініціали)
________________________
(підпис)
“___”______________200_ р.
Розробила студентка гр.1АМ-05
__________________Рижук Н.В.
(підпис, прізвище та ініціали)
“___”______________200_ р.
Вінниця ВНТУ 2007
Зміст
Вступ
1 Розробка технічного завдання
2 Розробка структурної схеми
2.1Розгляд варіантів реалізації
2.2Розробка спрощеної структурної схеми
2.3Розробка автоколивального мультивібратора
2.4Розрахунок очікуючого мультивібратора
2.5Попередній розрахунок ПП
2.6 Попередній розрахунок ПН
2.7 Розробка детальної структурної схеми
3 Електричні розрахунки
3.1 Розрахунок підсилювача потужності
3.2Розрахунок підсилювача напруги на БТ
3.3 Розрахунок елементів ОМВ
3.4 Розрахунок елементів мультивібратора
3.5 Похибка вимірювання
4 Моделювання одного з вузлів
Висновки
Список літератури
Вступ
Електроніка – це галузь науки і техніки, яка вивчає електронні та іонні процеси у вакуумі, твердому тілі, рідині, газі, плазмі та їх поверхневих шарах.
Прискорення науково-технічного прогресу, розвиток автоматизації процесів виробництва вимагає постійного вдосконалення систем збору і переробки інформації .Найбільш успішно це розв'язується при виконанні операцій з величинами, представленими в дискретному (цифровому ) вигляді.
До основних переваг обробки дискретної інформації слід віднести високу точність, велику швидкодію і хорошу перешкодозахисну, в чому чималу роль зіграв досвід розробки засобів цифрової обчислювальної техніки. Останнє, відноситься не тільки до результатів, одержаних на виході цифрових приладів, але і до багатьох вузлів власне аналого-цифрових перетворювачів (АЦП), що представляють типові елементи і пристрої ЕОМ.
До лінійних компонентів електричних і радіотехнічних ланцюгів із зосередженими постійними відносять резистори, конденсатори і котушки індуктивності. Основними параметрами їх є відповідно опір, ємність і індуктивність. У ряді випадків вимірюють тангенс кута втрат конденсаторів і добротність катушок, повний (комплексний) опір або повну провідність ланцюга. Для вимірювання перерахованих параметрів використовують наступні способи:
- амперметра-вольтметра, заснований на законі Ома;
- мостовою, при якому вимірювані активні і реактивні опори порівнюють з опорами робочих елементів, включених у відповідні плечі мостової схеми;
- резонансний, коли вимірювання проводять при резонансній настройці;
- вимірювальної схеми, виконаної у вигляді коливального контура.
Вибір того або іншого способу визначається необхідною точністю вимірювань і діапазоном частот, в якому досліджувані компоненти повинні працювати. З підвищенням частоти міняються методи вимірювання одних і тих же параметрів. Зокрема, на високих частотах. Необхідно враховувати власну місткість катушок індуктивності і параметри вимірювальної схеми, які на низьких частотах не грають істотної ролі.
Найпростіший спосіб вимірювання - спосіб амперметра-вольтметра. Він полягає у вимірюванні струму або напруги, функціонально пов'язаної з вимірюваним опором. Схеми, що реалізовують його, прості, і не забезпечують високій точності вимірювань. Спосіб амперметра-вольтметра використовують в основному в омметрах - приладах для вимірювання електричного опору на постійному струмі.
Характерні схеми - електромеханічних омметрів складаються з джерела живлення (звичайно використовують гальванічні елементи або мініатюрні акумулятори), магнітоелектричного вимірювального механізму, відградуйованного в одиницях опору, додаткового і калібрувального резисторів.
Метою курсового проекту є розробка вимірювального перетворювача опір – часовий інтервал і його принципової схеми. Також метою даної роботи є придбання навиків аналітичного розрахунку перетворювача по заданим вимогам.
Анотація
УДК. 621.38
Н.В.Рижук Перетворювач опір – часовий інтервал. Курсовий проект.
ВНТУ, 2007, Українська мова; сторінок 34; ілюстрацій 2; додатки 3.
В даному курсовому проекті розроблено перетворювач опір – часовий інтервал. Він здатен проводити перетворення опору у високих межах 1Ом до 1МОм, при чому вихідні імпульси мають не широкий діапазон, що безумовно підвищує точність вимірювання. На виході перетворювача отримуємо сигнал зі змінною тривалістю та незмінною амплітудою сигналу 20В на навантаженні 4Ом. Перетворення відбувається з частотою 20кГц, але будова схеми дозволяє у разі необхідності провівши невеликі додаткові розрахунки та заміну одного елементу змінити частоту перетворень.
Розроблений перетворювач є досить зручним та гнучким до змін та модернізації.
Даний перетворювач виконаний на основі операційних підсилювачів.
Цей прилад відповідає всім вимогам до сучасних нормативів і стандартів.
1. Розробка технічного завдання
Завданням курсового проекту є розробка функціональної та електричної принципової схем перетворювача опір – часовий інтервал, а також розрахунок всіх вузлів схеми. Задано діапазон опору від 1Ом до 1МОм , амплітуда вихідної напруги 20В, значення опору навантаження дорівнює 4Ом, а також відносна похибка перетворення 1%. Потрібно розрахувати значення кожного елемента схеми перетворювача опір – часовий інтервал та керуючись розрахунковими даними вибрати потрібні операційні підсилювачі, транзистори та діоди.
Розробку приладу необхідно провести у два етапи. Перший, розробка функціональної схеми та для кожного з розроблених блоків провести попередні розрахунки. У таких розрахунках варто провести вибір елементів, таких як операційні підсилювачі, транзистори. Їх вибір буде проведено на основі отриманих у завданні параметрів та розрахованих додатково.
Другий етап, проведення електричних розрахунків вузлів електричної принципової схеми, за наступною послідовністю: необхідно навести попередньо розраховані та отримані з завдання дані, навести схематичне зображення вузла схеми, провести розрахунок елементів та підбір стандартних типів та номіналів.
Розроблений пристрій призначений для перетворення опору в інтервал часу і може використовуватись при побудові омметрів та вимірювальних пристроїв з резистивними первинними перетворювачами.
У графічній частині навести схему електричну принципову згідно вимог стандартів.
Згідно ДСТУ 2681-94 „Метрологія. Терміни та визначення” та ДСТУ 2682-94 „ Метрологія. Метрологічне забезпечення ” даний перетворювач опір – часовий інтервал відноситься до вторинних вимірювальних перетворювачів.
2. Розробка структурної схеми перетворювача
2.1 Розгляд варіантів реалізації
Електронними підсилювачами називають пристрої, призначені для підвищення потужності вхідних електричних сигналів. При цьому процес посилення сигналів здійснюється за допомогою підсилювальних елементів - транзисторів, що володіють управляючими властивостями. Малопотужний вхідний сигнал управляє витратами енергії джерела живлення значно більшого рівня потужності. За призначенням розрізняють підсилювачі напруги, струму і потужності. Підсилювачі потужності забезпечують задане посилення у вихідному ланцюзі як по струму, так і по напрузі.
Одним з аналогів розроблюваного перетворювача є омметр.
Омметри бувають магнітоелектричні, логометричні, аналогові електронні, цифрові електронні, вимірювача малих опорів.
Дія магнітоелектричного омметру полягає у вимірюванні сили струму, який протікає через опір при постійній напрузі джерела живлення. Логометричні омметри мають в основі логометр, який вимірює різницю між певними опорами. Принцип дії аналогових електричних омметрів полягає у перетворенні вимірюваного опору у пропорційну йому напругу за допомогою оп6ераційного підсилювача. Вимірюваний об’єкт включається у ланцюг зворотного зв’язку чи на вхід підсилювача. В основі цифрових омметрів покладено вимірювальний міст з автоматичним зрівноваженням.
Оскільки у розроблюваного приладу досить великий діапазон опорів область його застосування значно розширюється і дає йому значні переваги над аналогами.
Як перетворювач опору у тривалість використаємо очікуючий мультивібратор. Мультивібратори. Коливання прямокутної форми на мультивібраторах виникають за рахунок позитивного зворотного зв’язку через активний електронній елемент: транзистор, операційний підсилювач, тлогічний елемент, тиристор. Саме тому основними параметрами прямокутних імпульсів є: частота (тривалість), амплітуда і їх стабільність залежать від характеристик активного елемента – напруга живлення, порогового рівня, швидкодії тощо.
Найчастіше в наш час використовують мультивібратори на логічних елементах інтегральних мікросхем, що пов’язано з їх використанням в цифровій апаратурі.
Стабільність тривалості чи періоду повторення імпульсів в мультивібратори на логічних елементах невелика (приблизно 3% при зміні температури на 10С), оскільки стабільність порогового рівня ТТЛ-мікросхем низька.
Оскільки перетворювачем є очікуючий мультивібратор, то необхідно створити сигнали, які будуть його запускати саме тому використаємо для запуску перетворювача автоколивальний генератор прямокутних імпульсів. Таким генератором буде автогенератор на основі ОП.
Сигнал, який буде отримано на виході первинного перетворювача на жаль не матиме достатню амплітуду по напрузі, саме тому варто використати підсилювач напруги, в якості якого оберемо підсилювач на базі транзистору.
Для підсилення потужності використаємо комплементарний емітерний повторювач.
2.2 Розробка спрощеної структурної схеми
Спрощена структурна схема перетворювача наведена на рисунку 1.

Рисунок 1 – Спрощена структурна схема перетворювача
АМВ – автоколивальний мультивібратор, призначений для створення імпульсів заданої частоти.
ОМВ – очікуючий мультивібратор, призначений для формування імпульсів певної тривалості з визначеною амплітудою. Тривалість вихідних імпульсів залежить від змінного опору.
ПН – підсилювач напруги на БТ, здійснює стабілізацію рівня вихідної напруги попереднього каскаду.
ПП – підсилювач потужності, використовується для забезпечення потужності на навантаженні.
2.3 Попередній розрахунок автоколивального мультивібратора
Вхідні дані:
Частота модуляції fmax = 20кГц
Визначимо напругу живлення за заданою амплітудою вихідних імпульсів:
=(1,2…1,4)
=24В, (1)
, (2)
, (3)
= 400 (кГц),
, (4)
Отже за допомогою автоколивального мультивібратора проводимо генерацію імпульсів з частотою 20кГц, які виступають в ролі запускаючи для наступного каскаду.
Виберемо ОП К574УД2Б
Основні параметри:
нА вхідний струм
В максимальна вихідна напруга
Ом вихідний опір
МГц гранична частота
Діапазон робочих температур =(45-70)
С
2.4 Попередній розрахунок очікуючого мультивібратора
Даний перетворювач виконує перетворення опору у тривалість.
Наведемо можливі межі опору:
(Ом),
(МОм),
Розрахуємо динамічний діапазон.
D=
, (5)
D=
.
Оскільки заданий діапазон є більшим за 100, то виконаємо його розбиття на під діапазони:
D
=![]()
, (6)
D
=
=100,
D
=
, (7)
D=
=100.
D
=
, (8)
D=
=100.
Таким чином при проведенні подальших розрахунків необхідно врахувати ці під діапазони при виборі елементів даного вузла схеми.
Для такого ОМВ тривалість сформованого імпульсу:
. (9)
За умовою ![]()
Задаємо
(10...20)
, (10)
400 (кГц).
>
, (11)
=(1,2…1,4)
,
=24 (В).
Для операційного підсилювача:
(10...20)
, (12)
400 (кГц).
Спираючись на проведені розрахунки обираємо ОП: К574УД2Б
2.5 Попередній розрахунок ПП
В якості підсилювача потужності використано комплементарний емітерний повторювач. Принцип дії: VT2 відкритий і працює як емітерний повторювач коли на вході каскаду позитивний сигнал. У цей час VT3 закритий.
При негативному сигналі навпаки. Початкові дані:
,
,
max
=
(13)
max
=
.
Розрахуємо максимальну вихідну потужність:
Рmax
=
, (14)
Рmax
=
=50 (Вт).
З попередніх розрахунків ![]()
А отже необхідно обрати транзистор з потужністю на колекторі не менше 100Вт, струмом колектора 5А.
На основі розрахунків оберемо транзистори VT2 та VT3.
КТ864А n-p-n: КТ865А p-n-p:
=100Вт
=100Вт - максимальна колекторна потужність
=12А
=12А – максимальний колекторний струм.
=160В
=160В - максимальна колекторна напруга.
=40...200
=40...200 - коефіцієнт підсилення.
=3МГц
=3МГц – гранична частота.
=2В
=2В – максимальна напруга насичення.
=2А
=2А – струм навантаження.
T=-60…+125
С T=-60…+125
С – робоча температура
2.6 Попередній розрахунок ПН
ПН використовується для стабілізації рівня вихідної напруги на перед кінцевому каскаді. Для визначення параметрів проведемо наступні розрахунки.
Визначимо коефіцієнт підсилення по напрузі:
, (15)
![]()
.
Оскільки попередній каскад виконує перетворення опору у тривалість імпульсу, то хоч попередній каскад і в ідеалі не повинен викликати зміну вхідного імпульсу по амплітуді варто стабілізувати рівень вихідної напруги та підсилити його до рівня 20 В. Це і буде виконувати даний каскад.
Виберемо активний елемент підсилювача потужності спираючись на наступні дані:
Оскільки коефіцієнти підсилення транзисторів VT4 та VT5 Кпр =25дб=300, то :
Рвх
=
, (16)
Рвх
.
,
Ікмах
=
.
Заданим параметрам відповідає транзистор n-p-n КТ3107А
Основні параметри транзисторів: КТ3107А:
=300мВт – максимальна колекторна потужність.
=100мА – максимальний колекторний струм.
=380/800 – коефіцієнт підсилення.
=200МГц- гранична частота, T=-60...+125
С - робоча температура.
2.7 Розробка детальної структури схеми
Детальна структура схеми представлена на рисунку 2.

Рисунок 2 - Розробка детальної структури схеми
АМВ – автоколивальний мультивібратор, призначений для створення імпульсів, які є запускаючи ми для ОМВ і частота цих імпульсів 20кГц.
ОМВ – очікуючий мультивібратор, призначений для формування імпульсів певної тривалості з визначеною амплітудою. Тривалість вихідних імпульсів залежить від опору. Даний каскад перетворює опір в тривалість імпульсів, але при цьому здатен дещо спотворювати амплітуду вихідного сигналу, тому наступним каскадом є підсилювач напруги на БП.
ПН – підсилювач напруги на БТ, здійснює стабілізацію вихідної напруги попереднього каскаду до величини 20В. Також призначений для збільшення струму, який є вхідним для наступного каскаду. Виконано на підсилювальному каскаді зі спільним емітером на БТ.
ПП – підсилювач потужності, використовується для забезпечення потужності на навантаженні. Виконаний на комплементарному емітерному повторювані, на симетричних біполярних транзисторах.
Напруга, що пропорційна опору, змінюється від 0 до 20В, тоді амплітуда пилковидної напруги має теж змінюватися від 0 до 20В. Період повторення складає 100мкс. Формування пилковидної напруги здійснимо за допомогою генератора на основі інтегратора з періодичним шунтуванням ключових елементів заданого кола. Для виключення впливу елементів схеми на процес формування пилковидної напруги на виході генератора включимо повторювач на ОП.
Згідно ТЗ, амплітуда вихідного імпульсу має бути не менше 20В на опорі навантаження 4Ом, а також враховуючи той факт, що мінімальна тривалість імпульсу складає 1 мкс, застосуємо в якості каскада повторювач.Це дасть можливість узгодити навантаження з виходом компаратора і отримати малі тривалості фронтів вихідного імпульса .
3. Електричні розрахунки
3.1 Р озрахунок підсилювача потужності
Підсилювач потужності використовується для забезпечення потужності на навантаженні.Для розрахунку його параметрів його використаємо дані.
Вихідні дані:
=4 Ом;
=5 А;
=20 В;
=100 Вт;
Схема підсилювача потужності зображена на рисунку 3.

Рисунок 3 - Схема ПП електрична принципова
Розрахуємо напругу живлення
=(1,2...1,4)
=24 (В),
Визначення залишкової напруги на колекторі.
Проведемо розрахунок для VT2. По вихідним характеристикам транзистора типу КТ864А та по заданим
та
визначаємо
,
,
.
=
-
, (17)
=24-20=4(В).
Переконуємось в тому, що ці параметри не перебільшують допустимі.
<
, (18)
<
, (19)
<
, (20)
Визначаємо струм спокою:
=(0,05...0,1)
=(0,05...0,1)10=50 (мА).
Помилка по струму буде складати :
5%, а це не припустимо, тому вибираємо
<![]()
=0,01
=50мА. Вибираємо струм спокою 5мА. Уточнюємо, що
=
+
=5+0,005=5,005А<
. (21)
Визначаємо для КТ865А (VT2) початковий базовий струм:
=
, (22)
![]()
=0,2 (мА).
Визначаємо максимальний базовий струм
=
, (23)
![]()
=125 (мА).
Визначення додаткового опору R![]()
не повинно шунтувати опір навантаження
, тому вибирається:
(24)
=120 (Ом).
Вибираємо стандартний номінал та тип резистора:
С2-23-220Ом, Р=0,125 (Вт).
3.2 Розрахунок підсилювача напруги на БТ
Схема підсилювача напруги зображена на рисунку 4.

Рисунок 4 – Схема ПН електрична принципова
Вхідні дані:
Транзистор КТ3107А
=300мВт – максимальна колекторна напруга.
=100мА – максимальний колекторний струм.
= 45В – максимальна колекторна напруга.
КТ3107А –
=45В;
=100мА
=300мВт
=12Пф
Оберемо напругу живлення
, (25)
![]()
.
Задаємося
, (26)
![]()
.
Обираємо з вихідної характеристики транзистора:
при ![]()
З вхідних характеристик:
при ![]()
Задамося
, (27)
![]()
.
Розрахуємо R8 :
, (28)
![]()
(Ом).
Вибираємо R8
з номіналом: С2-23-500Ом, Р=0,125Вт,
1%
Розрахуємо R9 :
, (29)
, (30)
(Ом).
Вибираємо R9
з номіналом: С2-23-100Ом, Р=0,125Вт,
1%
тому
, (40)
![]()
Проведемо розрахунок опорів вхідного подільника R7 R6
, (41)
(Ом).
, (42)
![]()
(кОм).
Вибираємо R6
з номіналом: С2-23-12кОм, Р=0,125Вт,
1%
Вибираємо R7
з номіналом: С2-23-3,6кОм, Р=0,125Вт,
1%
Розрахуємо вхідний опір цього каскаду:
, (43)
5 (Ом).
Проведемо розрахунок конденсаторів.
- розділові конденсатори.
- блокувальний конденсатор.
, (44)
, (45)
, (46)
.
Вибираємо
К21-7-8,2мкФ ,
10%
Аналогічно розрахуємо ![]()
, (47)
(
).
Вибираємо
КМ6М47-820нФ ,
20%
3.3 Розрахунок елементів ОМВ
Схема очікувального мультивібратора зображена на рисунку 5.

Рисунок 5 – Схема ОМВ електрична принципова
Оскільки тривалість імпульсів для такого мультивібратора:
, (48)
а отже тривалість імпульсу вихідного сигналу залежить від опорів R4 R5 один з яких досліджуваний. Можливі межі тривалості розрахуємо після того, як будуть обрані всі елементи.
напруга насичення ОП на виході 20В
Оскільки даний каскад повинен лише змінювати тривалість імпульсів, а не підсилювати сигнал по напрузі, то виберемо номінали елементів так, щоб коефіцієнт підсилення по напрузі даного каскаду
, (49)
Оскільки
, то
, (50)
, (51)
Задавшись
=1кОм, 100кОм, , знаючи межі, в яких змінюється опір проведемо розрахунок ємності конденсатора. Оскільки значення опорів змінюються в досить великих межах, то ємність конденсатора розрахуємо для кожного під діапазонну окремо.
Для першого:
(Ом), (52)
, (53)
![]()
(Ф).
Для другого:
(Ом), (54)
, (55)
![]()
(Ф).
Для третього:
(Ом), (56)
, (57)
(Ф).
Оберемо стандартний номінал змінного конденсатора та змінного опору:
Вибираємо
КМ6М47-220нФ-220пФ ,
20%
Вибираємо
СП3-13-1,6МОм, Р=0,125Вт,
1%
При чому перемикання опору та конденсатора повинно відбуватися одночасно та у встановлені значення. Можна також використати три опори та три конденсатори, які перемикаються за допомогою ключа.
Проведемо розрахунок меж тривалості вихідних імпульсів в залежності від меж опору для одного діапазону, оскільки діапазони рівні:
, (58)

, (59)

Отже тривалість імпульсів в залежності від змінного опору лежатиме у межах: 1,16мс...1,25мс.
3.4 Розрахунок елементів мультивібратора
Схема автоколивального мультивібратора зображена на рисунку 6.

Рисунок 6 – Схема АМВ електрична принципова
Розрахуємо опір.
Вхідні данні:
Частота перетворень fmax = 20 (кГц).
Визначимо напругу живлення за заданою амплітудою вихідних імпульсів:
=(1,2…1,4)
, (60)
=24 (В).
Оскільки період імпульсу
, а за умовою частота перетворень f= 20кГц, задавшись ємністю конденсатора С1
=1000пФ розрахуємо значення резистора R1
:
, (61)
![]()
6(кОм).
Вибираємо R1
С2-23-36 кОм, Р=0,125Вт,![]()
А також конденсатор:
Вибираємо С1
КМ6М47-1000пФ ,
20%
Проведемо розрахунок опорів R2 R3 :
Оскільки на виході операційного підсилювача необхідно забезпечити рівень напруги 10 В, то коефіцієнт підсилення
, а отже R2
=R3
, то задамося:
Вибираємо R3
С2-23-1кОм, Р=0,125Вт,
1%
R2
С2-23-1кОм, Р=0,125Вт,
1%
3.5 Похибка вимірювання
Після розрахунку зовнішніх елементів необхідно враховувати неідеальність ОП. При цьому
,
,
.
кОм,
Ом, R5
=100...10000Ом , R4
=12кОм ![]()
Реальний коефіцієнт підсилення реального ОП можна визначити за формулою:
, (62)
.
Визначимо відносну похибку:
, (63)
.
Тобто значення реальної похибки не перевищує значення допустимої похибки, яка є однією із умов завдання:
. Отже, можна зробити висновок, що задана в умові точність витримана.
4. Моделювання мультивібратора
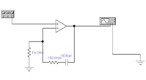
Для перевірки правильності роботи схеми проведемо моделювання одного в вузлів. Для моделювання оберемо очікуючий мультивібратор, який виступає у ролі перетворювача опору у тривалість імпульсів. Підставимо всі обрані у процесі розрахунків номінали елементів та знімемо частотні характеристики на виході вузла. З частотою 10кГц на вхід мультивібратора подаємо сигнал за допомогою генератора імпульсів. Вихідний сигнал зображений на рисунку 8, оскільки досить малий інтервал зміни опорів, а отже і тривалості імпульсів. Демонструємо тривалість лише при t=-40 C.
Моделювання очікуючого мультивібратора зображено на рисунку 7.

Рисунок 7 - Очікуючий мультивібратор
Зобразимо частотні характеристики мультивібратора на рисунку 8.

Рисунок 8 – Частотні характеристики мультивібратора
В результаті проведення моделювання очікуваного мультивібратора, який ми використовували в якості перетворювача опору в тривалість імпульсу, отримали коливання прямокутної форми, які виникають в приладі за рахунок додатнього зворотнього зв’язку через активні електронні елементи: транзистор, операційний підсилювач, логічний елемент.
Основними параметрами прямокутних імпульсів є: частота(тривалість), амплітуда, що в нашому випадку відповідають ТЗ і дорівнює 25кГц, амплітуда на виході 20В на опорі 4В.
Література
1. Харовіц П. Н. Мистецтво схемотехніки .- М.: "Мир", 1986, т.2. – 55 с.
2.Гурин Е.И. Ноніусний вимірник тимчасових інтервалів з обчислюваним коефіцієнтом інтерполяції. –М.:Прилади і техніка експерименту, 1998.– 215с.
3. Мерзляков С.И., Стрекаловский О.В., Цурин И.П. 4-канальний субнаносекундний перетворювач час-код НО-251М.- М.: Прилади і техніка експерименту, 1995. – 106 с.
4. Глушковский М.Е. Швидкодійні амплітудні аналізатори в сучасній ядерній фізиці і техніці. – М.: Енергоатоміздат, 1986. - 253с.
5. Пасинків В.В., Чиркин Л.К. Напівпровідникові прилади. – М.: Вища школа, 1987. – 432 с.
6. Довідник. Вживання інтегральних мікросхем в електронній обчислювальній техніці.- М.: "Радіо і зв'язок",1987. – 400 с.
7. Наумов Ю.Е. Інтегральні схеми -.М.: Сов.радио, 1970. –112 с.
8. Аналогові і цифрові інтегральні схеми / Під редакцією С.В.Якубовського. - М.:Сов.радио, 1979. - 479 с.
9. Преснухин Л.Н. Воробьев Н.В. Шишкевич А.А. Розрахунок елементів цифрових пристроїв.- М.: Высшая школа, 1982. - 496 с.
10. Степененко И.П. Основи мікроелектроніки. -М .: Сов. Радіо, 1980. - 456 с.
11. Алексенко А.Г, Шогурин И.И. Мікросхематехника.- М.: "Радіо і зв'язок", 1982.- 296 с.
12. Мансуров В.М, Горячев В.Н. Мікромініатюрні схеми цифрових пристроїв.- М.: Сов. Радіо, 1979. – 212 с.