| Скачать .docx |
Реферат: Методы расчета составляющих и структурная схема цифровой станции
Днепропетровский национальный университет железнодорожного транспорта им. ак. В.Лазаряна
Кафедра АТС
Контрольная работа
По дисциплине: «Цифровые системы управления и обработки информации на железнодорожном транспорте»
Выполнил студент гр. 5АТЗ-2
Учебный шифр
Проверил преподаватель
г. Днепропетровск
2007 г
1. РАСЧЕТ ЦИФРОВОЙ ПОСЛЕДОВАТЕЛЬНОСТИ ИЗ НЕПРЕРЫВНОГО СИГНАЛА
Получить цифровую последовательность из непрерывного сигнала с помощью алгоритмов работы систем IKM-30
Дано:
-тип аппаратуры IKM------- IKM-30;
-начальный сигнал ------------40sin(2π25t)
-частота дискретизации сигнала,fд --------4000 гц
По данным курсовой работы преобразование непрерывного сигнала в цифровуюпоследовательность выполняется при помощи аппаратуры кодирования с постоянным шагомквантования.
Рассчитаем 5 амплитуд непрерывного сигнала, если время для первого отсчета 0с, аостальные отсчеты получаются исходя из интервала дискретизации:
Тд = 1/fд = 1/4000=0,00025
Укажем 5 временных точек:
t0=0,
t1=t0+Тд = 0+0,00025=0,00025 c.
t2=t1+Тд = 0,00025+0,00025=0,0005 c.
t3=t2+Тд = 0,0005+0,00025=0,00075 c.
t4=t3+Тд = 0,00075+0,00025=0,001 c.
Зная временные точки рассчитаем амплитуды непрерывного сигнала в этих точках, проведя таким образом дискретизацию по времени.
U0(t0)= 40*sin(2*π*25*t0)= 40*sin(2*π*25*0)=0, B
U1(t1)= 40*sin(2*π*25*t1)= 40*sin(2*π*25*0,00025)=1,57, B
U2(t2)= 40*sin(2*π*25*t2)= 40*sin(2*π*25*0,0005)=3,137, B
U3(t3)= 40*sin(2*π*25*t3)= 40*sin(2*π*25*0,00075)=4,699, B
U4(t4)= 40*sin(2*π*25*t4)= 40*sin(2*π*25*0,001)=6,254, B
Для нормирования по амплитуде найдем максимальные значения амплитуды из найденных 5-ти значений. Такой является:
max=6,254 B
Коэффициент нормирования:
Y=X/max,
где Х=255 так как по условию задана система IKM-30
Y=255/6,254=40,77
Пересчитаем амплитуды с учетом коэффициента нормирования:
Dj=uj*Y
D0=u0*Y=40,77*0=0 (у.е.)
D1=u1*Y=40,77*1,57=64,01=64(у.е.)
D2=u2*Y=40,77*3,137=127,89=128(у.е.)
D3=u3*Y=40,77*4,699=191,578=192(у.е.)
D4=u4*Y=40,77*6,254=254,975=255(у.е.)
Перевод найденных амплитуд Dв цифровой код выполняется кодером, структура которого показана на рис. 1.1. Схема содержит 8 каскадов, т.к. ИКМ-30 использует восьмиразрядное кодирование.

Рис. 1.1. Структурная схема кодирующего элемента для ИКМ-30
В качестве эталонных., используются такие напряжения:
Ucт0=128Δu, ucт1=64Δu, uст2 =32Δu, uст3 = 16Δu, uст4 = 8Δu , uст5 = 4Δu, uст6 = 2Δu, uст7 =Δu.
Результаты преобразований покажем в таблице 1.1.
| Номер отсчета | Uэт | Uкаскада | Цифровой код |
| 0 | 128 64 З2 16 8 4 2 1 |
0 0 0 0 0 0 0 0 |
0 0 0 0 0 0 0 0 |
| 1 | 128 64 З2 16 8 4 2 1 |
64 64 0 0 0 0 0 0 |
0 1 0 0 0 0 0 0 |
| 2 | 128 64 З2 16 8 4 2 1 |
128 0 0 0 0 0 0 0 |
1 0 0 0 0 0 0 0 |
| 3 | 128 64 З2 16 8 4 2 1 |
192 64 0 0 0 0 0 0 |
1 1 0 0 0 0 0 0 |
| 4 | 128 64 З2 16 8 4 2 1 |
255 127 63 31 15 7 3 1 |
1 1 1 1 1 1 1 1 |
В результате получили такие цифровые коды:
D0=00000000
D1=01000000
D2=10000000
D3=11000000
D4=11111111
2. РАСЧЕТ ЭЛЕМЕНТОВ ЦЕНТРАЛЬНОГО КОММУТАЦИОННОГО УЗЛА И ВЫНОСОВ
Рассчитать количество абонентских модулей и плат на центральном узле и выносах, с учетом устройств абонентского уплотнения. Указать тип сигнализации между модулями узла связи, и рассчитать число потоков
Исходные данные:
- количество аналоговых абонентов на центральной станции – 11000
- количество цифровых абонентов на центральной станции – 800
- количество выносов с самостоятельным управлением - 4
- количество выносов без самостоятельного управления -1
- количество аналоговых абонентов на каждом выносе – 400
- количество пар соединительных линий на одном выносе – 150
- тип линии – МЕДЬ
- число квартирных абонентов – Хкв =300
- число административных абонентов Хад =100
Решение
Рассчитаем число плат и модулей на центральной станции.
- Число аналоговых плат;
Pa = Sa/32 =11000/32=343,75
ПослеокругленияPa = 344
- Число цифровых плат:
Рц = Sц/16 =800/16=50
- Общее число плат:
Р = Ра + Рц = 50+344=394
Число модулей абонентского доступа:
N = P/20 =394/20=19,7
После округления N =20
Рассчитаем число плат и модулей на выносах.
Т.к. количество абонентов на всех выносах одинаковое, то достаточно произвести расчеттолько для одного выноса. Кроме того, при расчетах не будем учитывать цифровыхабонентов, т.к. по условию на выносах их нет.
- Число аналоговых плат:
Pa= Sa/32 = 400/32 = 12,5
ПослеокругленияPa =13
- Число модулей абонентского доступа:
N =Pa /20 =13/20 =0,65
После округления N =1
Определим тип системы уплотнения на выносе.
Известно, что вынос обслуживает 400 абонентов В наличии имеется только 150 пар соединительных линий. Анализируя количество абонентов, линий и видов систем уплотнения выбираем систему уплотнения типа FSM-05 рассчитанную на организацию связи для пяти абонентов по одной линии.
Для предоставления связи через системы уплотнения задействуем 63 соединительных линий. Тогда число абонентов, которое можно обслужитъ через систему уплотнения FSM-05:
63*5 = 315.
Осталось в наличии: 150-63 = 87 соединительных линий. Оставшиеся 400 - 315 = 85 абонентов получают 85 индивидуальных соединительных линии, и еще 2 линии остаются в резерве.
Результаты расчетов плат, модулей и систем уплотнения показаны в таблице 2.1.
Таблица 2.1.
| Центральная станция | Вынос | |||||||
Плат Аналог. |
Плат Цифров. |
Модуль | Плат Аналог. |
Модуль | Система уплотн. и их коллич. |
Число Линий Под Уплотн. |
Число Линий Без Уплотн. |
Число Линий В резерве. |
| 344 | 50 | 20 | 13 | 1 | FSM-0.5. 63 |
63 | 87 | 2 |
Рассчитаем количество потоков между выносом и центральной станцией.
- Процентное соотношение административных абонентов:
Рад = Хад/(Хад +Хкв) * 100 =100/(100+300)*100 = 25% .
- Процентное соотношение квартирных абонентов:
Ркв = Хкв/(Хад +Хкв) * 100 =300/(100+300)*100 = 75% .
- Среднее число занятий канала на административного абонента:
Сад = 2,4Рад/58 =2,4*25/58=1,034
- Среднее число занятий канала на квартирного абонента:
Скв = 1,6Ркв/42 = 1,6*75/42=2,857
- Среднее число занятий каналов.
С = (С адРад + Скв Ркв)/100 = (1,034*25+2,857*75)/100 = 2,4
- Телефонная нагрузка на канал при средней длительности разговора t = 0.07
Yн = N*C*t = 400*2.4*0.07 = 67,2
где N - общее число абонентов на выносе.
Число каналов:
V = Yн / 0.525 = 67,2/0.525 = 128
- Число потоков:
П= V/ 30 = 128/30 = 4,266
После округления П= 5
Добавляя один резервный, окончательно получим 6 потоков на каждый из выносовТ.к. по заданию мы имеем выносы с самостоятельным управлением и без самостоятельногоуправления, то выбираем такие типы сигнализации:
- Между АТС и выносом с самостоятельным управлением - ОКС-7;
- Между АТС и выносом без самостоятельного управления - V5.2.
3. СИСТЕМА ЭЛКТРОПИТАНИЯ ДЛЯ ВЫНОСОВ И
ЦЕНТРАЛЬНОЙ СТАНЦИИ
Определим систему электропитания на выносе. Для этого вычислим число нагрузок, которые обеспечивает вынос, после чего сможем определить тип системы электропитания. Исходя из того., что на всех выносах имеется одинаковое число абонентов, расчеты целесообразно производить один раз, подразумевая, что на остальных выносах устанавливаются такие же системы электропитания.
- Число нагрузок на выносе
N = Sа/300 = 400/300 = 1,33
После округления N =2
Известно, что система MPS-50 рассчитана на 1 нагрузку, MPS-150 - на 48 нагрузок, MPS-500 - на 72 нагрузки. Исходя из полученного числа нагрузок выберем на каждый из выносов систему МPS-50,где для повышения количества нагрузок отключим одну из двух аккумуляторных батарей.
Исходя из того, что на вынос подается однофазное питание, схема подключения питающих клемм к щиту системы электропитания будет выглядеть так, как показано на рис. 3.1.

Рис. 3. 1. Схема подключения однофазного питания на выносе
Определим систему электропитания на центральной станции.
Число нагрузок на центральной станции:
Nнав =(Sа + 2Sц)/300 = (11000+2*800)/300 = 42
В результате выбираем систему типа MPS-150.
Т.к. по заданию на центральной станция используется двухфазное электропитание, то схемаподключения к щитку электропитания будет выглядеть так, как показано на рис. 3.2.

Рис. 3.2. Схема подключения двухфазного питания на центральной станции
4. СТРУКТУРА УЗЛА СВЯЗИ НА БАЗЕ ЦИФРОВОГО
КОММУТАЦИОННОГО ОБОРУДОВАНИЯ SI -2000
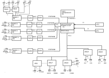
Основываясь на исходных данных и результатах расчетов, получим структуру станции, которая показана на рис. 4.1.
Опишем принципы работы такого узла связи.
Узел управления mnпредназначен для управления работой станции и коммутационногооборудования, а также для осуществления контроля за станцией, а при необходимости, и для внесения изменений в структуру самой станции. Представляет собой сервер IBM-PC, где в качестве операционной системы применяется система реального времени, например, Windows-NT. Для связи с центральной станцией применяется локальная сетъ Ethernet. Узел коммутации SN на базе коммутационной платы МСА. Выполняет услуги адресации и физического соединения между потоками данных. К узлу коммутации сходятся все узлы доступа (как местные, так и удаленные). Для подключения к узлам доступа используется интерфейсная плата ТРС, рассчитанная на организацию связи 16-ти потоками ИКМ-30. На схеме (рис. 4.1) ТРС показана только между выносами и станцией, т.к. именно для выносов выполняется расчет числа 30-ти канальных потоков данных. Для связи с выносами используем 2 платы ТРС, в общей сумме рассчитанных на 2*16=32 потока ИКМ-30, из которых мы используем только 5*5 =25 потоков ИКМ (5-ть выносов по 5-ть потоков на каждый). Остальные 7 потока остаются в резерве.

Между выносом и ТРС применяется устройство OLE-34 для организации удаленной связи (свыше 3 км). Сами выносы разделяются на два типа - выносы 1-4 (SN) с самостоятельным управлением и вынос 5 (SAN) без самостоятельного управления. К каждому выносу подключается по 400 аналоговых абонента, посредством интерфейса Z1. Исключением является вынос 1, где 315 абонентов подключается через 63 устройства цифрового уплотнения FSM-05, а 85 — через индивидуальные соединительные линии. Для связи центрального коммутатора с выносами SN используется сигнализация ОКС-7, а с выносами SAN - протокол и интерфейс У5.2.
Местные узлы доступа AN подключаются к станции через станционный интерфейс V5.2. Число таких узлов соответствует рассчитанному и равно 20-ти. Где AN1-AN17 полностью задействованы под аналоговых абонентов (10880штук); AN19-AN20 - полностью под цифровых абонентов (544 штук); AN18 - совмещенный, где на 4-ех платах обслуживаются 120 аналоговых абонента, на 16-ти платах - 256 цифровых абонента. Цифровые абоненты подключаются через базовый доступ BRA.
5. ПЕРЕМЕШИВАНИЕ ИНФОРМАЦИИ (СКРЕМБЛИРОВАНИЕ)
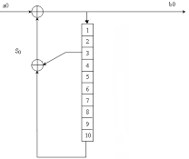
Перед построением структуры скремблера определим число ячеек регистра сдвига для скремблера. Т.к. длина информационного пакета по заданию составляет G = 1000 бит, то число ячеек:
n = log( G + 1)/ log(2) = log(1000 + 1)/log(2) = 9.967
принимаем n = 10.
Т.к. число ячеек равно 10, то номера ячеек, которые будут использоваться для организации обратной связи такие: 3,10 .Построим структуру скремблера, учитывая, что тип скремблера по условию является скремблером с самосинхронизацией. При этом нечетные ячейки примут состояние логической 1, а четные - логического 0.

Рис. 5.1. Структура скремблера с самосинхронизацией
На вход скремблера поступают 8 бит цифрового кода для 0-го отсчета., полученного вразделе 1 данной курсовой работы, а именно: а =00000000.
Процесс скремблирования исходной последовательности покажем в таблице 5.1
Таблица 5.1. Скремблирование
| № такта | Ячейки регистров скремблера | Выход
|
|||||||||||
| 1 | 2 | 3 | 4 | 5 | 6 | 7 | 8 | 9 | 10 | ||||
Исходное состояние |
1 | 0 | 1 | 0 | 1 | 0 | 1 | 0 | 1 | 0 | |||
| 1 | 0 | 1 | 1 | 0 | 1 | 0 | 1 | 0 | 1 | 0 | 1 | 1 | 1 |
| 2 | 0 | 1 | 1 | 1 | 0 | 1 | 0 | 1 | 0 | 1 | 0 | 1 | 1 |
| 3 | 0 | 1 | 1 | 1 | 1 | 0 | 1 | 0 | 1 | 0 | 1 | 1 | 1 |
| 4 | 0 | 0 | 1 | 1 | 1 | 1 | 0 | 1 | 0 | 1 | 0 | 0 | 0 |
| 5 | 0 | 1 | 0 | 1 | 1 | 1 | 1 | 0 | 1 | 0 | 1 | 1 | 1 |
| 6 | 0 | 0 | 1 | 0 | 1 | 1 | 1 | 1 | 0 | 1 | 0 | 0 | 0 |
| 7 | 0 | 0 | 0 | 1 | 0 | 1 | 1 | 1 | 1 | 0 | 1 | 0 | 0 |
| 8 | 0 | 0 | 0 | 0 | 1 | 0 | 1 | 1 | 1 | 1 | 0 | 0 | 0 |
В результате получена перемешанная последовательность S0 =11101000
Вывод
В контрольной работе были рассмотрены методы расчета составляющих цифровой станции, произведен сам расчет и построена структурная схема станции. Выбраны системы электропитания, как для удаленных выносов, так и для самой станции. А также произведено перемешивание цифровой последовательности с целью уравновешивания числа 1 и 0, а также упрощения выделения тактовых импульсов.
СПИСОК ЛИТЕРАТУРЫ
1. Лозовой И. А. Параметры каналов тональной частоты аппаратуры с ИКМ. - М.: Радио и связь 1981.-88с.
2. Новиков В.А. Багуц В.П. Тюрин B.JLМногоканальная телефонная связь на железнодорожном транспорте. -М.: Транспорт, 1982. -327с.
3. SI2000 цифровая коммутационная система CS505IAAВерсия 5. Справочник по эксплуатации, Документационный центр, Крань, 1998.
4. Система электропитания MPS5QKSSOS3000-EDR-030: Справочник по эксплуатации. Документационный центр, Крань, 1999.,
5. Шмытинский. ВВ.., Котов В.К., Здоровцов И.А. Цифровые системы передачи информации; на железнодорожном транспорте. -М.: Транспорт, 1995.-23 S