| Скачать .docx |
Реферат: Линии задержки
1. Экспериментальная часть
1.1 Задания к лабораторной работе
Рассчитать параметры ИЛЗ на звеньях типа k
, с такими данными:
мкс,
мкс,
Ом. Тип импульса - прямоугольный. В SymPowerSystems построить модель.
Количество звеньев типа к определим по формуле (1.1).
. (1.1)
При заданных параметрах tЗ
=27
мкс, tФ
=0,1
=9![]()
с, n=5,71
. С учетом округления в большую сторону n=6.
Индуктивность звена определим по формуле (1.2).
. (1.2)
В соответствии с вариантом RН =30 Ом, тогда L=0,000126Гн=0,126 мГн.
Емкость звена определим по формуле (1.3).
. (1.3)
В соответствии с вариантом RН =30 Ом, тогда С=0,14*10-6 Ф=0,14мкФ.
Смоделируем прямоугольный импульс с длительностью фронта tФ
=0,1
=9
мкс, для этого пропустим прямоугольный импульс через апериодическое звено с постоянной времени Т, которую определим из формулы (1.4).
, (1.4)
,
.
Учитывая, что время фронта для импульса прямоугольной формы
9![]()
с, подставим:
,
(мкс).
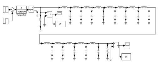
С учетом рассчитанных параметров элементов синтезирована электрическая принципиальная схема, приведенная на рисунке 1.1

Рисунок 1.1 - Схема электрическая принципиальная для исследования ИЛЗ на звеньях типа k для количества звеньев п
Произвести моделирование схемы и получить графики входных и выходных напряжений при tФ =0.05tИ ; tФ =0.1tИ ; tФ =0.5tИ .
Для tФ =0.05tИ и tФ =0.5tИ воспользоваться той же схемой (рис.1.1), что и для tФ =0.1tИ. В соответствии с формулой (1.4) при tФ =0.05tИ =4.5 мкс постоянная времени Т=0.85 мкс, а при tФ =0.5tИ =45 мкс постоянная времени Т=8.5 мкс.
3. Принять tФ =0.1tИ , произвести моделирование схемы и получить графики входных и выходных напряжений при при количестве звеньев 2n; n; 0,5n.
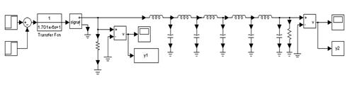
Схемы для количества звеньев 2n=12 и для 0.5n=3 приведены на рисунках 1.2 и 1.3 соответственно.

Рисунок 1.2 - Схема электрическая принципиальная для исследования ИЛЗ на звеньях типа k для количества звеньев 2n

Рисунок 1.3 - Схема электрическая принципиальная для исследования ИЛЗ на звеньях типа k для количества звеньев 0.5n
2. Экспериментальные исследования
2.1 Исследование ИЛЗ на звеньях типа k
Ход работы.
1. Рассчитала параметры ИЛЗ на звеньях типа k. Произвела моделирование схемы при tФ =0.05tИ ; tФ =0.1tИ ; tФ =0.5tИ и получила графики входных и выходных напряжений (рис.2.1 - 2.3).
2. Приняла tФ =0.1tИ , после чего произвела моделирование электрической принципиальной схемы в Sym Power Systems при количестве звеньев 2n, n, 0,5n (рис.1.1-1.3) и получила графики входных и выходных напряжений, представленных на рисунках 2.4-2.6
Рисунок 2.1 - Графики входного и выходного напряжения ИЛЗ, состоящие из п звеньев типа k при входном воздействии прямоугольного импульса при tФ =0.5tИ

Рисунок 2.2 - Графики входного и выходного напряжения ИЛЗ, состоящие из п=6 звеньев типа k при входном воздействии прямоугольного импульса при tФ =0.1tИ

Рисунок 2.3 - Графики входного и выходного напряжения ИЛЗ, состоящие из п звеньев типа k при входном воздействии прямоугольного импульса при tФ =0.05tИ

Рисунок 2.4 - Графики входного и выходного напряжения ИЛЗ, состоящие из 2п звеньев типа k при входном воздействии прямоугольного импульса

Рисунок 2.5 - Графики входного и выходного напряжения ИЛЗ, состоящие из п звеньев типа k при входном воздействии прямоугольного импульса

Рисунок 2.6 - Графики входного и выходного напряжения ИЛЗ, состоящие из 0.5п звеньев типа k при входном воздействии прямоугольного импульса
Выводы
В ходе данной лабораторной работы я изучила принципы моделирования цепей, содержащих индуктивные элементы и цепи с самоиндукцией в пакете SymPowerSystems на примере искусственных линий задержки, определение их характеристик и параметров и представление их в графическом виде.
В SymPowerSystems смоделировала схемы ИЛЗ при воздействии прямоугольного импульса при различных значениях tФ , а также при различных значениях п (рис.1.1-1.3). Построила графики входного и выходного напряжения ИЛЗ, состоящие из п звеньев типа k при входном воздействии прямоугольного импульса при различных tФ ( рис.2.1-2.3), а также при различных п (рис.2.4-2.6).
Построив графики можно сделать вывод, что, чем больше время фронта tФ относительно времени импульса tИ , то тем меньше время задержки t3, а также большее количество звеньев типаk используется в ИЛЗ. Следовательно, чем больше звеньев типа k, то тем больше время задержки t3.
Также можно сделать вывод о том, как влияет длительность фронта на искажение выходного сигнала: чем больше длительность фронта, тем меньше искажение выходного сигнала относительно входного прямоугольного импульса.