| Скачать .docx |
Курсовая работа: Космп’ютеризована вимірювальна система вимірювання залежності кутової швидкості від часу
Міністерство освіти і науки України
Вінницький державний технічний університет
Факультет АКСУ
Кафедра метрології і промислової
автоматики
КУРСОВА РОБОТА
Комп’ютеризована вимірювальна система
вимірювання залежності кутової швидкості від часу
Виконав : ст. гр. 1АМ-04
Опаріна О.М.
Прийняв : к.т.н., доц.
Кулаков П.І.
Вінниця – 2008
ВСТУП
Специфічною особливістю тахометрії є вимога високої точності вимірювання: в більшості випадків вимірювання швидкостей повинні виконуватись з точністю на один-два порядку вище, ніж вимірювання інших параметрів руху. В останній час ця вимога накладається ще на динамічний режим роботи тахометра, обумовлюючи ще одну вимогу — високу швидкодію.
Дуже важливим елементом вимірювального кола кутової швидкості є тахометричний перетворювач. В сучасних вимірюваннях, в основному використовуються два види тахометричних перетворювачів — частотні та амплітудні, інформативними параметрами вихідного сигналу яких є, відповідно, частота (період) та амплітуда.
Нині найточнішими вважаються дискретні методи вимірювання кутової швидкості. Вони грунтуються на квантуванні сигналів за рівнем та дискретизації у часі [1].
Для більшості електродвигунів, які працюють у різноманітних пристроях автоматики, системах точних електроприводів, різноманітних побутових пристроях, динамічний режим є основним режимом їх роботи. Велике значення, особливо для апаратури відео та звукозапису,систем автоматики, має високоточне вимірювання відхилень кутової швидкості електродвигуна від номінального значення.
Широке застосування математичних моделей електродвигунів обумовлює необхідність перевірки їх адекватності. Це краще за все робити шляхом порівняння розрахункової динамічної характеристики з експериментальною.
В останній час з’явилось багато наукових праць, що присвячені ідентифікації параметрів електродвигунів за їх математичними моделями, що дозволяє значно скоротити час їх випробувань. Використовуємі при цьому алгоритми обумовлюють необхідність високоточного вимірювання динамічних характеристик електромеханічних перетворювачів енергії (ЕМПЕ).
Незважаючи на те, що відома велика кількість різноманітних тахометрів, тахометричних перетворювачів, багато з яких може бути застосовано для динамічних вимірювань, вітчизняна промисловість таких пристроїв не випускає. Це обумовлює необхідність розробки високоточного пристрою для динамічних вимірювань кутової швидкості.
1 Огдяд методів вимірювання кутової швидкості
В основі побудови цифрових тахометрів лежить визначення лічильними методами відношення
, (1.1)
де
— середня кутова швидкість;
відповідно кут та час повороту дискретного перетворювача кута, який встановлено на валу досліджуємого приводу.
Найпоширеними в теперішній час є частотні фотоелектричні дискретні перетворювачі кута, частота вихідного сигналу яких прямо пропорційна кутовій швидкості. У частотний фотоелектричний сенсор входить джерело світла, фотоприймач, модулятор, який уявляє собою диск з прорізями вздовж кола. При обертанні модулятора, світловий потік, що попадає на фотоприймач, змінюється, і на його виході формуються імпульси напруги, частота яких прямо пропорційна кутовій швидкості, тобто здійснюється апаратне диференціювання кута повороту за часом [2].
При вимірюванні за допомогою такого сенсоракутової швидкості у перехідному режимі миттєва кутова швидкість обертання визначається як
, (1.2)
де
- кутова швидкість;
- часовий інтервал між двома слідуючими один за одним імпульсами; z - кількість прорізів модулятора.
Тобто миттєва кутова швидкість є величиною зворотньо пропорційною часовому інтервалу між двома імпульсами та уявляє собою дискретну функцію часу із змінним кроком, який залежить від вхідної величини. Це приводить до того, що при низьких значеннях кутової швидкості похибка первинного перетворення значно збільшується. Крім того сенсор нечутлив до напрямку обертання.
При вимірюванні середнього значення кутової швидкості, тобто коли тахометр працює в режимі частотоміру, кутова швидкість і чаcтота обертання зв’язані між собою співвідношенням [3]:
=
, (1.3)
де f - частота вихідного сигналу ТП;
При роботі тахометра в такому режимі проведення динамічних вимірювань кутової швидкості неможливе.
В залежності від того, який із указаних у (1.1) параметрів вимірюється, розрізняють цифрові тахометри середнього значення (ЦТСЗ) та цифрові тахометри миттєвого значення (ЦТМЗ).
В ЦТСЗ методом підрахунку імпульсів первинного тахоперетворювача визначають кут повороту валу досліджуємого об’єкту за фіксований інтервал часу, який задається зразковою мірою часу.
В ЦТМЗ здійснюється вимірювання періоду вихідного сигналу первинного тахометричного перетворювача, шляхом заповнення його імпульсами від генератору зразкової частоти.
У першому випадку методом підрахунку імпульсів від частотного тахометричного перетворювача з одночасним кодуванням результату визначають частоту обертання валу за фіксований зразковий часовий інтервал. Тахометри, реалізуючі такий метод вимірювання ефективно працюють в області високих частот обертання.
Для зменьшення похибки таких тахометрів перспективним є застосування вагових методів підвищення точності [4], суть яких полягає у наступному. Особливістю класичних ЦТСЗ є те, що інформація про фазу досліджуємого сигналу використовується тільки лише в моменти початку та закінчення вимірювань. Інформація про фазу сигналу в проміжних точках не використовується. Це вказує на принципову можливість подальшого підвищення точності вимірювання кутової швидкості шляхом використання інформації про фазу інформативного сигналу на протязі всього інтервалу вимірювання. Таку можливість мають цифрові тахометри у яких інформативний сигнал тахометричного перетворювача додатково квантується за рівнем з метою підвищення розрізнювальної здатності і в яких можливе управління розрізнювальною здатністю по відповідному алгоритму. Це дає можливість одержувати інформацію про фазу сигналу, тобто використовувати осереднюючи вікна.
Більш високими метрологічними характеристиками в області низьких частот наділені методи, що грунтуються на інформативності періоду вихідного сигналу тахометричного перетворювача Тх . Проте при вимірюванні високих частот обертання похибки вимірювання значно зростають [5] і залежать також від динамічних характеристик досліджуємого об’єкту.
Застосування засобів комп’ютерної техніки при вимірюванні кутової швидкості дозволяє поєднати два вище згаданих методи вимірювання. А саме алгоритмічно вибирати необхідний режим роботи — ЦТСЗ чи ЦТМЗ (табл. 1), для чого початково визначається критична кутова швидкість
, для якої похибки обох режимів однакові. При досягненні об’єктом вимірювання кутової швидкості
, здійснюється перехід на необхідний режим роботи. Таким шляхом можна досягнути нормування похибки на всьому часі проведення вимірювання, що має особливе значення при проведенні динамічних вимірювань.
Застосування комп’ютерної техніки дозволяє також реалізувати адаптивні тахометри. Значення
для різних типів двигунів, тобто для різних сталих часу
записуються у постійний запам’ятовуючий пристрій. При зміні об’єкту дослідження змінюється перший період інформативного сигналу, а звідси, і значення
. Тобто цифровий тахометр адаптується під об’єкт дослідження [6]. Якщо
<
, то тахометр працює в режимі ЦВМЗ, а при
>
— в режимі ЦТСЗ.
У роботі [7] наведено аналіз похибок ЦТМЗ. Основним висновком цієї роботи є те, що для кожного значення вимірюємої кутової швидкості є оптимальне число штрихів первинного тахометричного перетворювача, при якому результуюча середньоквадратична похибка вимірювання мінімальна. Оптимальне число штрихів знаходиться із виразу
,(1.4)
де
— оптимальне число штрихів модулятора,
— вимірюєма кутова швидкість, f0
— частота опорного генератору,
— результуюча середньоквадратична похибка нанесення штрихів ДПУ,
— максимальне прискорення досліджуємого механізму.
З вище сказаного слідує, що змінюючи число штрихів модулятору, тобто змінюючи розрізнювальну здатність ДПУ, можна мінімізувати похибку вимірювання для будь якого значення кутової швидкості.
У роботах [8] запропоновано алгоритм зміни розрізнювальної здатності Zi+1 за умов, коли відоме попереднє значення Zi , а також з використанням інформації, що несе код Nт . Використання такого алгоритму роботи цифрового тахометру зменьшує надлишковість інформації, що, в свою чергу дає змогу більш раціонально використовувати пам’ять комп’ютеру.
Для вимірювання кутової швидкості у перехідних режимах також часто використовують тахогенератори. Найбільш точне первинне перетворення кутової швидкості в напругу здійснюють тахогенератори постійного струму, але їх використання обмежено за рядом причин. Залежність вихідної напруги тахогенератора постійного струму від кутової швидкості описується виразом [9]
, (1.5)
де U - вихідна напруга тахогенератора, UЩ
- напруга на щітковому контакті,
- кутова швидкість, kЕ
- постійна машини, k - конструктивний коефіцієнт, kp
- коефіцієнт пропорційності між струмом якоря та потоком, RЯ
- опір обмотки якорю, Rнав
- опір навантаження.
Із аналізу виразу (1.4) випливає, що вихідна напруга тахогенератора нелінійно залежить від кутової швидкості і при нульовій кутовій швидкості не дорівнює нулю, тобто присутня зона нечутливості.
Окрім того вихідна напруга тахогенератора постійного струму має пульсуючу складову, яка обумовлює виникнення додаткової похибки первинного перетворення. Наявність щіткового контакту підвищує момент опору на валу тахогенератора, що робить недоцільним їх застосуваня для вимірювання кутової швидкості у перехідних режимах електродвигунів малої потужності [10].
Найбільш перспективними для вимірювання кутової швидкості у перехідних режимах електродвигунів малої потужності є фотоелектричні сенсори з безперервним вихідним сигналом. Відомий фотоелектричний сенсор кутової швидкості [11], у якому використовуються два лінійних фотоприймача, вихідна напруга яких з високою точністю прямо пропорційна світловому потоку. Схемотехнічно такі фотоприймачі достатньо легко реалізуються на основі пари фотодіод - операційний підсилювач [12]. Модулятор сенсора має прорізі у вигляді кільцевих секторів. Діафрагма, яка розташована перед кожним з лінійних фотоприймачів, має теж таку форму. При такій формі прорізей та діафрагми площа отвору, через який світловий потік падає на фоточутливий шар фотоприймача лінійно залежить від кута повороту модулятора. Оскількі світловий потік прямо пропорційний площі отвору, а вихідна напруга лінійного фотоприймача прямо пропорційна світловому потоку, матиме вихідну напругу, яка прямо пропорційно залежить від кута повороту модулятора. Для уникнення похибки первинного перетворення, що обумовлена неточністю виконання діафрагми та прорізей модулятора, проводиться послідовне підключення до виходу сенсора вихідних сигналів лінійних фотоприймачів, які рознесені між собою на певний кут. При цьому на виході сенсора формується сигнал складної форми, крутизна фронтів якого прямо пропорційна кутовій швидкості. Шляхом обчислення першої похідної вихідного сигналу сенсору отримується напруга, що прямо пропорційна миттєвому значенню кутової швидкості.
За допомогою цього сенсору можливе вимірювання кутової швидкості у перехідних режимах електродвигунів малої потужності, але він має погані частотні властивості. Вихідний сигнал сенсора є періодичним, і його частота дорівнює добутку кількості прорізів модулятора на усталену частоту обертання модулятора. Оскількі смуга пропускання лінійних фотоприймачів обмежена, то при певній частоті обертання модулятора похибка первинного перетворення, що обумовлена частотними властивостями фотоприймачів, значно підвищується. Крім того складна форма вихідного сигналу обумовлює складний алгоритм обчислення його похідної.
Виходячи з вищесказаного, можна зробити висновок про доцільність розробки тахометра на основі фотоелектричного сенсора з безперервним вихідним сигналом. Однак для покращення його технічних характеристик необхідно використати сенсор кутової швидкості на виході якого за один оберт валу формується тільки один імпульс пилоподібної форми, за рахунок чого зменьшується частота вихідного синалу та покращуються частотні властивості перетворювача. Це дасть змогу значно розширити частотний діапазон вимірюємих кутових швидкостей у порівняння з існуючими аналогами.
2 Розробка структурної схеми комп’ютеризованої вимірювальної системи вимірювання залежності кутової швидкості від часу
До складу розроблюємого пристрою входить первинний тахометричний перетворювач. Доцільно використати такий ТП, який буде мати аналоговий вихідний сигнал, прямо пропорційний куту повороту. Шляхом обчислення його першої похідной визначається кутова швидкість.
Аналогові диференціюючи пристрої мають велику похибку та вузький частотний діапазон, що не може задовільнити вимоги технічного завдання. Тому необхідно використати цифрове диференціювання вихідного сигналу ТП. Існують три види цифрового диференціювання [16]:
Перший тип - це дискретний диференціатор з усередненням. Принцип його дії полягає у відніманні через однакові інтервали часу миттєвих значень вхідного сигналу. Сигнал на виході диференціатора першого типу описується виразом
(2.1)
де
- інтервал дискретності.
Другий тип - це дискретний диференціатор з осередненням. У цьому диференціаторі віднімаються через однакові інтервали часу попередньо проінтегровані на цих інтервалах значення вхідного сигналу. Сигнал на виході диференціатора другого типу
, (2.2)
Цифровий диференціатор третього типу - це диференціатор з усередненням на частині інтервалу. У ньому віднімаються через однакові інтервали часу попередньо проінтегровані на частині цих інтервалів значення вхідного сигналу. Вихідний сигнал описується виразом
, (2.3)
Імпульсні характеристики диференціаторів першого, другого та третього типів описуються відповідно виразами
, (2.4)
(2.5)
, (2.6)
де
- дельта-функція Дирака, ![]()
Провівши пряме перетворення Фур’є від імпульсних характеристик та відокремивши дійсну та мниму частини отримуємо частотні та фазові характеристики диференціаторів.
Для диференціатора першого типу
, (2.7)
. (2.8)
Для диференціаторів другого типу
, (2.9)
. (2.10)
Для диференціаторів третього типу
, (2.11)
. (2.12)
Вибір одного з цих трьох видів залежить від конкретного випадку, але кожен з них обумовлює необхідність використання аналого-цифрового перетворювача.
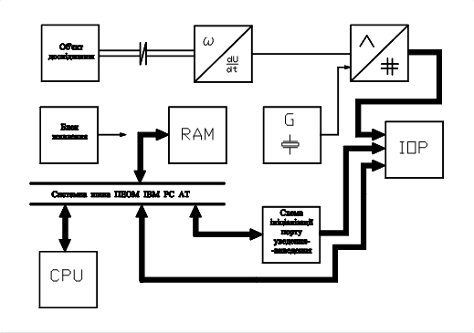
Розроблюємий пристрій призначен для високоточного вимірювання та контролю кутової швидкості та інших параметрів руху ЕМПЕ у динамічному режимі. Тобто він повинен працювати як в режимі реального часу так і обчислювати залежності кутової швидкості, кутового прискорення, кута повороту валу від часу. Це обумовлює необхідність реалізації пристрою на основі персональної ЕОМ.
Таким чином, пристрій буде складатись з двох структурних блоків :
- тахометричного перетворювача;
- блоку зпряження тахометричного перетворювача з ПЕОМ.
Для узгодження роботи аналого-цифрового перетворювача та мікропроцесора ПЕОМ необхідно використати порт уведення-виведення та схему його ініціалізації.
Для запуску аналого-цифрового перетворювача використовується генератор з кварцевою стабілізацією частоти. При відомому періоді частоти цього генератору можливе вимірювання залежностей параметрів руху від часу, не проводячи сумісних вимірювань часу.
Данні та керуючі сигнали порту уведення-виведення передаються на системну шину та ОЗУ ПЕОМ. Після проведення вимірювань необхідні залежності обчислюються у відповідності з схемою роботи пристрою.
Структурну схему розроблюємого пристрою наведено на рис. 2.1.

Рис. 2.1 - Структурна схема комп’ютеризованої вимірювальної системи вимірювання залежності кутової швидкості від часу
3 Розробка електричної принципової схеми комп’ютеризованої вимірювальної системи вимірювання залежності кутової швидкості від часу
3.1 Розробка електричної принципової схеми тахометричного перетворювача
Розглянемо рис. 3.1, на якому наведено схематичне креслення ТП. Він має вал 1, на який насаджено модулятор 2, за яким знаходиться діафрагма 3. За діафрагмою знаходяться два фотоприймача 4 та 5 (на рис 3.1, а вони також позначені відповідно F2та F1. На рис. 3.1, б їх позначено штриховою лінією). Діафрагма (на рис. 3.1, б її позначено жирною лінією) має прорізі 6 та 7. Їх форма обмежена концентричними колами, центр яких співпадає з центром модулятору та промінями, які починаються в центрі модулятору, кут між якими дорівнює
. Модулятор має дві прорізі - 8 та 9. Прорізь 8 має таку ж форму і розташована на такій же відстані від центру модулятора, як і прорізь 7 діафрагми. Форма прорізі 9 обмежена кривими
та
.
Фотоприймач F1 реалізовано на основі пари фотодіод-операційний підсилювач. Вихідна напруга такого фотоприймача в залежності від площі освітлюємого шару фотодіоду, при освітленні джерелом світла з конденсорною лінзою, що забезпечує рівномірний світловий потік на всій освітлюємій поверхні, описується виразом.
Розглянемо, як залежить площа отвору, який утворюється при обертанні модулятора перекриттям прорізів 6 та 9 діафрагми та модулятору, через який світло попадає на фоточутливий шар фотодіоду фотоприймача F1, в залежності від кута повороту
.


а)б)
Рис. 3.1 Схематичне креслення ТП
В діапазоні значень кута повороту
ця залежність описується виразом :
(3.1)
В діапазоні значень кута повороту
:
(3.2)
Площа отвору, через який світло попадає на фоточутливий шар фотодіоду, є лінійною функцією кута повороту модулятора відносно діафрагми.
Вираз, який зв’язує вихідну напругу фотоприймача F1 з кутом повороту
.
(3.3)
Шляхом нескладних перетворень отримуємо вираз, який зв’язує напругу U та кут повороту модулятора відносно діафрагми.
(3.4)
Як слідує з виразу (3.4), по вихідній напрузі фотоприймача F1 не можна точно визначити кутовє положення чи кутову швидкість валу об’єкту досліджень.
Тому використовується фотоприймач F2, призначення якого полягає у формуванні сигналу, який приймає значення логічної одиниці при
та логічного нуля в іншому випадку. Його функціональну схему наведено на рис. 3.2, а працює він слідуючим чином.
При обертанні модулятору перекриваються прорізі 7 та 9 модулятора та діафрагми. Площа освітлюємого фоточутливого шару фотодіоду фотоприймача F2 при вище описаній формі прорізів модулятора та діафрагми змінюється за трикутним законом. Відповідно за трикутним законом змінюється і вихідна напруга UF
операційного підсилювача DA1. Внаслідок того, що прорізі 7 та 8 мають рівну кутову ширину, а прорізь модулятора 8 розташована на вісі
, при чому ця вісь співпадає з бісектрисою кута, проміні якого обмежують конфігурацію цієї прорізі, проміжок часу між серединами фронтів трикутної напруги співпадає з часовим проміжком формування заднього фронту напруги U. Для формування імпульсу напруги UC
, який свідчить про те, що кут повороту модулятора відносно діафрагми знаходиться в межах
, служить компаратор DA2, на неінвертуючий вхід якого подається опорна напруга UП
, яка дорівнює половині амплітуди напруги UF
, а на інвертуючий вхід - напруга UF
.
Виходячи з вище сказаного, можна записати рівняння перетворення ТП.
.
(3.5)

Рис. 3.2. Функціональна схема фотоприймача F2.

Рис. 3.3. Часові діаграми роботи ТП
Вираз, що зв’язує вимірюєму кутову швидкість з вихідною напругою ТП
, (3.6)
Рівняння, що зв’язує кут повороту модулятора відносно діафрагми з вихідною напругою ТП
, (3.7)
3.2 Розробка пристрою спряження тахометричного перетворювача з ЕОМ
Для реалізації пристрою для вимірювання та контролю кутової швидкості необхідно реалізувати пристрій для спряження тахометричного перетворювача з ЕОМ.
Розробляємий пристрій орієнтован на дослідження перехідних режимів ЕМПЕ, тобто нас в даному випадку не цікавить робота пристрою у реальному часі. Але це не значить, що його роботу у реальному часі неможливо реалізувати. Для цього необхідно змінити алгоритм його роботи так, щоб після кожного вимірювання проводилось обчислення кутової швидкості та вивід її значення.
Вихідний сигнал тахометричного перетворювача перетворюється у цифровий код за допомогою аналого-цифрового перетворювача. Розрізнювальна здатність пристрою за кутом повороту залежить від числа розрядів АЦП та визначається виразом
, (3.8)
де
- розрізнювальна здатність за кутом повороту; n- кількість двійкових розрядів АЦП.
Задаємось значенням кутової ширини прорізі діафрагми
=10
виходячи з умов технічного завдання
=0.10
, визначаєм необхідну кількість двійкових розрядів.
, (3.9)
З цього виразу слідує, що необхідно вибрати 12-розрядний АЦП.
Швидкодія АЦП повина бути максимально можливою, що забезпечить вимірювання максимально можливої кутової швидкості, верхнє значення якої обмежується частотними властивостями фотоприймачів. Вимірювання низьких кутових швидкостей можливо забезпечити шляхом зменьшення тактової частоти АЦП чи програмно.
Цим умовам задовільняє АЦП фірми ANALOGDEVICESAD1671. Параметри цієї мікросхеми наступні [11]
Час перетворення - 800 нс
Частота дискретизації 1.25 МГц
Вбудований пристрій вибірки зберігання
Низка споживаєма потужність
Індикація вихіду вхідного сигналу за межі діапазону
Для узгодження роботи процесора з АЦП необхідно використати порт уведення-виведення.
Обираємо двунаправлений програмований паралельний порт уведення-виведення вітчизняного виробництва К580ВВ55.
Ця мікросхема уявляє собою програмований порт, який включає в себе три двунаправлених порти.
Порт ініціалізується схемою ініціалізації INIT, за допомогою якої формується сигнал
вибірки порту CS та на його входи А0 та А1 подаються сигнали, які визначають режим його роботи.
Генератор з кварцевою стабілізацією частоти, що запускає АЦП, запускається програмно через порт, коли в нього записується керуюче слово «початок вимірювань». Вихідний сигнал генератору блокується керуючим словом «кінець вимірювань».
Крім запуску АЦП, вихідний сигнал генератору є сигналом запиту на переривання, використовується переривання 10, яке найчастіше за все резервується для підключення зовнішних пристроїв. По кожному імпульсу запуску процесор переходить до обробки цього переривання, тобто переходить до підпрограми, яка очікує, коли АЦП закінчить перетворення, а потім здійснює зчитування данних з порту уведення-виведення до ОЗУ.
4 Електричні розрахунки
4.1 Електричні розрахунки лінійних фотоприймачів
Розрахуємо номінали елементів лінійних фотоприймачів. Для обох фотоприймачів використовується одне і те саме джерело світла, яке має конденсорну лінзу, що дозволяє забезпечити рівномірний світловий потік по всій освітлюємій поверхні.
При настройці тахометричного перетворювача шляхом регулювання сили світла підбирається необхідний рівень вихідної напруги фотоприймача. Він повинен дорівнювати 5 В, тому як на такий вхідний сигнал розрахован аналого-цифровий перетворювач AD1671, який використовується у розроблюємому пристрої.
Номінальний фотострум фотодіоду ФД-24К дорівнює 100 мкА.
Обчислюєм опір резистору R3 (див. графічну частину)
50 кОм (4.1)
Обираємо резистор С2-23-52 кОм.
Задаємось вихідною напругою лінійного фотоприймача, що виконує функції детектору заднього фронту U=5 В. Номінальний фотострум фотодіоду дорівнює 50 мкА. Знаходимо опір резистору R5 .
100 кОм (4.2)
Обираємо резистор С2-23-100 кОм.
В якості балансировочних резисторів обираємо резистори СП-5-150 кОм у відповідності з рекомендаціями [19].
4.2 Обґрунтування вибору елементів генератору з кварцевою стабілізацією частоти
У відповідності з [19], для того, щоб вивести в лінійний режим логічні елементи К555ЛН1 необхідно використати резистори опором 500 Ом. Тому обираємо резистори R1 та R2 С2-23 520 Ом.
Для того, забезпечити стійку роботу пристрою, щоб АЦП міг перетворити миттєве значення напруги не раніш ніж з’явиться наступний імпульс його запуску, необхідно частоту генератору вибрати на порядок менше ніж частота дискретизації АЦП. Тому обираємо кварцевий резонатор РК86 - 100 кГц.
4.3 Обґрунтування вибору елементів компаратору напруг
Компаратор напруг реалізовано на мікросхемі К521СА3, яка має вихід з відкритим колектором, що обумовлює використання зовнішнього опору навантаження. При використанні однополярного живлення +5 В та для отримання на виході сигналів ТТЛ рівня при роботі на високоомне навантаження, необхідно використати резистор опором 1 кОм [14]. Обираємо резистор С2-23 1 кОм.
Елементи R7 C3 є елементами фільтру за джерелом живлення. Стандартні значення цих елементів R7 = 100 Ом, C3 1 мкф. Обираємо резистор С2-23 100 Ом та конденсатор К-42-П-5-1 мкФ.
Для встановлення значення опорної напруги обираємо резистор СП5-10 кОм.
Резистори R8 та R10 служать для узгодження вхідних опорів попереднього пристрою з послідуючим. Обираємо С2-23 - 100 кОм.
5 Розробка алгоритму роботи комп’ютеризованої вимірювальної системи вимірювання залежності кутової швидкості від часу
Розробку алгоритмічного та програмного забезпечення при вирішенні подібного типу задач вже можна починати при завершенні розробки фунціональних схем апаратної частини.
Якщо задача на розробку поставлена, то для отримання алгоритму роботи пристрою необхідно виконати ряд послідовних дій [16]:
- детальний опис задачі;
- аналіз задачі;
- інженерну інтерпритацію задачі;
- розробку загального алгоритму функціонування контролера;
- розробку деталізованих алгоритмів;
- розподілення робочих регістрів та пам'яті ЕОМ;
Після ввімкнення живлення відбувається початкова ініціалізація пристрою, тобто автоматичне скидання порту та нулювання його внутрішніх регистрів.
Після цього в порт записується керуюче слова, за яким імпульси з виходу генератору з кварцевою стабілізацією постіпають на вхід запуску аналого-цифрового перетворювача. Після появи першого імпульсу формується запит на переривання, після чого проводиться очікування сигналу готовності АЦП.
Після появи сигналу готовності АЦП перший байт його вихідного коду записується до порту. З порту він зчитується та записується в ОЗУ. Лічільник числа зчитувань з АЦП збільшується на одиницю. Після цього до ОЗУ заноситься другий байт даних.
Після цього проводиться перевірка, який фронт сигналу діє - задній чи передній.
Якщо задній, то кут повороту обчислюється за формулою
. (5.1)
Якщо передній, то кут повороту обчислюється за формулою
. (5.2)
Після цього обчислюється поточне значення часу за формулою
, (5.3)
де
- період сигналу тактового генератору.
Далі перевіряється, чи не перша це вибірка. Якщо перша, то здійснюється перехід на початок програми та зчитується друге слово з АЦП. Якщо вибірка не перша - обчислюється кутова швидкість за виразом
(5.4)
Значення кутової швидкості, кута повороту, поточного часу записується до файлу чи виводиться на екран монітору, а програма перевіряє, чи нема сигналу кінця вимірювань. Якщо його нема, здійснюється перехід на початок програми.
6 Аналіз похибок вимірювання комп’ютеризованої вимірювальної системи вимірювання залежності кутової швидкості від часу
В загальному випадку результуюча похибка цифрового диференціювання першого типу складається з методичної похибки, похибки інтерполяції, похибки випадкових завад, інструментальних похибок.
До інструментальних похибок відносяться статична похибка, похибка, що обумовлена кінцевим часом відробки, похибка, що обумовлена кінцевим часом аналого-цифрового перетворення, похибка аналого-цифрового перетворення, похибка, обумовлена неточністю задання циклу.
Під методичною похибкою розуміється похибка методу вимірювання яка дорівнює різниці між середнім значенням швидкості зміни вихідного сигналу ТП на інтервалі дискретності та миттєвим її значенням у момент опитування.
Для даного пристрою характерною є систематична складова похибки, що обумовлена неточністю виконання прорізів модулятору та діафрагми і Розглянемо похибки вимірювання даного пристрою при використанні цифрового диференціюванні першого типу. Розглянемо методичну похибку. В момент часу ti
-
методична похибка дорівнює
(6.1)
Якщо розкласти функцію U біля точки ti
-
в ряд Тейлора, а потім провести нескладні перетворення, можна отримати оцінку цієї похибки
(6.2)
Тобто, для оцінки методичної похибки необхідна інформація про максимум третьої похідної вихідного сигналу тахометричного перетворювача. Коли прискорення постійне, методична похибка дорівнює нулю.
Розглянемо похибку інтерполяції. Ці похибки досить детально розглянуто в [4]. При диференціюванні першого типу оцінка похибки ступенькової інтерполяції має вигляд
(6.3)
Тобто при постійній кутовій швидкості похибка ступенькової інтерполяції дорівнює нулю.
Похибка, що обумовлена неточністю виконання модулятору та діафрагми є систематичною і її можна відфільтрувати програмно, визначивши в процесі випробувань.
Похибка, що обумовлена випадковими завадами на вході залежить від багатьох різноманітних факторів. Тому, щоб не ускладнювати розрахунки, не будемо її розглядати.
Інструментальні похибки залежать тільки від використовуємої елементної бази. Під статичною похибкою дискретного диференціатору розуміють різницю між виміряним значенням швидкості, коли кут повороту змінюється за лінійним законом, та її дійсним значенням, при відсутності усіх інших складових. Вираз для інструментальної статичної похибки має вигляд
, (6.4)
де
- статичні похибки вимірювально-перетворювального тракту.
ЗАКЛЮЧЕННЯ
У курсовій роботі розроблено комп’ютеризовану вимірювальну систему вимірювання залежності кутової швидкості від часу валу електромеханічних перетворювачів енергії.
Під час її виконання розроблено конструкцію первинного тахометричного перетворювача з низькочастотним вихідним сигналом. Розроблено пристрій введення вимірювальної інформації до оперативного запам’ятовуючого пристрою комп’ютера, який включає в себе аналого-цифровий перетворювач, порт уведення-виведення.
Розроблено алгоритм роботи комп’ютеризованої вимірювальної системи вимірювання залежності кутової швидкості від часу
Розроблений пристрій та первинний тахометричний перетворювач мають широки межі застосування. Тахометричний перетворювач має безперервний аналоговий вихідний сигнал, прямо пропорційний куту повороту, що дозволяє шляхом диференціювання (аналогового чи цифрового) отримувати вимірювальну інформацію про кутову швидкість.