| Скачать .docx |
Реферат: Конструктивно-технологические разновидности МДП-транзисторов
БЕЛОРУССКИЙ ГОСУДАРСТВЕННЫЙ УНИВЕРСИТЕТ ИНФОРМАТИКИ И РАДИОЭЛЕКТРОНИКИ
Кафедра РЭС
РЕФЕРАТ
На тему:
«КОНСТРУКТИВНО-ТЕХНОЛОГИЧЕСКИЕ РАЗНОВИДНОСТИ МДП-ТРАНЗИСТОРОВ»
МИНСК, 2008
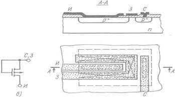
Конструкции МДП-транзисторов в микросхемах с алюминиевой металлизацией. Вариант конструкции активного транзистора с прямоугольным каналом и со средним значением крутизны передаточной характеристики представлен на рис.1. Под алюминиевым затвором находится тонкий слой термически выращенного окисла кремния (0,05...0,10 мкм. За пределами области канала толщина окисла составляет 1 мкм. Этот сравнительно толстый слой окисла выполняет функции защитного диэлектрика, позволяет существенно снизить значения паразитных емкостей сигнальных шин и повысить пороговое напряжение паразитных МДП-транзисторов (рис.1) в местах прохождения алюминиевых проводников над диффузионными шинами питания.


Рис.6.1 Чертеж топологии (а) и электрическая схема (б) паразитного транзистора.

Рис.1 Конструкция (а) и электрическая схема (б) нагрузочного р-канального МДП-транзистора
Рис.2 Конструкция МДП-транзистора с П-образным каналом
В нагрузочных транзисторах значение крутизны передаточной характеристики может быть небольшим, и соответственно отношение длины канала к его ширине выбирается таким, чтобы при заданной крутизне нагрузочный транзистор занимал минимальную площадь (рис.1). В том случае, когда для обеспечения высоких значений крутизны характеристик активного транзистора отношение bк/lК должно быть равно или больше 20, с целью экономии площади рекомендуется П-образная форма канала (рис.2).
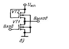
Для повышения степени интеграции в микросхемах, требующих последовательного и параллельного соединения транзисторов, области истоков или стоков МДП-транзисторов могут быть объединены (рис.3). На рис.4 приведена конструкция инвертора, в которой диффузионная область стока активного VT1 и истока нагрузочного VT2 МДП-транзисторов объединены.
Освоение производства р-канальных МДП-транзисторов с индуцированным каналом и алюминиевым затвором позволило получить следующие параметры МДП-структур: минимальная длина канала 10...12 мкм (по затвору 20 мкм), глубина залегания р-п переходов 2,5 мкм, боковая диффузия под окисел 2 мкм, толщина подзатворного диэлектрика 0,12...0,15 мкм, напряжение питания 12 В, пороговое напряжение (-4+0,5) В, удельное поверхностное сопротивление диффузионных областей истока и стока и диффузионных шин 50...100 Ом/т, пробивное напряжение р-п переходов областей истока и стока свыше 30 В, пороговое напряжение паразитных транзисторов свыше 40 B, подвижность дырок в канале около 200 см2/(B·c), плотность поверхностных состояний 1011…1012 см–2.

Рис 3. Фрагменты топологии (а, в) и электрические схемы (б, г) при параллельном (а, б) и последовательном (в, г) включении транзисторов.


Рис.4. Конструкция (а) и электрическая схема (б) инвертора на МДП-транзисторах с нелинейной нагрузкой и алюминиевой металлизацией.
На таких структурах были созданы одни из первых логических интегральных МДП-микросхем с минимальным временем задержки на вентиль 80...100 нс и основным показателем качества микросхем - произведением мощности на задержку 60...80 пДж. Хорошо отработанная технология производства и меньшая стоимость способствуют тому, что микросхемы на р-МДП-транзисторах выпускают до сих пор, несмотря на худшие характеристики.
Усовершенствование технологических операций, в первую очередь тех, которые направлены на снижение встроенного в окисле заряда и плотности поверхностных состояний, привело к созданию интегральных n-канальных МДП-транзисторов. Преимуществами микросхем на таких транзисторах являются: повышенное в 2...3 раза быстродействие, совместимость по знаку и уровню питающего напряжения с ТТЛ-микросхемами на биполярных транзисторах.
Применение кремниевых подложек с рабочей поверхностью, ориентированной по кристаллографической плоскости (100), приводит к уменьшению плотности поверхностных состояний до 1011 см–2 и к еще большему снижению порогового напряжения.
Возможности управления пороговым напряжением расширяются, если использовать многослойный подзатворный диэлектрик. В этом случае в игру вступают дополнительный заряд на границе диэлектриков, объемный встроенный заряд дополнительного диэлектрика, заряд, обусловленный поляризацией диэлектриков.
МНОП-транзисторы. Одним из вариантов МДП-транзистора с многослойным диэлектриком является структура металл - нитрид кремния - окисел кремния - полупроводник (сокращенно - МНОП). Пленка нитрида кремния обладает высокой пассивирующей способностью (поскольку скорость дрейфа положительных ионов в нитриде на несколько порядков меньше, чем в окисле) и более высокой диэлектрической проницаемостью. Уже одно это позволило бы снизить пороговое напряжение на 1...1.5. В и повысить удельную крутизну.
Однако использовать один только нитрид кремния в качестве подзатворного диэлектрика оказалось невозможно из-за появления заряда на границе раздела кремний - нитрид кремния, зависящего от напряжения на затворе. Это приводит к непостоянству порогового напряжения приборов и к его гистерезису.
Использование МНОП-структуры позволило получить приборы, в которых эквивалентная толщина диэлектрика уменьшается примерно в полтора раза, пороговое напряжение снижается в среднем на 1 В. Эта же МНОП-структура при толщине пленки SiO2 0,005 мкм (5 нм) может быть использована в качестве элемента памяти в ППЗУ с электрическим стиранием и записью информации.
МОАП-транзисторы. Использование А12Оз в качестве второго подзатворного диэлектрика обусловлено его способностью создавать на границе с SiO2 встроенный отрицательный заряд, что позволяет получать n-канальные приборы с индуцированным каналом, работающие в режиме обогащения при пороговом напряжении, примерно равном +1 В.
Конструкции МДП-транзисторов с поликремниевыми затворами. В МДП-транзисторах с алюминиевым затвором имеются значительные по площади области перекрытия затвора с областями истока и стока (см. Рис.6.1), что, с одной стороны, необходимо для надежного обеспечения формирования канала транзисторов, с другой - приводит к наличию. паразитных емкостей Сзи и Сзс, снижению быстродействия МДП-микросхем. Уменьшение размеров областей перекрытия затруднено ошибками совмещения фотошаблонов металлизации с областями истока и стока, т.е. разрешающей способностью фотолитографии по алюминиевой металлизации, которая не превышает ±1 мкм.
Использование поликремния в качестве материала затвора (рис.5) позволило получить ряд существенных конструктивно-технологических преимуществ и значительно повысить параметры МДП-приборов.
Значительно уменьшена глубина залегания р-п переходов истока и стока (до 2...1 мкм) и боковой диффузии (до 0,6...1,4 мкм), а вместе с тем значительно уменьшены перекрытие затвором областей истока и стока и площади р-п переходов, и, таким образом, существенно снижены значения соответствующих паразитных емкостей. Наименьшие величины перекрытий получены при использовании ионного легирования при формировании областей истока и стока, однако сопротивление поликремниевых шин при этом остается высоким. Для увеличения проводимости шин используют комбинацию диффузионного и ионного легирования.
Совместимость материала затвора с материалами защитного слоя (например, поликремния и пиролитически нанесенного окисла кремния) позволила значительно сблизить контакты стока и истока, уменьшить размеры этих областей и всего прибора в целом, повысить степень интеграции МДП-микросхем.

1 2 3
Рис.5. Структура МДП-транзистора с поликремниевыми затворами: 1 - подложка р-типа; 2, 3 - диффузионные n+ - области истока и диффузионных шин (первый уровень разводки), 4, 5, 7 - алюминиевые контакты к истоку, затвору и стоку;, 6 - поликремниевый затвор; 8 - проводник из легированного поликремния (второй уровень разводки); 9 - алюминиевая шина (третий уровень разводки); 10 - межслойный диэлектрик (SiO2, БСС, ФСС)

Рис.6. Структуры МДП-транзисторов с индицированным и встроенным каналами, истоки и стоки которых сформированы комбинацией диффузии и ионного легирования: 1 - подложка р-типа; 2 - диффузионная n+-область истока; 3 - ионно-легированная n+-область истока; 4 - встроенный ионно-легированный n-канал; 5, 7,8, 10, 11 - алюминиевые выводы истоков, стоков и затворов; 6, 9 - поликремниевые затворы.
Уменьшена ширина канала до 4...6 мкм за счет более точного формирования конфигураций истока, стока и затвора и меньшего перекрытия этих областей. Снижение толщины подзатворного диэлектрика до 0,07...0,1 мкм позволило резко увеличить крутизну характеристики транзисторов и повысить быстродействие микросхем.
Применение поликремния в качестве материала затвора дает снижение контактной разности потенциалов φмп и уменьшение порогового напряжения. К этому же результату приводит уменьшение плотности заряда поверхностных состояний Qss благодаря эффективной защите подзатворного диэлектрика материалом затвора и отжиг этого диэлектрика при высоких температурах в процессе проведения операций легирования кремния. Снижение пороговых напряжений дало возможность перейти к использованию источников питания с рабочим напряжением 5 В, снизив потребляемую мощность БИС.
Освоение технологии изготовления МДП БИС с поликремниевыми затворами транзисторов, сочетающей диффузионное и ионное легирование, позволило создать в составе микросхем МДП-транзисторы со встроенным каналом, работающие в режиме обеднения (Рис.6). Нагрузочные транзисторы n-МДП-типа со встроенным каналом обладают более высоким быстродействием, лучшей помехоустойчивостью и занимают вдвое меньшую площадь, чем нагрузочные транзисторы, работающие в режиме обогащения (см. рис.2, 4) при той же потребляемой мощности.
Все указанные факторы в сочетании позволили создать МДП БИС с минимальной задержкой на один элемент 1...4 не и значительно уменьшить такой важный параметр, как произведение мощности на задержку (1...4 пДж), что уже вплотную подходит к аналогичным параметрам БИС на биполярных транзисторах.
Конструкции Д-МДП-транзисторов. Конструкция Д-МДП-транзистора разработана специально для обеспечения высокого быстродействия за счет уменьшения длины канала до субмикронных размеров. Короткий канал получают по принципу формирования тонкой базы в биполярном транзисторе - за счет медленного, хорошо контролируемого и управляемого процесса диффузии (поэтому Д-МДП, т.е. диффузионный МДП-транзистор). В этом транзисторе области канала р-типа и истока n+-типа формируются в процессе двух диффузий в одно и то же окно в окисной маске. Конструкция Д-МДП-транзистора не требует высокой точности совмещения затвора с областями истока и стока, как в обычном МДП-транзисторе. В связи с этим оказалась возможной реализация МДП-структур с длиной канала 0,4...1 мкм даже при ограниченных возможностях фотолитографического процесса по разрешающей способности. Короткий канал формируется в приповерхностной области. Кремния p - типа электропроводности в промежутке между двумя р-п переходами. Число носителей тока в этом индуцированном канале определяется напряжением на затворе, а скорость их перемещения - напряжением, приложенным между истоком и стоком. Произведение числа носителей на их скорость пропорционально току стока. В и-канальных Д-МДП-транзисторах при длине канала менее одного микрона электроны, инжектированные из области истока, даже при сравнительно небольших напряжениях на стоке приобретают значительную скорость.

Рис.7. Структура обычного n-канального МДП-транзистора (а) и диффузионного n-канального Д-МДП-транзистора (б): / - область канала; 2 - область дрейфа электронов.
В обедненной n-области между каналом и стоком при нормальных смещениях (Uc>Uнас) электроны, прошедшие канал, инжектируются в область объемного пространственного заряда, прилегающую к n+-области стока, и дрейфуют к стоку в сильном электрическом поле. Такая же область дрейфа существует и в обычных МДП-транзисторах при Uc>Uнас (рис.7)
Таким образом, несмотря на различия в конструкциях, принцип работы Д-МДП - и МДП-транзисторов одинаков. Но в производстве Д-МДП-транзисторов использованы достижения как биполярной технологии (малое расстояние между двумя р-п переходами), так и технологии изготовления МДП-структур (формирование тонкого подзатворного диэлектрика с малой толщиной, низкой дефектностью и плотностью поверхностных состояний).
Освоение технологии микросхем на Д-МДП-транзисторах с использованием эпитаксиальных структур позволяет, кроме того, формировать на одной и той же подложке биполярные п-р-п-транзисторы и изолированные от них Д-МДП-транзисторы (рис.8), что имеет исключительное значение для производства как аналоговых (например, операционных усилителей), так и логических микросхем.
Перекрытие электродом затвора обедненной области объемного заряда (рис.7, б) дает лишь незначительный вклад в паразитную емкость Сзс, но наличие этой области позволяет повысить рабочее напряжение прибора до нескольких сотен вольт. Короткий канал и малая емкость Сзс позволили увеличить быстродействие микросхем с Д-МДП-транзисторами примерно в 5 раз при том же минимальном проектном геометрическом размере, что и в БИС на обычных МДП-транзисторах: значения времен переключения и задержки в логических микросхемах на Д-МДП-транзисторах составляют 1 не и менее. Пробивное напряжение Д-МДП-транзисторов составляет 300...400 В.
В связи с малой плотностью размещения элементов в кристалле маловероятно, что Д-МДП-транзисторы будут широко использоваться в БИС, но благодаря своим уникальным свойствам они найдут применение в быстродействующих переключающих устройствах с высоким рабочим напряжением и в устройствах большой мощности.

Рис.8. Структура планарно-эпитаксиального Д-МДП-транзистора: 1,7-диффузионныеобласти истока и стока; 2,5-шины алюминиевой металлизации; 3 - затвор; 4 - подзатворный тонкий окисел; 6 - изолирующая область; 8 - n-эпитаксиальный слой, 9 - подложка; 10 - область получаемая методом двойной диффузии для формирования канала транзистора.

Рис 9. Фрагмент структуры кристалла с V-образным углублением для формирования V-МДП-транзистора.
Конструкции V-МДП-транзисторов. Все рассмотренные ранее МДП-транзисторы имеют планарную конструкцию, т.е. являются двумерными. V-МДП-технология добавляет в конструкцию МДП-транзисторов третье измерение, позволяя формировать исток прибора под его затвором и стоком, а не рядом с ними. Это третье измерение дает V-МДП-приборам преимущества как по быстродействию, так и по. плотности упаковки перед такими структурами, как п-канальные МДП-приборы с кремниевыми затворами.
Собственно говоря, термин «V-МДП-транзистор» относится к МДП-приборам, в которых буква V означает, во-первых, вертикальное направление протекания тока от расположенного в подложке истока к расположенному над ним стоку и, во-вторых, способ формирования приборов селективным вытравливанием в исходной заготовке углубления V-образного сечения (рис.9). V-МДП-транзистор получают на боковых стенках этого углубления. Особо следует отметить, что n+-исток, расположенный под n+-стоком, вообще не требует для своего формирования дополнительной площади на поверхности пластины, что обусловливает высокую компактность V-МДП-структуры. Кроме этого, истоковая область n+-типа выполняет роль земляной шины и не требует, как это бывает в других конструктивно-технологических вариантах, дополнительной площади кристалла для заземляющих шин.
Пирамидальная ямка вытравливается на такую глубину, чтобы она пересекла ионно-легированный слой n+-типа и эпитаксиальный слаболегированный р-слой, диффузионно-легированный n–-слой, достигнув вершиной высоколегированной подложки n+ - типа. Сечение р-слоя служит основой для формирования канала. Этот слой имеет глубину менее 1 мкм, его сечение плоскостями V-образного углубления определяет длину V-МДП-транзистора. Ширина канала в V-МДП-транзисторе получается большой, так как этот канал расположен по всему периметру V-образного углубления. Поскольку ширина канала определяет максимальный ток транзистора и его усиление, постольку V-МДП-транзисторы можно непосредственно сопрягать с системами, требующими больших управляющих токов, например со схемами, содержащими большое количество ТТЛ-нагрузок, светодиодными индикаторами и даже небольшими электродвигателями.
Слой подзатворного диэлектрика формируется на поверхности V-образного углубления (рис.10). В качестве материала затвора применяют алюминий либо поликремний. Область объемного пространственного заряда выполняет в V-МДП-транзисторе ту же роль, что и обедненная область пространственного заряда в Д-МДП-транзисторе: увеличивает пробивное напряжение транзистора, дает пониженные значения паразитной емкости Сзс.
Трехмерность V-МДП-транзисторной структуры является фактором существенного повышения плотности упаковки БИС.
В связи с низким выходом годных и ограниченных логическими возможностями перспективы создания V-МДП-БИС невелики. Но такие структуры обладают уникальными способностями управления очень большими токами с высокой скоростью их переключения. Они нашли применение в звуковых высококачественных усилителях мощности, в широкополосных усилителях, в источниках вторичного электропитания для преобразования постоянного тока в переменный при меньших затратах, массе и габаритных размерах, чем традиционные источники питания.
Конструкции МДП-транзисторов на диэлектрической подложке. Использование структур с эпитаксиально выращенным на диэлектрической подложке (сапфир или шпинель) слоем монокристаллического кремния толщиной 0,7...2,0 мкм с целью изготовления МДП-транзисторов целесообразно, так как позволяет существенно снизить паразитные емкости транзистора и коммутационных проводников, избавиться от паразитных транзисторных структур, упростить технологию изготовления МДП-приборов. Транзисторы формируются в изолированных друг от друга островках, что позволяет уменьшить практически до нуля паразитные межэлемент'ные связи через подложку. Диффузия для формирования истока и стока (рис.11) проводится на всю глубину эпитаксиального слоя, что позволяет получать вертикальные р-п переходы малой площади с малыми емкостями.

Рис.10 Структура V-МДП-транзистора: / - область канала; 2 - область дрейфа электронов.

Рис.11. Структура МДП-транзистора на диэлектрической (сапфир) подложке: / - подложка; 2, 4 - исток и сток; 3 - эпитак-сиальная р-область; 5, 8-шины металлизации; 6 - подзатворный тонкий диэлектрик; 7-затвор.
МДП-структуры на диэлектрической подложке обладают существенно более высоким быстродействием по сравнению с аналогичными структурами на кремниевой подложке и позволяют, кроме того, несколько сэкономить площадь при создании МДП БИС.
ЛИТЕРАТУРА
1. Ненашев А.П. Конструирование радиоэлектронных средств: Учеб. для радиотехнических спец. вузов. – Мн.: Высшая школа, 2000.
2. Основы конструирования изделий радиоэлектроники: Учеб. пособие / Ж.С. Воробьева, Н.С. Образцов, И.Н. Цырельчук и др. – Мн.: БГУИР, 2001