| Скачать .docx |
Курсовая работа: Изготовление печатного модуля средствами САПР конструкторско-технологического назначения
«И зготовлени е печатного модуля средствами САПР конструкторско-технологического назначения »
Цель работы
Сформировать исходную информацию для изготовления печатного модуля средствами САПР конструкторско-технологического назначения.
Метод исследования – средства САПР конструкторско-технологического назначения (на основе редактора ACCELEDA).
Для формирования исходной информации для изготовления печатного модуля средствами САПР конструкторско-технологического назначения необходимо:
- создание новых компонентов интегрированной библиотеки САПР PCAD;
- для формирования графического изображения схемы электрической принципиальной необходимо изучить и воспользоваться редактором ACCELSchematic;
- для трассировки связей печатной платы необходимо воспользоваться редактором ACCELPCB;
- дляполучения управляющей программы на ЧПУ используют ПЕОМ, програмно совместную IBM PC, операционную систему Windows NT/2000/XP.
Содержание
1.Анализ задания
2.Формирование компонентов средствами САПР конструкторско-технологического назначения
2.1 Формирование библиотек системы ACCELEDA
2.2 Создание электрической схемы
2.3 Расчет размеров ПП
3. Конструкторско-технологическое проектирование печатного модуля с применением САПР конструкторско-технологического назначения
3.1 Формирование списка соединений
3.2 Автоматическая трассировка схемы
3.3 Верификация печатного модуля
4. Автоматизированная технологическая подготовка производства средствами САПР конструкторско-технологического назначения
4.1 Полученная управляющая программа для работы на ЧПУ
Выводы
Перечень использованных источников
1 . Анализ задания
Вариант задания

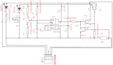
Рисунок 1.1 – Вариант задания
Анализируя исходное задание, было определенно количество необходимых элементов, их габаритные размеры, а так же посадочные места. Прочие элементы использовались в соответствии с заданием. По итогам работы была составлена таблица, содержащая все компоненты, используемые в схеме электрической принципиальной.
Таблица 1.1 – Конструктивные параметры электрорадиоэлементов
Наименование элемента |
Тип элемента |
Схемный символ |
Описание элемента |
Корпус, посадочное место | Количество |
Резистор |
МЛТ-0,25 |
10 кОм |
![]() |
6 |
|
Резистор |
МЛТ-1 |
10 кОм |
![]() |
1 |
|
| Резистор переменный | СП-1 | 20 кОм | ![]() |
1 | |
Конденсатор |
К10-17 |
|
0,1нФ |
![]() |
3 |
Светоизлучающий диод |
АЛ307 |
U=2В |
![]() |
2 | |
Полевой транзистор |
КП103Х |
![]() |
S=3.8мА/В |
![]() |
1 |
Транзистор |
КТ315Г |
![]() |
f=270 МГц |
2 | |
Транзистор |
КТ805А |
![]() |
f=20 МГц |
![]() |
1 |
Стабилитрон |
КС133А |
![]() |
U=3.3В |
|
1 |
Микросхема |
К140УД9 |
![]() |
12вывод. |
![]() |
1 |
2 . Формирование компонентов средствами САПР конструкторско-технологического назначения
2.1 Формирование библиотек системы ACCEL EDA
Компоненты хранятся в библиотеках системы. Система ACCELEDA поддерживает два вида библиотек:
- интегрированные библиотеки компонентов;
- отдельные библиотеки символов и корпусов компонентов.
Для формирования необходимых компонентов средствами САПР, изначально создаю свою библиотеку, куда буду заноситься все используемые элементы. Чтобы сформировать определённый компонент необходимо создать как символ данного используемого элемента, так и его корпус, размеры которого определила выше и занесла в таблицу 1.1. Символ компонента можно сформировать самостоятельно или же использовав уже существующую библиотеку, которую можно открыть в SymbolEditor.Однако создание символа логики микросхемы требовало иного подхода, а именно,- создание символики самостоятельно. Для этого так же использовалось приложение SymbolEditor. Рисование контура изображения символа производим при помощи команд Place/line и Place/Arc, для создания вывода символа выбираем команду Place/Pin, где устанавливаем тип и длину выводов. Для ввода текста используем команду Place/Text, при использовании закладки Place/Attribute устанавливаем атрибуты символа (RefDes и Type). После чего производим проверку правильности создания символа, используя команду Utils/Validate. Когда проверка будет успешно завершена, необходимо сохранить созданный символ в библиотеку, которая была создана заранее. Следующим этапом создания компонента является формирование его корпуса, который осуществляется в PatternEditor. Аналогично формированию символа компонента, корпус так же можно либо создавать самостоятельно, либо использовать уже сформированный и хранящийся в библиотеке, только в последнем случае необходимо учитывать размеры создаваемого корпуса. В данном случае для конденсатора К53-1А (С4, С5) использовался уже готовый корпус, который необходимо было лишь сохранить в собственную библиотеку (то есть скопировать из исходной библиотеки P-CAD). Для конденсаторов К53-16А (С1, С2, С3) корпуса создавались самостоятельно с учетом их габаритных размеров, выписанных из справочников, для решения данной задачи использовались команды аналогичные тем, которые использовались при создании символа,- Place/line и Place/Arc, только лишь с учетом того, что контур корпуса формируется в слое TopSilk, а контакты в слое Top. Завершение создания корпуса компонента аналогично формированию символа. Для всех остальных компонентов (о которых не говорилось выше) корпуса так же создавались самостоятельно. После того как были сформированы и символы всех элементов, и их корпуса необходимо создать сам компонент, то есть как бы совместить две выше созданных составляющих компонента. Данная операция производится в LibraryManager в закладке Component/New. В появившемся окне выбираем необходимый корпус, количество входящих в него элементов и символ, первоначально подключив свою библиотеку, где хранятся все требуемые, для создания печатного блока, элементы. Затем, выбрав закладку PinsView, заполняем таблицу выводов. Создав новый компонент и проверив его на ошибки, сохраняем его в своей библиотеке.
2.2 Создание электрической схемы
После настройки конфигурации графического редактора P-CADSchematicи при наличии в библиотеке всех символов компонентов, содержащихся в заданной электрической схеме (текущем проекте), можно приступать к созданию последней. Последовательность действий при этом такова:
- Загружается графический редактор P-CADSchematic.
- Настраивается конфигурация редактора. При настройке щелкается кнопка EditTitleSheets, затем в заставке Titles в области TitleBlock необходимо щелкнуть кнопку Select, выбрать файл с готовой форматкой и щелкнуть кнопку Открыть. Закрываются все предыдущие окна. На экране появляется изображение форматки с полями.
- Загружаются нужные библиотеки командой LibrarySetup, добавляются их имена в область OpenLibraries после нажатия кнопки Add.
- Размещаются библиотечные элементы в поле форматки выполнением команды Place/Part, и в появившемся диалоговом окне выбирается требуемый символ.

Рисунок 2.1 – Схема электрическая принципиальная
2.3 Расчет размеров ПП
После того как выполнены все предыдущие пункты, необходимо рассчитать размеры печатной платы.
Площадь печатной платы определяется следующим образом:
,
где
– количество элементов
-го типа;
– площадь, занимаемая элементом
-го типа;
– количество типов элементов.
Полученное значение используют для определения размеров печатной платы.
Sm
= (180+78,5+24+216+907,46+39,25+28,26+36+1074,665+78,5+117+37,5) 1.5= 4225мм2
![]()
a*b =90*45 мм
Печатную плату изготавливаем из стеклотекстолита толщиной 2 мм. На рисунке показаны габаритные размеры печатной платы.

Рисунок 2.3 – Габаритные размеры печатной платы
3 . Конструкторско-технологическое проектирование печатного модуля с применением САПР конструкторско-технологического назначения
Одним из результатов выполнения первого рассчетно-графического задания является формирование графического изображения схемы электрической. Опираясь на полученный результат, необходимо после верификации схемы, которая в свою очередь выполняется по команде Utils/Erc, произвести генерацию списка соединений.
3.1 Формирование списка соединений
Список соединений включает в себя информацию о соединении вывода компонента с определённой цепью. Данная информация используется при упаковке схемы на печатную плату, то есть при размещении корпусов компонентов на монтажно-коммутационном поле. Список соединений формируется после выполнения команды Utils/GenerateNetlist, предварительно подключив необходимую нам библиотеку(Library/Setup).
Для того, чтобы оптимально разместить элементы на монтажно-коммутационное поле, необходимо сформировать так называемую таблицу смежности компонентов, которая включает в себя количество электрических связей между последними.
Таблица 3.1– Таблица смежности
| 0 | 0 | 0 | 0 | 1 | 0 | 0 | 0 | 1 | 0 | 0 | 0 | 0 | 0 | 1 | 0 | 1 | 0 | 1 | |
| 0 | 0 | 0 | 0 | 0 | 0 | 0 | 0 | 0 | 0 | 0 | 0 | 0 | 0 | 0 | 0 | 0 | 2 | ||
| 0 | 1 | 0 | 0 | 1 | 0 | 0 | 1 | 1 | 1 | 0 | 1 | 1 | 1 | 0 | 1 | 2 | |||
| 0 | 0 | 0 | 1 | 0 | 0 | 1 | 1 | 1 | 0 | 1 | 0 | 1 | 0 | 1 | 1 | ||||
| 0 | 1 | 0 | 0 | 0 | 0 | 0 | 0 | 0 | 0 | 1 | 0 | 1 | 0 | 0 | |||||
| 0 | 1 | 0 | 0 | 0 | 0 | 0 | 0 | 0 | 0 | 0 | 0 | 0 | 1 | ||||||
| 0 | 0 | 0 | 1 | 1 | 1 | 0 | 1 | 0 | 0 | 0 | 1 | 1 | |||||||
| 0 | 0 | 0 | 0 | 0 | 1 | 0 | 1 | 1 | 0 | 0 | 2 | ||||||||
| 0 | 0 | 0 | 0 | 1 | 1 | 0 | 0 | 0 | 0 | 1 | |||||||||
| 0 | 1 | 1 | 1 | 1 | 1 | 0 | 0 | 1 | 1 | ||||||||||
| 0 | 1 | 0 | 1 | 0 | 0 | 0 | 1 | 1 | |||||||||||
| 0 | 0 | 1 | 0 | 0 | 2 | 1 | 1 | ||||||||||||
| 0 | 1 | 1 | 1 | 0 | 0 | 0 | |||||||||||||
| 0 | 0 | 0 | 0 | 1 | 1 | ||||||||||||||
| 0 | 1 | 1 | 0 | 0 | |||||||||||||||
| 0 | 0 | 0 | 0 | ||||||||||||||||
| 0 | 0 | 0 | |||||||||||||||||
| 0 | 2 | ||||||||||||||||||
| 0 |
После настройки конфигурации и определения всех параметров проекта можно приступать непосредственно к разработке печатной платы, открыв приложение PCB. В последнем перед размещением компонентов на плату устанавливаем шаг сетки рабочего поля, - 1.25 мм, так как компоненты имеют планарные выводы. Затем в слое Board рисуем контур печатной платы. Поскольку у нас уже существует принципиальная электрическая схема, то производим упаковку схемы на печатную плату. Последнее производится с помощью команды Utils/LoadNetlist, загрузив файл списка соединений печатной платы, который был сформирован в графическом редакторе Schematic. Теперь размещаем компоненты на монтажном поле в соответствии с созданной нами ранее таблицы смежности. Результат данной работы представлен на рисунке 3.1

Рисунок 3.1 – Размещение компонентов на монтажном поле
3.2 Автоматическая трассировка схемы
Сохранив полученный результат, открываем закладку Route, где выбираем необходимый нам трассировщик, в данном случае использовался QuickRoute. Полученный результат отрассированого печатного модуля можно редактировать для его оптимизации. В данном случае некоторые трассы прокладывались вручную для уменьшения количества слоёв. Для этого удалялись уже существующие трассы между некоторыми компонентами и создавались новые, таким образом добились однослойной печатной платы, что упрощает её конструкцию, а естественно и уменьшает затраты на производство. На рисунке 3.2 представлен графический вид отрассированного печатного модуля.

Рисунок 3.2 – Графический вид оттрассированной печатной платы.
3.3 Верификация печатного модуля
После визуального контроля на ошибки и недочеты печатного модуля производим верификацию последнего средствами САПР. Для этого в PCB в закладке Utils выбираем функцию DRC. Результат данной проверки представлен ниже
Сообщения об ошибках заносяться в файл *.erc :
ACCEL Design Rule Check Report
Rl7.drc:
Design Clearances (in mm):
-------------------------------
Silk Screen Clearance: 12.0mil
Hole-Hole Clearance: 13.0mil
Board Edge Clearance: Not Defined
Layer Clearances (in mm):
Layer Name Pad-Pad Pad-Line Line-Line Pad-Via Via-Line Via-Via
Top 0.300 0.300 0.300 0.300 0.300 0.300
Bottom 0.300 0.300 0.300 0.300 0.300 0.300
Net Class Clearances (in mm):
-------------------------------
Net Class Name Pad-Pad Pad-Line Line-Line Pad-Via Via-Line Via-Via
Net Clearances (In mm):
-------------------------
Net Name Pad-Pad Pad-Line Line-Line Pad-Via Via-Line Via-Via
Net Class To Net Class Clearances (in mm):
--------------------------------------------
Net Class Names Pad-Pad Pad-Line Line-Line Pad-Via Via-Line Via-Via
Area Checked:
-------------
DRC Extents: Entire Workspace
DRC Report Options:
-------------------
Net List Compare: Off
Clearance Violations: On
Text Violations: On
Net List Violations: On
Unrouted Nets: On
Unconnected Pins: On
Net Length Violations: On
Silk Violations: On
Copper Pour Violations: On
Plane Violations: On
Component Violations: On
Drill Violations: On
DRC Summary:
Netlist:
Errors: 5
Warnings: 0
Ignored Errors: 0
Clearance:
Errors: 20
Warnings: 0
Ignored Errors: 0
Unrouted Nets:
Errors: 3
Warnings: 0
Ignored Errors: 0
Unconnected Pins:
Errors: 6
Warnings: 0
Ignored Errors: 0
Net Length:
Errors: 0
Warnings: 0
Ignored Errors: 0
Silk Screen:
Errors: 77
Warnings: 0
Ignored Errors: 0
Text:
Errors: 0
Warnings: 0
Ignored Errors: 0
Width:
Errors: 0
Warnings: 0
Ignored Errors: 0
Copper Pour:
Errors: 0
Warnings: 0
ACCEL Design Rule Check Report
Ignored Errors: 0
Plane:
Errors: 0
Warnings: 0
Ignored Errors: 0
Component:
Errors: 0
Warnings: 0
Ignored Errors: 0
Drilling:
Errors: 6
Warnings: 0
IgnoredErrors: 0
4. Автоматизированная технологическая подготовка производства средствами САПР конструкторско-технологического назначения
Для получения управляющей программы на ЧПУ используют ПЕОМ, програмно совместную IBM PC, операционную систему Windows 95/98/NT/2000.
4.1 Полученная управляющая программа для работы на ЧПУ:
G04*
G04 File: RL7.TOP, Tue Jan 08 23:17:28 2008*
G04 Source: ACCEL P-CAD PCB, Version 15.00.50, (E:\сапр\1\Rl7.PCB)*
G04 Format: Gerber Format (RS-274-D), ASCII*
G04*
G04 Format Options: Absolute Positioning*
G04 Leading-Zero Suppression*
G04 Scale Factor 1:1*
G04 NO Circular Interpolation*
G04 Inch Units*
G04 Numeric Format: 4.4 (XXXX.XXXX)*
G04 G54 NOT Used for Aperture Change*
G04*
G04 File Options: Offset = (0.0mil,0.0mil)*
G04 Drill Symbol Size = 80.0mil*
G04 No Pad/Via Holes*
G04*
G04 File Contents: No Pads*
G04 No Vias*
G04 No Designators*
G04 No Types*
G04 No Values*
G04 No Drill Symbols*
G04 Top*
G04*
G04*
G04 Aperture Descriptions*
G04 D010 EL X10.0mil Y10.0mil H0.0mil 0.0deg (0.0mil,0.0mil) DR*
G04 "Ellipse X0.254mm Y0.254mm H0.000mm 0.0deg (0.000mm,0.000mm) Draw"*
G04 D011 EL X2.5mil Y2.5mil H0.0mil 0.0deg (0.0mil,0.0mil) DR*
G04 "Ellipse X0.064mm Y0.064mm H0.000mm 0.0deg (0.000mm,0.000mm) Draw"*
G04 D012 EL X60.0mil Y60.0mil H0.0mil 0.0deg (0.0mil,0.0mil) FL*
G04 "Ellipse X1.524mm Y1.524mm H0.000mm 0.0deg (0.000mm,0.000mm) Flash"*
G04 D013 EL X75.0mil Y75.0mil H0.0mil 0.0deg (0.0mil,0.0mil) FL*
G04 "Ellipse X1.905mm Y1.905mm H0.000mm 0.0deg (0.000mm,0.000mm) Flash"*
G04 D014 SQ X60.0mil Y60.0mil H0.0mil 0.0deg (0.0mil,0.0mil) FL*
G04 "Rectangle X1.524mm Y1.524mm H0.000mm 0.0deg (0.000mm,0.000mm) Flash"*
G04 D015 SQ X75.0mil Y75.0mil H0.0mil 0.0deg (0.0mil,0.0mil) FL*
G04 "Rectangle X1.905mm Y1.905mm H0.000mm 0.0deg (0.000mm,0.000mm) Flash"*
G04 D016 EL X40.0mil Y40.0mil H0.0mil 0.0deg (0.0mil,0.0mil) FL*
G04 "Ellipse X1.016mm Y1.016mm H0.000mm 0.0deg (0.000mm,0.000mm) Flash"*
G04 D017 EL X55.0mil Y55.0mil H0.0mil 0.0deg (0.0mil,0.0mil) FL*
G04 "Ellipse X1.397mm Y1.397mm H0.000mm 0.0deg (0.000mm,0.000mm) Flash"*G04*
%FSLAX44Y44*%
%SFA1B1*%
G04*
G70*
G90*
G01*
D02*
D10*
X79133Y34645D02*
X79250Y34750D01*
X79750D01*
X80000Y35000D01*
X80250D01*
X80314Y35039D01*
X74409Y28740D02*
X74500Y28750D01*
X75250Y29500D01*
X75500D01*
X75590Y29527D01*
X79921Y25590D02*
X79750Y25500D01*
X78500D01*
X77750Y24750D01*
X77500D01*
X75984Y31496D02*
X75750Y31500D01*
X74750D01*
X74000Y32250D01*
X73500D01*
X73350Y32277D01*
X76771Y39370D02*
X77000Y39250D01*
X77500Y38750D01*
X77750D01*
X78250Y39250D01*
X87750D01*
X88250Y38750D01*
X88500D01*
X88582Y38582D01*
X74409Y28740D02*
X74250Y28750D01*
X73250D01*
X73228Y39763D02*
X73000Y39750D01*
X71250D01*
X68750Y24750D02*
X71250D01*
X75590Y34645D02*
X75750Y34750D01*
X77500D01*
X74250Y37000D02*
X72000D01*
X71500Y36500D01*
X70500D01*
X74250Y37000D02*
X79000D01*
X88582Y37582D02*
X88500Y37500D01*
X88250D01*
X87750Y37000D01*
X79000D01*
X71212Y37181D02*
X71000Y37000D01*
X65000D01*
X62992Y29527D02*
X62750Y29500D01*
X56750D01*
X75984Y31496D02*
X76000Y31250D01*
X79250D01*
X79500Y31000D01*
X82000D01*
X62992Y29527D02*
X63000Y29750D01*
X73750D01*
X73228Y39763D02*
X73250Y40000D01*
X86500D01*
X56692Y24409D02*
X56750Y24250D01*
X67500D01*
X75984Y39370D02*
X76000Y39250D01*
X76500Y38750D01*
X77000D01*
X77250Y38500D01*
X79750D01*
X73956Y24750D02*
X73750D01*
X73000D01*
X72500Y25250D01*
X70500D01*
X80314Y40944D02*
X80250Y40750D01*
X78500D01*
X75590Y34645D02*
X75500Y34500D01*
X59250D01*
X79287Y27500D02*
X79250D01*
X78750Y27000D01*
X63750D01*
X72293Y24750D02*
X72500D01*
X72750Y24500D01*
X73500D01*
X73750Y24250D01*
X83750D01*
X71500Y34000D02*
X70000D01*
X73250Y25750D02*
X61500D01*
X60500Y24750D01*
X60250D01*
X60206D01*
X74250Y32750D02*
X73500D01*
X73350Y32789D01*
X66750Y26500D02*
X78500D01*
X72000Y36000D02*
X74250D01*
X74803Y30708D02*
X74750Y30500D01*
X71750D01*
X78500Y27500D02*
X79000Y28000D01*
X87500D01*
X67250Y31250D02*
X71750D01*
X72000Y31500D01*
X72169Y31529D01*
X73250Y28750D02*
X72250D01*
D02M02*
G04 File: RL7.BOT, Tue Jan 08 23:17:28 2008*
G04 Source: ACCEL P-CAD PCB, Version 15.00.50, (E:\сапр\1\Rl7.PCB)*
G04 Format: Gerber Format (RS-274-D), ASCII*
G04*
G04 Format Options: Absolute Positioning*
G04 Leading-Zero Suppression*
G04 Scale Factor 1:1*
G04 NO Circular Interpolation*
G04 Inch Units*
G04 Numeric Format: 4.4 (XXXX.XXXX)*
G04 G54 NOT Used for Aperture Change*
G04*
G04 File Options: Offset = (0.0mil,0.0mil)*
G04 Drill Symbol Size = 80.0mil*
G04 No Pad/Via Holes*
G04*
G04 File Contents: No Pads*
G04 No Vias*
G04 No Designators*
G04 No Types*
G04 No Values*
G04 No Drill Symbols*
G04 Bottom*
G04*
G04*
G04 Aperture Descriptions*
G04 D010 EL X10.0mil Y10.0mil H0.0mil 0.0deg (0.0mil,0.0mil) DR*
G04 "Ellipse X0.254mm Y0.254mm H0.000mm 0.0deg (0.000mm,0.000mm) Draw"*
G04 D011 EL X2.5mil Y2.5mil H0.0mil 0.0deg (0.0mil,0.0mil) DR*
G04 "Ellipse X0.064mm Y0.064mm H0.000mm 0.0deg (0.000mm,0.000mm) Draw"*
G04 D012 EL X60.0mil Y60.0mil H0.0mil 0.0deg (0.0mil,0.0mil) FL*
G04 "Ellipse X1.524mm Y1.524mm H0.000mm 0.0deg (0.000mm,0.000mm) Flash"*
G04 D013 EL X75.0mil Y75.0mil H0.0mil 0.0deg (0.0mil,0.0mil) FL*
G04 "Ellipse X1.905mm Y1.905mm H0.000mm 0.0deg (0.000mm,0.000mm) Flash"*
G04 D014 SQ X60.0mil Y60.0mil H0.0mil 0.0deg (0.0mil,0.0mil) FL*
G04 "Rectangle X1.524mm Y1.524mm H0.000mm 0.0deg (0.000mm,0.000mm) Flash"*
G04 D015 SQ X75.0mil Y75.0mil H0.0mil 0.0deg (0.0mil,0.0mil) FL*
G04 "Rectangle X1.905mm Y1.905mm H0.000mm 0.0deg (0.000mm,0.000mm) Flash"*
G04 D016 EL X40.0mil Y40.0mil H0.0mil 0.0deg (0.0mil,0.0mil) FL*
G04 "Ellipse X1.016mm Y1.016mm H0.000mm 0.0deg (0.000mm,0.000mm) Flash"*
G04 D017 EL X55.0mil Y55.0mil H0.0mil 0.0deg (0.0mil,0.0mil) FL*
G04 "Ellipse X1.397mm Y1.397mm H0.000mm 0.0deg (0.000mm,0.000mm) Flash"*G04*
%FSLAX44Y44*%
%SFA1B1*%
G04*
G70*
G90*
G01*
D02*
D10*
X73659Y37590D02*
X73750Y37750D01*
X74000Y38000D01*
X74250D01*
Y38181D01*
X73228Y40551D02*
X73250Y40500D01*
X73750Y40000D01*
Y39500D01*
X73500Y39250D01*
Y37750D01*
X73659Y37590D01*
X71460Y32277D02*
X71250Y32250D01*
X71000Y32000D01*
Y31750D01*
X71250Y31500D01*
Y28500D01*
X71259Y28346D01*
X80314Y35039D02*
X80250Y35000D01*
Y32000D01*
X80500Y31750D01*
Y31250D01*
X80250Y31000D01*
Y27750D01*
X80074Y27500D01*
X76771Y39370D02*
X76750Y39250D01*
Y32500D01*
X76000Y31750D01*
Y31500D01*
X75984Y31496D01*
X73114Y31765D02*
X73250Y31750D01*
Y28750D01*
X71212Y37181D02*
X71250Y37250D01*
Y39750D01*
X71259Y28346D02*
X71250Y28250D01*
Y24750D01*
X77559Y39370D02*
X77500Y39250D01*
Y34750D01*
X70472Y40157D02*
X70500Y40000D01*
Y36500D01*
X79133Y34645D02*
X79000Y34750D01*
Y37000D01*
X64960Y35433D02*
X65000Y35500D01*
Y37000D01*
X56692Y25196D02*
X56750Y25250D01*
Y29500D01*
X82043Y24750D02*
X82000Y25000D01*
Y31000D01*
X73350Y32277D02*
X73500Y32250D01*
X73750Y32000D01*
Y29750D01*
X86582Y38582D02*
X86500Y38750D01*
Y40000D01*
X67716Y28346D02*
X67500Y28250D01*
Y24250D01*
X79750Y38500D02*
Y32250D01*
X79250Y31750D01*
Y31250D01*
X79500Y31000D01*
Y27750D01*
X79287Y27500D01*
X70500Y25250D02*
Y35750D01*
X71000Y36250D01*
Y37000D01*
X71212Y37181D01*
X78500Y27500D02*
Y40750D01*
X59055Y33464D02*
X59250Y33500D01*
Y34500D01*
X63750Y24750D02*
Y27000D01*
X83858Y35433D02*
X83750Y35250D01*
Y24250D01*
X71736Y33183D02*
X71500Y33250D01*
Y34000D01*
X70000D02*
Y35750D01*
X70500Y36250D01*
Y36500D01*
X73250Y25750D02*
Y28000D01*
X73750Y28500D01*
Y29000D01*
X74250Y29500D01*
Y32750D01*
X66732Y40157D02*
X66750Y40000D01*
Y26500D01*
X78500D02*
Y24750D01*
X74250Y32750D02*
Y36000D01*
X71259Y28346D02*
X71500Y28500D01*
Y30000D01*
X71750Y30250D01*
Y30500D01*
X87582Y37582D02*
X87500Y37500D01*
Y28000D01*
X66750Y26500D02*
X67000Y26750D01*
Y28500D01*
X67250Y28750D01*
Y31250D01*
X72250Y28750D02*
Y30750D01*
X71500Y31500D01*
X71750Y31750D01*
X71657Y31805D01*
D02M02*
Выводы
В результате работы сформирована исходная информация для изготовления печатного модуля средствами САПР конструкторско-технологического назначения.
Программные средства ACCELEDA (P-CAD) позволяют автоматизировать весь процесс проектирования электронных средств, начиная с ввода принципиальной схемы (ПС), ее моделирования, упаковки схемы на печатную плату (ПП), интерактивного размещения радиоэлектронных компонентов (РЭК) на ПП и автотрассировки соединений, вплоть до получения конструкторской документации и подготовки информации для производства плат на технологическом оборудовании.
В результате выполнения расчетно-графического задания была сформирована исходная информация для изготовления печатного модуля средствами САПР конструкторско-технологического назначения.
Был произведён анализ элементной и конструкторско-технологической базы электрических устройств, а так же определены габаритные размеры всех необходимых элементов, включенных в исходную схему электрическую принципиальную. Сформировано графическое изображение схемы. По итогам определения посадочных мест компонентов рассчитаны размеры печатной платы.
Была произведена генерация списка соединений, которая использовалась далее при упаковке схемы на печатную плату. Разместив вручную компоненты на поле печатного модуля, произвели трассировку последнего. Для оптимизации трасс и упрощения конструкции печатной платы произвели ручную корректировку отрассированного модуля.
Была также получена управляющая программа работы на станках с ЧПУ
Для получения управляющей программы на ЧПУ использовали ПЕОМ, програмно совместную IBM PC, операционную систему Windows 95/98/NT/2000.
В результате выполнения расчетно-графического задания была сформирована исходная информация для изготовления печатного модуля средствами САПР конструкторско-технологического назначения.
Перечень использованных источников
1.Конспект лекций .Лектор Плотникова З.В.
2. Лопаткин А.В. Проектирование печатных плат в системе P-CAD 2001. Учебное пособие для практических занятий. - Нижний Новгород, НГТУ, 2009.- 190 стр.
3.Справочник конструктора РЭА: Общие принципы конструирования / Под ред. Р.Г.Варламова. – М.: Сов. Радио, 2005. – 480 с.











