| Скачать .docx |
Реферат: Радио
1.2.1 Общие сведения
Для обоснования требований, предъявляемых к КВ радиоприёмникам необходимо знать специфику декаметрового р/канала связи. Известно, что информацию на коротких волнах можно передавать с помощью земной или ионосферной волны. Земные волны распространяются параллельно поверхности земли, дальность их распространения зависит от мощности передатчика, от высоты передающей и приёмной антенн, от характера и проводящих свойств поверхности земли. Обычно с помощью земной волны осуществляют связь на расстоянии не более десятков километров. Для радиосвязи на большие расстояния используют волны, отражающиеся от ионосферы в процессе распространения.
1.2.2 Обоснование диапазона рабочих частот и антенн
Для военной радиосвязи в оперативно-тактическом звене управления используется, главным образом диапазон частот от 1,5 МГц до 30 МГц. Этот участок частот является как более благоприятный для радиосвязи на большие расстояния ( 100 – 150 км) КВ могут распространяться и как земные и как ионосферные волны. Земные волны при относительно небольших мощностях передатчиков, свойственных мобильным радиостанциям, распространяются на небольшие расстояния, так как они испытывают значительное поглощение в земле, возрастающее с ростом частоты. Ионосферные волны за счёт однократного или многократного отражения от ионосферы при благоприятных условиях могут распространяться на сколь угодно большие расстояния. Частотная вместимость КВ диапазона обеспечивает возможность одновременной работы большого числа радиостанций.
Нижний и верхний пределы диапазона рабочих частот радиостанции определяются ходом критических частот и длиной трассы радиосвязи.
При ведение радиосвязи на небольшие расстояния нижний предел определяется критическими частотами области
F
и в зимнее время они опускаются до 1,7 . . .2 МГц. Поэтому нижний предел диапазона радиостанции выбираем равным 1,5 МГц. Верхний предел диапазона рабочих частот связан с максимально применимыми частотами, значения которых зависят от протяженности трассы радиосвязи. Для южных географических широт «Алжир» МПЧ в годы максимума солнечной активности оказываются максимальными и составляют:
для расстояний 150 …200 км 1 – 10 МГц для расстояний до 500 км 6 – 20 МГц для расстояний до 1000 км 8 – 25 МГц
Таким образом, верхний предел диапазона рабочих частот выбираем равным 30 МГц.
В связи с возрастанием количества радиостанций средней мощности, возрастает и помеховая обстановка, которая приводит к невозможности одних и тех же частот в полосе объединения. Поэтому необходимо увеличить количество рабочих частот. Для этого интервал между рабочими частотами необходимо выбрать не более 100 Гц. Это достаточно для расфильтровки помех дальней зоны. При этом достигается возможность получения 285000 рабочих частот.
При использовании такого широкого диапазона рабочих частот возникает необходимость применения антенн различных типов для эффективного приёма информации. Для работы земными волнами можно применять Т-образные и штыревые антенны, для работы в движении штыревую антенну и АЗИ.
Для работы ионосферными волнами применять антенны симметричный вибратор и V -образные.
1.2.3 Обоснование вида работ и вида модуляции
Современные военные радиоприёмники декаметрового диапазона принимают различные виды телефонных и телеграфных сигналов.
Известно, что сигналы подразделяются на непрерывные и дискретные.
Дискретные сигналы передаются с помощью радиотелеграфной связи. Отличительной особенностью радиотелеграфной передачи является кодирование сообщения. Каждый отдельный передаваемый символ ( буква алфавита, цифра или знак) имеют свою кодовую комбинацию элементарных сигналов.
Для передачи по каналу связи закодированное сообщение преобразуется в высокочастотный сигнал путём манипуляции радиоколебаний передатчика. В зависимости от параметра, который подвергается манипуляции различают амплитудную, частотную и фазовую манипуляции.
При амплитудной манипуляции один элементарный сигнал кода соответствует излучению полной мощности передатчика (посылка), а другой – отсутствию излучения (пауза).
При частотной манипуляции передатчик всё время излучает одну и ту же энергию при передаче элементарных сигналов. При этом передачи посылки «нажатия» соответствует частоте
f
, а посылке «отжатия» частоте
f
. Сдвига между частотами «нажатие» и «отжатие» выбирают равными 125, 200, 250, 400, 500 и 1000 Гц. ЧТ сигнал относится к видам управления колебаниями с активной паузой, чем обеспечивается лучшая их защищенность при воздействии помех. В реальных условиях работы КВ радиоканала при замираниях вероятность ошибки, достигается при превышениях сигнала над помехой порядка 18 …27 дБ.
Фазовая манипуляция – это скачкообразное (дискретное) изменение фазы колебания передатчика в соответствии с передаваемой последовательностью. По сравнению с рассмотренными выше манипулированными по частоте и амплитуде сигналами фазоманипулированный сигнал имеет одну существенную особенность. При приеме сигналов как с амплитудной (АТ), так и частотной (ЧТ) манипуляцией можно точно измерить и амплитуду и частоту излучаемого передатчиком колебания. Другими словами, в любой момент времени по измеренному значению амплитуды (при АТ) или частоты (при ЧТ) колебания на выходе передатчика можно сказать точно какой элементарный сигнал передаётся – посылка или пауза. При фазовой манипуляции можно измерить относительное значение фазы колебания либо по фазе другого, или, как называют опорного колебания либо по фазе того же колебания, но на другом интервале времени.
Для уплотнения телеграфных линий используется двухканальная частотная телеграфия (ДЧТ), при которой передатчик может излучать колебание на одной из четырех частот.
В первом случае говорят о системе фазовой телеграфии (ФТ), во втором – о системе относительной фазовой телеграфии (ОФТ).
При ФТ передатчик непрерывно излучает колебание на одной и той же частоте, причем нажатию соответствует излучение несущего колебания со сдвигом по фазе на 180
.
Основным недостатком фазовой телеграфии является возникновение «негативной работы» при случайном скачке фазы опорного колебания на 180
. От этого недостатка свободна система ОФТ.
В системе ОФТ, при переходе от одной элементарной посылки к другой фазе сигнала изменяется только в том случае, если следующая передаваемая посылка будет негативной. Так , при передачи нажатия фаза высокочастотного элементарного сигнала совпадает с фазой предыдущего, а при передаче отжатия – противоположна ей.
ВЫВОД: Как рассмотрено выше в современных приёмниках при дискретных сообщениях наибольшее использование получают: АТ, ЧТ, ДЧТ и ОФТ.
Для передачи непрерывных сигналов используются амплитудная, частотная и однополосная модуляция. При АМ обобщенный выигрыш
g
составляет в пределах 0,085. это объясняется крайне АМ неэффективным использованием мощности передатчика и необходимостью расширения полосы пропускания в приёмнике до детектора.
При пространственном распространении радиоволн существуют селективные замирания колебаний несущей или составляющих боковых полос, а также фазовые искажения. Это приводит к уменьшению средней мощности полезного сигнала на выходе приёмника максимально в два раза.
Частотная модуляция обладает весьма высокой помехоустойчивостью при наличии большого превышения сигнала над помехой на входе приемника.
При индексах модуляции
;
g
>1
Но это справедливо, если отношение мощностей сигнала и помех на входе приемника
S
>5…6.
Высокая помехоустойчивость ЧМ достигается ценой существенного расширения спектра сигнала. При индексе модуляции
m
=2…5 ширина
спектра радиосигнала в 9-16 раз превосходит ширину спектра сообщения. Следовательно интервал между соседними частотами должен быть большим.
Важным свойством ОМ является то, что в приёмниках полностью реализуется потенциальная помехоустойчивость этого вида модуляции при любых соотношениях между сигналом и помехой. Обобщенный выигрыш
g
=1, так как ширина спектра радиосигнала равна ширине спектра модулирующего сигнала. Рабочие частоты при ОМ могут назначаться с интервалом 4…5 КГц, что позволяет весьма экономно использовать диапазон частот, отводимый для связи, что особенно важно для КВ диапазона.
ВЫВОД: таким образом по помехоустойчивости ОМ имеет бесспорные преимущества перед АМ. Поэтому ОМ необходимо выбрать основным видом управления колебаниями, учитывая возможность реализации в современных средствах радиосвязи.
1.2.4 Выбор и обоснование чувствительности
Коэффициент шума – это отношение мощности шума на выходе приемника к мощности шума, которая была бы на его выходе только из-за шумов согласованного источника сигнала.
Под чувствительностью обычно понимают способность приемника принимать слабые сигналы и воспроизводить их с соответствующим уровнем и необходимым качеством.
Согласно рекомендациям МККР под максимальной чувствительностью подразумевают наименьшее значение напряжения входного сигнала ( выраженное через ЭДС или мощность несущего колебания в антенне ), поданного через эквивалент антенны на вход приемника, при котором на его выходе получается определенная мощность при заданном качестве приемника.
Если усиление в приемнике достаточно для получения необходимого выходного уровня, то максимальная чувствительность ограничивается усилением радиоприемника. Для сравнения приемников по чувствительности удобно пользоваться предельной чувствительностью, под которой понимается такой уровень сигнала в антенне, при котором отношение сигнал–шум на выходе приемника равно единице.
Использование современных полупроводниковых приборов позволили реализовать в радиоприемниках КВ диапазона малые значения коэффициента шума. Однако построение радиоприемников с очень малым уровнем не всегда целесообразно. Это связано с тем, что уровень внешних шумов (атмосферных, космических, искусственных) в КВ диапазоне таков, что чаще всего не требуется проектировать радиоприемник с коэффициентом шума меньше 10 дБ.
Значительное уменьшение коэффициента шума, как правило, приводит к ухудшению селективности приемника.
Для большинства применяемых радиоприемников коэффициент шума лежит в пределах 7. . . 10 дБ.
В КВ диапазоне прием сигнала ведется в основном не на фоне перечисленных помех , а на фоне помех, создаваемых другими радиостанциями. Поэтому добиваться весьма высокой чувствительности в приемниках КВ диапазона не целесообразно и чувствительность должна быть на уровне технической реализуемости, при условии нормальной работы оконечных устройств.
Исходя, из существующих оконечных устройств можно задаться необходимыми чувствительностями приемника для разных режимов работы:
при ОМ 2 мкВ
при АМ 8 мкВ
при ЧМ 4 мкВ
при ЧТ 1,8 мкВ
при ОФТ 1,8 мкВ
при АТ 0,8 мкВ
Селективность – это способность приемника отделять полезные сигналы от мешающих - основана на использовании признаков различия между полезными и мешающими сигналами.
Селективность, определяемая только характеристиками частотных фильтров радиоприемника без учета нелинейных явлений, называется односигнальной. Количественно односигнальная селективность оценивается отношением уровня испытательного сигнала на частоте помех к его значению на частоте полезного сигнала при неизменной настройке и одинаковом выходном напряжении.
Односигнальная селективность может характеризовать ослабление помех по соседнему и зеркальному каналам, по каналу на промежуточной частоте и по комбинационным каналам приема образованным в результате напряжение помех и гармоник местных гетеродинов. Типовые нормы на ослабление по побочным каналам для приемников этого типа составляет:
подавление помех по зеркальным каналам Д
= 60 дБ
подавление помех по промежуточным частотам Д
= 80 дБ
В реальных условиях на входе радиоприемника действуют помехи с такими уровнями, при которых сказывается нелинейность тракта приема. Прием обычно происходит в условиях, когда малый по уровню полезный сигнал принимается на фоне одной или нескольких значительных по уровню внеполосных помех.
Для оценки селективности приема в нелинейной области при двух и более входных сигналах используется многосигнальная селективность, характеризующая способность приемника выделять полезный сигнал в реальных условиях при одновременном действии полезного сигнала и помех.
Нелинейные эффекты могут резко снижать достоверность передаваемого сообщения, т. е. ухудшать помехоустойчивость приемника.
Среди различных нелинейных эффектов основными являются генерация гармоник, сжатие, перекрестная модуляция, блокированная интермодуляция, амплитудно-фазовая конвергия и подавление слабого сигнала при детектировании.
Нестабильность и неточность настройки радиоприемников может привести к резкому снижению достоверности принимаемого сообщения, ухудшению надежности связи, усилению помех. Высокая стабильность и точность установки частоты облегчают быстрое нахождение канала связи в условиях сильной загруженности КВ диапазона.
Главной причиной частотной нестабильности является изменение частот гетеродинов. Поэтому основное внимание при проектировании высококачественных радиоприемников направлено на обеспечение высокой стабильности гетеродинных частот, особенно в первый преобразователях частоты.
Изменение частоты настройки может быть вызвано и нестабильности параметров электрических цепей, которая приводит к появлению переменных фазовых сдвигов. Допустимая нестабильность частоты, которая должна обеспечиваться радиоприемником, существенно зависит от принимаемого сигнала. Учет последнего дает возможность определить тип опорного генератора для использования в проектируемом приемнике.
Высокие требования к стабильности частоты настройки привели к созданию и применению в современных радиоприемниках высокостабильных синтезаторов частот (СЧ) со стабильности 10
…10
.
При работе радиоприемников в автоматизированных и адаптивных системах связи большое значение имеет время настройки приемников на требуемую рабочую частоту. Под временем настройки понимают интервал между сигналом к настройке и моментом полной готовности приемника к приему требуемой частоты в эксплуатационном режиме.
Допустимое время настройки во многом определяет выбор системы настройки приемника, а следовательно и основные схемные и конструктивные решения радиоприемника в целом.
Самое большое время настройки ( 5 …10 с) получается в приемниках с электромеханической системой настройки наименьшее время (10 …100 мс) реализуется в электронной системе настройки.
1.2.5 Перестройка в диапазоне частот
Приемники, используемые в военной радиосвязи, обычно обеспечивают сигналы в широком диапазоне рабочих частот.
Перестройка приемника может осуществляться следующими способами:
1) Плавно – путем плавного изменения емкостей или индуктивностей контуров перестраиваемых избирательных систем в результате чего приемник настраивается в резонанс на любую из частот в пределах рабочего диапазона от
f![]()
до
f![]()
.
2) Дискретно – путем скачкообразного переключения элементов всех перестраиваемых избирательных систем тракта принимаемой частоты и использования сетки дискретных частот в гетеродине, вследствие чего обеспечивается прием сигналов на дискретных фиксированных частотах
f
,
f
,…
f
.
3) Комбинированным способом – скачками при переходе от одного участка диапазона рабочих частот к другому и плавно в пределах каждого участка. Дискретные участки общего диапазона обычно называют под диапазонами, причем если переход от одного под диапазона к другому производится скачкообразным переключением индуктивностей, то плавная перестройка в пределах под диапазонов монотонным изменением ёмкости и наоборот.
В современных военных радиоприемниках в основном используется дискретная перестройка, поэтому рассмотрим подробно этот способ.
Дискретная перестройка приемника с одной фиксированной частоты на другую может осуществляется следующими двумя способами:
1) скачкообразным изменением настройки всех перестраиваемых избирательных систем одновременно;
2) плавным изменением настройки контуров принимаемой частоты и скачкообразным изменением частоты гетеродина;
Второй способ применяется при перестройке приемника Р-155П. при этом применяется электромеханическая система перестройки, обладающая сложностью, невысокой надежностью и главное малым быстродействием (десятки секунд).
Современные методы дискретной перестройки позволяют с большой эффективностью применить первый способ. Рассмотрим его подробно.
В супергетеродинных приемниках скачками изменяются частота настройки как контуров применяемой частоты ( при этом
f
=
f
), так и контура гетеродина чтобы
=
f![]()
, то есть чтобы промежуточная частота соответствовала номинальному значению.
Дискретная настройка может осуществляться двумя методами:
- изменением емкости;
- изменением индуктивности.
При методе настройки с изменением индуктивности можно использовать дискретную индуктивность. Это также позволяет применить электронный способ настройки. По свойствам настройка катушкой дискретной индуктивности – эта система настройки получается более громоздкой и имеет несколько худшие параметры. Поэтому этот метод не нашел большее применение. Наибольшее применение нашла настройка с изменением емкости.
При емкостной настройке резонансных цепей можно использовать конденсатор переменой емкости, (КПЕ) с воздушным диэлектриком, дискретный конденсатор, варактор, вариконд и реактивный транзистор. Вариконды не нашли применение в радиоприемниках, так как значительный разброс их характеристик, сильная температурная зависимость емкости, большие диэлектрические потери и старение препятствуют их использованию для настройки приемников. Реактивный транзистор также не нашел практического применения из-за малого перекрытия и большой нелинейности.
Дискретный конденсатор представляет собой магазин конденсаторов постоянной емкости с последовательно-параллельным включением групп.
Использованием дискретных конденсаторов можно значительно снизить время настройки, которое определяется в основном временем срабатывания цепей управления и коммутирующих элементов.
К коммутирующим элементам предъявляется целый ряд требований, таких как высокое сопротивление контакта в разомкнутом состоянии, малое переходное сопротивление контакта в замкнутом состоянии, малая проходная емкость между контактами в разомкнутом состоянии на рабочей частоте. В селективных цепях применяются либо механические, либо электронные коммутирующие элементы.
Механические контакты используемые для коммутации в высокочастотных цепях радиоприемников, обладают целым рядом недостатков. К ним в первую очередь относится: невысокая надежность из-за окисления. Загрязнения и механического износа контактов; сравнительно большая паразитная емкость контактных пар, громоздкость и необходимость существенных усилий при переключении (например: барабанные переключатели).
Кроме того, устройство управления механическими контактами достаточно сложно, особенно в полностью автоматизированных приемниках. При этом не удается обеспечить малое время настройки. По этим причинам механические контакты в современных радиоприемниках находят крайне ограниченное применение.
Все большее применение для коммутации в высокочастотных избирательных цепях радиоприемниках – полупроводниковые коммутационные диоды с электронным управлением. Они имеют большое сопротивление и малую емкость при напряжении обратного смещения и мало дифференциальное сопротивление при токе прямого смещения.
ВЫВОД:
По этим достоинствам используем полупроводниковые коммутационные диоды и герконовые реле, так как они обеспечивают высокую надежность, малые габариты и массу, достаточно простую схему управления.
1.3 Энергетические расчеты линий КВ радиосвязи
Определим Е
необходимую для приема ОМ сигналов с надежностью 0,95 на частотах:
f
=1,5 МГц
f
=15 МГц
f
=30 МГц
в регионе Алжира зимой (20 – 24 часа) на антенный штырь – 4 м.
Е
определяется по формуле:
(1
.
3
.
1)
Где В=1 кГц полоса пропускания на которой производится измерение помехи.
Д
- диаграмма направленности короткого штыря на котором произведено измерение помех (Д
=3)
Е
- напряженность поля в точке приема.
Учитывая преобладание атмосферных помех получаем:
(
3.1.
2)
где К определяется по таблице 4.3 Л-5 антенны и распространение радиоволн. Выбираем К=15
F
- определяется по формуле: [5]
; (1.3.3)
,
(1.3.4)
Где
F
- уровень мощности помех на рабочих частотах и определяется по картам распространения помех на земном шаре и расположенным к ним графикам приложение 5 [5].
Д
- превышение над верхней децели, т.е. уровня превышаемого помехой в 10 % времени
.
t - коэффициент надежности и определяется по таблице и равен 2,1 (Л-5)
Определяем
F
и Д
на минимальной, средней и максимальной частотах.
Результаты расчета приведены в таблице 1 . 3 . 5.
ТАБЛИЦА 1 . 3 . 5 – результаты расчета
| f (МГц) |
f |
f |
f |
| F |
65 МГц |
20МГц |
15 МГц |
| Д |
10 дБ |
4 дБ |
2 дБ |
Определяем
F
на каждой частоте
f
,
f
,
f
по формуле:
Результаты приведены в таблице 1.3 . 6.
ТАБЛИЦА 1.3 . 6 – результаты расчета
| f (МГц) |
f |
f |
f |
| F |
81,5 |
26,6 |
18,3 |
Определяем Е
на каждой частоте по следующей формуле:
Результаты приведены в таблице 1 . 3 . 7
ТАБЛИЦА 1 . 3 . 7 – результаты решения
| f (МГц) |
f |
f |
f |
| Е |
19,52 |
-15,4 |
-19,7 |
Выбираем из (Л-5) следующие величины: К=15, Д
=3, Д
=3, В=1 кГц.
Определяем Е![]()
, для приема ОМ сигналов на каждой частоте по формуле:
Результаты приведены в таблице 1
.
3
.
8.
ТАБЛИЦА 1 . 3 . 8 – результаты решения
| f (МГц) |
f |
f |
f |
| Е |
34,52 |
-0,4 |
-2,7 |
Находим ЭДС, наводимое в антенне в точке приема
U
=
E
·
L
из (Л-5).
Где
L
- действующая длина антенны.
,
Где
(1
.
3
.
9)
Определим
по формуле
:
.
=19,04 м
Определим
m
по формуле: (1
.
3
.
9),
=0,65
Определяем действующую длину антенны:
м.
Определяем чувствительность радиоприемника по формуле:
U
=
E
·
L
,
Где
,
L
- действующая длина.
ВЫВОД:
Энергетический расчет КВ радиолиний показывает что проектируемый радиоприемник чувствительностью при ОМ 2МКВ способен обеспечить прием сигнала передатчика радиостанции Р-140 на расстояние 100-150 км земными волнами с помощью антенны типа АИ-4М.
ВЫВОДЫ:
К проектируемому приемнику предъявляются следующие требования:
- прием сигналов в диапазоне 1,5-30 МГц с интервалом через 100 Гц.
- слуховой прием ТФ сигналов с ОМ а также слуховой прием ТГ сигналов АТ и ЧТ;
- телеграфную работу буквопечатающими аппаратами при ЧТ и ОФТ;
- избирательность.
Д
по зеркальному каналу 60 дБ.
Д
по промежуточной частоте 80 дБ.
- относительную частотную точность 1-2
·
10
.
- перестройку менее 1 сек (электронную).
- питание приемника осуществляется от источника переменного тока 220~127В.
- уменьшение габаритов, веса, энергоёмкости.
- достижение высокой надёжности работы приемника в условиях жаркого и влажного климата и сильной вибрации.
2 АНАЛИЗ СХЕМ ПОСТРОЕНИЯ КВ ПРИЕМНИКА РАДИОСТАНЦИЙ СРЕДНЕЙ МОЩНОСТИ И ОБОСНОВАНИЕ ВЫБРАНОЙ СХЕМЫ
2.1 Анализ схем построения КВ радиоприемников
Основные схемы приемников отличаются друг от друга построением тракта радиосигналов. Существует две схемы: схема прямого усиления и супергетеродинного типа. Посмотрим подробно эти две схемы.
2.1.1 Структурная схема приемника прямого усиления
При этой схеме во всем тракте радиосигналов вплоть до детектора, радиосигнал усиливается на принимаемой частоте сигнала.
Структурная схема тракта сигналов приемника прямого усиления показана на рис. 2 . 1 . 1 (а)
![]()
|

|
Рис унок 2.1.1 (а) - Структурная схема тракта сигналов приемника прямого усиления.
Первым элементом приемника, связывающим антенно-фидерную систему со входом первой лампы или транзистора является входное устройство. Его назначение состоит в возможно более эффективной передаче напряжения или мощности полезных сигналов принятых антенной, ко входу первого каскада и в первоначальной избирательности до первого не линейного элемента, которым является лампа или транзистор. Далее следуют каскады усиления по принимаемой частоте, которые называют усилителем радиочастоты (УРЧ). Этот усилитель осуществляет все усиление и практически всю избирательность до детектора. УРЧ содержит избирательные системы перестраиваемые в пределах заданного диапазона частот. Так как обычно необходимы достаточно высокое усиление и избирательность, то требуется большое число каскадов и перестраиваемых избирательных систем. При большом числе каскадов, учитывая что усиление производится на высокой частоте, оно может оказаться неустойчивым. В результате в приемниках прямого усиления обычно не удается получить необходимые усиления и избирательности до детектора, кроме того, при перестройке каскада в широком диапазоне частот резко изменяются их усиления и избирательность. Вследствие того, приемникам прямого усиления присущи большие неравномерности чувствительности и избирательности в пределах диапазона рабочих частот. За УРЧ следует детектор и усилитель первичных сигналов обычно называемых усилением низкой частоты (УНЧ). Основные положительные и отрицательные качества приемника прямого усиления сводятся к следующему:
А) Положительные качества:
-относительная легкость осуществления одноручной перестройки в диапазоне рабочих частот, простота схемы и конструкции;
- стабильность настройки, так как в схеме нет автогенераторов, используемых при преобразованиях частот.
Б) Отрицательные качества:
- низкая чувствительность, обусловленная трудностями получения большого усиления до детектора;
- неравномерность чувствительности в пределах диапазона рабочих частот из-за резкой неравномерности усиления в радиотракте при его перестройке;
- невысокая избирательность из-за невозможности использовать в перестраиваемых устройствах сложных избирательных систем, обладающих высоким коэффициентом прямоугольности;
- неравномерность избирательности вследствие того, что избирательность ухудшается с ростом частоты настройки;
- возможность появления побочных нелинейных искажений случае малого усиления до детектора и вследствие этого работы в нелинейном режиме.
2 . 1 . 2 Структурная схема супергетеродинного приемника.
![]()
![]()
![]()
![]()
![]()
F
![]()
Рис
унок
2
.
1
.
2(б)
-
Структурная схема тракта сигналов приемника супергетеродинного типа.
При построении тракта радиосигналов по схеме супергетеродинного типа частота приемного радиосигнала с помощью преобразователей частоты преобразуется в некоторую постоянную и достаточно низкую промежуточную частоту, на которой осуществляется основное усиление и избирательность. Схема отличается от схемы приемника прямого усиления наличием 2-х новых элементов: преобразователь частоты и усилителя промежуточной частоты. Преобразование частоты радиосигнала
f
в промежуточную частоту
f
осуществляется в схеме преобразователя, состоящей из нелинейного элемента называемого смесителем и местного генератора частоты
f
называемого гетеродином. На вход нелинейного элемента подаются частоты сигнала
f
и гетеродина
f
вследствие чего в токе нелинейного элемента возникает составляющие
α·
f
+
β·
f
, где
α
и
β
=0,±1, ±2, ±3,… На выходе смесителя ставится избирательная система, настраиваемая на промежуточную частоту представляющую собой разность или сумму первой гармоники частоты сигнала и первой гармоники частоты гетеродина.
При разности преобразований:
Преимущества:
- относительно высокая чувствительность обусловленная возможностью получить высокое усиление на достаточно низкой промежуточной частоте;
- равномерность чувствительности в пределах диапазона рабочих частот вследствие того, что основное усиление в радиотракте осуществляется на постоянной промежуточной частоте;
- высокая избирательность обусловленная тем, что основная избирательность в радиотракте обеспечивается на низкой и постоянной промежуточной частоте;
- равномерность избирательности в диапазоне рабочих частот, так как она определяется главным образом избирательностью не перестраиваемого тракта промежуточной частоты;
- относительно небольшие нелинейные искажения при детектировании, так как в радиотракте возможно получение усиления, обеспечивающего работу детектора в линейном режиме.
ВЫВОД:
Исходя из этих соображений будем применять схему приемника супергетеродинного типа.
2.1.3. Принципы построения и схема современных радио- приёмников
Разработка современной автоматизированной адаптивной радиосвязи в декаметровом диапазоне потребовала коренного улучшения параметров и эксплуатационных характеристик KB радиооборудования. Создать автоматизированные системы KB связи можно только при условии многократного повышения качества и надежности приемного и передающего оборудования. Для этого необходимо также решить ряд вопросов, связанных с разработкой новых устройств.
Основное требование, предъявляемое уже в настоящее время к радиоприемникам и важность которого будет только увеличиваться в будущем. Это его работа в адаптивной системе в условиях полной неопределенности. При этом все процессы, обеспечивающие адаптацию радиоприемников к постоянно меняющимся внешним условиям, должны быть полностью автоматизированными.Современный приемник должен отличаться высокой универсальностью. Все функциональные блоки должны быть конструктивно законченными, что позволит при различной их компоновке значительно расширить применимость радиоприемников. Приемники должны быть снабжены дополнительными функциональными блоками, расширяющими их функциональные возможности и улучшающими технические характеристики, иметь малую массу и габариты, обладать высокими прочностью и вибростойкостью, возможностью работы в различных климатических условиях. В современных радиоприемниках можно выделить следующие основные функциональные блоки : главный тракт приема ( ГТП), синтезатор частот ( СЧ ). блок управления (БУ ), выходные устройства ( ВУ ) и блок питания ( БП ).
Функция ГТП - осуществлять предварительную селекцию, усиление и преобразование сигнала. Синтезатор частот вырабатывает гетеродинные и опорные напряжения. Выходные устройства обеспечивают оптимальную или близкую к ней обработку принимаемого сигнала. Тип выходного устройства определяется видом принимаемого сигнала. Блок управления осуществляет все функции управления и контроля за работой приемника как с местного пульта, так и на расстоянии.
Структурная схема современного радиоприемника показана на рис унке 2.1.3. ( в)
Рис унок 2.1.3.(в) - Структурная схема современного приемника.
2.2. Обоснование и выбор структурной схемы проектируемого радиоприёмника
Произведем обоснование и выбор структурной схемы приемника.
Главный тракт приема является одним из важнейших узлов радиоприемника. Многие качественные показатели всего радиоприемника определяются характеристиками ГТП. К таким показателям относятся чувствительность и коэффициент шума, динамический диапазон, регулировка усиления по промежуточной частоте, селективность (избирательность) и т.д. В значительной степени от построения ГТП зависит и время настройки приемника. Заметное влияние оказывают характеристики ГТП на помехоустойчивость, стабильность частоты настройки, линейные искажения и т.д.
Схема ГТП существенно зависит от построения всего радиоприемника. Для современных радиоприемников характерно многократное преобразование частоты, позволяющее реализовать высокую селективность как по соседнему, так и по зеркальному каналу. Это достигается выбором высокой первой и более низких последующих промежуточных частот. Необходимо учитывать, что многократное преобразование частоты связано с появлением дополнительных побочных каналов приема. Существует ряд вариантов схем ГТП, однако среди них можно выделить 3 основных. 1-ый вид - это схема с перестраиваемым трактом 1-ПЧ.
Структурная схема показана на рис унке 2 . 2 . 1 (а). Резонансные цепи преселектора П, включающего в себя входной фильтр и каскады УВЧ, перестраиваемые при настройке приемника на различные частоты, выбирают из условия обеспечения требуемой селективности по зеркальному каналу по первой ПЧ, Частота первого гетеродина скачком изменяется при переключении поддиапазонов, в пределах поддиапазона она постоянна. При этом первая ПЧ меняется в одинаковых пределах при перестройке во всех поддиапазонах. Частота второго гетеродина изменяется так, чтобы обеспечивать постоянство второй ПЧ.
К недостаткам такого ГТП относятся необходимость в сопряженной перестройке преселектора, УПЧ I и второго гетеродина
Помимо сложности в реализации такой вариант имеет большое время перестройки приемника и затрудняет автоматизацию управления радиоприемниками. Показатели радиоприемника меняются из-за изменения характеристик тракта первой ПЧ при перестройке приемника.
Второй вид ГТП с широкополосным трактом первой ПЧ показан на рис. 2-2-1 (б). Усилитель первой ПЧ не перестраивается при изменении частоты настройки УВЧ. Ширина полосы пропускания УПЧ I в этом случае должна быть такой, чтобы пропустить все возможные значения первой ПЧ, т.е. равняется ширине поддиапазона
Первая ПЧ, как правило выбирается выше диапазона принимаемых частот. Чтобы избежать появления зеркального канала по второй ПЧ при широкой полосе пропускания УПЧ 1 необходимо брать высокую вторую ПЧ. Но при этом для обеспечения хорошей фильтрации соседнего канала возникает необходимость в третьем преобразовании частоты. Это приводит к усложнению реализации радиоприемника, увеличению веса и габарита и ухудшению надежности.
Разработка высокостабильных синтезаторов частот , а также кварцевых и керамических фильтров с высокой прямоугольностью частотных характеристик и с малыми уровнями побочных каналов привела к построению ГТП третьего вида рис 2.2.1.( в).
В этом широко распространенном варианте при перестройке приемника во всем диапазоне частот первая и вторая ПЧ остаются постоянными.
Известно, что для увеличения селективности приемника основную селекцию необходимо осуществлять ближе к входу приемника. При постоянной первой ПЧ основную селективность можно обеспечить уже в УПЧ I. Это удается при использовании современных высокочастотных кварцевых и монолитных фильтров. Полоса пропускания фильтров в УПЧ I выбирается исходя из ширины спектра принимаемого сигнала с учетом нестабильности частот несущей сигнала и гетеродина. Поскольку основная селективность обеспечивается в УПЧ I, задача трактов второй ПЧ - усилить принятый сигнал, что можно сделать с помощью обычных апериодических усилителей с соответствующей дополнительной фильтрацией.
При реализации этого варианта необходима высокие стабильность частот и спектральная чистота напряжений гетеродинов. Кроме того, для обеспечения приема различных видов сигналов необходимо иметь в тракте первой ПЧ либо фильтры с переменной полосой пропускания, соответствующим различным видам принимаемых сигналов. В ряде радиоприемников кварцевый фильтр в тракте первой ПЧ обеспечивает предварительную селекцию, его полоса пропускания выбирается по самому широкополосному принимаемому сигналу. Окончательная расфильтровка обеспечивается с помощью сменных фильтров в тракте второй ПЧ.
СИНТЕЗАТОР:
Одной из причин нестабильности частоты настройки в радиоприемниках является изменение во времени параметров электрических цепей вследствие изменения внешних условий, старения, механических сотрясений и вибрации. Однако этот фактор нестабильности в современных радиоприемниках достаточно легко устраним. Применение декадных синтезаторов позволяет получить долговременную относительную нестабильность 10
- 10
.
3 РАСЧЕТ СТРУКТУРНОЙ СХЕМЫ РАДИОПРИЕМНИКА
3.1. Разделение диапазона частот радиоприемника на поддиапазоны.
При проектировании радиоприемников могут быть использованы три способа разделения диапазона рабочих частот на поддиапазоны.
I). Способ одинаковых коэффициентов перекрытия для всех поддиапазонов.
Серьезный недостаток этого варианта заключается в различных частотных интервалах, приходящихся на каждый поддиапазон. Частотный интервал увеличивается в раз в каждом следующем поддиапазоне по сравнению с предьщущим. При шкалах одинаковой длины соответственно возрастает плотность шкалы от поддиапазона к поддиапазону, увеличивается погрешность отсчета частоты.
2). Способ одинаковых частотных интервалов для всех поддиапазонов.
Использование этого способа позволяет обеспечить высокую точность отсчета частоты по шкале, одинаковую на всех поддиапазонах. Но коэффициент перекрытия на каждом поддиапазоне оказывается различным - наибольший на первом и наименьший на последнем поддиапазоне.
3) Комбинированный способ.
Данный способ находит применение в радиоприемниках с большими коэффициентами перекрытия диапазона рабочих частот, когда при первом способе разделения получается значительные частотные интервалы на последних поддиапазонах и не обеспечивается требуемая плотность шкал,а при втором способе для первых поддиапазонов требуются коэффициент перекрытия, превышающие допустимые.
Третий способ разделения позволяет обеспечить при сравнительно небольшом числе поддиапазонов относительно высокую точность отсчета частоты по шкале при удовлетворительной равномерности частотных плотностей шкал на всех поддиапазонах.
ВЫВОД:
Будем применять комбинированный способ так как он позволяет решать недостатки первого и второго способа.
Проектируемый радиоприемник будет иметь 6 поддиапазонов, такие же как у приемника Р-155П
| I |
1.5 |
- 2,999 Мгц |
| ΙΙ |
3 |
- 4,999 Мгц |
| ΙΙΙ |
5 |
- 7,999 Мгц |
| I У |
8 |
- 12,999 Мгц |
| У |
13 |
- 19,999 Мгц |
| У I |
20 |
- 29,999 Мгц |
Определим коэффициент перекрытия для каждого поддиапазона:
3.2 Выбор количества преобразований и величин промежуточных частот.
Вопрос выбора количества преобразований и величин промежуточных частот решается исходя из удовлетворения следующих двух требований:
- ослабление помехи на зеркальной частоте в заданное число раз;
- обеспечения необходимой избирательности по соседнему каналу.
Обычно главными признаками классификации входного устройства является вид избирательной системы ( одноконтурное, двухконтурное, многоконтурное устройство ) и вид связи с антенной.
Выбор вида избирательной системы зависит от требований к избирательности и чувствительности приемника. С увеличением числа контуров во входном устройстве улучшается его избирательность и ухудшается чувствительность. Так как структура тракта будет выбрана с точки зрения чувствительности, то во входном устройстве используются одиночные контуры.
Для обеспечения первого требования необходимое значение промежуточной частоты ориентировочно можно определить из выражения:
,
где
f
-
максимальная частота настройки входного устройства;
Д
- требуемое ослабление помехи по зеркальному каналу;
Q
- результирующая добротность контуров усилителей высокой частоты;
n
- число контуров входного устройства а - параметр рассогласования входного контура с антенно-фидерной системой.
В соответствии с табл. 1 . 2 и 1 . 4 [1] выбираем;
q
;
q
=1,5
тогда
; Д
=60 дБ
→
Д
=1000 раз
Из условия обеспечения ослабления помехи по зеркальному каналу при одноконтурном входном устройстве и одном каскаде УРЧ с двухконтурной нагрузкой
ƒ
;
ƒ
Мгц
Для обеспечения требуемой избирательности по соседнему каналу промежуточная частота должна удовлетворять неравенству:
ƒ
Δ
F
·
Q
·
Ψ
,
Где
Δ
F
= (1,1÷1,2)
Δ
F
- полоса пропускания промежуточной частоты, для расчета выбираем
Δ
F
= 1,15
Δ
F
Q
- результирующая добротность контуров в тракте промежуточной частоты и определяется по формуле:
Q
=
Δ
F
Δ
F
по табл. 1
.
3
Q
=75; по табл. 1-4
q
=
1,5
тогда
Q
=
= 50
Δ
F
=3,4 – 0,3=3,1
кГц
При применении двух усилителей с двухконтурной нагрузкой по табл. 1
.
5 [1] определяем
Ψ
=
0,88
При этом
ƒ
1,15 3,1 50. 0,88= 156,86 кГц
Отсюда необходимость применять два преобразования частоты.
Выбираем
ƒ
=1,222 МГц ;
ƒ
=128 кГц
.
3.3 Определение подавления зеркальной помехи и помехи на промежуточной частоте
Ослабление помехи на зеркальной частоте зависит:
- от избирательности преселектора ;
- от величины промежуточной частоты;
-от настройки гетеродина.
Определяем ослабление помехи по зеркальному каналу первого преобразования:
Д
= Д
·
Д
> Д
Обобщенная относительная растройка при нижней настройки гетеродина:
τ
=
Q
,
где
f
- верхняя частота настройки контура;
Δƒ
-
абсолютная расстройка и следует полагать
Δƒ
=2
ƒ
Q = 80
Δƒ = 2 • 1,222 = 2,444 МГц ;
τ
=80
·
=13,6
так как по входном устройстве применены одиночные контуры, то для расчета ослабления на зеркальной частоте можно воспользоваться выражением для характеристики его избирательности
Д
=
Для двухконтурного УРЧ: Д
=
При критической связи η =1 тогда
Д
=
92,48; Д
= Д
·
Д
> Д
Д
=
13,6
·
92,48=1257,8>1000
Определяем ослабление помехи по промежуточной частоте:
Д
= Д
·
Д
> Д
Обобщенная расстройка:
![]()
=
Q
где
-нижняя настройка контура.
Для одноконтурного входного устройства:
Для двухконтурного УРЧ :
ВЫВОД:Требования к приемнику по избирательности выполняются при одноконтурном входном устройстве и одном каскаде УРЧ с двухконтурным фильтром в нагрузке.
3.4. Расчет чувствительности приемника.
Чувствительность приемника определяется по формуле:
,
При приеме ОМ сигналов
Коэффициент шума выбираем из табл. 1-6 , N = 40.
Для ОМ сигналов
Активное сопротивление антенны штырь ЧМ в диапазоне частот приемника примерно равно 20 Ом тогда:
ВЫВОД:
Приемник выполняет условие по обеспечению необходимой чувствительности.
3.5 Распределение усиления
Общий коэффициент усиления радиотракта приемника определяется по формуле:
Напряжение на входе детектора для кольцевых демодуляторов составляет:
При приеме ОМ сигналов коэффициент запаса
составляет 5-10 тогда:
Коэффициент усиления преселектора определяется по формуле:
Принимаем
U
= 200 мкВ.
Коэффициент
принят равным 4. Тогда коэффициент усиления УНВЧ будет равным:
ВЫВОД:
Для обеспечения такой величины К
достаточно наличия одного каскада УРЧ. Коэффициент усиления тракта промежуточной частоты будет равным:
3.6 Расчет тракта промежуточной частоты
В качестве нагрузки УНПЧ принят двухконтурный фильтр. В качестве активного элемента выберем маломощный транзистор типа ГТ-308В, характеризующийся следующими данными:

Для частоты
= 128 кГц ,
=800 пФ. Определяем общее число каскадов, исходя из необходимой величины коэффициента усиления тракта ПЧ. Результаты расчета сводим в таблицу.
| Параметры |
число каскадов |
| 1 |
2 |
|
|
0,88 |
|
|
3,2 |
|
|
2
,
45 IO |
|
|
9,765 IO3 |
|
|
0,38 |
|
|
0,13 |
|
|
8,22 |
|
|
0,35 |
|
|
0,22 |
|
|
78,166 |
|
|
950 |
ВЫВОД:
Из таблицы видно, что для обеспечения требуемого коэффициента усиления тракта промежуточной частоты
750 достаточно один каскад УНПЧ, обеспечивающий
950.
3.7. Расчет тракта низкой частоты
Мощность на выходе приемника определяется:
тогда
ВЫВОД:
Проектируемый радиоприемник состоит из следующих элементов:
- одноконтурного входного устройства;
- однокаскадного УРЧ с двухконтурным фильтром в нагрузке;
- тракта первой промежуточной частоты;
- тракта второй промежуточной частоты;
- частных трактов приема ОМ, АТ,ЧТ и 0ФТ сигналов.
4. РАСЧЕТ ПРИНЦИПИАЛЬНОЙ СХЕМЫ РАДИОПРИЕМНИКА
4.1. Расчет входного устройства
Вид входного устройства зависит от способа настройки приемника а также от вида связи.
Основными схемами входного устройства являются:
- входное устройство о емкостной связью;
- входное устройство с трансформаторной связью.
Схема с емкостной связью отличается простотой выполнения и возможностью регулировки коэффициента связи однако коэффициент передачи входного устройства в зависимости от частоты изменяется в больших пределах.
Схема с трансформаторной связью применяется в случаях, когда приемник работает с различными типами антенн, параметры которых изменяются в широких пределах. Она обладает возможностью работать со симметричными антеннами, что нельзя со схемой с емкостной связью. Схема обеспечивает более высокую равномерность коэффициента передачи по диапазону. Поэтому будем использовать входное устройство с трансформаторной связью.
Для оценки постоянства основных характеристик входного устройства расчет производится в трех точках поддиапазона. Расчет произведем для І V поддиапазона.
Исходные данные для расчета:
- фактические диапазоны частот 8 - 12,999 МГц,
- транзистор в УРЧ типа ГТ-308 В,
- антенна штырь 4М,

Рисунок 4.2 – характеристика входного устройства
Таблица 4.1 – результаты характеристик входного устройства
| F МГц |
8 |
10 |
13 |
|
|
10 |
15 |
20 |
|
|
-400 |
-200 |
-100 |
Определяем параметры контура.
Определим постоянную емкость контура :
где:
-
c
собственная емкость катушки индуктивности контура и составляет 1
30пФ для расчета
= 10 пФ.
См
- емкость монтажа. Для приемников
KB
диапазона См = 6
12 пФ , для расчета
См = 10 пФ.
C
-входная
емкость первого каскада.
Выбираем:
Тогда получаем
по табл ице 2 . 1
Определим результирующую индуктивность катушки контура.
Определяем индуктивность катушки связи
L
о
, исходя из условия обеспечения выбранного режима работы входного устройства, для этого нарисуем характеристику зависимости реактивного и активного сопротивлений от отношений

Рис унок 4.2 .1- зависемость активного и реактивного сопротивления от отношений h / y
-
емкостной режим , (режим удлинения).
-
индуктивный режим, (режим ускорения)
-
частота меняется от 1,5 до 30 МГц, а длина волны от 200 до 10 м.
ВЫВОД :
Из этих формул видно что антенна будет работать в режимах удлинения и укорочения.
Режим укорочения когда,
>
в 1,3÷3 раза. В этом режиме реализуется большой коэффициент передачи входного устройства по напряжению.
Для расчета выбираем:
=2
= 2
·
12,999 = 25,998 МГц.
;
мкг.
Коэффициент связи.
;
= 0,14
Режим удлинения когда резонансная частота антенной цепи
ниже минимальной частоты поддиапазона
.
Обычно
, для расчета
=4
В этом режиме обеспечивается высокая равномерность коэффициента передачи по напряжению в пределах поддиапазона.
мкг.
Коэффициент связи контура с антенной
;
=0,998
≈
1
K
=1 ( критическая связь )
Коэффициент взаимоиндукции:
= 0,16
Коэффициент передачи входной цепи по напряжению
Ослабление помехи по зеркальному каналу:
Д
=
τ
=
Q
При
ƒ
0
= 13 МГц,
=2
= 2
·
1222=2,444 МГц.
ƒ 0 - верхняя частота поддиапазона
τ
=80
;
τ
=80
ВЫВОД:
Таким образом требования ослабление помехи по зеркальному каналу выполняются.
Ослабление по промежуточной частоте
τ
=
Q
ƒ 0 - нижняя настройка поддиапазона. ƒ 0 =8 МГц.
τ
=50
=320; Д
=
= 320.
ВЫВОД:
Таким образом ослабления по промежуточной частоте выполняются
Полоса пропускания входного устройства: ,
Для
=8 МГц;
Δ
F
=
=
= 115 кГц
Для
= 10,5 МГц;
Δ
F
=
=
=150 кГц.
Для
=13 МГц;
Δ
F
=
=
=185 кГЦ.
Определим значения конденсаторов в магазине емкостей. Шаг перестройки входного устройства берем равным 100 кГц. Наименьшее значение полосы пропускания контура равно 115 КГц, т.е. теоретически достаточно перестраивать контур через 115 КГц, Но для увеличения равномерности избирательности контура по всей полосе частот выбираем шаг перестройки равным 100 КГц. Так как ширина нашего поддиапазона составляет 5 МГц, то в поддиапазоне входное устройство перестраивается в 50 раз, т.е. к контуру параллельно подключается при перестройке 50 разных значений емкостей из магазина конденсаторов.
а) Определим значения резонансных частот в заданном поддиапазоне, на которые перестраиваем входное устройство:
=
+
где
- минимальное значение частоты поддиапазона = 10 МГц
Δ f - шаг перестройки; Δƒ = 100 КГц
; а=1,2,…
n
; n=50.
б) Определим значения емкостей, при которых на этих частотах в контуре будет резонанс
С=
; С=С
+С
,
где С - постоянная емкость контура
С
- емкость, полученная при различных комбинациях емкостей магазина конденсаторов.
Произведем один расчет для примера:
=
+
=8,05 МГц
.
Определим постоянную величину 4
для дальнейшего расчета:
4
=4
·
·
3,78
·
10
=179 Гн
С = 103,5 пФ
103,5-(29,62) = 73,88 пФ.
Для получения необходимых значений используется магазин из 8-и конденсаторов, значения емкостей которых являются членами
геометрических рядов. Выбираем значения конденсаторов
С
= 0,5 пФ, С
= 1 пФ, С3
= 2 пФ, С
= 4 пФ, С
= 8 пФ, С
=16 пФ,
С
=32 пФ, С
=64 пФ
Результат расчета сводим в таблицу:
| Резонансные частоты |
С(пФ) |
С(пФ) |
Положение конденсаторов |
|||||||
| С |
С |
С3 |
С |
С |
С |
С |
|
|||
| I |
2 |
3 |
4 |
5 |
6 |
7 |
8 |
9 |
10 |
11 |
| 8,05 |
103,5 |
73,88 |
I |
I |
I |
I |
0 |
0 |
I |
I |
| 8,15 |
101,10 |
71,48 |
I |
I |
I |
I |
0 |
0 |
0 |
I |
| 8,25 |
98,60 |
68,98 |
0 |
I |
0 |
I |
0 |
0 |
0 |
I |
| 8,35 |
96,25 |
66,63 |
I |
0 |
1 |
0 |
0 |
0 |
0 |
I |
| 8,45 |
93,99 |
64,37 |
1 |
0 |
0 |
0 |
0 |
0 |
0 |
I |
||||
| 8,55 |
91,80 |
62,18 |
0 |
0 |
I |
2 |
1 |
1 |
I |
0 |
||||
| 8,65 |
89,69 |
60,07 |
0 |
0 |
0 |
I |
1 |
1 |
I |
0 |
||||
| 8,75 |
87,65 |
58,03 |
0 |
0 |
I |
0 |
1 |
1 |
1 |
0 |
||||
| 8,85 |
85,68 |
56,06 |
0 |
0 |
0 |
0 |
1 |
1 |
1 |
0 |
||||
| 8,95 |
83,78 |
54,16 |
0 |
0 |
I |
I |
0 |
1 |
I |
0 |
||||
| 9,05 |
81,94 |
52,32 |
I |
0 |
0 |
I |
0 |
1 |
1 |
0 |
||||
| 9,15 |
80, ЗБ |
50,54 |
1 |
0 |
I |
0 |
0 |
1 |
1 |
0 |
||||
| 9,25 |
78,43 |
48,81 |
I |
0 |
0 |
0 |
0 |
1 |
I |
0 |
||||
| 9,35 |
76,76 |
47,14 |
0 |
I |
1 |
I |
I |
0 |
I |
0 |
||||
| 9,45 |
75,15 |
45,53 |
1 |
1 |
0 |
1 |
1 |
0 |
1 |
0 |
||||
| 9,55 |
73,58 |
43,96 |
0 |
0 |
0 |
1 |
1 |
0 |
1 |
0 |
||||
| 9,65 |
72,20 |
42,58 |
1 |
0 |
1 |
0 |
I |
0 |
I |
0 |
||||
| 9,75 |
70,59 |
40,97 |
0 |
1 |
0 |
0 |
I |
0 |
I |
0 |
||||
| 9,85 |
69,17 |
39,55 |
1 |
1 |
1 |
1 |
0 |
0 |
1 |
0 |
||||
| 9,95 |
67,79 |
38,17 |
0 |
0 |
1 |
1 |
0 |
0 |
I |
0 |
||||
| 10,05 |
66,44 |
36,82 |
0 |
I |
0 |
1 |
0 |
0 |
I |
0 |
||||
| 10,15 |
65,14 |
35,52 |
1 |
I |
1 |
0 |
0 |
0 |
1 |
0 |
||||
| 10,25 |
63,88 |
34,26 |
1 |
0 |
2 |
0 |
0 |
0 |
1 |
0 |
||||
| 10,35 |
62,65 |
33,03 |
0 |
I |
0 |
0 |
0 |
0 |
I |
0 |
||||
| 10,45 |
61,45 |
31,83 |
0 |
0 |
0 |
0 |
0 |
0 |
1 |
0 |
||||
| 10,55 |
60,29 |
30,67 |
1 |
0 |
1 |
1 |
1 |
1 |
0 |
0 |
||||
| 10,65 |
59,17 |
29,55 |
1 |
1 |
0 |
1 |
1 |
1 |
0 |
0 |
||||
| 10,75 |
58,07 |
28,45 |
1 |
0 |
0 |
I |
I |
I |
0 |
0 |
||||
| 10,85 |
57,01 |
27,39 |
1 |
1 |
1 |
0 |
1 |
I |
0 |
0 |
||||
| 10,95 |
55,97 |
26,35 |
1 |
0 |
1 |
0 |
1 |
I |
0 |
0 |
||||
| 11,05 |
54,96 |
25,34 |
1 |
1 |
0 |
0 |
1 |
1 |
0 |
0 |
||||
| 11,15 |
53,98 |
24,36 |
1 |
0 |
0 |
0 |
I |
1 |
0 |
0 |
||||
| 11,25 |
53,02 |
23,40 |
1 |
I |
I |
1 |
0 |
1 |
0 |
0 |
||||
| 11,35 |
52,09 |
22,47 |
1 |
0 |
1 |
1 |
0 |
1 |
0 |
0 |
||||
| 11,45 |
51,19 |
21,57 |
I |
1 |
0 |
I |
0 |
I |
0 |
0 |
||||
| 11,55 |
50,30 |
20,41 |
I |
0 |
0 |
1 |
0 |
1 |
0 |
0 |
||||
| 11,65 |
49,44 |
19,82 |
0 |
0 |
0 |
I |
0 |
1 |
0 |
0 |
||||
| 11,75 |
48,61 |
18,99 |
0 |
1 |
1 |
0 |
0 |
1 |
0 |
0 |
||||
| 11,85 |
47,79 |
18,17 |
0 |
0 |
1 |
0 |
0 |
1 |
0 |
0 |
||||
| 11,95 |
46,99 |
17,37 |
1 |
1 |
0 |
0 |
0 |
1 |
0 |
0 |
||||
| 32,05 |
46,22 |
16,6 |
1 |
0 |
0 |
0 |
0 |
1 |
0 |
0 |
||||
| 12,15 |
45,46 |
15,84 |
0 |
0 |
0 |
0 |
0 |
1 |
0 |
0 |
||||
| 12,25 |
44,72 |
15,1 |
0 |
I |
1 |
1 |
I |
0 |
0 |
0 |
||||
| 12,35 |
44,00 |
14,38 |
1 |
0 |
1 |
I |
I |
0 |
0 |
0 |
||||
| 12,45 |
43,29 |
13,67 |
1 |
I |
0 |
1 |
I |
0 |
0 |
0 |
||||
| 32,55 |
42,61 |
12,99 |
0 |
0 |
I |
1 |
1 |
0 |
0 |
0 |
||||
| 12,65 |
41,94 |
12,32 |
1 |
0 |
0 |
1 |
1 |
0 |
0 |
0 |
||||
| 12,75 |
41,28 |
11,66 |
1 |
1 |
I |
0 |
I |
0 |
0 |
0 |
||||
| 12,85 |
40,64 |
11,02 |
0 |
I |
1 |
0 |
1 |
0 |
0 |
0 |
||||
| 12,95 |
40,01 |
10,39 |
1 |
0 |
1 |
0 |
1 |
0 |
0 |
0 |
||||
| 13,05 |
39,40 |
9,78 |
1 |
I |
0 |
0 |
1 |
0 |
0 |
0 |
||||
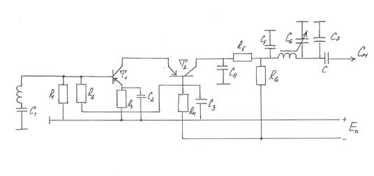
4.2. Расчет усилителя радиочастоты
В транзисторных приемниках в тракте принимаемо! частоты находят применение усилители радиосигналов по схеме с общим эммитером и общей базой.
Усилитель по схеме с ОЭ имеет меньшую входную проводимость ( по сравнению со схемой ОБ ) и обеспечивает больший коэффициент усиления по мощности. Однако схема с ОБ является более высокочастотной и позволяет обеспечить лучшую температурную стабилизацию рабочей точки. Наибольшее применение нашла каскадная схема которая позволяет получить большое входное сопротивление и большой коэффициент усиления.
Схема усилителя радиочастоты с каскадной схемой представлена на
рис ( 4 . 2 . 1 )
Рис унок (4 . 2 .1 ) - Усилитель радиочастоты с каскадной схемой.
Расчет произведен по методике указанной в
. Для однотранзисторных каскадов надо выбрать транзисторы
.
где:
- граничная частота крутизны характеристики в схеме с 0Э, при которой У
падает до 0,7 от своего низкочастотного значения.
f 0 max - максимальная частота принимаемых сигналов, в нашем случае
f 0 max = 30 МГц.
Для транзистора КГ 313 А:
Исходные данные:
диапазон рабочих температур - 40 ... + 85 ° С. Определяем изменение обратного тока коллектора по формуле:
Т0 = 293 К.
Находим тепловое смещение напряжения базы
,
где
,
Рассчитываем необходимую нестабильность коллекторного тока:
Вычисляем сопротивление резисторов:
Рассчитываем:
Вычисляем емкости конденсаторов:
[
Л-2
]
Определим коэффициент включения. Из условия устойчивой работы схемы
где
- параметр связи между контурами; С
- проходная емкость транзистора;
S
– крутизна,
- коэффициент включения входа рассчитываемого каскада.
.
Из условия обеспечения требуемого коэффициента усиления
Выбираем Р
= 0,47.
Найдем резонансный коэффициент усиления по напряжению в 3-х точках поддиапазона.
![]()
Определим ослабление зеркальной помехи в наихудшей точке
.
ВЫВОД:
Таким образом, требование по ослаблению по зеркальной помехи выполняется.
Определим ослабление помехи на промежуточной частоте в наихудшей точке (при нижней настройке гетеродина это
).
=6,2
13072
ВЫВОД:
Таким образом требование по ослаблению помехи на промежуточной частоте выполняется.
ГЛАВА V
РАСЧЕТ НАДЕЖНОСТИ ПРОЕКТИРУЕМОГО УЗЛА АППАРАТУРЫ И ЕЕ СРАВНИТЕЛЬНАЯ ОЦЕНКА
5.1. Расчет надежности тракта принимаемой частоты
К расчету надежности приходится прибегать при разработке тактико-технических требований на аппаратуру связи, в процессе проектирования новой аппаратуры при планировании систем связи. Расчет заключается в вычислении показателей надежности аппаратуры и систем связи по известным показателям надежности их элементов. Расчет надежности сводится к расчету показателей безотказности, так как имеющиеся данные по надежности элементов не позволяют получить другие показатели с удовлетворительной точностью. Очень важно при расчетах надежности правильно учесть влияние отказов элементов на работоспособность системы. Обычно схемы аппаратуры связи по своей структуре соответствуют последовательному соединению элементов, т.е. отказу всей аппаратуры.
Методика расчета указана в Л-3
Типы элементов, их число в каждой группе, значения интенсивностей отказов и среднего времени восстановления элементов приведены в табл. 5-1.
Значения интенсивностей отказов и среднего времени восстановления элементов взяты из таблицы 3-1 и 3-2 из Л-3
| № |
Наименование элементов группы |
Число элементов |
Интенсивность отказов |
Среднее время восстановления |
|||
| 1 |
транзисторы |
2 |
0,2
·
10 |
1.5 |
0,4 |
0,6 |
|
| 2 |
резисторы |
20 |
0,05
·
10 |
2,0 |
0,1 |
0,2 |
|
| 3 |
Конденсаторы |
70 |
0,03
·
15 |
2,2 |
0,066 |
0,14 |
|
| 4 |
Катушки индуктивности |
20 |
0,1
·
15 |
2,5 |
0,25 |
0,625 |
|
| 5 |
Реле |
50 |
0,07
·
10 |
0,4 |
1,4 |
0,56 |
|
|
|
2,2 |
||||||
|
|
2,125 |
||||||
Таблица 5 . 1
: параметр потока отказов аппаратуры.
Среднюю наработку до отказа можно определить по формуле:
часов
Среднее время восстановления можно определить следующим образом:
ř
=
=0,996 часов
Коэффициент готовности определяется по формуле:
5.2. Сравнительная оценка надежности проектируемого узла
Для оценки надежности проектируемого узла необходимо сравнить коэффициент готовности аналогичного узла Р-155П с коэффициентом готовности проектируемого узла.
Расчет надежности радиотракта P - I 55 П проведем аналогично расчету проектируемого узла. Типы элементов, их число в каждой группе, значения отказов и среднего времени восстановления элементов приведены в таблице 5 . 2.
ТАБЛИЦА 5 . 2
| Номер группы |
Наименование элементов группы |
Число элементов |
||||
| I |
Лампа |
2 |
4 |
8 |
6,4 |
0,8 |
| 2 |
Конденсатор |
108 |
0,04 |
4,32 |
9,5 |
2,2 |
| 3 |
Резистор |
10 |
0,012 |
1, 2 |
2,4 |
2 |
| 4 |
Индуктивность |
24 |
0,1 |
2,4 |
6 |
2,5 |
| 5 |
Реле |
20 |
0,7 |
14 |
5,6 |
0,4 |
4,96
·
10![]()
29,9
·
10
интенсивность отказов:
=
4,96
·
10![]()
Наработка на отказ:
2
·
104
час
Среднее время восстановления
6,03 часов
Коэффициент готовности:
ВЫВОД:
Из проведенного анализа видно, что все показатели надежности проектируемого узла лучше чем у подобного узла в существующей аппаратуре Р-155П. Такое повышение надежности объясняется использованием новой элементной базы, упрощением схемы и резким уменьшением количества элементов.
5.3. Военно-экономическое обоснование дипломного проекта.
Оценке экономической эффективности дипломного проекта
При оценке экономической эффективности широко используется метод так называемого квазиэталонного прибора.
Этот метод состоит в том, что в качестве базы для сравнения выбирается эталон, параметры которого составляются из наилучших показателей сравниваемых вариантов приборов ( в данном случае радиоприемника ).
Оценка экономической эффективности дипломного проекта.
В качестве критерия при этом способе можно принять коэффициент качества.
Коэффициент качества 1-ого варианта при сравнении вариантов по
n
параметрам определяется формулой:
где
γ
- весовой коэффициент параметра зависит от типа прибора и условия его применения и определяется статистически обычно
γ
= I.
К
-
коэффициент качества (
j
=1,2,…
m
) варианта прибора при сравнении
m
приборов по
n
(
i
=1,2,…
n
) вариантам.
К
-
частный коэффициент качества
j
варианта.
Е
- чувствительность приемника;
Δƒ - диапазон рабочих частот;
К - количество видов работы;
Δ F - шаг сетки;
Д
-
подавление по зеркальному каналу;
Д
- подавление по промежуточной частоте;
δ - нестабильность частоты приемника;
τ - время перестройки приемника.
ТАБЛИЦА 5 . 3
| Параметры |
P - I 55 П |
Проектируемый приемник |
| Е |
2 |
3 |
| Δƒ |
1,5-30 |
1,5-30 |
| К |
5 |
6 |
| Δ F |
100 |
100 |
| Д |
60 |
60 |
| Δ F |
80 |
80 |
| δ |
2
·
10 |
1
·
10 |
| τ |
14 |
1 |
Из этих параметров вычисляются частные коэффициенты качества , результаты которых приведены в табл. 5-4.
ТАБЛИЦА 5 . 4
| I |
I |
I |
| 2 |
I |
I |
| 3 |
0,83 |
I |
| 4 |
I |
I |
| 5 |
0,66 |
I |
| 6 |
0,88 |
I |
| 7 |
I |
I |
| 8 |
0,02 |
I |
Можно сравнить коэффициенты качества 2-х радиоприемников.
ВЫВОД:
Из полученных выше результатов видно, что по параметрам проектируемый радиоприемник дает большую экономическую эффективность, чем подведенный для сравнения приемник Р-155П.
;
.
Это обеспечивает удовлетворение требований по критерию стоимости, качества, т.е. сравнительно одинаковой стоимости проектируемый приемник позволяет получить лучшее качество.
ЗАКЛЮЧЕНИЕ
В настоящем дипломном проекте на основе произведенного оперативно-тактического обоснования:
- разработать тактико-технические требования к проектируемому радиоприемнику;
- произведен подробный электрический расчет тракта принимаемой частоты включая первого смесителя;
- произведен расчет надежности данного узла и дана сравнительная оценка надежности, результаты которого показывают, что проектируемый приемник удовлетворяет высоким требования по надежности и превышает надежность существующего радиоприемника;
- произведена сравнительная оценка по экономической эффективности проектируемого приемника с существующим аналогом и указаны преимущества разработанного радиоприемника;
Таким образом, проектируемый радиоприемник полностью удовлетворяет требованиям предъявляемым к средствам радиосвязи в оперативном- тактическом звене управления войсками.
СПЕЦИФИКАЦИЯ
К принципиальной схеме усилителя радиочастоты
| Позиция обозначения |
Наименование и тип |
Кол-во |
Примечание |
| 1 |
2 |
3 |
4 |
| резисторы |
|||
| R |
ОМЛТ 2 - I Ом ± 5 % |
1 |
|
| R |
ОМЛТ 2-47 кОм ± 5 % |
1 |
|
| R |
ОМЛТ 2-56 кОм ± 5 % |
1 |
|
| R |
ОМЛТ 2-120 Ом 5 % |
1 |
|
| R |
ОМЛТ 2- 130 Ом ± 5 % |
1 |
|
| R |
ОМЛТ 2- 91 кОм±5 % |
1 |
|
| кондесаторы |
|||
| С1 |
МБГО 160-0,25± 30 мкФ |
1 |
|
| C 2 |
КТ-2 400-22*2200 пФ |
1 |
|
| С3 |
1 |
||
| С4 |
1 |
||
| С5 |
1 |
||
| С6 |
1 |
||
| С7 |
1 |
||
| С8 |
1 |
||
| I
|
КТ 313 А |
1 |
|
| I
|
КТ 313 А |
1 |
|
Список использованной литературы
| № |
Фамилия автора |
Наименование |
Издательство |
|
| издатель |
год |
|||
| 1 |
Пособие по курсовому проектированию радио- приемников РВВКУС |
Рязань |
1975 |
|
| 2 |
О.В.Головин |
Профессиональные радиоприемные устройства декаметрового диапазона 0. |
Москва «Радио и связь.» |
1985 |
| 3 |
А. Я. Гречкосий. В.Ф.Климович, Б.К.Смирнов |
Техническая эксплуатация и надежность средств связи. |
Ленинград |
1970 |
| 4 |
Радиоприемные устройства. |
|||
| 5 |
В.В.Каменев, Б.А.Виноградов, Н.Ф. Левчук. |
Антенны и распространение радиоволн. |
НВВКУС имени В.Д Соколовского |
1977 |
| 6 |
Основы техники радиоволн. |
Министерство Обороны СССР |
||
| 7 |
Н.И. Чистков, В.М. Сидоров |
Радиоприемные устройства. |
1974 |
|
| 8 |
Транзисторы для аппаратуры широкого применения. |
Москва |
1981. |
|
| 9 |
Ю.К.МУРАВЬЕВ |
Антенные устройства для радиосвязи. |
Ленинград Военная ордена Ленина Краснознаменная академия связи. |
1973 |