| Скачать .docx |
Реферат: Электроснабжение посёлка
Содержание
В.2. Характеристика объекта и исходной информации . 3
1. Проект системы электроснабжения 10 кВ. 4
1.2 Расчет электрических нагрузок. 5
1.3 Расчет электрической сети . 6
1.3.1 Выбор мощности трансформатора . 6
1.3.3 Выбор электрических аппаратов . 7
1.4 Проверка электрооборудования на действие токов КЗ. 8
1.5 Конструктивное исполнение . 10
2. Проект системы электроснабжения 0,4 кВ .. 10
2.2 Расчет электрических нагрузок. 11
2.3 Расчет электрической сети . 13
2.3.1. Расчёт сечения ЛЭП .. 13
2.3. Выбор электрических аппаратов . 14
2.4 Проверка оборудования на действие токов короткого замыкания . 15
2.5 Проверка условия срабатывания защиты от однофазных токов короткого замыкания 15
2.6 Конструктивное исполнение . 17
В.1. Постановка задач
Сельское хозяйство получает электроэнергию в основном от энергетических систем. Воздушными линиями охвачены почти все населенные пункты.
Электрические нагрузки в сельском хозяйстве постоянно меняющаяся величина: подключаются новые потребители. Постепенно растет нагрузка на вводе в дома, т.к. увеличивается насыщенное бытовыми приборами, в тоже время прекращают свое существование крупные животноводческие комплексы, уступая место мелким фермам, и т.д. если электрические нагрузки увеличиваются, то пропускная способность электрических сетей становится недостаточной и появляется необходимость в их реконструкции. При этом часть воздушных линий заменяют подземными кабелями или воздушными линиями с изолированными самонесущими проводами. Основное преимущество таких сетей высокая надежность и большой срок службы. Проводятся работы по реконструкции электрических сетей с применением самонесущих проводов и кабелей.
При реконструкции широко внедряются мероприятия по повышению надежности электроснабжения сельских потребителей, которая еще далеко недостаточна. Обеспечение требуемой надежности, качества и экономичности основные задачи сельского электроснабжения.
В.2. Характеристика объекта и исходной информации
Объектами элек троснабжения является посёлок на 40 двухквартирных домов. На территории поселка кроме жилых домов так же имеются: дом культуры, магазин, администрация, больница и детские ясли, котельная. План поселка и система электроснабжения совмещены на плане – схеме графического материала.
Источником питания является ВЛЭП-10 кВ. Категория по надежности электроснабжения поселка третья. Расчетные нагрузки по социально-бытовым и культурным учреждениям приведены в табл. В.2.
Таблица В.2. Расчётные нагрузки по социально-бытовым учреждениям
| № п/п |
Наименование потребителя |
||
| Р, кВт |
Q , кВАр |
||
| 1 |
Администрация |
3 |
1,4 |
| 2 |
Котельная |
15 |
11,3 |
| 3 |
Больница и детские ясли |
8 |
6 |
| 4 |
Магазин |
4 |
2,3 |
| 5 |
Дом культуры |
10 |
6,2 |
1. Проект системы электроснабжения 10 кВ.
1.1. Обоснование схемы.
Потребитель электроэнергии поселок, который является потребителем III категории по надежности электроснабжения. Поэтому в соответствии с правилами устройства электроустановок (ПУЭ) для электроснабжения этого потребителя может быть, использована однотрансформаторная подстанция.
Наилучшим местом установки трансформаторной подстанции является центр электрических нагрузок. Анализируя план - схему поселка, принимая во внимание, что воздушная линия электропередач 10 кВ проходит с северной стороны, длина отпайки от проходящей ВЛЭП составляет 0,5 км. Для того чтобы имелась возможность снимать напряжение с отпайки в случае ремонтных работ или обслуживание ее на первой опоре отпайки необходимо установить разъединитель. Подстанция принимается комплектная, где со стороны 10 кВ установлены: разъединитель как коммутационный аппарат, предохранитель как защитный аппарат. Схема электроснабжения приведена на рис. 1.1.
|

|
|||||||
|
|||||||
|
|||||||
|
|||||||
|
|||||||
|
|||||||
|
|||||||
Рис. 1.1 Схема электроснабжения поселка
Для реализации подстанции будет применена комплексная трансформаторная подстанция наружной установки (КТПН).
1.2 Расчет электрических нагрузок.
Для того чтобы рассчитать электрическую сеть, т.е. выбрать мощность трансформатора, сечение ЛЭП, электрические аппараты, необходимо рассчитать для них расчетные нагрузки. Расчетная нагрузка это такая постоянная во времени величина, которая приводит к нагреву (установившемуся), как и max нагрев при реальной передаче энергии потребителю в то время, когда объект будет функционировать.
В качестве исходной информации при оценке расчетной нагрузки по подстанциям является расчетные нагрузки на вводах в квартиру и расчетные нагрузки общественных учреждений и коммунальных потребителей, указанных в табл. В.2. В соответствии со СНиП расчетная нагрузка на вводе в квартиру в данном населенном пункте принимается 2,2 кВт (в случае пищеприготовление на электроплитах). Для потребителей жилищно-коммунального характера в качестве метода оценки расчетных нагрузок применяется: для жилищных потребителей метод коэффициента одновременности, как однородных потребителей; для учета в расчетной нагрузке общественных и коммунальных потребителей используется метод попарного суммирования. Согласно методу коэффициента одновременности расчетная нагрузка жилищных потребителей определяется по выражению:
,
где Pi – расчетная нагрузка на вводе в квартиру
n – число квартир в поселке
k0 – коэффициент одновременности
Pi =2,2 кВт
k0 =0,25
n=80
Pрж = кВт.
Для оценки реактивной мощности для жилищных потребителей примем cosφ = 0.95. Тогда полная мощность определяется по выражению:
![]()
Тогда Qрж = кВАр
![]()
К вышеприведенной расчетной нагрузке, которая состоит из расчетных нагрузок жилых домов, социально-культурных учреждений, необходимо добавить нагрузку уличного освещения. При ширине проезжей части 9-12 м для поселковых улиц с покрытиями простейшего типа, норма освещенности составляет 4 лк, которая достигается при удельной мощности осветительных установок Руд = 6-13 Вт/м. В качестве источника света в настоящее время целесообразно использовать ДРЛ. Единичную мощность 1 лампы примем Рл = 0.25 кВт, соsφ = 0.85 , тогда
![]()
Где Кс – коэфициэнт спроса равный 0,9
L – общая длинна улиц равная 1,6 км
Тогда суммарная реактивная мощность осветительной установки составит:
Qосв = Росв ∙tgj
Qосв = 5,4 кВАр
Тогда число светильников будет равно:

nс = 36
Итого расчетная нагрузка по подстанции составит:
![]()
![]()
![]()
![]()
![]()
![]()
1.3 Расчет электрической сети
1.3.1 Выбор мощности трансформатора
Условием выбора мощности трансформатора однотрансформаторных подстанций является их перегрузочная способность
![]()
Исходя из того, что расчетная нагрузка
, то
принимаем ближайшей большей мощности трансформатор по шкале номинальных мощностей
.Принимаем трансформатор ТМ-100.
Паспортные характеристики трансформатора:
Sнт = 100 кВА
![]()
![]()
Uк =4,5%(потеря напряжения на полном сопротивлении z трансформатора)
Iхх = 2,2%
1.3.2 Расчет сечения ЛЭП
Сечение ЛЭП выше 1 кВ рассчитываются по следующим критериям:
1) по допустимому току;
2) по экономической плотности тока.
3) по механической прочности
4) по условию короны
5) по допустимым потерям напряжения
Расчет сечения по допустимому току
UН
=10Кв

![]()
По условию механической прочности для ВЛЭП 10 кВ для западной сибири необходимо использовать провод АС – 25 (не менее 25 мм2 ), для которого допускаемая токовая нагрузка Iдоп = 142 А.
Iдоп >Iр
Следовательно принимаем провод АС - 25
1.3.3 Выбор электрических аппаратов
Электрические аппараты по функциональному назначению были определены на стадии обоснования схемы электроснабжения:
QS1 разъединитель - необходим для снятия напряжения с отпайки при ремонтных и профилактических работах.
QS2 разъединитель - необходим для снятия напряжения с подстанции.
FU- предохранитель - необходим для реализации защиты, трансформатора от ненормальных режимов работы.
Для защиты трансформатора от грозовых перенапряжений, на подстанции устанавливаются разрядники.
Теперь произведем выбор указанных электрических аппаратов по номинальному току:
а) выбор разъединителей.
Условием выбора является Iн >Iр, где Iн – номинальный ток разъединителя, а Iр – расчетный ток.
Выбираем разъединитель для наружной установки типа РЛНД 1 – 10 с номинальным током Iн=400А.
б) выбор предохранителя.
Предохранитель выбирается по номинальному току патрона и номинальному току плавкой вставки, которая устанавливается в нем в нем. Номинальный ток патрона выбирается по условию Iн >Iр, принимаем предохранитель марки ПКТ с номинальным напряжением 10 кВ. Плавкая вставка должна быть выбрана из условия
![]()
IНПЛ >1,3×3,7=4,81 А
Принимаем IНПЛ = 8 А
1.4 Проверка электрооборудования на действие токов КЗ.
В соответствии с ПУЭ проверки на действие IКЗ , в рассматриваемой электрической сети, подлежат только электрические аппараты (на термическое и динамическое воздействие). Для проверки разъединителя QS1 расчетной точкой КЗ является точка К1 (место присоединения отпайки к магистральной ЛЭП). Этот ток является исходной информацией IK 1 =3кА, поэтом току проверим разъединитель QS1 на термическую и динамическую стойкость:
а) проверка на термическую устойчивость.
Условием проверки является:
, (*)
где
- ток термической стойкости;
- время его действия;
- ток КЗ в точке К1;
- время отключения тока КЗ.
=10кА,
=4 с.
Тогда условный импульс тепла, который может выдержать разъединитель
![]()
- оно определяется временем срабатывания защиты и отключения коммутационного аппарата:
![]()
tсз = срабатывание защиты, tоткл = собственное время срабатывания защитного аппарата
Для разьединителя QS1 расчётная точка КЗ К1 , а для QS2 точка К2
Рассчитаем ток КЗ для точки К1 , К2 и для этого составим схему замещения.
![]()
![]()
![]()
![]()
![]()

Полное сопротивление до К1 равно
![]()
Полное сопротивление до К2 равно
![]()
Рассчитаем токи в точках К1 и К2
Тогда фактический импульс тепла для разъединителя QS1 равен
![]()
![]()
где tп = tоткл =0,5 с.
Т.к. при К.З. в указанной точке на ГПП будет срабатывать токовая отсечка без выдержки времени и ток К.З. будет отключаться масляным выключателем с собственным tоткл = 0,5 с.
Условие (*) выполняется следовательно разъединитель обладает термостойкостью.
QS2 находящийся в более удаленной точке и выбранный таким же как QS1 так же обладает термостойкостью.
б) проверка разъединителя на динамическую устойчивость.
Условием проверки является:
, (**)
где
- ток динамической стойкости;
- ударный ток КЗ.
Для разъединителей, как справочная информация, ток динамической стойкости задан предельным сквозным током, равным 25 кА
![]()
Условие (**) выполняется, ток ударный на много меньше тока динамической стойкости, поэтому разъединитель обладает динамической устойчивостью.
в) Проверка предохранителя на действие тока К.З.
выполняется по условию IНскв > IКЗ(К2) (***)
где IНскв =12,5 кА
12,5 кА > 0.9 кА
условие (***) выполняется, поэтому предохранитель способен отключить ток К.З. неповреждаясь.
1.5 Конструктивное исполнение
Воздушная линия 10 кВ: опоры железобетонные,
расстояние между опорами – 100 м; изоляторы штыревые. Подстанция 10/0,4 типа КТПН установлена на бетонном фундаменте.
2. Проект системы электроснабжения 0,4 кВ
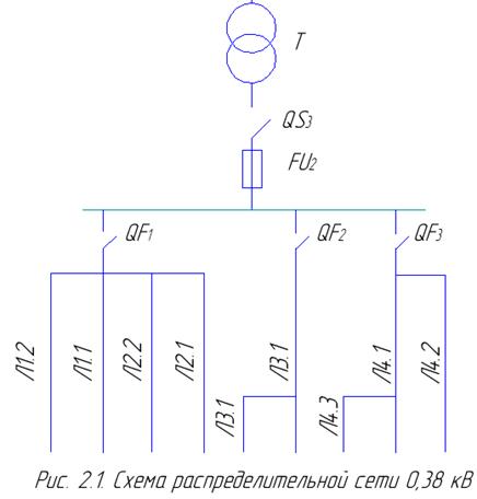
2.1. Обоснование схемы.
Распределительная сеть до 1 кВ в жилищном посёлке выполняется ВЛЭП которые играют роль передачи электроэнергии и её распределение среди потребителей (жилых домов и др. потребителей). Местоположение подстанции, выбранное в разделе 1, указано на плане – схеме графического материала.
В качестве ТП принята комплектная ТП мощностью 100 кВА (ТМН-100), имеющая 3 фидера 0,4 кВ, следовательно, распределительную сеть формировать в виде четырёх магистралей. Анализируя расположение объекта, сформируем схему распределительной сети 0,38 кВ, которая указана на рисунке 2.1, и на плане - схеме графического материала.

2.2 Расчет электрических нагрузок.
Задачей расчета электрических нагрузок в распределительной сети 0,38 кВ является оценка расчетных нагрузок по каждой ЛЭП и фидеру. В качестве методики оценки расчетных нагрузок используется метод коэффициента одновременности для однородных потребителей и метод по парного суммирования для разнородных потребителей которые описаны в пункте 1.2. Распределения потребителей по ЛЭП представлено в таблице 2.1.
Таблица 2.1. Распределение потребителей по ЛЭП
| Линия |
Потребители |
| Л1.1 |
9 квартир |
| Л1.2 |
8 квартир |
| Л2.1 |
14 квартир |
| Л2.2 |
Администрация, 18 квартир |
| ЛЗ.1 |
Котельная, больница и детские ясли, магазин, 6 квартир |
| Л3.2 |
3 квартиры |
| Л4.1 |
ДК |
| Л4.2 |
16 квартир |
| Л4.3 |
6 квартир |
Проведём расчёт электрической нагрузки для линии Л1-2.
Расчётная нагрузка составит:
![]()
![]()
![]()
![]()
![]()
![]()
,
![]()
Для оценки реактивной мощности примем cosφ =0.95. Тогда реактивная нагрузка:
![]()
![]()
![]()
![]()
![]()
![]()
Произведём расчёт полной мощности по формуле
![]()
![]()
Проведём расчёт электрической нагрузки для линии Л3.
Расчётная нагрузка составит:
![]()
![]()
![]()
,
![]()
Для оценки реактивной мощности квартиры примем cosφ = 0.95. Тогда реактивная нагрузка:
![]()
![]()
![]()
![]()
Произведём расчёт полной мощности по формуле
![]()
![]()
Расчет нагрузок по остальным линиям аналогичен и сведен в таблице 2.2
Таблица 2.2 Электрические нагрузки по линиям
| Линия |
Р, кВт |
Q, кВАр |
S, кВА |
| Л1-2 |
45,2 |
15 |
47,6 |
| Л1.1 |
8,5 |
2,8 |
8,9 |
| Л1.2 |
8,1 |
2,7 |
8,5 |
| Л2.1 |
11,7 |
3,9 |
12,4 |
| Л2.2 |
16,9 |
5,6 |
17,8 |
| Л3 |
37,8 |
32,1 |
49,6 |
| Л3.1 |
33,6 |
30,7 |
45,5 |
| Л3.2 |
4,2 |
1,4 |
4,4 |
| Л4 |
29,6 |
12,7 |
32,2 |
| Л4.1 |
10 |
6,2 |
11,8 |
| Л4.2 |
13 |
4,3 |
13,7 |
| Л4.3 |
6,6 |
2,2 |
7 |
Оценку расчётной нагрузки по фидерам произведём с помощью метода коэффициента одновременности при суммировании электрических нагрузок отдельных линий, приходящихся на конкретный фидер, где коэффициент одновременности равен 0,9. Так, например, для фидера 1, в котором участвуют Л1.1 и Л1.2, расчётная нагрузка:
![]()
![]()
![]()
![]()
![]()
![]()
Расчёт электрических нагрузок по остальным фидерам аналогичен и результаты сведены в табл. 2.3.
Таблица 2.3 Электрические нагрузки по фидерам
| Фидер |
Р, кВт |
Q,кВАр |
S,кВА |
| Ф1 |
37,5 |
12,45 |
39,51 |
| Ф2 |
35,91 |
30,5 |
47,12 |
| Ф3 |
26,64 |
11,43 |
28,98 |
2.3 Расчет электрической сети
2.3.1. Расчёт сечения ЛЭП
Критериями выбора сечения ВЛЭП напряжением до 1000 В являются:
1) Длительно допустимая токовая нагрузка
2) Допустимая потеря напряжения DU,%
3) Механическая прочность
Приведём пример расчёта линии Л1.1
Длина линии l1 = 0,41 км. (из параграфа 2.2)
Расчётный ток линии рассчитывается по формуле ![]()
I1 = 13,5 А
По условию механической прочности для региона западной Сибири необходимо использовать сечение не менее 25 мм2 . Поэтому принимаем исходя из указанных двух критериев провод АС – 25, для которого Iдоп = 142 А.
Проверим данное сечение по допустимой потере напряжения DU,%

где P1 , Q1 – активная и реактивная мощности (кВт, квар)
R1 , x1 - активное и реактивное сопротивление линии, (Ом)
U1 – среднее напряжение сети, (кВ)
Рассчитаем сопротивления линии по формулам
![]()
![]()
где r0 , х0 – удельные сопротивления линии, (Ом/км)
l1 – длина линии, (км)
Тогда потеря напряжения равна

Потеря напряжения должна удовлетворять условие DV1.1 <DVдоп , где DVдоп = 4-6%. Условие удовлетворяется. Следовательно для Л1.1 и Л1.2 принимаем провод АС-25.
![]()
![]()

Потеря напряжения должна удовлетворять условие DV2.2 <DVдоп , где DVдоп = 4-6%. Условие не удовлетворяется. Но сети до 1 кВ ВЛЭП можно считать, что они загружены нагрузкой равномерно распределённой по всей длине. Тогда потерю напряжения можно считать для эквивалентной линии длиной l2.2 /2 с сосредоточенной нагрузкой в конце P2.2 , Q2.2 .
Тогда ![]()
![]()
![]()

следовательно для Л2.2 принимаем провод АС-25.
Для всех остальных линий расчет аналогичен и сведён в таблицу 2.4
Таблица 2 .4. Расчёт сечения ЛЭП
| Номер линии |
IР ,А |
S, мм2 |
IДОП А. |
ΔV, % |
S, мм2 |
ΔVкор, % |
| Л1.1 |
13,5 |
25 |
142 |
3,29 |
- |
- |
| Л1.2 |
12,9 |
25 |
142 |
3,14 |
- |
- |
| Л2.1 |
18,8 |
25 |
142 |
4,07 |
- |
- |
| Л2.2 |
27,1 |
25 |
142 |
8,62 |
- |
3,14 |
| Л3.1 |
69,2 |
25 |
142 |
11,33 |
- |
5,66 |
| Л3.2 |
6,7 |
25 |
142 |
1,39 |
- |
- |
| Л4.1 |
17,9 |
25 |
142 |
0,8 |
- |
- |
| Л4.2 |
20,8 |
25 |
142 |
3,62 |
- |
- |
| Л4.3 |
10,6 |
25 |
142 |
1,93 |
- |
- |
2.3. Выбор электрических аппаратов
Произведем выбор автоматов по Iн
U=0,4 кВ
QF1

![]()
Принимаем автомат серии ВА-88-32 с номинальным током главных контактов 125А, поэтому выбираем автомат с номинальным током теплового раcцепителя 80 А.
QF
2

![]()
выбираем автомат с номинальным током теплового расцепителя 80 А.
QF3

![]()
выбираем автомат с номинальным током теплового расцепителя 50 А.
2.4 Проверка оборудования на действие токов короткого замыкания
В СЭС с/х назначения удалённых от источников энергии на большие расстояния. Следовательно в этих сетях токи К.З. малы, что подтверждено в первом разделе. Исходя из этого можно сделать вывод, что электрические аппараты в РУ – 0,4 кВ обладают термической и динамической стойкостью (Iоткл = 0,1с)
2.5 Проверка условия срабатывания защиты от однофазных токов короткого замыкания
Проверим возможность отключения токов КЗ в наиболее удаленных точках электрической сети. Для проверки этого условия необходимо рассчитать ток однофазного К.З. наиболее удалённой точки ВЛЭП

Рассчитаем Iкз для точки К1
Расчёт произведём по формуле
,
где UФ – фазное напряжение вторичной обмотки трансформатора
ZТ /3 – сопротивление трансформатора току однофазного К.З. (току нулевой последовательности)
ZП – сопротивление петли фаза ноль ВЛ до места К.З.
Сопротивление трансформатора при схеме соединения ∆/Y0 мощностью 100 кВА ZТ /3 = 0,047 (Ом)
Фазный провод выбран АС – 25, провод нулевой АС – 25, расчёт до места К.З.
ZП0 = 3,18 (Ом/км)
ZП = ZП0 ∙lК (Ом)
![]()
![]()
![]()
Т.к. значения токов КЗ больше номинального значения тока, то при однофазном КЗ будет обеспечено надёжное отключение КЗ защитным аппаратом (автоматом). Время срабатывания автомата не превышает 5 с., т.е. соответствует требованиям ПУЭ.
Рассчитаем кратность тока однофазного КЗ к номинальному току теплового расцепителя:
![]()
1. ![]()
![]()
Условие ПУЭ не выполняется поэтому необходимо увеличить сечение линии или применить секционирование линий.
2.![]()
![]()
Условие ПУЭ не выполняется поэтому необходимо увеличить сечение линии или применить секционирование линий.
3.![]()
![]()
Время срабатывания автомата не превышает 5 с., т.е. соответствует требованиям ПУЭ.
2.6 Конструктивное исполнение
Воздушная линия 0,4 кВ: опоры деревянные с приставками,
расстояние между опорами – 40 м; изоляторы штыревые. Подстанция 10/0,4 типа КТПН установлена на бетонном фундаменте. Схема
приведена на листе 1 графической информации.
В ходе работы были выполнены расчеты электрических нагрузок в сети 10 и 0.4 кВ и по их значениям выбраны соответствующие аппараты, сечения ЛЭП, трансформатор и т. д. Приведенные вычисления показывают, что электрооборудование должно обеспечивать надежное электроснабжение поселка.