| Скачать .docx |
Курсовая работа: Розробка конструкції та технічне обрунтування темброблоку
Міністерство освіти і науки України
Харківський радіотехнічний технікум
Циклова комісія „Радіотехнічних наук”
ПОЯСНЮВАЛЬНА ЗАПИСКА
До курсового проекту
КП 5.xxxx 414 012 ПЗ
Виконав:
Керівник:
Студент групи XXXX
Xxxx К.П
Xxxx В.Г.
ХАРКІВ 2007. р.
ЗАЛІКОВИЙ ЛИСТ
ХАРКІВСЬКИЙ РАДІОТЕХНІЧНИЙ ТЕХНІКУМ
Циклова комісія „РАДІОТЕХНІЧНИХ ДИСЦИПЛІН”
Спеціальність 5.xxxx „Конструювання, виробництво і технічне обслуговування радіотехнічних пристроїв”
Курс – 4 Група – XXXX Семестр – 7
Курсовий проект
Студента
на тему: Розробка конструкції та технічне обґрунтування темброблоку
ДОПУЩЕНИЙ ДО ЗАХИСТУ
Керівник проекту
ОЦІНКА_ ________________
Голова циклової комісії
Члени комісії
Протокол № від „__”_____________2007 року
МІНІСТЕРСТВО ОСВІТИ І НАУКИ УКРАЇНИ
ХАРКІВСЬКИЙ РАДІОТЕХНІЧНИЙ ТЕХНІКУМ
Циклова комісія РАДІОТЕХНІЧНИХ ДИСЦИПЛІН „ЗАТВЕРДЖУЮ”
Спеціальність 5.xxxx Конструювання,
Зав. Відділення
виробництво і технічне обслуговування
Стрюк К. М.
Радіотехнічних пристроїв.
«___»__________2007р.
ЗАВДАННЯ
На курсовий проект
Курс – IV
Группа – XXXX
Семестр 7
Тема проекту: Розробка конструкції та технічне обґрунтування темброблоку
1. До складу пояснювальної записки повинні входити:
1 Вибір та обґрунтування пристрою
2 розрахункова частина
3 Конструкторсько-технологічна частина
2. Графічна частина повинна включати:
1 Схему електричну принципову
2 Креслення друкованої плати
Дата видачі завдання : „___” ____________2007. р.
Дата здачі виконаної роботи: „___” ____________2007. р.
Керівник курсового проекту xxxxxx.
Протокол № від „__”_____________2007 року
ЗМІСТ
Вступ
1 Вибір та обґрунтування пристрою
2 розрахункова частина
3 Конструкторсько-технологічна частина
Перелік посилань
Вибір та обґрунтування проектованого пристрою
Згідно ТУ на основі огляду аналогічних пристроїв таких як частотні фільтри з нефіксованими налаштунками або фільтрами виготовлених на основі транзисторів, ємності та індуктивності я обрав темброблок з фіксованими налаштунками на основі інтегральних мікросхем тому що на відміну від інших темброблоків данний є найбільш зручним у використанні при компактних розмірах та невеликій і відносно простій схемі що дозволяє легко монтувати чи демонтувати елементи а також легко знаходити несправності.
Основу темброблоку складає мікросхема типу К176ХА48. Як і лампові фільтри вона забезпечує низький рівень шумів а також високий рівень якості звучання. Мікросхема виконує роль електронного регулятору гучності і тембрів. Включення її типове. Перемінним резистором R-10 регулюють гучність на 8 і 10 виходах, а резистором R-9 баланс між стереоканалами. Перемінні резистори для регулювання НЧ і ВЧ відсутні. Замість них увімкнено прилад управління тембрами на мікросхемах DD1-DD3. Прилад працює наступним чином.
При першому увімкненні лічильник DD1 встановлюється в нулеве положення імпульсом напруги створеної R3 i C1. На виводі 3 лічильника буде рівень логічної 1, а на інших рівень логічного 0. Інвертор DD2.3 перейде у стан логічного 0 на 6 виводі. Вмикається світлодіод HL1 який сигналізує про увімкнення режиму 1. На виводах 10 і 9 мультиплексору DD3 будуть рівні логічного 0. Тому входи х (вив.13) і Y (вив.3) будуть з’єднані з входами Х0(вив.12) і Y(вив.1)відповідно.
На вивід 9 мікросхеми DA1 поступить напруга налаштунку тембру НЧ зі змінного резистору R11, а на вивід 10 – з резистору R15 напруга налаштунку тембру ВЧ. Змінюючи положення цих резисторів , можна підібрати потрібну АЧХ в цьому режимі роботи темброблоку. Умовно цей режим позначимо як «FLATT».
При натисканні кнопки SB1 високий рівень напруги через подавлювач брязкоту контактів на інверторах DD2.1 i DD2.2, який являє собою повторювач з ємнісним зворотнім зв’язком через конденсатор С2, потрапить на лічильний вихід лічильника DD1 (вив.14). Лічильник перейде у стан лог.1 на вив.2. Зпрацює світодіод HL2 (режим 2). На діодах VD2-VD5 і резисторах R7 i R8 зібрано перетворювач сигналів з виходів лічильника DD1 в двоїчний код для керування мультиплексором DD3. Тому мультиплексор перейде в наступний стан і увімкне до мікросхеми DA1 підстроїчні резистори R12 i R16 які необхідно налаштувати на отримання потрібної АЧХ сигналу на виході.
Умовно цей режим вказано як «Rock», тобто підйом НЧ та ВЧ складових.
При наступних натисканнях кнопки SB будуть послідовно увімкнені пари резисторів R13, R17 та R14, R18, якими в свою чергу, налаштовують інші форми АЧХ. Умовно – це режими «POP» i «JAZZ», про це сигналізують світодіоди HL3 та HL4 відповідно.
При наступному натисканні кнопки, високий рівень напруги з виводу 10 мікросхеми DD1 поступить через діод VD1 на вивід 15 і поверне лічильник і весь пристрій в стартове положення, в режим „FLATT”. Таким чином чотири режими перемикаються по черзі однією кнопкою, що дозволяє оперативно обрати потрібне темброве забарвлення. Підстроїчними резисторами R11-R14(НЧ) та R15-R18(ВЧ) темброблок можна налаштувати на потрібну форму АЧХ в кожному режимі. Крім того ці налаштунки протягом деякого часу легко замінити. Цей темброблок займає середнє положення між темброблоками з плавними змінами налаштунків і з фіксованими, саме тому цей пристрій є універсальним і може бути використаний як з фіксованими так і з плавно регулюючими налаштунками. Крім того, він дозволяє керувати гучністю і стереобалансом між каналами. Всі вхідні і вихідні характеристики цього приладу відповідають характеристикам мікросхеми DA1.
Налагодження темброблоку відбувається згідно з максимальним рівнем сигналу з виходів мікросхеми DA1 з входом подальшого УМЗЧ з допомогою підстроєчних резисторів R19 і R20. Підстроєчними резисторами R11-R14 і R15-R18 налаштовують, як згадувалося раніше, потрібну форму АЧХ в кожному режимі сигналів НЧ і ВЧ відповідно.
Розглянувши параметри данного пристрою можна прийти до висновку що його вихідні параметри порівняно з іншими аналогічними пристроями є цілком прийнятними. Пристрій доволі добре виділяє високі середні і низькі частоти, не знижуючи якості звуку.

2.РОЗРАХУНКОВА ЧАСТИНА
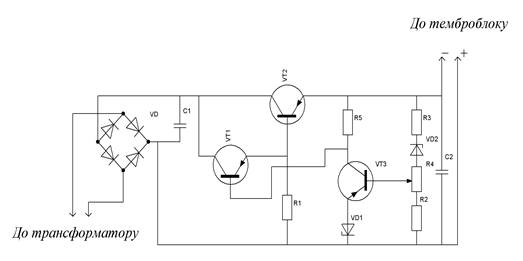
Схема блоку живлення темброблоку

1. ДАНІ ДЛЯ РОЗРАХУНКУ:
1.1 Напруга на виході стабілізатора
U вих. = 12.5 В
U вих. max = 13 В
U вих. min = 12 В
Р ст. вих. = 0,0005
1.2 Напруга на вході стабілізатора
U вх. = 220 В
U вх. max = 242 В
U вх. min = 198 В
Р ст. вх = 0,1
1.3 Коефіцієнт стабілізації
К ст = Р ст. вх. / Р ст. вих. = 0.1/0.0005 = 200
1.4 Пульсації на виході
U ~m вих. = 0,006 В
К п вих. = (U ~m вих. / U вих. )* 100% = (0.006/12.5)* 100% = 0.048 %
1.5 Робоча температура
Т max = 35ºC
T min = 15ºC
∆T = 20ºC
2. РОЗРАХУНОК РЕГУЛЮЮЧОГО ТРАНЗИСТОРА
2.1 Максимальний струм регулюючого транзистора
І к max = І н max = 1А
Беремо транзистор КТ814В з параметрами:
U ке = 65 В
U ке min = 3 В
І н max = 12А
І к обр. = 0.015 А
Р к доп. = 1.5 Вт
h 21е min = 40 при І к = 1А
R tк = 1ºС / Вт
Т к max = 80ºC
2.2 Амплітуда на вході стабілізатора
U ~m вх. = (0.05÷0.1)*( U вих. max + U кэ min ) = 0.07*(13 + 3) = 1.12 В
2.3 Мінімальна напруга на вході стабілітрона
U o min = U вих. max + U кэ min + U ~m вх. = 13 + 3 + 1.12 = 17.2 В
2.4 Номінальна напруга на вході стабілізатора
U он = U o min / (1 - Р ст. вх ) = 17.2 / (1 - 0.1) = 19 В
2.5 Коефіцієнт згладжування
q = К п вх. / К п вих. = 5.9 / 0.048 = 123 < К ст = 200,
де К п вх. = (U ~m вх. / U он )*100%= (1.12 / 19) * 100% = 5.9%
2.6 Максимальна напруга на вході стабілізатора
U о max = U он * (1 + Р ст. вх ) = 19 * (1 + 0.1) = 20.9 В
2.7 Величина внутрішнього динамічного опору випрямляча
R iв = (0.05÷0.15)* U он / І к max = 0.1 * 19 / 1 = 1.9 Ом
2.8 Максимальна напруга на вході стабілізатора (при мінімальному струмі навантаження)
U о max max = U о max + R iв *( І н max – I н min ) = 20.9 + 1.9 *(1 – 0.5) = 21.85 В
2.9 Максимальна напруга між колектором та емітером
U ке max = U о max max - U вих. min = 21.85 – 12 = 9.85 В
2.10 Максимальна потужність розсіювання на транзисторі
Р к max = U ке max * І к max = 9.85 * 1 = 9.85 Вт < Р к доп. = 1.5 Вт
2.11 Площа тепловідводу транзистора
S т = Р к max / K т *( Т к max - Т max - Р к max * R tк ) = 9.85 / 0.0016*(80 - 35 - 9.85*1) = 9.85 / 0.0016*35.15 = 9.85 / 0.05624 = 175 мм² = 1.75 см²
2.12 Максимальний струм емітера регулюючого транзистора
І е max = І к max + І к max / h 21е min = 1 + 1 / 40 = 1.025 А
2.13 Максимальний струм бази регулюючого транзистора
І б max = І е max / h 21е min = 1.025 / 40 = 0.0256 А
2.14 Шукаємо транзистор по величині струму
І к2 = 1.1* І б max = 1.1 * 0.0256 = 0.2816 А
По струму І к2 беремо транзистор П601БИ з параметрами
U ке max = 30 В
І к max = 0.5 А
Р к доп. = 0.5 Вт
h 21е min” = 80 при І к = 0.5А
І б2 = І е max / h 21е min * h 21е min” = 1.025 / 40 * 80 = 0.00032 А < 0.0005 А
2.15 Величина опору автозміщення R б транзистора П601БИ
І Rб = (1 ÷ 1.5)* І к обр. = 1.2 * 0.015 = 0.018 А
R б = U вих. min / І Rб = 12 / 0.018 = 670 Ом
Потужність на опорі
Р Rб = (І Rб )² * R б = (0.018)² * 670 = 0,254 Вт
Беремо опір типу С2-23- 0.5 – 670 Ом
2.16 Потужність на транзисторі П601БИ
Р к2 = Р к max * І к2 = 9.85 * 0.028 = 0.278 Вт < Р к доп. = 0.5 Вт
3. РОЗРАХУНОК ПРИСТРОЮ ПОРІВНЯННЯ ТА ППС
3.1 Величина постійної напруги
U оп. < U вих. min – (2 ÷ 3)В = 12 – 2 = 10 В
І оп. cт. min > 5 * І бн = 5 * 0,0004 = 0,002 А
Беремо стабілітрон типу Д810 з параметрами
U ст н = 10 В
U ст min = 9 В
U ст max = 10.5 В
І ст min = 0.002 А
І ст max = 0.026 А
α ст 0.058 при Т = -20 ÷ +20ºС
R дин = 12 Ом при І ст = 0,005 А
3.2 Величина струму та напруги колектора транзистора
І ку ≥ 8 * І бн = 8 * 0.0004 = 0.0032 A
U к = U вих. max - U ст min = 13 – 9 = 4 В
Беремо транзистор МП20А з параметрами:
U ке дод. = 20 В
І к max = 0.02 A
P к дод. = 0.15 Вт
h 21е min = 50
3.3 Струм бази транзистора ППС
І б ппс = І ку / h 21е min = 0,0032 / 50 = 0,000064 А
3.4 Вхідний опір транзистора ППС
R вх. ппс = 1 / (25÷35) * І ку = 1 / 25 * 0,0032 = 12,5 Ом
3.5 Величина опору R г2
R г2 = U вих. min - U ст max / І ст min + І ку = 12 – 10.5 / 0.002 + 0.0032 = 290 Ом
Потужність розсіювання на ньому
Р г2 = (І ст min + І ку )² * R г2 = 0.00002704 * 290 = 0.00784 Вт
Беремо резистор С2-23-0.125-320
3.6 Максимальний струм скрізь стабілітрон
І ст max = ((U вих. max - U ст min ) / R г2 ) + І ку = ((13 -9) / 320) + 0.0032 =
= 0.0157А = 15.7 мА < І ст max = 26 мА
3.7 Величина струму у опірному дільнику
І діл >> І б ппс = 30 * 0.000064 = 0.002А
3.8 Опір резистивного дільника
R діл = U вих. min / І діл = 12 / 0.002 = 6.25 кОм
3.9 Коефіцієнт зворотного зв’язку дільника
К з.в. min = U ст min / U вих. max = 9 / 13 = 0.69
К з.в. = U ст н / U вих. = 10 / 12.5 = 0.8
К з.в. max = U ст max / U вих. min = 10.5 / 12 = 0.875
3.10 Величина опорів R1 та R3 дільника
R1 ≤ (1 - К з.в. max ) * R діл = 0.125 * 6000 = 750 Ом
Р R1 = (І діл )² * R1 = 0.000004 * 750 = 0.003 Вт
Беремо резистор С2-23-0.125-750
R3 ≤ К з.в. min * R діл = 0.69 * 6000 = 4100
Р R3 = (І діл )² * R3 = 0.000004 * 4000 = 0.016 Вт
Беремо резистор С2-23-0.125-4к
3.11 Опір змінного резистора R2
R2 ≥ R діл - R1 - R3 = 6000 – 750 – 4000 = 1250 Ом
Беремо резистор СП2-2а-1.3к
3.12 Максимальний КПД
ή = U вих. max * І н max / U о max * І к max = 13 * 1 / 20.9 * 1 = 0.622
3.3 Охорона праці і техніка безпеки
Для забезпечення нормальної роботи пристрою, уникнення зайвих матеріальних витрат під час його ремонту та експлуатації, а також заради особистої безпеки користувача або ремонтника, необхідно дотримуватися правил техніки безпеки, обов'язково дотримуватися протипожежних вимог, а також основних положень по охороні праці, встановлених законодавством і ДСТ України. Загальні вимоги до техніки безпеки стосовно виробничого устаткування вказані у ДСТ 12.2.003-91 та ДСТ 12.0.049-80
3.3.1 Вимоги техніки безпеки до радіоелектронного обладнання
Безпека робіт з радіоелектронним обладнанням та підтримка його у належному стані регламентуються Правилами техніки безпеки та промислової санітарії в електронній промисловості (ПТБ та ПСЕБ), ПТЕ та ПТБ при експлуатації електропристроїв споживачем.
При монтажі радіоелектронного обладнання треба притримуватися вимог електробезпеки та працювати тільки робочім електропристроєм (електродриль, електропаяльник).
При монтажі радіосхем забороняється: перевіряти руками наявність струму та нагрів струмоведучих частин схеми; використовувати для з'єднання блоків та приборів проводу з ушкодженою ізоляцією; виконувати пайку та встановлення деталей у обладнання , котре знаходиться під струмом; Вимірювати напругу та струм переносними приладами, з неізольованими дротами та щупами; підключати блоки до обладнання ,котре знаходиться під напругою ; працювати на високовольтних установках без захисних засобів; змінювати запобіжники при ввімкненому обладнані.
3.3.2 Вимоги безпеки при роботі ручними інструментами при збірних та монтажних роботах
Основну небезпеку при експлуатації ручного механізованого інструменту, представляють його робочі органи, гострі кромки та грані обробляємих виробів, а також шкідливі фактори:
- надвисокий рівень шуму, вібрації (у пневматичних машин);
- надвисока наруга електричного струму (електроінструмент);
- запиленість повітря при операціях свердлення.
Необхідно використовувати індивідуальні засоби захисту:
- при роботі з ручним інструментом ударної дії (клепальні молотки, зубила та ін.): захисні окуляри з безосколковим склом, також рукавиці;
Забороняється експлуатація ручних електричних машин при виникненні поломок.
При виготовленні багатошарових друкованих плат виконується механічна обробка слоїстих пластиків (різка, пробивка отворів). Робочі на обробці слоїстих пластиків повинні виконувати ПТБ при холодній обробці матеріалів. Важливим фактором, погіршуючим умови праці у відділах, є шум.
Промивка плат виконується у ізопропиловому сприті та ацетоні, тому необхідно ураховувати, що ці речовини є пожежонебезпечними та шкідливими для здоров'я. Хімічна очистка плат виконується розчинами фосфатів, натрієвої соди тощо. При постійній роботі з розчинниками нерідко бувають різні хронічні ураження шкіри. Також небезпечно потрапляння навіть самих малих часток NaOH у очі.
У процесі хімічного міднення використовуються шкідливі речовини: сірчана, соляна, азотна кислоти, хлорна мідь та інші речовини, але для травлення міді з пробільних ділянок плат використовується ряд травників: хлорне залізо, персульфат амонію, хромовий ангідрид із сірчаною кислотою та ряд інших токсичних речовин.
У випадку потрапляння травників на шкіру або слизову оболонку очей необхідно невідкладно промити їх проточною водою або 0,5-1% - ним розчином квасців та замазати вазеліном або оливковою олією, а потім звернутися до медпункту. Роботу з травниками необхідно поводити у спецодягу та захисних окулярах. Робочі місця повинні бути обладнані ефективною витяжною вентиляцією.
3.3.3 Охорона праці
Загальні вимоги до гігієни праці та виробничої санітарії у системі законодавства відносно гігієни праці головне місце займає закон: „Про забезпечення санітарного та епідемічного благополуччя населення”.
Значного впливу на організм людини, його працездатність, завдає мікроклімат (метеорологічні умови) у промислових приміщеннях. Параметри мікроклімату також завдають значного впливу на виробництво та на травматизм. Наприклад, для легкої роботи, яка проводиться в приміщеннях з незначними викидами явного тепла: оптимальні параметри у холодний та теплий час року: температура повітря , 21-23ºС, відносна вологість, 40-60%, швидкість перенесення повітря, м/с, не більше 0,1-0,2.
Шум та вібрація негативно впливають на людину, викликаючи різні зміни в організмі. Шум та вібрацію на виробництві створюють різні механізми та машини (електродвигуни, вентилятори, насоси, компресори). Рівень звукового тиску у приміщеннях на робочих місцях не повинен перевищувати 95 дБ при частоті 63 Гц і 69 дБ при частоті 800 Гц.
Серед факторов зовнішньої середи, котрі впливають на організм людини у процесі праці, світло займає одне з перших місць.
Залежно від джерела світла, воно може бути натуральним та штучним. Натуральне світло визначається за коефіцієнтом натуральної освітленості(КНО). Найменша освітленість робочих поверхонь у промислових приміщеннях регламентується БН і ПІІ-4-79 та визначається, майже, характеристикою зорової роботи. Наприклад для зорової роботи середньої точності (0,5-1мм) при штучному освітленні Е=300-150 лк, КНО=1,5% (при боковому освітленні).
Інфразвук (f<16Гц) справляє руйнівні дії на організм людини. Згідно діючим нормативним документам, рівні звукового тиску у відставних голосах з середньо геометричними частотами 2, 4, 8, 16 Гц повинно бути не більше 105 дБ, а для смуги з частотою 32 Гц – не більше 102 дБ.
3.3.4 Охорона навколишнього середовища
Охорона навколишнього середовища представляє систему державних і суспільних заходів, що забезпечують збереження природного середовища, придатного до життєдіяльності нинішніх і майбутніх поколінь. Охорона природи в цій системі займає номер 17, регулюється ДСТ 17.0.005-93. Для очищення стічних вод, що поступають у відкриті водоймища, будуються очисні споруди, а для очищення повітря, що викидається в атмосферу,- газопилоутримуючі установки.
Для локального очищення стічних промислових вод застосовуються різні установки. Установка очищення промстоків ОПС-У застосовується для очищення стічних вод від хрому і іонів важких металів.
Установка УР-1 призначена для регенерації розчину, використованого при труїнні міді.
З метою огорожі навколишнього природного середовища від шкідливих хімічних дій в ДСТ 12.1.005-88 (“Повітря робочої зони. Загальні санітарно – гігієнічні вимоги”) вказано, що необхідно поєднувати методи уловлювання газів, що відходять, від технологічних процесів з одночасною їх утилізацією.
Для очищення повітря від органічних розчинників широко застосовуються адсорбери типу А-1 і А-6, в яких сорбентом є поліакрилонітрильне полотно, модифіковане активованим вугіллям АГ-3
Для очищення повітря від пари кислот застосовується фільтри типу УИФ-2, де фільтруючим матеріалом служить іонообмінний волокнистий матеріал типу вион, копан. Очищення від пилу повітря, що викидається в атмосферу, і в рециркуляційних системах проводяться різними пиловіддільниками і фільтрами.
3.3.5 Пожежна безпека на радіомонтажних ділянках
Радіомонтажні ділянки пожежонебезпеці. Технологічні операції, такі, як наприклад, паяння, лудіння гарячим припоєм, обпалення кінців монтажного дроту, проводяться з використанням ЛВР (етилового спирту, ацетону, скипидару) і при підвищеній температурі.
Щоб уникнути пожежі електропаяльники і електрообжигалки повинні забезпечуватися спеціальними термостійкими діелектричними підставками. Кінці монтажних дротів слід обпалювати в термостійких шафах, що не згорають.
ЛВР потрібно зберігати в герметично закритому посуді і відкривати її потрібно тільки при користуванні ЛВР.
При ремонті і експлуатації радіоапаратури великої потужності потрібно врахувати, що тепло, що виділяється, цією апаратурою може стати причиною пожежі. Щоб уникнути пожежі, потрібно могутню апаратуру розмісити в будівлі не нижче 3 ступеня вогнестійкості. Могутні генератори, лампи радіоапаратури повинні бути забезпечені повітряним або водяним охолоджуванням.
3.3.6 Пожежна безпека
Правила пожежної безпеки докладно викладені у „Правилах пожежної безпеки в Україні ”, а також ДНАОП 0.00.-1.31-99. Основні їх засади буде приведено нижче. Споруди і ті їх частини, в яких розташовуються РЕА, повинні бути не нижче другого ступеню вогненебезпечності. Над і під приміщенням, де розташовуються РЕА, так само в суміжних з ним приміщеннях забороняється розташування приміщень категорії А і Б за вибухонебезпечністю. Приміщення категорії В слід відокремлювати від приміщень з РЕА протипожежними стінами. Для промивання деталей необхідно застосовувати негорючі миючи засоби. Промивання горючими рідинами дозволяється тільки в спеціальних приміщеннях, обладнаних припливно-витяжною вентиляцією. Засоби для забезпечення безпеки людей визначаються в залежності від пожежонебезпечних властивостей та кількості речовин та матеріалів згідно з ДСТ 12.1.004-91 та ДСТ 12.1.044-89
Приміщення, в яких розташовуються персональні ПК і машинні зали повинні бути оснащені системою автоматичної пожежної сигналізації з димовим пожежним сповіщенням переносними вуглицевокислотними вогнегасниками з розрахунку 2 штуки на кожні 20 квадратних метрів площі приміщення. Евакуаційних виходів з приміщень кожного поверху повинно бути не менше двох.
Первинні засоби пожежегасіння застосовуються для боротьби з початковим вогнем . До них належать вогнегасники, пожежні крани, ручні насоси, резервуари з водою, ящики з піском і ін. Для гасіння вогню застосовують вогнегасники хімічно-пінні (ОХП-10), вуглицевокислотні (ОУ-2, ОУ-5, ОУ-8) і порошкові (ОП-1, ОП-10). Пінний вогнегасник (ОХП-10) не можна застосовувати для гасіння електроустановок під напругою до 100В. По ефективності пожежегасіння, економічності і іншим показникам перспективними є порошкові вогнегасники.
3.3.7 Електробезпека в приміщеннях
Вимоги електробезпеки в приміщеннях, де встановлені електронно-обчислювальні машини, і персональні комп'ютери відображений ДНАОП 0.00-.131.99, а також необхідно дотримуватись Правил пристрою електроустановки (ППЕ), ССБТ(ДСТ-12.1.006-84, ДСТ 12.1.019-79, ДСТ 12.0.030-81, ДСТ 12.1.045-84), ПТЕ, ПБЕ, ВСН 59-88, “Електроустаткування житлових і громадських будівель. Норми проектування”, СН357-77 „Інструкція по проектуванню силового освітлювального устаткування підприємства”.
Лінія електромережі для живлення РЕА, периферійних пристроїв РЕА і для обслуговування, ремонту і наладки РЕА виконується як окрема групова трипрохідна мережа, шляхом прокладки фазового, нульового робочого та нульового захисного провідників. Нульовий захисний провідник використовується для заземлення (занулення) електроприймачів і прокладається від стійки групового розподільного пункту до розеток живлення.
Загальні вимоги до виробничих процесів вказані в ДСТ 12.3.002-75. Основними його положеннями:
Монтаж, обслуговування, ремонт і налагодження СВМ або її пристроїв, блоків при не відключеному живленні, повинно виконуватися при наступних вимогах:
- пристрої, додаткова апаратура повинні бути заземлені;
- роботи виконуються не менш ніж двома способами;
- робітники повинні виконувати роботу інструментом з ізоляційними ручками, стоячи на діелектричному килимку або бути в діелектричних калошах;
- електроінструмент повинен бути на напругу не більше 36В;
- ремонт телевізійних приймачів а також всі види робіт з відкритим кінескопом повинні виконуватися в захисних окулярах або масці;
- до робіт з обслуговування, наладці і ремонту РЕА допускаються особи, які мають кваліфікаційну групу по електробезпеці не менше третьої.
- У випадку роботи з інструментом щ робочою напругою 220В на ньому повинен бути штамп про перевірку, дія якого ще не спливла.
ВИСНОВКИ
Під час роботи над курсовим проектом, були засвоєні основні методи та стандарти складання розділів, та креслення курсового проекту.
Розроблена мною друкована плата виготовлена комбінованим позитивним методом.
Для набирання тексту був засвоєний важливий пакет програм для роботи з текстом „Microsoft Office”, до якого входять програми для складання креслень та графіків (Microsoft Exel та Visio). В особливому порядку було досліджено професійні програми S.Plan 6.0, P-CAD2002 та Sprint loyout 4.0, завдяки яким розробили друковану плату.
Були отримані практичні навички по складанню технічної документації і проведений розрахунок стабілізатора напруги.
Був засвоєний ряд ГОСТів що безпосередньо торкаються спеціальності.
ПЕРЕЛІК ПОСИЛАНЬ
1. Покропивный С.Ф. Экономика предприятий. Учебник – Киев 2003
2. Артамонов Б.И., Бокуняев А.А. Источники электропитания радиоустройств: Учебник для техникумов. – М.: Энергоиздат, 1982.
– Бойчик Г.М. Економіка підприємства. Навчальний посібник Київ „Атіка” 2002
5. Посібник з дипломного проектування, ХРТТ 2006р.
6. Сизых Г.Н. Электропитание устройств связи: Учебник для техникумов. – М.: Радио и связь, 1982.
7. Тарасюк П.М., Шваб А.І. Планування діяльності підприємства – К: „Каравела”, 2003
8. Швиданенко Г.А. Економіка підприємства – Київ 2001
9. Шегди А.В. Економіка підприємств Навчальний посібник Київ Знання 2005