| Скачать .docx |
Реферат: Исследование работы реверсивных счетчиков
ЛАБОРАТОРНАЯ РАБОТА №З
ИССЛЕДОВАНИЕ РЕВЕРСИВНОГО СЧЕТЧИКА
ОГЛАВЛЕНИЕ
| 1. Цель работы |
| 2. Основные теоретические положения |
| 3. Описание обьекта и средств исследования |
| 4. Методические рекомендации к выполнению работы |
| 5. Содержание отчета |
| 6. Контрольные вопросы |
| 7. Список использованной литературы |
1. ЦЕЛЬ РАБОТЫ
Целью работы является:
- теоретическое изучение принципа работы счетчиков и регистров;
- экспериментальное исследование счетчика-регистра на интегральных микросхемах.
2. ОСНОВНЫЕ ТЕОРЕТИЧЕСКИЕ ПОЛОЖЕНИЯ
Регистры и счетчики относятся к разряду цифровых устройств и являются одним из наиболее распространенных элементов вычислительной техники. Они широко используются для построения устройств ввода, вывода и хранения информации, а также для выполнения некоторых арифметических и логических операций.
Для построения счетчиков и регистров используются синхронные триггеры, переключение которых происходит только при наличии синхронизирующего сигнала ( синхроимпульса ) на входе С. Наиболее часто для построения регистров и счетчиков используется универсальный Д - триггер, имеющий специальный информационный вход Д, и динамический вход С ( рис.1 ).

2.1. Устройство, называемое регистром, служит в основном для хранения чисел в двоичном коде при выполнении над ними различных арифметических и логических операций. С помощью регистров выполняютоя такие действия над числами, как передача их из одного устройства в другое, арифметический и логический сдвиг в сторону младших или старших разрядов, преобразование кода из последовательного в параллельный и наоборот и т.д. Функциональная схема и условно - графическое обозначение регистра параллельного типа, собранного на универсальных Д-триггерах, приведена на рис.2 .

По сигналу на входе С информация, поступившая на входы DО ¸ DЗ, записывается в регистр и хранится в нем до тех пор, пока не произойдет запись другой информации, либо не поступит сигнал на вход R, обнуляющий регистр.
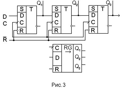
Функциональная схема и условно-графическое обозначение регистра сдвига представлены на рис.З.

Последовательный информационный код поступит на вход D регистра. Импульс команды сдвига С подается одновременно на синхронизирующие входы всех триггеров регистра и переводит каждый триггер в состояние, в котором находился триггер предыдущего разряда. Таким образом, каждый импульс команды сдвига "продвигает" записываемое число на один разряд вправо.
2.2. Устройство, называемое счетчиком, предназначено для подсчета числа поступающих на вход сигналов ( импульсов ) в произвольной системе счисления. Двоичные счетчики строятся на основе триггеров, работающих в счетном режиме ( Т - триггер или счетный триггер).
Счетный триггер может быть получен из универсального D - триггера путем соединения его инверсного выхода 0 со входом D.
Счетный триггер и эпюры сигналов, поясняющие его работу, представлены на рис.4.

У счетного триггера состояние выхода изменяется на противоположное при поступлении на вход С каждого очередного счетного импульса.
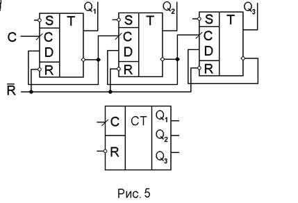
Функциональная схема и условнографическое обозначение двоичного счетчика с коэффициентом пересчета 2 3 представлена на рис.5.

Каждый поступающий на вход счетчика импульс перебрасывает первый триггер в противоположное состояние (рис.6). Сигнал с инверсного выхода предыдущего триггера является входным сигналом для последующего и, таким образом, комбинация сигналов на выходах Q 1 , Q 2 , Q 3 будет соответствовать числу поступивших на вход счетчика импульсов, представленному в двоичном коде. Счетчик данного типа называется асинхронным счетчиком.

Если на счетный вход каждого последующего триггера счетчика подавать сигнал с прямого выхода предыдущего триггера, то счетчик будет производить операцию вычитания. Счетчики, способные выполнять функции сложения и вычитания, называются реверсивными.
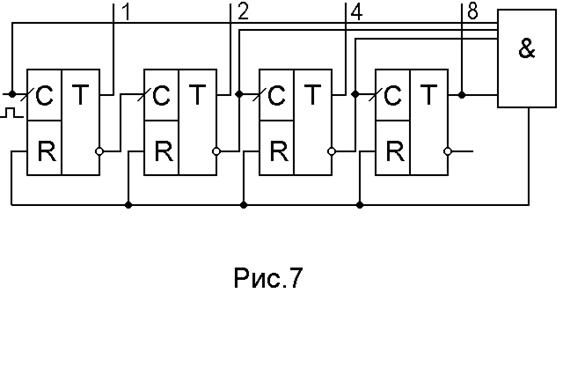
Для построения счетчика с требуемым коэффициентом пересчета М, отличным от величины 2 N (N - число двоичных разрядов счетчика), используется принудительный сброс счетчика в исходное состояние при достижении счетчиком числа М. Пример такого счетчика с М=9 (М=1001 2 ) представлен на рис.7.

3. ОПИСАНИЕ ОБЪЕКТА И СРЕДСТВ ИССЛЕДОВАНИЯ
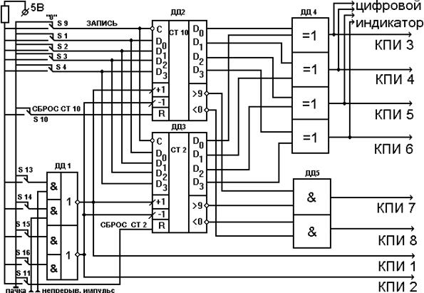
3.1. Функциональная схема исследуемого устройства представлена на рис.8 . Устройство включает двоично - десятичный счетчик ДД2, двоичный счетчик ДДЗ, коммутатор входных сигналов ДД1 и логические элементы ДД4 и ДД5, выполняющие функции элементов объединения.
Для подачи информационных и управляющих сигналов используется специальное устройство, управляемое наборными кнопками с фиксацией SА1 ¸ SА16. Нажатому состоянию соответствует сигнал логической "1", отжатому состоянию - сигнал логического "0". Кнопки SА1 ¸ SА16 расположены в левой части лабораторного стенда под надписью "Программатор кодов".
3.2. Функцию двоичного счетчика выполняет микросхема К155ИЕ7. Данная микросхема представляет собой реверсивный четырехразрядный счетчик - регистр, в котором кроме двух счетных входов ( суммирующего "+1" и вычитающего "-1" ) и входа сброса Р имеется четыре информационных входа DО ¸ DЗ и вход С , разрешающий запись информации в счетчик. Кроме того, для наращивания разрядности счета в микросхеме предусмотрены выходы " ³ 15" и " < 0", на которых при достижении счетчиком указанных чисел появляются сигналы логического "0". Выход " ³ 15" в этом случае следует соединять с входом "+1", выход "< 0" - с входом "-1" аналогичной микросхемы.
3.3. Функцию двоично-десятичного счетчика ДД2 выполняет микросхема К155ИЕ6. У заданной микросхемы коэффициент пересчета М=10 и сигнал переноса в старшие разряды на выходе “ ³ 9” вырабатывается при превышении счетчиком числа 9.
Рис.8
3.4. При исследовании одного из счетчиков, другой должен находиться в исходном состоянии, что достигается подачей на вход R данного счетчика уровня логической "1" с помощью кнопок SА10 или SA11.
3.5. Запись информации в счетчики производится в параллельном коде путем подачи на входы ДО ¸ ДЗ логических сигналов "0" и "1" с помощь кнопок SА1 ¸ SА4 и подачи сигнала логического "0" на вход С с помощью кнопки SА9 (для этого кнопку SА9 надо отжать и снова нажать ).
З.6. Счетные импульсы должны поступать на исследуемую схему с клеммы "непр.имп," ( " ~|_|~|_|~ “ ) в виде непрерывной импульсной последовательности и с клеммы "пачка имп." ( "_|~|_|~|_" ) в виде пачки импульсов с числом импульсов в пачке от 1 до 15. Управление режимом работы входов "+1" и "-1" счетчиков производится о помощью кнопок SA13 ¸ SА16, которые обеспечивают выполнение следующих функций:
SА13 ("непр,+") - разрешение прохождения непрерывной импульсной последовательности на входы "+1" счетчиков;
SА14 ("пачка +") - разрешение прохождения пачки импульсов на входы "+1" счетчиков;
SА15 (“непр.-") - разрешение прохождения непрерывной последовательности импульсов на входы "-1" счетчиков;
SА16 ("пачка -") - разрешение прохождения пачки импульсов на входы
"- 1" счетчиков,
Примечание. Не допускается одновременное нажатие двух и более кнопок SА13 ¸ S А16.
3.7. Для задания числа импульсов в пачке и посылки необходимой пачки в исследуемый узел используются четыре кнопки с фиксацией "2 0 " ¸ "2 3 " и две кнопки без фиксации "Пуск" и “Устан.О", расположенные на панели лабораторного стенда под надписью "Программатор СИ".
При этом должна соблюдаться следующая последовательность операций:
3.7.1. Набрать заданное число импульсов в пачке в двоичном коде с помощью кнопок “2 0” ¸ "2 3 ". Нажатой кнопке соответствует логическая "1" (при этом загорается соответствующий индикатор).
3.7.2. Нажать кнопку "устан.О".
3.1.3. В режиме наблюдения одновременно двух сигналов на экране мультиметра величина и взаимное расположение этих сигналов регулируется ручками "~ " и “ ¯ “ соответственно в поле надписи "Коммутатор" отдельно для каждого канала ( "Вх1" для КПИ 10 и "Вх2" для КПИ 9 ).
3.2. Исследование элемента ДД3 в статическом и динамическом режиме.
3.2.1. Логические сигналы "0" и "1" на входе триггеров задаются с помощью кнопок с фиксацией SА1 ¸ SА6, расположенных на передней панели блока К32 под надписью "Программатор кодов". Отжатое состояние кнопки соответствует заданию логического "0", а нажатое - заданию логической "1". Нажатое состояние кнопки сопровождается загоранием соответствующего светодиода зеленого цвета, расположенного вблизи данной кнопки "Программатора кодов".
3.2.2. Для подачи положительного импульса ( "_|~|_" ) на вход С триггера необходимо кратковременно перевести соответствующую кнопку из отжатого состояния в нажатое и обратно.
3.2.3. Для индикации логических сигналов на выходе триггера, работающего в статическом режиме ( верхняя часть элемента ДДЗ ), служит левое цифровое табло блока К32. При этом кнопка " IO |_2 ", расположенная непосредственно под табло, должна находиться в нажатом состоянии.
3.2.4 . Нижняя часть элемента ДДЗ представляет собой триггер, работающий в счетном режиме. На его счетный вход С поступает непрерывная последовательность импульсов. Одновременно такая же последовательность импульсов поступает в КПИ1. Выходные сигналы триггера ( прямой и инверсный ) поступают в КП2 и КПИЗ соответственно.
3.2.5. Лабораторный стенд позволяет наблюдать на экране мультиметра одновременно два сигнала с любых двух КПИ из восьми ( двухканальный режим наблюдения ). Выбор двух определенных КПИ производится следующим образом:
3.2.5.1. Нажать кнопку " ВСВ |_ ВНК " под надписью "КВУ", при этом у левых индикаторов обоих цифровых табло начинает светиться знак запятой.
3.2.5.2. При отжатой кнопке"Вх1 |_ Вх2" набрать с помощью кнопок " 2 0 ¸ 2 3 " программатора "СИ " двоичный код первого выбранного КПИ и нажать кнопку "Пуск". При этом на левом табло у знака запятой появится номер выбранного КПИ.
3.2.5.3. При нажатой кнопке "Вх1 |_ Вх2" повторить указанную процедуру для второго выбранного КПИ. Номер этого КПИ появится у знака запятой правого табло.
3.2.5.4. Нажать кнопку "Коммутатор" под надписью "Контроль V~"'. Теперь два выбранных КПИ через каналы коммутатора лабораторного стенда соединены с осциллографом мультиметра. Регулировка величины и расположения сигналов на экране осуществляется раздельно ручками " ~ " и " ¯ " под надписью "Коммутатор". Слева расположены ручки регулировки первого канала коммутатора, справа - второго канала коммутатора.
3.2.5.5. Для выхода из режима наблюдения сигналов на экране мультиметра перевести кнопку "ВСВ |_ БНК" под надписью "КВУ" в отжатое состояние.
3.3. Исследование элементов ДД4 (статический режим) и ДД5 (счетный режим ).
3.3.1. Логические сигналы "0" и "1" на S, R, J и К - входы универсальных триггеров подаются с помощью кнопок SА7 ¸ SА12 ( аналогично рассмотренному в п.п.2.1. ).
3.3.2. Сигнал на вход С триггера поступает от встроенного генератора импульсов лабораторного стенда, который вырабатывает серию импульсов положительной полярности. Число импульсов может изменяться от 1 до 15 и устанавливается с помощью кнопок с фиксацией " 2 0 ¸ 2 3 ", расположенных под надписью "Программатор СИ". Кнопки без фиксации "Пуск" и "Устан.О" служат для задания режима работы генератора. При этом должна соблюдаться следующая последовательность действий:
3.3.2.1. Набрать число импульсов в пачке в двоичном коде с помощью кнопок " 2 0 ¸ 2 3 ". Кнопки в нажатом состоянии соответствует двоичная единица ( при этом загорается соответствующий светодиод ).
3.3.2.2. Нажать кнопку "Устан.О"и убедиться, что светодиод кнопки "Пуск" погашен. Генератор импульсов готов к работе.
3.3.2.3. Нажать кнопку "Пуск". При этом генератор вырабатывает нужную пачку импульсов. Для повторного включения генератора нажать кнопку "Устан.О", а затем кнопку "Пуск" и т.д.
3.3.3. Контроль выходных сигналов триггеров ДД4 осуществляется с помощью левого цифрового табло на блоке К32.
3.3.4. Счетные импульсы на триггер ДД5, работающий в счетном режиме, поступают через элемент “И", собранный на микросхеме ДД1.
3.7.3. Нажать кнопку "Пуск". При этом в исследуемый узел поступает заданная пачка импульсов.
3.7.4. Для повторной посылки пачки импульсов нажать кнопку "Устан.О" и затем - кнопку "Пуск" и т.д.
3.8. Считывание показаний счетчика производится с помощью двух цифровых табло, каждое из которых содержит четыре семисегментных индикатора. Оба табло расположены в левом верхнем углу лабораторного стенда. На левом цифровом табло индикация числа производится в двоичном коде, на правом - в десятичном коде ( для выбора того или иного кода кнопку "10 |_ 2" необходимо установить в соответствующее положение ).
3.9. Выходные сигналы двоичных разрядов и сигналы переносов счетчиков, а также входные счетные импульсы сложения и вычитания, поступают параллельно на восемь каналов передачи информации КПИ1 ¸ КПИ8, что дает возможность их наблюдения на экране мультиметра, входящего в состав лабораторного стенда.
Одновременно на экране мультиметра можно наблюдать сигналы двух каналов передачи информации. При этом необходимо выполнить следующие операции:
3.9.1. Нажать кнопку "ВСВ |_ ВНК" под надписью "КВУ",
3.9.2. При отжатой кнопке "Вх1 |_ Вх2" набрать с помощью кнопок " 2 0 ¸ 2 3 ", двоичный код первого выбранного КПИ и нажать кнопку "Пуск". При этом на левом табло появится номер выбранного КПИ.
3.9.3. Повторить указанную процедуру при нажатой кнопке "Вх1 |_ Вх2". Номер второго выбранного КПИ должен появиться на правом табло.
3.9.4. Нажать кнопку "Коммутатор" под надписью "Контроль”. При этом выбранные КПИ подсоединяются к соответствующему входу мультиметра. Размах и ориентация сигналов на экране мультиметра регулируется потенциометрами " ~ " и " ¯ " , расположенными под надписью "Коммутатор" отдельно для каждого канала.
3.9.5. Для выхода из режима наблюдения сигналов на экране мультиметра необходимо отжать кнопку "ВСВ |_ ВНК" под надписью "КВУ".
4. МЕТОДИЧЕСКИЕ РЕКОМЕНДАЦИИ К ВЫПОЛНЕНИЮ РАБОТЫ
4.1. Исследовать влияние исходного состояния счетчиков на правильность вводимой информации при подаче сигналов на входы Д0 ¸ ДЗ.
4.1.1. Ввести параллельным кодом с помощью кнопок SА1 ¸ SА4 и SА9 некоторые заданные числа ( например " 7 10 , 11 10 , 8 10 , 12 10 , 15 10 , 10 10 “) в один из счетчиков ( см. п.3.5. ), одновременно производя считывание результатов с помощью цифровых табло.
4.1.2. Повторить операции, указанные в п.4.1.1., для другого счетчика. Сделать выводы по п.4.1.
4.2. Исследовать работу счетчиков в счетном ( суммирующем ) режиме с предварительной записью исходной информации.
4.2.1. Подготовить генератор пачки импульсов для работы в режиме одиночного импульса ( п.3.7. ).
4.2.2. Подготовить подачу импульсов на суммирующие входы счетчиков с помощью кнопки SА14, переведя ее в нажатое состояние.
4.2.3. Ввести параллельным кодом в один из счетчиков заданное преподавателем число.
4.2.4. Подавая одиночные импульсы с помощью кнопок "Устан.О” и “Пуск" ( см. п.п.3.7.3.,3.7.4. ), снять показания выходов разрядов счетчика и занести их в таблицу 1.
Таблица 1.
| — | — | — | Порядковый номер импульса |
| — | Выходы | Исх. информ. | 1 2 3 4 5 6 7 8 9 10 11 12 13 14 15 16 |
| Q 0 | |||
| СТ2 | Q 1 | ||
| Q 2 | |||
| Q 3 | |||
| Q 0 | |||
| СТ10 | Q 1 | ||
| Q 2 | |||
| Q 3 |
4.2.5. Повторить п.п.4.2.3., 4.2.4. для другого счетчика (см. п.3.4.).
4.3. Исследовать работу счетчика в вычитающем счетном режиме с предварительной записью в него информации.
4.3.1. Подготовить подачу пачки импульсов на вычитающие входы счетчика, приведя кнопку SA14 в отжатое, а кнопку SA16 - в нажатое состояние.
4.3.2. Выполнить операции, указанные в п.п. 4.2.3. ¸ 4.2.5.
4.4. Исследовать суммирующий и вычитающий режим работы счетчиков.
4.4.1. Подготовить генератор пачки импульсов для генерации пачки с числом импульсов от 5 до 9 ( п.3.7. ).
4.4.2. Установить исследуемой счетчик в исходное состояние (обнулить). Выбрать режим счета ( "+" или "-" ) с помощью кнопок SА14 и SA16.
4.4.3. Подать на счетчик пачку импульсов. Сравнить показания счетчика с заданным числом. Повторить указанную процедуру несколько раз, прогнозируя при этом показания счетчиков.
4.4.4. Изменить режим работы счетчика, поменяв состояние кнопок SА14 и SА16, и выполнить операции, указанные в п.п.4.4.2. и 4.4.3.
4.4.5. Повторить указанную процедуру ( п.п.4,4.2. ¸ 4.4.4. ) для другого счетчика.
4.5. Исследовать работу счетчиков в режиме переноса.
4.5.1. Подать на суммирующие входы счетчиков последовательность импульсов с помощью кнопки SА13.
4.5.2. Исследовать работу выхода " ³ 15" счетчика СТ2, подключив КПИ1 на первый канал коммутатора, а КПИ8 не второй канал коммутатора в соответствии с "п.3.9.1. ¸ 3.9.4. При этом счетчик СТ10 необходимо отключить нажатием кнопки SА10.
4.5.3. Ручками плавной регулировки "~" и " ¯ " под надписью "Коммутатор", а также с помощью ручки "Стаб." на панели мультиметра добиться устойчивого изображения двух исследуемых сигналов. Срисовать сигнал в едином масштабе времени.
4.5.4. Исследовать выход " > 9" счетчика СТ10, подключив КПИ7 на второй канал коммутатора ( кнопка "Вх1 |_ Вх2" должна быть нажата ). При этом счетчик СТ2 необходимо отключить нажатием кнопки SA11.
4.5.5. Выполнить п.4.5.3.
4.5.6. Подать на вычитающие входы счетчиков последовательность импульсов с помощью кнопки SA15.
4.5.7. Исследовать работу выхода "< 0" счетчиков, подключив КПИ2 на первый канал коммутатора, а КПИ7 или КПИ8 ( в зависимости от типа счетчика) на второй канал коммутатора, в соответствии с функциональной схемой устройства ( рис.8 ).
4.5.8. Выполнить п.4.5.3. для выходов "< 0" обоих счетчиков.
5. СОДЕРЖАНИЕ ОТЧЕТА
1. Название и цель лабораторной работы.
2. Функциональная схема исследуемого устройства.
3. Таблицы и эпюры напряжений.
4. Выводы по работе.
6. КОНТРОЛЬНЫЕ ВОПРОСЫ
1. В чем заключается преимущество двоичной системы счисления по сравнению с другими системами?
2. Что такое регистр и каково его назначение?
3. Как работает двоичный счетчик импульсов?
4. Чем определяется необходимое число триггеров в счетчике и регистре?
5. С помощью чего обеспечивается перевод счетчика из режима сложения в режим вычитания?
6. Как осуществляется наращивание разрядности счетчиков?
7. СПИСОК ИСПОЛЬЗОВАННОЙ ЛИТЕРАТУРЫ
1. Хоровиц П., Хилл У. Искусство схемотехники. Ч. 1,3: Пер. с англ., Под ред. М.В.Гальперина - М.: Мир, 1983.