| Скачать .docx |
Реферат: Однокаскадный усилитель низкой частоты
Лабораторная работа
"Однокаскадный усилитель низкой частоты"
Полянчев С., Коротков Р.
Цель работы : Изучение схемы резистивно-ёмкостного усилительного каскада на биполярном транзисторе и экспериментальное определение основных характеристик усилителей.
Теоретическая часть.
1. Основные характеристики усилителей
Усилитель осуществляет увеличение энергии управляющего сигнала за счёт энергии вспомогательного источника. Хотя в любом усилителе происходит усиление мощности сигнала, на практике выделяют три группы усилителей: напряжения, тока и мощности. В соответствии с этим делением различают коэффициенты усиления по направлению, по току и по мощности.
Коэффициент усиления по напряжению или, ещё говорят, коэффициент передачи напряжения Ku – это отношение выходного напряжения
Ъвых
=Uвых
усилителя к его входному напряжению Ъвход
=Uвход
:
Ku
=
=
=Ku
ejφ
,
где Ku
=
- называют амплитудно-частотной характеристикой усилителя, а φ(ω)=φ2
-φ1
– фазово-частотной характеристикой.
Аналогично вводятся коэффициенты усиления по току и по мощности:
KI
=
; KP
=
.
Одной из важных характеристик усилительного каскада является его амплитудная характеристика: зависимость амплитуды выходного сигнала от амплитуды входного сигнала. На рис.1 приведены частотная (а), фазовая (б) и амплитудная (в) характеристики идеального (пунктирная кривая) и реального (сплошная линия) усилителей.


рис.1
На рис. 1а Δω=ωB -ωH называется полосой пропускания усилительного каскада.
Усилительный каскад является элементом некоторой радиотехнической схемы – ко входу усилителя подключается источник сигнала, а к выходу – нагрузка. Для согласования усилителя с названными элементами , а также для анализа работы каскада необходимо знать входное и выходное сопротивление усилителя.
Входным сопротивлением усилителя называется сопротивление между его входными зажимами при воздействии усиливаемого сигнала, т.е.
Zвх
=
, аналогично выходное сопротивление каскада Zвых
=
.
2. Задание режима работы транзистора по постоянному току фиксированным током базы в схемах с общим эмиттером
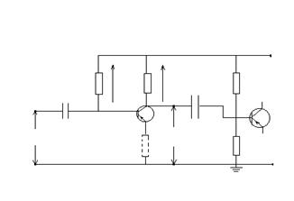
Схема однокаскадного усилителя, пригодного для практического применения, приведена на рис.2.

Рис. 2
Конденсаторы с1 и с2 служат для разделения по постоянному току усилителя и источника сигнала. Сопротивления Rб и Rк требуются для создания необходимых постоянных напряжений между электродами транзистора. При этом абсолютные значения напряжений на том или ином выводе, как правило, не играют существенной роли, важны лишь относительные значения. Только после создания требуемых постоянных напряжений между отдельными электродами транзистора или, как говорят, режима схемы по постоянному току, возможна нормальная работа усилительного каскада.
Для выбора режима работы транзистора необходимо знать семейство его выходных характеристик, т.е. зависимость тока коллектора Iк от напряжения эмиттер-коллектор Uэк , для различных фиксированных значений тока базы Iб . Потребуется, также, величина коэффициента передачи тока базы для выбранного транзистора:
β=
.
На рис.3 приведено семейство выходных вольтамперных характеристик (ВАХ) транзистора и нагрузочная прямая.

рис.3
Точки пересечения нагрузочной прямой, уравнение которой задаётся выбором E и Rк , определяют постоянные токи и напряжения в схеме для фиксированного тока базы. На рис.3 выбранные величины помечены звёздочками. Точка B носит название рабочей точки. В окрестности этой точки будут происходить изменения напряжений и токов при подаче на вход усилителя переменного сигнала.
Выбор рабочей точки диктуется получением минимальных нелинейных искажений и максимального динамического диапазона усиления входного сигнала.
Величина напряжения источника питания E определяется заданным значением переменной составляющей Uвых . Так как Uвых =U0вых cosωt, то должно быть E>2 U0вых . Сверху величина напряжения источника питания ограничивается предельно-допустимым значением Uкэ max > E ≥ (2U0вых +1).
Выбор Rк
должен быть сделан так, чтобы рабочий участок нагрузочной прямой не попадал в область недопустимо больших мощностей рассеяния и область электрического пробоя. После того, как выбор F и Rк
произведён, следует с помощью сопротивления Rб
зафиксировать ток базы Iб
*, чтобы рабочей точкой была точка B, удовлетворяющая, как видно из рис.3, требованию минимальных нелинейных искажений и максимального динамического диапазона усилителя. Точке B соответствует Uкэ
*=
и Iк
*=
. Найдём значение Rб
необходимое для выбранного режима работы транзистора. Эмиттерный переход включен в прямом направлении, коллекторный в обратном.
Обычно в схемах с ОЭ на маломощных биполярных транзисторах Uбэ составляет десятые доли вольта при значениях E единиц вольта, поэтому с большой точностью можно считать
Iб
=
.
Так как Iк =β Iб , то
Rб
=
=
=
=2βRк
.
Окончательно Rб =2βRк , видно, что Rб зависит от параметра транзистора β.
Схема с фиксированным током базы требует минимум деталей и отличается малым потреблением тока от источника питания, так как Rб – велико.
Однако, из-за разброса параметров транзисторов (β) при смене транзистора приходится пересчитывать и Rб . Другим существенным недостатком является низкая температура стабильности схемы.
Введение в цепь Эмиттера небольшого по величине сопротивления Rэ
, Rэ
<<Rк
позволяет стабилизировать параметры усилителя (коэффициент усиления Ku
становится практически независящим от параметров транзистора, а определяется, в основном, отношением величин Rк
и Rэ
, Ku
=
) и позволяет довольно просто производить регулировку величин: Rвх
(увеличивается при введении Rэ
), KU
и Kp
(уменьшаются при введении Rэ
). Положение рабочей точки практически не меняется (если Rэ
<<Rк
).
3. Обратные связи в усилителях
Связь, обеспечивающая возвращение части энергии сигнала с выхода усилителя на его вход, называется обратной связью (ОС). Структурная схема усилителя с ОС имеет вид:

Здесь К – усилитель с коэффициентом усиления К; ж – цепь обратной связи; Ux – напряжение обратной связи; Uг – входной сигнал; Uвх – напряжение, управляющее транзистором.
Та часть схемы, которая из Uг и Ux вырабатывает Uвх , называется суммирующим узлом.
Коэффициентом обратной связи называют отношение:
ж=
.
Если фазы входного сигнала и напряжения обратной связи совпадают, то такая ОС называется положительной, если фазы названных напряжений противоположны – отрицательной. В усилителях реализуется отрицательная обратная связь. Рассмотрим влияние обратной связи на коэффициент усиления усилителя. По определению,
K=
; KОС
=
; ж=
.
Используя эти определения, можно записать следующую цепочку равенств
=к(Uг
+Uж
)=к(Uг
+ жUвых
).
Откуда следует
Uвых (1-кж)=кUг
KОС
=
=
.
Величину (1- кж) называют глубиной обратной связи.
Из последнего равенства следует, что при отрицательной обратной связи к=-кж и KОС
=
, т.е., отрицательная обратная связь уменьшает коэффициент усиления.
Практическая часть
Задание 1: Исследовать амплитудную характеристику усилителя Uвых = f(Uвх ).
Rк = 1 кОм; Rэ = 100 Ом; R1 = 10 кОм; R2 = 750 Ом; Ср = 1 мкФ; f = 1 кГц.
Таблицы для графика:
| Uвх , В | 0,18 | 0,24 | 0,28 | 0,32 | 0,36 | 0,44 | 0,52 |
| Uвых , В | 1,3 | 1,9 | 2,3 | 2,8 | 3,2 | 3,7 | 4,5 |
| Uвх , В | 0,6 | 0,7 | 0,76 | 0,88 | 1,12 | 1,3 | 1,4 |
| Uвых , В | 5,2 | 6,2 | 6,8 | 7,8 | 10 | 11 | 11,2 |

График 1. Зависимость Uвых от Uвх для усилителя
Задание 2: Исследовать зависимость коэффициента усиления Кус от частоты для усилителя.
1) Без конденсатора.
Таблицы для графика:
| f,Гц*103 | 0,14 | 0,2 | 0,25 | 0,3 | 0,4 | 0,6 | 0,8 | 1 | 1,2 | ||||||||
| Кус | 8,64 | 8,54 | 8,7 | 8,57 | 8,5 | 8,67 | 8,39 | 8,83 | 8,83 | ||||||||
| f,Гц*103 | 1,4 | 1,8 | 2 | 4 | 10 | 15 | 20 | 30 | |||||||||
| Кус | 8,83 | 8,83 | 9 | 9 | 9 | 9 | 9 | 9,67 | |||||||||
| f,Гц*103 | 40 | 60 | 80 | 100 | 120 | 160 | 180 | 200 |
| Кус | 8,79 | 8,75 | 9,33 | 9 | 9 | 8,93 | 8,89 | 8,85 |
2) C конденсатором (СЭ = 10 мкФ)
Таблицы для графика:
| f,Гц*103 | 0,14 | 0,2 | 0,25 | 0,3 | 0,4 | 0,6 | 0,8 | 1 |
| Кус | 12,31 | 14 | 15,88 | 19,41 | 24,12 | 33,53 | 43,53 | 49,51 |
| f,Гц*103 | 1,2 | 1,4 | 1,8 | 2 | 4 | 10 | 20 | 30 |
| Кус | 52,94 | 56,47 | 66,67 | 69,33 | 75 | 80 | 84,29 | 89,23 |
| f,Гц*103 | 40 | 60 | 80 | 100 | 120 | 160 | 180 | 200 |
| Кус | 83,08 | 88 | 80 | 75 | 74,29 | 66,67 | 60 | 56,57 |

График 2. Зависимость Кус от f с конденсатором (сверху) и без конденсатора (снизу)
Задание 3: Исследовать зависимость коэффициента усиления от величины сопротивления RЭ для средней частоты (f = 1 кГц).
Таблица для графика:
| RЭ , Ом | 100 | 200 | 470 |
| Кус | 49,41 | 38,89 | 30,56 |
Задание 4: Исследовать зависимость коэффициента усиления от величины сопротивления RК для средней частоты (f = 1 кГц).
Таблица для графика:
| RК , Ом | 1000 | 470 | 1500 |
| Кус | 40 | 21,43 | 62 |

График 3. Зависимость Кус от RЭ

График 4. Зависимость Кус от RК
Вывод: в данной работе мы ознакомились с принципом построения RC-усилительного каскада, его основными характеристиками и назначением элементов. Были подробно разобраны эквивалентные схемы транзистора и усилителя. Получены основные характеристики транзисторного НЧ-усилителя. Исследовалось влияние сопротивлений эмиттера и коллектора на коэффициент усиления. Расхождений с теорий не наблюдается.
Литература
1. В.Н.Ушаков. ”Основы радиоэлектроники и радиотехнические устройства”. М., «Высшая школа», 1976.
2. Е.И. Манаев. “Основы радиоэлектроники”. М., «Радио и связь», 1985.