| Скачать .docx |
Реферат: Исследование цепей постоянного тока 2
Лабораторная работа №1
Исследование цепей постоянного тока
Цель: Провести анализ цепей постоянного тока. Проанализировать влияние вида резисторов на параметры режима электрической цепи. Проверить выполнение законов Кирхгофа и баланса мощностей.
Ход работы
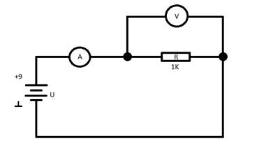
1. Проверка закона Ома.

| Измерения |
Расчет |
||||
| Параметр |
U |
I |
R |
Рген |
Рпотр |
| Размерность |
В |
mA |
Ом |
Вт |
Вт |
| Величина |
8,73 |
8,95 |
975 |
0,078 |
0,078 |
1)
Ом
2) Вт
3) 78100*
Вт
2. Последовательное соединение резисторов.

| Измерения |
Расчет |
|||||||||
| Параметр |
I |
U |
U1 |
U2 |
U3 |
R1 |
R2 |
R3 |
Pген |
Pпотр |
| Размерность |
mA |
B |
B |
B |
B |
Ом |
Ом |
Ом |
Вт |
Вт |
| Величина |
3,78 |
17,62 |
3,35 |
3,38 |
10,58 |
886 |
973 |
2796 |
0,066 |
0,066 |
1)
м
2)
Ом
3)
м
4) 
5)
Вт
6)
Вт
7)
Вт
8)
Вт
9)
Ом
10)
Ом
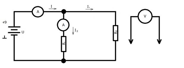
3.Паралельное соединение резисторов.

| Измерения |
Расчет |
|||||||||
| Параметр |
U |
U1 |
U2 |
I |
I1 |
I2 |
R1 |
R2 |
Pген |
Pпотр |
| Размерность |
B |
B |
B |
mA |
mA |
mA |
Ом |
Ом |
Вт |
Вт |
| Величина |
8,76 |
7,96 |
7,99 |
11 |
8,16 |
2,84 |
975 |
2813 |
0,096 |
0,087 |
1) ![]()
mA
2)
Ом
3)
Ом
4)
Вт
5)
Вт
4. Смешанное соединение резисторов.

| Измерения |
Расчет |
|||||||||||
| Параметр |
I1 |
I2 |
U |
U1 |
U2 |
U3 |
I3 |
R1 |
R2 |
R3 |
Рген |
Рпотр |
| Размерность |
mA |
mA |
B |
B |
B |
B |
mA |
Ом |
Ом |
Ом |
Ом |
Ом |
| Величина |
10,73 |
8,06 |
17,6 |
9,6 |
7,9 |
8,0 |
2,67 |
894 |
980 |
2996 |
0,188 |
0,187 |
1) ![]()
mA
2)
Ом
3)
Ом
4)
Ом
5)
Вт
6)
Вт