| Скачать .pdf |
Курсовая работа: Розробка схеми підсилювача напруги
ЗМІСТ
1 РОЗРАХУНОК НЕВІДОМИХ ВЕЛИЧИН ТАБЛИЦІ.....................................3
2 РОЗРАХУНОК ВХІДНОГО КАСКАДУ...........................................................4
3 РОЗРАХУНОК ПІДСИЛЮВАЛЬНИХ КАСКАДІВ........................................9
СПИСОК ВИКОРИСТАНИХ ДЖЕРЕЛ.............................................................20
| КР.АУ- 0 .00.000 ПЗ |
|||||
| Змн. |
Лист |
№ докум. |
Підпис |
Дата |
|
| Розроб. |
Літ. |
Арк. |
Акрушів |
||
| Перевір. |
Євчук |
Розробка підсилювача електричних |
1 |
23 |
|
| Реценз. |
сигналів |
ІФНТУНГ |
|||
| Н. Контр. |
Рудзінський |
||||
| Затверд. |
|||||
ВСТУП
Не дивлячись на те, що за останні роки основним напрямком розвитку електроніки можна вважати телекомунікаційні цифрові мережі, поряд з ними продовжують експлуатуватися і вдосконалюватися засоби передачі аналогового сигналу. Вони використовуються на виробництві, для зв’язку віддалених інтелектуальних датчиків, в лабораторіях для передачі вимірюваної інформації.
Здебільшого для передачі аналогового сигналу на значні віддалі використовується постійний струм. Зміни струму відображають зміну даних. Для передачі інформації можуть також використовуватися зміни частоти, фази змінного струму, чи їх поєднання. На незначні віддалі аналогові сигнали можуть передаватися за допомогою напруги.
Для підготовки сигналів широко використовуються підсилювачі електричних сигналів. Крім цього підсилювачі можуть використовуватися для підготовки сигналу в системах керування механічними виконуючими вузлами. Тому їх розробка є важливою задачею
Вхідний опір...............................................................................800 кОм
Вихідний опір.............................................................................35 Ом
Нижня частота смуги пропускання..........................................200 Гц
Верхня частота смуги пропускання.........................................150 кГц
Коефіцієнт нерівномірності коефіцієнта
передачі нижньої частоти..........................................................0.2 дБ
Коефіцієнт нерівномірності коефіцієнта
передачі верхньої частоти.........................................................0.2 дБ
Мінімальна температура............................................................-15
Максимальна температура..........................................................33
Максимальна вхідна напруга ......................................................0.1
Максимальна вихідна напруга...................................................100В
Коефіцієнт гармонік менший.....................................................0.35%
Коефіцієнт підсилення.....................................................100/0.1=1000
Мінімальний опір джерела сигналу....................800000/10=80000 Ом
Вхідний струм....................................................0.1/800000=0.125 -10-6 А
| Арк. |
||||
| КР.АУ- 0 .00.000 ПЗ |
3 |
|||
| Змн. |
Арк. |
№ докум. |
Підпис |
Дата |
Вибираємо вхідний каскад на польових транзисторах. Вибираємо повторювач.
Для забезпечення високого вхідного опору варто використати повторювач напруги на польовому транзисторі.
Польові транзистори часто використовують в витокових повторювачах. За допомогою них просто отримати високий повний вхідний опір. Тому повторювач на польовому транзисторі часто використовують як вхідний каскад в осцилографах та інших вимірювальних пристрях.
На рис.2.1 показано напростіший витоковий повторювач.
![]() |
| RB |
і
Рисунок 2.1- Витоковий повторювач
Витоковий повторювач має вихідний опір 1/gm. Витокові повторювачі дуже схожі до джерел ЕРС. Але схема має два недоліки:
1. Відносно високий вихідний повний опір означає, що амплітуда вихідного сигналу може бути значно менша, ніж амплітуда вхідного сигналу, навіть при значному повному опорі навантаженні, оскільки будь-яке Ян утворює в поєднанні з вихідним опором витоку подільник. Крім того як тільки струм стоку змінюється на протязі періода сигналу, gм і разом з ним вихідий опір будуть змінюватися, спричиняючи зміну вихідного сигналу (спотворення).
Цю ситуацію можна покращити, використовуючи польові транзистори з великою крутизною, але кращим вирішенням є комбінований повторювач.
2. Оскільки параметр Шв при виготовленні важко контролювати, то витоковий повторювач має непередбачуване зміщення по постійному струму.
| Арк. |
||||
| КР.АУ- 0 .00.000 ПЗ |
4 |
|||
| Змн. |
Арк. |
№ докум. |
Підпис |
Дата |
Це суттєва проблема при використанні в схемах зі звязками по постійному струму. Використання декількох елементів може покращити параметри повторювача.
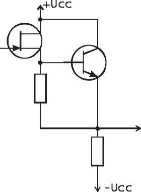
Опір Кн можна замінити на джерело струму (рис.2.2). Постійний струм витоку стабілізує напругу Цзв, а це усуває нелінійність. Для простоти можна вважати, що Ян стає безмежним.
Рисунок 2.2- Спосіб покращення витокового повторювача
Такий ефект створює джерело струму в якості навантаження. Така схема зображена на рисунку 2.3.
![]() |
| Рисунок 2.3- Схема покращеного витокового повторювача |
Ця схема має ще одну перевагу- малий вихідний опір при збереженні приблизної стабільності струму стоку Цбе/Язм. Однак існує проблема непередбачуваної (а тому ненульової) напруги зміщення від входу до виходу Цзв. Для даної ення входу непередбачуваного ( а тому ненульового і приблизної стабільності струму стоку зками по постійому струмусхеми вихідна напруга визначається сумою напруги сток-витікта емітер-база.
Регулювати напругу стік-витік можна змінюючи струм стоку. Однак він не залишається стабільним із зміною температури.
Кращими властивостями володіє узгоджена пара польових транзисторів (рис.2.4).
![]() |
VT1 VT2 |
Рисунок 2.4- Схема повторювача на узгодженій парі транзисторів
VT1 та VT2 - узгоджена пара транзисторів на окремому кремнієвому кристалі. VT2 відбирає струм точно такий який буде при Цзв=0, тоді оскільки на двох польових транзисторах Цзв=0 VT1 є повторювачем із нульовим зміщенням. Оскільки обидва транзистори знаходяться в одних температурних умовах, зміщення залишається майже нульовим при різних температурах.
Зазвичай до попередньої схеми добавляють невеликі витокові резистори. Резистори задають робочий струм транзистора і задають зміщення. Рівність резисторів гарантує рівність вхідної та вихідної напруги якщо транзистори узгоджені. Така модифікація схеми покращує передбачуваність струму стоку та покращує лінійність оскільки польовий транзистор має кращу лінійність при струмах менших початкового струму стоку.
![]() |
5 |
10, мА
0
Риунок 2.5-Вхідна характеристика транзистора 2N3819
Вибираємо напругу на затворі посередині лінійної ділянки вхідної характеристики, тобто 2В. При цьому струм стоку буде 4мА. Тоді опір в колі витоку буде
2/0.004 = 500 Ом Схема вхідного підсилювача зображена на рис
![]() |
| Рисунок 2.6- Схема повторювача Напруги і струм в колах схеми зображено на рис |
V0

| R4 1 meg |
;t |




