| Скачать .docx |
Реферат: Схеми на пасивних елементах та діодах
Схеми на пасивних елементах та діодах
1.Диференційні та перехідні кола. Інтегруюче коло
2.Обмежники амплітуди
3.Стабілізатори напруги та струму
1.Диференційні та перехідні кола. Інтегруюче коло
Диференційне коло.(ДК).ДК- називається електричне коло, напруга на виході якого пропорціональна першій похідній від напруги на його вході(або струм через вихідні зажими ДК пропорційний струму, який проходить через його вхідні зажими).
Очевидно, що ДК повинна містити в своєму складі двополюсник (або чотирьохполюсник), у якого струм, що проходить через нього пов'язаний з виникаючою при цьому напругою диференціальною залежністю. Найпростішими двополюсником , задовольняючий данну умову є елементи індуктивності і ємності. Дійсно:
Iс (t)=CdUc (t)/dt Ul (t)=LdI(t)/dt
Прикладом ДК може бути послідовне RC-коло (мал.1)

При подачі на вхід кола напруги U1(t) в ній виникає струм, величина якого буде пропорціональна величині ємності та швидкості зміни в часі підведеної до неї напруги U1(t).Цей струм створює на опорі R напругу UR (t), яка є вихідною напругою цього кола:
UR (t)=U2 (t)=R*i(t)=RCdU1 (t)/dt=τdU1 (t)/dt , де
τ=RC- стала часу кола або постійна диференціювання.
dU(t)/dt- швидкість зміни в часі напруги підведеної до входу кола.
З фізичних міркувань (аналіз частотних характеристик АЧХ і ФЧХ та часових характеристик g(t)і h(t) був виконаний в курсі ТЕК) видно, що напруга на виході ДК пропорціональна величинам ємності і опору кола і швидкості зміни підведеної до входу напруги, яка пропорціональна частоті сигналу. На виході кола буде відсутня постійна складова вхідного сигналу, так як її похідна рівна нулю і послаблені низькочастотні складові. ДК виконує функцію фільтра верхніх частот.
Підведений на вхід ДК імпульсний сигнал, перетворюється на її виході в сукупність двох різнополярних імпульсів, перший з яких має полярність вхідного імпульсу і обумовлений зарядом ємності під дією напруги цього імпульсу. Другий імпульс має полярність протилежну полярності вхідного імпульсу, т.к. обумовлений розрядом зарядженої ємності після закінчення вхідного імпульсу.(мал.2)
На малюнку 5.2 криві 1-3 відповідають різному відношенню між часом вхідного сигнала tи і сталою часу ДК.
1-tи>>τ
2-tи>τ
3-tи=τ
Для ДК має виконуватись умова:τц<<tи
Перехідне коло (коло зв’язку). Призначена для передачі сигналу від попереднього пристрою (каскада) до слідуючого із спотвореннями, які не перебільшують допустимих. Крім того, на неї можуть покладатись і інші функції, наприклад, знищення постійної складової в багато каскадних підсилювачах. В залежності від виконуємих функцій схема кола зв’язку може бути різною. Вона може бути гальванічною( резистивною) або мати крім опорів реактивні елементи, частіше ємності, і напівпровідникові діоди.
Відносно імпульсних сигналів, для передачі їх від виходу одного пристрою на вхід послідуючого з мінімальними (допустимими) спотвореннями в якості кола зв’язку може бути використана розглянене раніше послідовне RC- коло. Тільки на відміну від ДК параметри його елементів R i C повинні вибиратись із умов:
RрCр=τц>>T (1)
А поскільки T>tu , то виконується умова:
τp>>tu (2)
При виконанні (2) конденсатор Ср за час, рівний тривалості імпульсу τи не встигає як-небудь зарядитися ,а в проміжках між імпульсами- розрядитися.
Вихідна напруга URp (t)=U2(t) відрізняється від вхідного на величину напруги, до якої за час tu зарядився конденсатор Ср і враховуючи її не значну величину з допустимими спотвореннями повторює форму вхідної напруги.

Інтегруючу коло (ІК). –виконує над прикладеною до її входу напругою дію інтегрування, тобто обернену диференціюванню. Вона може бути отримана з ДК ,якщо поміняти місцями ємність і опір.(мал.4)
Для цього кола вихідною є напруга знята на ємності:

U2(t)=Uc(t)=1/C∫0 T Ic(t)dt,
де Ic(t)- струм заряду ємності, величина якої визначається U1(t) і опором R:
Ic(t)=U1(t)/R.
Таким чином напруга на виході ІК є інтегрованим значенням напруги на вході:
U2(t)=1/C*∫T 0 Ic(t)dt=1/C*∫T 0U1(t)dt/R= =1/RC*∫T 0 U1(t)dt
З курса ТЕК відомо, що ІК зображена на мал.4 є звеном ФВЧ. Тобто ФВЧ виконує над вхідним сигналом операцію інтегрування в частотній області, а параметри інтегрування визначаються характеристикою фільтра.
Відносно до імпульсних сигналів ІК вносить в форму передаваємих через сигналів, тим більші спотворення, чим менше відношення γ=tu/τ. На мал 5.5 показана зміна форми передаваємого сигналу для різних значень цього відношення.
Криві 1,2,3 відповідають величині γ:
1-------- γ>>1 (tu>>τ)
2--------γ=5 (tu=5τ)
3--------γ=1 (tu=τ)
2.Обмежувачі амплітуди

Обмежувачем називається нелінійний чотирьохполюсник, напруга на виході якого повторює напруги вхідного сигналу U1 ,якщо вона лежить в межах деяких рівнів, і залишається постійним , якщо вхідна напруга опиняється за межами цих рівнів.(мал.6)
З графіків залежність U1 i U2 на вході і виході обмежувача (мал.6) видно, що поки вхідна напруга U1 менше рівня обмеження U01 , напруга на виході U2 повторює форму вхідної напруги , тобто обмеження відсутнє.

При досягненні вхідною напругою U1 рівня обмеження U01 виникає обмеження і напруга U2 стає рівна рівню обмеження U2=U02 і залишається сталою , поки зберігається рівність U1=U01.
Напруги U10 i U02 називаються відповідно рівнем обмеження вхідної напруги і рівнем вихідної напруги при обмеженні.
В якості обмежувачів можуть використовуватись схеми, нелінійний елемент може працювати в ключовому режимі "включено – виключено" , тобто транзисторні, діодні , лампові ключі.
Обмеження вхідної напруги може бути як одностороннім так і двостороннім . Одностороннє обмеження може бути як на нульовому рівні так і рівні відмінному від нуля. Двостороннє обмеження не може бути на нульовому рівні.(воно не має змісту). Уяву про властивості різних схем обмежувачів дають їх характеристики передачі, тобто такі , які встановлюють залежність між напругою на вході та виході обмежувача U1 I i U2. Приклади таких характеристик зображені на мал.7.

а) обмежувач зверху на нульовому рівні;
б) обмежувач знизу на нульовому рівні;
в) обмежувач зверху на рівні Е;
г) обмежувач зверху на рівні Е1 і знизу на рівні Е2.
Зупинимось детальніше на схемах діодних обмежувачів, які можуть бути послідовними і паралельними, односторонніми і двосторонніми.
Вид схеми одностороннього обмежувача (послідовний чи паралельний ) визначається схемою включення діода по відношенню до опору загрузки.
В послідовному односторонньому обмежувачі на нульовому рівні обмеження починається з замкненого стану діода. При цьому струм через опір не протікає і U2=0.В паралельному односторонньому обмежувачі на нульовому рівні обмеження буде відбуватись при відкритому стані діода, який своїм малим опором шунтує загрузку.

Схема паралельного діодного обмежувача зверху на нульовому рівні, форма напруг U1 (t) i U2 (t) і характеристика передачі зображена на мал.9.
Для отримання одностороннього обмеження на заданому рівні необхідно, схеми розглянутих вище обмежувачів, доповнити джерелом постійної напруги з ЕРС Е=U02 , рівної рівню вихідної напруги при обмеженні. (мал.10.а).
В схемі мал.10а обмеження починається (діод закривається) тільки тоді ,коли в час позитивного півперіоду вхідна напруга U1 перебільшить ЕРС джерела Е. В схемі 5.10.б в час позитивного півперіоду , коли U1 перебільшить джерело Е - діод VD відкривається і фіксує напругу U2 на рівні Е. При відємному півперіоді діод VD закритий і напруга U1 передається в нагрузку без обмеження.

Для отримання двостороннього необхідно зустрічно з’єднати чи два послідовних обмежувача, чи два паралельних з необхідними рівнями обмеження. Варіанти схем двосторонніх обмежувачів зображенні на мал.11 а,б.
В схемі мал.11 а . в час позитивного півперіоду діод VD2 закритий і не впливає на роботу обмежувача, а напруга U2 визначається станом VD1 , який відкривається і обмежує напругу U2 на рівні Е1, коли вхідна напруга U1 перебільшує рівень Е1.В час від’ємного VD1 закритий і не впливає на обмеження , а діод VD2 відкривається коли (U1)>(E2) і обмежує вихідну напругу на рівні Е2.
В схемі 5.11б в час позитивного півперіоду вхідної напруги U1 діод VD1 відкритий , вхідний сигнал прикладений до точок m –n , до входу обмежувача на VD2 і режим обмеження визначається тільки станом діода VD2. За час негативного півперіоду діод VD2 відкритий і не впливає на режим обмеження, який визначається тільки VD1.

3. Стабілізатори напруги і струму
Стабілізатори напруги (СН) призначені в першу чергу для забезпечення стабільності напруги джерел живлення в умовах дії на них дестабілізуючих факторів, таких як зміна параметрів зовнішньої середи і параметрів загрузки.
СН можна представити у вигляді нелінійного чотирьохполюсника (мал.12)
Якість СН оцінюється двома його основними параметрами:

1.Коєфіцієнт стабілізації
Кст=U2/U1*ΔU1/ΔU2 (1)
2.Вихідний опір
Rвих=U2хх/І2кз
В виразі (1) ΔU1 ,i ΔU2,- абсолютна нестабільність напруги на вході і виході СН.
U2хх-вихідна напруга у режимі холостого ходу(відключеного навантаження).
І2кз- вихідний струм СН при Rн=0.
Якість стабілізатора тим вища , чим більше коефіцієнт стабілізації і менший вихідний опір. СН напруги можуть можуть будуватися як з використанням діодів так і транзисторів, а також широко використовуються СН на мікросхемах (однак у них також використовується з’єднання діодних і транзисторних стабілізаторів).
Діодні стабілізатори напруги (ДСН) (мал.13)
Даний СН з використанням в якості регулюючого елемента кремнієвого стабілітрона , працюючого в режимі пробою , і включеного паралельно навантаженню.( Звідси назва даної схеми – стабілізатор паралельного типу.

Принцип стабілізації вихідної напруги заснований на використанні оберненої гілки ВАХ кремнієвих стабілітронів.(мал.14)
При досягненні напруги на діоді величини Uст , рівній напрузі лавиного пробою, вона стає практично постійною і мало змінюється при зміні (нестабільності) підведеної до діода напруги.
Коефіцієнт стабілізації ДСН з використанням кремнієвих стабілітронів досягає декількох тисяч , що допустимо в більшості випадків. Однак, порівняно високий вихідний опір Rвх≈τд і рівний опору стабілітрона в режимі пробою( 10-20 Ом), мала навантажувальна здатність ( Ін від одиниць до десятків міліампер) обмежує їх застосування в якості "самостійних" схем стабілізації. Незважаючи на це ДСН широко застосовуються в якості схем формування високо стабільної опорної напруги в більш складних схемах транзисторних СН.
Транзисторні СН (мал.15)

Схема одно каскадного ТСН представляє з себе емітерний повторювач , в цеп емітера якого включене навантаження Rн, а на базу замість змінного сигналу подано постійну опорну напругу від діода СН. Як видно з малюнку 5.15, напруга на виході ТСН буде визначатися величиною опорної напруги Uоп. (величину Uбе напруги на опорі відкритого переходу б-е можна не враховувати).
Використання ТСН дозволяє вирішити проблему забезпечення необхідного коефіцієнту стабілізації (у однокаскадного ТСН Кст досягає від декількох сотень до декількох тисяч) і потрібної навантажувальної здібності (вихідний струм ТСН визначається струмом емітера використовує мого транзистора). Однак, вихідний опір залишається достатньо високим і приблизно рівним опору емітерного переходу б-е:Rвх=r е і має порядок одиниць і десятків Ом.
Кардинально рішити проблему забезпечення вихідного опору СН близького до нуля вдається в схемах СН з використанням операційного підсилювача.(мал.16).
Дійсно, нехай ΔU- задана абсолютна нестабільність вихідної напруги U2 . Підсилена ОП величина ΔU , з його виходу у виді U=KoΔU подається на базу транзистора VT1 і викликає приріст його струму емітера на величину: ΔІе=КоΔU/rе .

Тоді вихідний опір СН рівний відношенню приростів вихідної напруги і струму буде визначатися виразом: Rвих=ΔU/ΔIе=ΔU*rе/Ко*ΔU=rе/Ko
Враховуючи що Ко має порядок до 106 -108 ,вихідний опір такого СН має порядок тисячних долей ома і менше.
Стабілізатори струму.(СТ) .СТ призначенні для підтримання незмінного вихідного струму І2 при змінні опору навантаження Rн і вхідної напруги U 1.(мал.17)
В більшості практичних схем роль стабілізуючого елемента виконують транзистори , хоча це не виключає застосування інших елементів(баретторів, стабісторів та ін.).
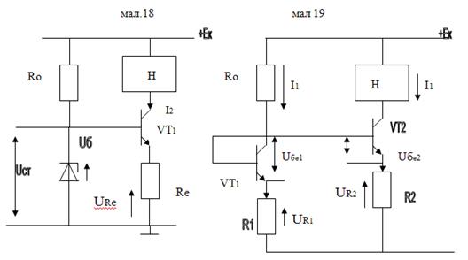
На малюнку 5.18 зображено типовий варіант стабілізатора з включеним навантаженням в цеп колектора.

Величина струму в навантаженні І2 при вибраному транзисторі і стабілітроні, та заданій напрузі джерела Ек визначається величинами резисторів Ro і Rе, і опором навантаження.
Принцип роботи СТ даного типу аналогічний принципу роботи схеми емітерної стабілізації струму колектора.
Нехай наприклад струм через напругу виріс на величину ΔІ ,це призведе до збільшення напруги URe ≈I2*Re(величиною струму бази можна знехтувати), а напруга на стабілітроні, працюючому в режимі пробою залишається незмінною. В результаті напруга на ділянці база-емітер VT1, рівна:Uбе=Ucт-URe зменшиться, а викликане її зменшення пропорціональне зменшенню струму колектора, автоматично призведе до зменшення струму I2 через навантаження. Приріст вихідного струму СТ протилежного знака, призведе до автоматичної зміни напруг і струмів, розглянутих вище, в протилежну сторону.
В аналогових інтегральних мікросхемах широке розповсюдження получив СТ, отримавший назву "струмове дзеркало" або "відбивач струму". (мал.19)
Відмінність даної схеми від раніше розглянутої (мал.18) складається в тому що замість стабілітрона в ній використовується транзистор VT1 в діодному включенні.
Розглянемо властивості схеми в припущенні ідентичності транзисторів VT1 і VT2 і рівності опорів R1 іR2.
З мал.19 слідує:
Uбе1+IеR1=Uбе2+Iе2R2
Нехтуючи для простоти струмом бази з урахуванням ідентичності транзисторів схеми отримуємо, що
Iе1=І1, а Iе2=І2, тобто І1=І2
Таким чином, в розглянутий схемі вихідний струм І2 повторює або "відображає" вхідний струм І1 ,звідси і назва схеми.
Якщо опори R1 I R2 вибрати неоднаковими , то неоднаковими будуть і струми емітерів. Тоді з урахуванням того, що Uбе1 і Uбе2 (напруга на відкритому переході БЕ) мало залежить від величини струму і залишаються рівними: . Uбе1=Uбе2, маємо:I2=I1*(R1/R2)
Тобто струм І2 "відбиває" вхідний струм І1 , як в збільшеному масштабі, так і в зменшеному масштабі