| Скачать .docx |
Реферат: Разработка радиоприёмника на ИМС К174ХА2
| 1 Обоснование выбора супергетеродинного приёмника 1.1 Структурная схема типовой супергетеродинной схемы приёмника Радиоприемник, использующий супергетеродинный метод приема отличается от радиоприемника прямого усиления наличием преобразователя частоты. Структурная схема содержит следующие элементы: антенна, усилитель радиочастоты (УРЧ) преобразователь частоты, усилитель промежуточной частоты, детектор, усилитель низкой частоты и оконечное устройство.
Рисунок 1.1 Структурная схема супергетеродинного приёмника Преобразователь частоты состоит из смесителя и гетеродина. Гетеродин - это маломощный генератор, вырабатывающий частоту fr . На вход смесителя подается напряжение частоты сигнала fc и напряжение с выхода гетеродина fr . В результате взаимодействия двух этих частот на выходе смесителя появляется сигнал, содержащий множество комбинационных составляющих, в то числе и составляющую, частота которой равна разности двух этих частот fc -fr . Величина этой разности может быть выше или ниже частоты сигнала, но обязательно выше частоты модуляции, поэтому ее называют промежуточной. Таким образом, можно записать: Fпр = fг- fc при fг > fc (1.1) Fпр = fc - fг при fr < fc (1.2) |
|||||||||||||||||||||||||||||||||||||||||||||||||||||||||
| СПРТ. КП 2003. 000ПЗ |
Лист |
||||||||||||||||||||||||||||||||||||||||||||||||||||||||
| 4 |
|||||||||||||||||||||||||||||||||||||||||||||||||||||||||
| Изм. |
Лист |
№ докум. |
Подп. |
Дата |
|||||||||||||||||||||||||||||||||||||||||||||||||||||
| На промежуточную частоту настроена резонансная система, включенная в выходную цепь смесителя, что позволяет при соответствующей полосе пропускания выделить напряжение сигнала на промежуточной частоте. Следовательно, назначение преобразователя - преобразование частоты радиосигнала в другую промежуточную частоту с сохранением закона модуляции. В случае работы радиоприемника в диапазоне частот перестраиваются только избирательные цепи тракта радиочастоты, и изменяется частота гетеродина так, чтобы разность их настройки всегда была равна выбранной промежуточной частоте. Следует подчеркнуть, что настройка радиоприемника на частоту принимаемого сигнала определяется, прежде всего, настройкой гетеродина. Входные контуры и контуры усилителя высокой частоты могут быть не перестраиваемыми, но с полосой пропускания, равной диапазону рабочих частот Усилитель, который усиливает сигнал на промежуточной частоте, получил название усилителя промежуточной частоты. Таким образом, в супергетеродинном радиоприемнике усиление и выделение радиосигнала осуществляется на трех частотах: на радиочастоте, промежуточной частоте и частоте модуляции (низкой частоте). Соответственно участки радиоприемника, на которых происходит соответствующее усиление, называют трактом радиочастоты, промежуточной частоты и низкой частоты. Постоянство промежуточной частоты позволяет использовать в усилителе промежуточной частоты сложные избирательные системы, имеющие частотную характеристику, весьма близкую по форме к прямоугольной.
Рисунок 1.2 Образование зеркального канала при супергетеродинном методе приёма. |
|||||||||||||||||||||||||||||||||||||||||||||||||||||||||
| СПРТ. КП 2003. 000ПЗ |
Лист |
||||||||||||||||||||||||||||||||||||||||||||||||||||||||
| 5 |
|||||||||||||||||||||||||||||||||||||||||||||||||||||||||
| Изм. |
Лист |
№ докум. |
Подп. |
Дата |
|||||||||||||||||||||||||||||||||||||||||||||||||||||
| Супергетеродинный метод приема по сей день остается основным, так как он позволяет обеспечить устойчивый прием весьма слабых сигналов в условиях интенсивных помех. Сверхминиатюризация элементной базы не изменила основного принципа построения структурной схемы супергетеродинного радиоприемника, хотя он может представлять собой очень сложное устройство, в котором производится не одно, а несколько преобразований частоты сигнала. Наряду с достоинствами супергетеродинный метод приема имеет существенные недостатки. Наиболее серьезный из них - так называемые побочные каналы приема. В радиоприемнике прямого усиления основными источниками помех служат соседние по частоте станции. Побочные каналы приема создаются в супергетеродинном приемнике в процессе преобразования частоты. Так, один из таких каналов, наиболее опасный, образуется следующим образом. На входе радиоприемника всегда действует множество сигналов различных частот, среди которых может оказаться частота, удовлетворяющая условию формирования промежуточной частоты. Причем, если в радиоприемнике принято условие fг >fc , то частота побочного канала f3 K >fr . относительное расположение частот для этого случая показано на рисунке 1.2. Частота f3 K отстоит от частоты гетеродина fr на такое же расстояние, что и частота принимаемого сигнала fс . Поэтому канал , по которому проникает помеха на частоте f3 K , называют симметричным или зеркальным. Для случая fr <fc частоты fc и f3 K поменяются местами. Второй побочный канал приема, по которому может проникать специфическая для супергетеродинного приема помеха, возникает на частоте, равной промежуточной fnpc . Поскольку фильтр, включенный в выходную цепь смесителя, настроен на промежуточную частоту, смеситель для сигналов, у которых fc = fnp , является усилителем. Эту помеху называют помехой прямого прохождения. Для того, чтобы уменьшить помеху прямого прохождения и помеху по зеркальному каналу, как и других побочных каналов, необходимо их ослабить до попадания на вход преобразователя. Эта задача выполняется резонансными контурами тракта радиочастоты, который часто называют преселектором (предварительным селектором). Итак, в структурную схему супергетеродинного радиоприемника входят следующие элементы: |
|||||||||||||||||||||||||||||||||||||||||||||||||||||||||
СПРТ. КП 2003. 000ПЗ |
Лист |
||||||||||||||||||||||||||||||||||||||||||||||||||||||||
| 6 |
|||||||||||||||||||||||||||||||||||||||||||||||||||||||||
| Изм. |
Лист |
№ докум. |
Подп. |
Дата |
|||||||||||||||||||||||||||||||||||||||||||||||||||||
| 1) входное устройство - его назначение такое же, как и в приемнике прямого усиления, но главным образом для обеспечения избирательности по побочным каналам; 2) усилитель радиочастоты - его основное назначение - это повышение соотношения сигнал шум на входе преобразователя и ослабление помех от побочных каналов. Возможно построение супергетеродинного радиоприемника без усилителя радиочастоты; 3) преобразователь частоты - специфический элемент супергетеродинного радиоприемника; 4) усилитель промежуточной частоты - предназначен для выделения спектра радиосигнала из помех, близких по частоте, и усиления его до величины, необходимой для работы детектора сигнала; 5) детектор сигнала - предназначен для преобразования спектра 6) усилитель низкой частоты или усилитель сигнала частот модуляции - 1.1 Обоснование выбора промежуточной частоты Так как для реализации своих исходных данных я выбрал схему супергетеродинного приемника, то большое значение для обеспечения постоянства его качественных показателей на заданном уровне, приобретает правильный выбор промежуточной частоты fnp. При выборе промежуточной частоты необходимо руководствоваться следующими соображениями. Промежуточная частота должна находиться вне диапазона принимаемых частот и не должна совпадать с частотами мощных радиостанций, в противном случае сигнал будет подавлен сигналами этих радиостанций. Промежуточная частота должна иметь стандартное значение, установленное ГОСТом. Выбранная промежуточная частота должна иметь такое значение, при котором наиболее эффективно можно будет обеспечить хорошую избирательность, как по соседнему, так и по зеркальному каналу. Для обеспечения более высокой избирательности по зеркальному каналу Se3, промежуточная частота должна быть по возможности выше (зеркальный канал отстает от |
|||||||||||||||||||||||||||||||||||||||||||||||||||||||||
| СПРТ. КП 2003. 000ПЗ |
Лист |
||||||||||||||||||||||||||||||||||||||||||||||||||||||||
| 7 |
|||||||||||||||||||||||||||||||||||||||||||||||||||||||||
| Изм. |
Лист |
№ докум. |
Подп. |
Дата |
|||||||||||||||||||||||||||||||||||||||||||||||||||||
| полезного на 2Fпр), а для обеспечения избирательности по соседнему каналу Se3 - как можно ниже (соседний канал отстает от полезного на величину 10 кГц). Однако с увеличением fnp ухудшается добротность избирательной системы пьезокерамического фильтра (ПКФ), a, следовательно, не произойдет обеспечение высокой избирательности по соседнему каналу, вследствие чего па нагрузке радиоприемного устройства (РПУ) будет выделяться сигнал с частотой fnp 10 кГц. Поэтому, чтобы этого не случилось необходимо, чтобы пьезокерамический фильтр (ПКФ) обладал достаточно высокой избирательностью, а это возможно только при достаточно низкой fnp, так как при уменьшении fnp увеличивается добротность. При большой fnp добротность пьезокерамического фильтра (ПКФ) меньше, его АЧХ имеет более пологие скаты и более широкую полосу пропускания, в которую входит сигнал с соседнего канала. В случае, если fnp меньше – добротность пьезокерамического фильтра (ПКФ) больше, полоса пропускания меньше и сигнал с соседнего канала в эту полосу не входит. Возникло противоречие: с одной стороны нужно увеличить fnp для обеспечения высокой Se3, с другой стороны нужно уменьшить Snp для обеспечения высокой Без. Поэтому чтобы удовлетворить эти два условия нужно выбрать необходимую fnp. Следуя ГОСТу видно, что промежуточная частота для ДВ, СВ и KB диапазонов равна 465 кГц, для УКВ диапазонов 10,7 МГц, а для радиолокационных РПУ fnp = 100 МГц. Исходя из выше написанного, сделаем вывод, что для данного приемника промежуточная частота равна 465кГц, так как данный приемник КВ1 диапазона. Так же необходимо обеспечить избирательность по промежуточной частоте. Если на частоте равной промежуточной будет работать передатчик, то смеситель преобразователя для этой частоты будет являться резонансным усилителем и из-за некоторых резонансных свойств тракта ВЧ в нагрузке РПУ мы будем слышать на ряду с полезным сигналом сигнал-помеху на fnp. Ослабить этот побочный канал можно включением в цепь антенны фильтра "пробка". Из вышесказанного следует, что избирательность по побочным каналам, а так же другие показатели РПУ зависят от правильного выбора промежуточной частоты. 1.2 Обоснование выбора блока настройки 1.2.1 Определяем коэффициент перекрытия диапазона с запасом на перекрытие: fmax Кпд = fmin , (1.3) где fmax - максимальная частота диапазона, МГц; fmin - минимальная частота диапазона, МГц. |
|||||||||||||||||||||||||||||||||||||||||||||||||||||||||
| СПРТ. КП 2003. 000ПЗ |
Лист |
||||||||||||||||||||||||||||||||||||||||||||||||||||||||
| 8 |
|||||||||||||||||||||||||||||||||||||||||||||||||||||||||
| Изм. |
Лист |
№ докум. |
Подп. |
Дата |
|||||||||||||||||||||||||||||||||||||||||||||||||||||
| Исходя из моих данных:
В диапазоне КВ применяются варикапы ( КВ – 102, КВ – 109, КВ – 111). Для обоснования выбора типа варикапа рассчитывают его коэффициент перекрытия по ёмкости:
где Св max Cв min – максимальное и минимальное значение варивапа. Со – паразитная ёмкость схемы, которую можно принять: КВ – Со » 25 пФ Для устранения нелинейности ЧИЦ с варикапом применяют встречно – последовательное соединение двух варикапов. Исходя из расчёта приведённого выше , выбираем варикап серии КВ – 119 . Из справочника выписываем его параметры: Uобр min – 1В Uобр max – 10В Элемент настройки имеет следующие достоинства: 1) высокую прочность и надёжность, так как отсутствует влияние механических воздействий. 2) возможность достижения практически любой заданной избирательности по зеркальному каналу. 3) возможность и лёгкость осуществления программного управления, автопоиска. 4) уменьшение габаритов электрической части приёмника. 5) высокую скорость перестройки |
|||||||||||||||||||||||||||||||||||||||||||||||||||||||||
| СПРТ. КП 2003. 000ПЗ |
Лист |
||||||||||||||||||||||||||||||||||||||||||||||||||||||||
| 9 |
|||||||||||||||||||||||||||||||||||||||||||||||||||||||||
| Изм. |
Лист |
№ докум. |
Подп. |
Дата |
|||||||||||||||||||||||||||||||||||||||||||||||||||||
| 1.3 Определение полосы пропускания приёмника 1.3.1 Определяем требуемую полосу пропускания приёмника: П = 2 Fв + Пнс , (1.5) где Fв – верхняя частота модуляции. Пнс – нестабильность и неточность настройки радиоприёмного устройства, определяется по формуле: Пнс = 2Dfсопр + 2Dfг , (1.6) где Dfсопр – неточность сопряжения настроек контуров. Dfг - нестабильность частоты гетеродина. Полагая, что в радиоприёмном устройстве в процессе работы точно настраивается на частоту принимаемого сигнала, допускается, что Пнс = 0
1.4 Расчёт радиочастотного тракта Задаёмся конструктивной добротностью контура входной цепи: КВ диапазон Qк = 150 За счёт шунтирующего действия первого каскада, эквивалентная добротность падает и определяется:
где & - коэффициент шунтирования, значение которого задаётся равной & = 0,3 После чего мы можем рассчитать :
1.4.1 Определяем избирательность по зеркальному каналу Sз.к , которую может обеспечить входная цепь на максимальной частоте диапазона: |
|||||||||||||||||||||||||||||||||||||||||||||||||||||||||
| СПРТ. КП 2003. 000ПЗ |
Лист |
||||||||||||||||||||||||||||||||||||||||||||||||||||||||
| 10 |
|||||||||||||||||||||||||||||||||||||||||||||||||||||||||
| Изм. |
Лист |
№ докум. |
Подп. |
Дата |
|||||||||||||||||||||||||||||||||||||||||||||||||||||
|
где fпр – промежуточная частота
Так как Sз.к.рас. больше Sз.к.треб. , то контур входной цепи обеспечивает нужную избирательность по зеркальному каналу. 1.4.2 Определяем избирательность по соседнему каналу, которую может обеспечить входная цепь:
где Δf = 9кГц – расстройка для соседнего канала
Sc .к. = 20ln(1) = 0 дБ 1.4.3 Определяем частотные искажения на минимальной кастоте диапазона вносимой входной цепью:
|
|||||||||||||||||||||||||||||||||||||||||||||||||||||||||
| СПРТ. КП 2003. 000ПЗ |
Лист |
||||||||||||||||||||||||||||||||||||||||||||||||||||||||
| 11 |
|||||||||||||||||||||||||||||||||||||||||||||||||||||||||
| Изм. |
Лист |
№ докум. |
Подп. |
Дата |
|||||||||||||||||||||||||||||||||||||||||||||||||||||
| где П – полпса пропускания приёмника.
|
|||||||||||||||||||||||||||||||||||||||||||||||||||||||||
| СПРТ. КП 2003. 000ПЗ |
Лист |
||||||||||||||||||||||||||||||||||||||||||||||||||||||||
| 12 |
|||||||||||||||||||||||||||||||||||||||||||||||||||||||||
| Изм. |
Лист |
№ докум. |
Подп. |
Дата |
|||||||||||||||||||||||||||||||||||||||||||||||||||||
| 2 ОБОСНОВАНИЕ ВЫБОРА ПРИНЦИПИАЛЬНОЙ СХЕМЫ ПРИЕМНИКА 2.1 Обоснование выбора элементной базы высокочастотной части приемника По заданию данного курсового проекта необходимо спроектировать приемник на ИМС 174-ой серии, поэтому из справочника выбираем ИМС К174ХА2. 2.1.1 Описание ИМС К174ХА2 К174ХА2 представляет собой полупроводниковую интегральную микросхему 3-й степени интеграции. Она содержит 34 транзистора, 21 диод, и 57 резисторов. Таблица 2.1 Электрические параметры ИМС К174ХА2
Предельные эксплуатационные данные: Напряжение питания ..................... …………4,8... 15В Максимальное входное напряжение ……………...2В Максимальная температура кристалл- ла .............................................. ............... ………..+125° С Температура окружающей среды ……..-25...+550 С |
|||||||||||||||||||||||||||||||||||||||||||||||||||||||||
СПРТ. КП 2003. 000ПЗ |
Лист |
||||||||||||||||||||||||||||||||||||||||||||||||||||||||
| 13 |
|||||||||||||||||||||||||||||||||||||||||||||||||||||||||
| Изм. |
Лист |
№ докум. |
Подп. |
Дата |
|||||||||||||||||||||||||||||||||||||||||||||||||||||
| Типовая схема включения изображена на рисунке 2.1.
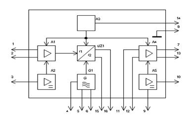
Рисунок 2.1 Типовая схема включения ИМС К174ХА2 . Рисунок 2.2 Функциональная схема ИМС К174ХА2 Примечание к рисунку: А1- усилитель радиочастоты (УРЧ); А2- система АРУ; А3- стабилизатор напряжения; А4- усилитель промежуточной частоты (УПЧ); А5- система АРУ; G1-гетеродин; UZ1- смеситель. |
|||||||||||||||||||||||||||||||||||||||||||||||||||||||||
| СПРТ. КП 2003. 000ПЗ |
Лист |
||||||||||||||||||||||||||||||||||||||||||||||||||||||||
| 14 |
|||||||||||||||||||||||||||||||||||||||||||||||||||||||||
| Изм. |
Лист |
№ докум. |
Подп. |
Дата |
|||||||||||||||||||||||||||||||||||||||||||||||||||||
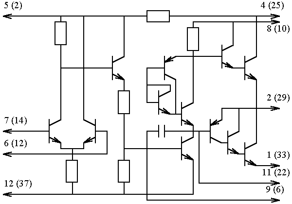
| Принципиальная схема ИМС К174ХА2 изображена на рисунке 2.3.
Рисунок 2.2 Принципиальная схема ИМС К174ХА2 Назначение выводов: 1 — вход 1-го усилителя высокой частоты; 2 — вход 2-го усилителя высокой частоты; 3 — вход усилителя АРУ; 4. 5, 6 — выводы гетеродина; 7—выход усилителя промежуточной частоты; 8 — общий вывод, питание (-Un ); 9 — вход усилителя АРУ усилителя промежуточной частоты; 10 — выход усилителя индикации; 11; 13 — вывод усилителя промежуточной частоты; 12 — вход усилителя промежуточной частоты; 14 — вход стабилизатора напряжения, питание ( + Un ); 15, 16 — выходы смесителя. В ИМС К174ХА2 симметричный резисторный каскад УРЧ построен на транзисторах Т1 и Т2 (см. рисунок 2.2). Напряжение сигнала на эти транзисторы (выводы 1 и 2) подаётся симметрично с помощью катушки L2, связанной с контуром входной цепи. Напряжение питания подается на резисторы R6 и R7 эмиттера Т6, на базу которого подано напряжение, стабилизированное с помощи цепочки R6, Д16-Д21. Транзистор Т6 работают как буфер, уменьшающий нагрузку цепочки диодов. Напряжение питания на коллекторе Т1 и Т2 подается через резисторы R2 и R4 с эмиттера Т16, на базу которого тоже подается стабилизированное напряжение с цепочки R55, Д16-Д21, однако, несколько больше, чем на базу Т6 (приблизительно на 1,3-1,5 В). Подобно Т6, Т16 служит буфером. В проводе эмиттера Т1 и Т2 включены резисторы R10 и R11; они создают отрицательную обратную связь по постоянному току, стабилизирующую режим. Диоды Д1 -Д4 служат для АРУ; при слабом сигнале Д1 и Д2 заперты и не шунтируют выход каскада, а диоды ДЗ и Д4 открыты, так что отрицательная обратная связь по переменному току мала; при сильном сигнале Д1 и Д2 открываются и сильно шунтируют выход каскада, а диоды ДЗ и Д4 запираются, так что в каскаде появляется сильная отрицательная обратная |
|||||||||||||||||||||||||||||||||||||||||||||||||||||||||
| СПРТ. КП 2003. 000ПЗ |
Лист |
||||||||||||||||||||||||||||||||||||||||||||||||||||||||
| 15 |
|||||||||||||||||||||||||||||||||||||||||||||||||||||||||
| Изм. |
Лист |
№ докум. |
Подп. |
Дата |
|||||||||||||||||||||||||||||||||||||||||||||||||||||
| связь по переменному току; в результате усиление каскада уменьшается. На транзисторах ТЗ-Т5 построен УПТ, предназначенный для усиления положительного напряжения, поступающего с детектора системы АРУ на вывод 3. С выхода УРЧ ( с коллектора Т1 и Т2 ) усиленное напряжение сигнала подается на сигнальный вход смесителя( попарно соединенные друг с другом базы транзисторов Т8, Т9 и Т7-Т10). Гетеродинным выходам смесителя служат базы Т11 и Т 12. Постоянное напряжения на базе Т7-Т10, как и напряжения сигнала, подаются непосредственно с коллектора Т1 и Т2, питание же на базы Т11 и Т12 и на непосредственно соединенные с ними базы транзисторов гетеродина Т15 и Т14 подаётся через резисторы R17 и R18 с дополнительной стабилизацией цепочки R20, Д13-Д15. Дополнительная стабилизация напряжения нужна, конечно, не для смесителя, а для гетеродина. Напряжения питания на коллекторе Т7- Т10 подаются с выводов 15 и 16 через подключенные к этим выводам элементы нагрузки. Это два конура промежуточной частоты с катушками L6 и L8; с первого из них колебаний через ПКФ подаётся на вход УПЧ (вывод 12), а со второго на самостоятельный детектор АРУ УРЧ, выход которого соединён с выводом 3 ИМС. Гетеродин, как уже упоминалось, сроится на транзисторах Т14 и Т15, На коллектор Т15 напряжения питания подается непосредственно с источника без предварительной стабилизации. На коллектор Т14 то же напряжение подается через катушку колебательного контура L3 (схема питания последовательная, включение контура автотрансформаторное). Напряжения обратной связи подается на базы транзисторов (вывод 4. 5) с помощью катушки L4. Такая схема построения гетеродина позволяет при несимметричном включении колебательного контура реализовать преимущество двухтактной системы- подавления (существенное ослабление) четных гармоник. УПЧ включает в себя три одинаковых регулируемых симметричных каскада и симметричный нерегулируемый выходной каскад. Каждый из первых трёх каскадов построен на четырех транзисторах: Т23-Т26, Т27-ТЗО и Т31-ТЗЗ. Два из четырёх транзисторов (Т24 и Т25 в первом каскаде) включены по схеме ОЭ, а за ними следует два (Т23 и Т26), включенных по схеме с ОК (эмиттерные повторители). Такая схема позволяет без помощи разделительных конденсаторов избежать постепенного повышения потенциалов от каскада к каскаду. База Т25 (вывод 11) с помощью внешнего конденсатора соединяется с корпусом, что исключает обратную связь через R43, R56 по переменному току. Такая же связь через R22; R42 устраняется соединением с корпусом через внешний конденсатор средней точки между этими двумя резисторами. На базу Т24 (вывод 12) подаётся, как уже упоминалось, напряжение с выхода ПКФ. Сопротивление R22 практически равно характеристическому сопротивлению ПКФ; это устраняет надобность в согласующем трансформаторе или контуре. |
|||||||||||||||||||||||||||||||||||||||||||||||||||||||||
СПРТ. КП 2003. 000ПЗ |
Лист |
||||||||||||||||||||||||||||||||||||||||||||||||||||||||
| 16 |
|||||||||||||||||||||||||||||||||||||||||||||||||||||||||
| Изм. |
Лист |
№ докум. |
Подп. |
Дата |
|||||||||||||||||||||||||||||||||||||||||||||||||||||
| На первый взгляд представляется не оправданным применение, двух резисторов R43 и R56 вместо одного с тем же сопротивлением. Однако при интегральной технологии изготовление двух резисторов вместо одного практически не увеличивает стоимости, а с точки зрения обеспечения идентичности рассматриваемой цепочки с R22, R42 такое решение, по-видимому, предпочтительно. Диоды Д7-Д12, подобно диодам ДЗ и Д4 в каскаде УРЧ, служат для АРУ путём изменения глубины отрицательной обратной связи: с усилением сигнала зги диоды запираются и глубина обратной связи растёт. Управление этими диодами осуществляется через УПТ, построенный на транзисторах Т17 -Т19 на базу Т17 (вывод 9) подаётся постоянное напряжение с выхода детектора. Транзистор Т34 служит для индикации настройки. В провод его эмиттера последовательно с R57 можно включить внешний микроамперметр. По мере усиления сигнала и вызываемого этим уменьшения эмиттерного тока Т17 и, соответственно, падения напряжения на R32, потенциал базы Т34 повышается и эмиттерный ток растет, что и регистрируется микроамперметром. Выходной каскад УПЧ построен на Т20 и Т21. Резистор R52 стабилизирует режим. Резисторы R53 и R54 выравнивают распределение тока между транзисторами и создают отрицательную обратную связь, уменьшающую нелинейные искажение. Коллектор Т21 соединён с корпусом, а в провод коллектора Т20 (вывод 9) включается выходной контур промежуточной частоты с катушкой L5, с которым связан детектор. Стабилизированное напряжения питания УПЧ снимается с эмиттера Т13, на базу которого, как и на базу T16, подается стабилизированное напряжение с цепочки R55, Д16 -Д21. 2.2 Обоснование выбора схемы входной цепи По заданию данного курсового проекта входная цепь должна быть с электронной настройкой (см. рисунок 3.1). Антенна входной цепи определяется в зависимости от диапазона воспроизводимых приёмником частот. В диапазонах ДВ и СВ антенна магнитная, а в диапазонах КВ и УКВ – внешняя штыревая. Связь с антенной используется емкостная, так как эта связь наиболее распространённая и проще реализуема на практике. |
|||||||||||||||||||||||||||||||||||||||||||||||||||||||||
| СПРТ. КП 2003. 000ПЗ |
Лист |
||||||||||||||||||||||||||||||||||||||||||||||||||||||||
| 17 |
|||||||||||||||||||||||||||||||||||||||||||||||||||||||||
| Изм. |
Лист |
№ докум. |
Подп. |
Дата |
|||||||||||||||||||||||||||||||||||||||||||||||||||||
| 2.3 Предварительный расчёт тракта промежуточной частоты 2.3.1 Обоснование выбора типа избирательных систем тракта ПЧ В тракте ПЧ в качестве избирательной системы наибольшее применение находит фильтр сосредоточенной селекции (ФСС). ФСС обычно является нагрузочной смесителя и обеспечивает практически всю избирательность по соседнему каналу. Основным достоинством ФСС, перед другими избирательными системами является обеспечение высокой прямоугольности резонансной характеристики приёмника, обеспечивающей высокую избирательность по соседнему каналу при требуемой полосе пропускания . При этом каскады УПЧ могут быть выполнены по резисторной схеме, что обеспечивает выполнение УПЧ на интегральной микросхеме. Исключение составляет одиночный каскад УПЧ , нагрузкой которого обычно является одиночный контур , обеспечивающий согласование со входом детектора. 2.3.2 Расчёт избирательности одиночного контура УПЧ Задаёмся допустимым коэффициентом частотных искажений одиночного контура УПЧ, где МУПЧ = 1дБ = 1.12 раз. Тогда требуемая эквивалентная добротность контура будет равна:
Необходимо чтобы полученное значение Qэ было ≤ Qэ max , где Qэ max – максимально допустимое эквивалентное значение добротности контура, равное:
где Qк – конструктивно выполнимое значение добротности: Qк = 150 ψ – коэффициент шунтирования, который можно принять примерно ψ ≈ 0.5
|
|||||||||||||||||||||||||||||||||||||||||||||||||||||||||
| СПРТ. КП 2003. 000ПЗ |
Лист |
||||||||||||||||||||||||||||||||||||||||||||||||||||||||
| 18 |
|||||||||||||||||||||||||||||||||||||||||||||||||||||||||
| Изм. |
Лист |
№ докум. |
Подп. |
Дата |
|||||||||||||||||||||||||||||||||||||||||||||||||||||
| 1. Определяем избирательность по соседнему каналу, которую обеспечивает одиночный контур.
2. Определяем избирательность по соседнему каналу, которую обеспечивает одиночный контур.
2.3.2 Расчёт числа звеньев фильтра с сосредоточенной селекцией
1. Определяем допустимый коэфиициент частотных искажений вносимых Ф.С.С. Мфсс(дБ) = Мобщ(дБ ) – Мвх(дБ) – Мупч – Мзч , (2.6) где Мобщ – общая величина коэффициента частотных искажений. Мвх – коэффициент частотных искажений входной цепи приёмника. Мзч - коэффициент частотных искажений тракта звуковой частоты. Мфсс = 9 – 0 – 1 – 3 = 5 дБ 2. Определяем расчётную полосу пропускания:
где αn – величина относительной расстройки на границе полосы пропускания, принимаем αn = 0.9 |
|||||||||||||||||||||||||||||||||||||||||||||||||||||||||
| СПРТ. КП 2003. 000ПЗ |
Лист |
||||||||||||||||||||||||||||||||||||||||||||||||||||||||
| 19 |
|||||||||||||||||||||||||||||||||||||||||||||||||||||||||
| Изм. |
Лист |
№ докум. |
Подп. |
Дата |
|||||||||||||||||||||||||||||||||||||||||||||||||||||
|
3. Определяем требуемую избирательность по соседнему каналу Ф.С.С. Sс.к.фсс(дБ) = Sс.к. тр(дБ) – Sс.к. в.ц.(дБ) – Sс.к. у.п.ч(дБ) = 40 – 0 – 2.2 = 37.8 дБ (2.8) 4. Определяем требуемую добротность контура Ф.С.С.
Q должно быть ≤ Qк , где Qк – конструктивная добротность контура; Qк = 250
5. Определяем величину относительной расстройки для частоты соседнего канала:
где Δƒ – 9 кГц расстройка для соседнего канала.
6. Определяем величину обобщённого затухания:
По полученным значениям αс и β по графику (смотри приложение А) определяем избирательность по соседнему каналу одного звена Ф.С.С. Sс.к. 1 в дБ, которое равно Sс.к. 1 = 7.5 дБ |
|||||||||||||||||||||||||||||||||||||||||||||||||||||||||
| СПРТ. КП 2003. 000ПЗ |
Лист |
||||||||||||||||||||||||||||||||||||||||||||||||||||||||
| 20 |
|||||||||||||||||||||||||||||||||||||||||||||||||||||||||
| Изм. |
Лист |
№ докум. |
Подп. |
Дата |
|||||||||||||||||||||||||||||||||||||||||||||||||||||
| 7. Определяем число звеньев Ф.С.С. необходимых для обеспечения требуемой избирательности по соседнему каналу Ф.С.С.
8. Определяем величину частотных искажений , вносимых Ф.С.С смесителя на краях полосы пропускания:
где Мфсс I – коэффициент частотных искажений в дБ одного звена Ф.С.С., определяемый по графику для выбранного значения αn и β. Мфсс I = 1.5, откуда:
Из расчётов видно, что для обеспечения требуемой избирательности по соседнему каналу Ф.С.С. требуется 5 звеньев, но в данном случае для уменьшения кэффициента частотных искажений и габаритов радиоприёмного устройства, будет проще выбрать пьезокерамический фильтр. Из справочника выбираем – ПФ1П – 2, его параметры указаны в таблице 2.2. Таблица 2.2
2.4 Выбор принципиальной схемы детектора Детектором называется устройство, служащее для создания напряжения , изменяющего в соответствии с законом модуляции одного из параметров входного сигнала . В зависимости от вида сигнала поступающего на вход детектора , они разделяются на: амплитудные, частотные и фазовые детекторы – для непрерывных гармонических сигналов; детекторы видеоимпульсов – для видеоимпульсных сигналов. Для данного приёмника выбираем схему амплитудного детектора, так как он принимает гармонические сигналы, модулированные по амплитуде, принципиальная схема которого приведена в расчёте детектора на рисунке 3.3. |
|||||||||||||||||||||||||||||||||||||||||||||||||||||||||
| СПРТ. КП 2003. 000ПЗ |
Лист |
||||||||||||||||||||||||||||||||||||||||||||||||||||||||
| 21 |
|||||||||||||||||||||||||||||||||||||||||||||||||||||||||
| Изм. |
Лист |
№ докум. |
Подп. |
Дата |
|||||||||||||||||||||||||||||||||||||||||||||||||||||
| 2.5 Расчёт требуемого коэффициента усиления и числа каскадов в высокочастотной части приёмника 2.5.1 Определяем требуемый коэффициент усиления высокочастотной части радиоприёмного устройства:
где Um вх.дет - требуемая амплитуда напряжения на входе детектора; для квадратичного детектора. Um вх. дет = 0.1 ÷ 0.2 В , для линейного детектора. Um вх. дет = 0.5 ÷ 1 В , для квадратичного детектора. Ea min – чувствительность приёмника. Кзап. – коэффициент запаса, берётся 1.5 ÷ 2
При выполнении высокочастотной части приёмника на интегральной микросхеме реальный коэффициент усиления подсчитывается как:
где Кимс. 1 – коэффициент усиления по напряжению И.М.С. 1 Кимс. n – коэффициент усиления по напряжению И.М.С. n Кф – коэффициент передачи Ф.С.С. приравнивается равным - 0.25
Так как реальный коэффициент усиления высокочастотной части радиоприемного устройства много меньше требуемого, то в схему необходимо ввести дополнительный блок – резисторный У.Р.Ч. (Усилитель Радиочастоты ), коэффициент усиления которого принимается равным 15, тогда:
|
|||||||||||||||||||||||||||||||||||||||||||||||||||||||||
| СПРТ. КП 2003. 000ПЗ |
Лист |
||||||||||||||||||||||||||||||||||||||||||||||||||||||||
| 22 |
|||||||||||||||||||||||||||||||||||||||||||||||||||||||||
| Изм. |
Лист |
№ докум. |
Подп. |
Дата |
|||||||||||||||||||||||||||||||||||||||||||||||||||||
| СПРТ. КП 2003. 000ПЗ |
Лист |
||||||||||||||||||||||||||||||||||||||||||||||||||||||||
| Изм. |
Лист |
№ докум. |
Подп. |
Дата |
|||||||||||||||||||||||||||||||||||||||||||||||||||||
| 2.6 Обоснование выбора автоматической регулировки усиления (А.Р.У.) А.Р.У. предназначена для автоматического изменения коэффициента усиления приёмника в соответствии величиной сигнала на входе приёмника, обеспечивающего требуемое напряжение на выходе приёмника в допустимых пределах. 2.6.1 Определяем требуемую глубину регулировки:
где Двх.(раз) – динамический диапазон выходных сигналов в разах. Двых.(раз) – допустимый динамический диапазон выходных сигналов в разах.
2.6.2 Определяем необходимое число регулируемых каскадов:
где ГI(дБ) - реальная глубина регулировки одним каскадом приёмника, принимается равной ≈ 20дБ
Выбираем два регулировочных каскада, так как в ИМС К174ХА2 уже содержится две системы АРУ, одна относится к УПЧ, а другая к УРЧ ( смотри рисунок 2.2 ). |
|||||||||||||||||||||||||||||||||||||||||||||||||||||||||
| СПРТ. КП 2003. 000ПЗ |
Лист |
||||||||||||||||||||||||||||||||||||||||||||||||||||||||
| 23 |
|||||||||||||||||||||||||||||||||||||||||||||||||||||||||
| Изм. |
Лист |
№ докум. |
Подп. |
Дата |
|||||||||||||||||||||||||||||||||||||||||||||||||||||
| 2.7 Обоснование выбора элементной базы усилителя звуковой частоты (У.ЗЧ.) и предварительный расчёт У.З.Ч 2.7.1 Обоснование выбора Так как по заданию курсового проекта необходимо спроектировать приёмник на И.М.С. 174 серии, то из справочника выбираем И.М.С. К174УН5. Микросхема представляет собой усилитель мощности низкой частоты с номинальной выходной мощностью 2Вт при нагрузке 4 Ом. Электрические и предельные эксплуатационные параметры указаны в таблице 2.2 и 2.3 . Таблица 2.3
Таблица 2.4
|
|||||||||||||||||||||||||||||||||||||||||||||||||||||||||
| СПРТ. КП 2003. 000ПЗ |
Лист |
||||||||||||||||||||||||||||||||||||||||||||||||||||||||
| 24 |
|||||||||||||||||||||||||||||||||||||||||||||||||||||||||
| Изм. |
Лист |
№ докум. |
Подп. |
Дата |
|||||||||||||||||||||||||||||||||||||||||||||||||||||
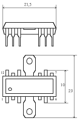
| Корпуса ИМС К174УН5
1,12 - общий Рисунок 2.4
33,37 - общий Рисунок 2.5 |
|||||||||||||||||||||||||||||||||||||||||||||||||||||||||
| СПРТ. КП 2003. 000ПЗ |
Лист |
||||||||||||||||||||||||||||||||||||||||||||||||||||||||
| 25 |
|||||||||||||||||||||||||||||||||||||||||||||||||||||||||
| Изм. |
Лист |
№ докум. |
Подп. |
Дата |
|||||||||||||||||||||||||||||||||||||||||||||||||||||
| Принципиальная схема ИМС К174УН5 изображена на рисунке 2.6.
Рисунок 2.6 Типовая схема включения ИМС К174УН5 изображена на рисунке 2.7.
Рисунок 2.7 |
|||||||||||||||||||||||||||||||||||||||||||||||||||||||||
| СПРТ. КП 2003. 000ПЗ |
Лист |
||||||||||||||||||||||||||||||||||||||||||||||||||||||||
| 26 |
|||||||||||||||||||||||||||||||||||||||||||||||||||||||||
| Изм. |
Лист |
№ докум. |
Подп. |
Дата |
|||||||||||||||||||||||||||||||||||||||||||||||||||||
| 2.7.2 Расчёт требуемого коэффициента усиления У.З.Ч 1.Определяем амплитуду напряжения на входе У.З.Ч.
где Кдет – коэффициент передачи детектора. m - глубина модуляции, можно взять m = 0.3 Um вх. дет – требуемая амплитуда напряжения на входе детектора; для квадратичного Um вх. дет = 0.1 - 0.2В , для линейного Um вх. дет = 0.5 – 1В. Так как у нас приёмник работает в КВ диапазоне мы выбираем линейный детектор с входным напряжением равным 0.5В .
2.Определяем требуемую амплитуду выходного напряжения:
где Рвых . – требуемая выходная мощность приёмника. Rн – активное сопротивление обмотки динамика.
3.Определяем требуемый коэффициент усиления по напряжению для У.З.Ч.
где Кзап. – коэффициент запаса равной ≈ 1.5 – 2
2.8 Составление функциональной части приёмника Функциональная схема приемника изображена на рисунке 2.8. |
|||||||||||||||||||||||||||||||||||||||||||||||||||||||||
СПРТ. КП 2003. 000ПЗ |
Лист |
||||||||||||||||||||||||||||||||||||||||||||||||||||||||
| 27 |
|||||||||||||||||||||||||||||||||||||||||||||||||||||||||
| Изм. |
Лист |
№ докум. |
Подп. |
Дата |
|||||||||||||||||||||||||||||||||||||||||||||||||||||
|
Рисунок 2.8 Сигнал с антенного контура поступает на УРЧ, построенный из двух частей: первая часть резисторный УРЧ на биполярном транзисторе; вторая часть УРЧ встроенный в микросхему. Затем сигнал с частотой ƒc поступает на смеситель, куда одновременно поступает сигнал с частотой гетеродина - ƒг . Контур гетеродина в данной схеме подключается как внешний элемент. На выходе смесителя формируется разностный сигнал с частотой ƒпр . ПКФ отфильтровывает комбинационные составляющие частоты выходного тока преобразователя частоты. После ПКФ сигнал с ƒпр поступает на УПЧ, где сигнал получает основное усиление до детектора. В детекторе происходит преобразование ВЧ модулированного сигнала в НЧ. Преобразованный сигнал поступает на вход усилителя звуковой частоты, выполненный на ИМС К174УН3, который обеспечивает необходимый коэффициент усиления по напряжению, и усилителя. УЗЧ усиливает преобразованный сигнал до величины необходимой для нормальной работы динамика. |
|||||||||||||||||||||||||||||||||||||||||||||||||||||||||
| СПРТ. КП 2003. 000ПЗ |
Лист |
||||||||||||||||||||||||||||||||||||||||||||||||||||||||
| 28 |
|||||||||||||||||||||||||||||||||||||||||||||||||||||||||
| Изм. |
Лист |
№ докум. |
Подп. |
Дата |
|||||||||||||||||||||||||||||||||||||||||||||||||||||
3 ЭЛЕКТРИЧЕСКИЙ РАСЧЁТ3.1 Электрический расчёт входной цепи
Рисунок 3.1 Схема входной цепи с электронной настройкой 3.1.1 Определяем полную минимальную ёмкость контура: C / в min = Cв min + Co = 15+25 = 40 пФ (3.1) 3.1.2 Определяем индуктивность контура:
3.1.3. Определяем ёмкость связи контура входной цепи с антенной:
По ГОСТу выбираем Cсв. = 5.1 пФ 3.1.4 Определяем эквивалентную ёмкость связи:
|
|||||||||||||||||||||||||||||||||||||||||||||||||||||||||
| СПРТ. КП 2003. 000ПЗ |
Лист |
||||||||||||||||||||||||||||||||||||||||||||||||||||||||
| 31 |
|||||||||||||||||||||||||||||||||||||||||||||||||||||||||
| Изм. |
Лист |
№ докум. |
Подп. |
Дата |
|||||||||||||||||||||||||||||||||||||||||||||||||||||
Входная цепь УРЧ ПЧ ФСС УПЧ1 УПЧ2 детектор УЗЧ
, (1.4)
, (1.8) 
, (1.9)
, (1.10)


(2.1)
(2.3)
, (2.9)

(2.11)
(2.12)
, (2.14)
(2.16)
, (2.17)



, (2.21)

(3.2)
(3.4)