| Скачать .docx |
Курсовая работа: Разработка измерительного аналогового преобразователя
БРЯНСКАЯ ГОСУДАРСТВЕННАЯ СЕЛЬСКОХОЗЯЙСТВЕННАЯ АКАДЕМИЯ
Кафедра: «Информатики»
КУРСОВАЯ РАБОТА
по дисциплине: «Электроника, микропроцессорная техника и техника связи»
на тему: «Разработка измерительного аналогового преобразователя»
Брянск 2009
Введение
В курсовой работе необходимо:
1) Разработать принципиальную схему усилителя-формирователя и блока питания. Определить параметры их элементов.
2) Определить характеристики спроектированного устройства.
a) Определить вид статической характеристики усилителя формирователя, т.е. зависимость выходного сигнала от входного.
b) Определить нестабильность по напряжению первичного источника питания и нестабильность по температуре (зависимость выходного сигнала от напряжения питания).
c) Оценить разрешающую способность спроектированного устройства (т.е. минимальное изменение входного сигнала, которое воспринимает спроектированное устройство).
Работа должна содержать 25-30 стр. пояснительной записки и чертёж готового устройства на ватмане формата А1.
Чертеж принципиальной схемы должен быть выполнен с соблюдением ГОСТов. Пояснительная записка должна содержать расчёты всех элементов схемы и обоснование выбора тех или иных элементов.
1. Задания для курсовой работы.
В данной курсовой работе студенты должны разработать и проанализировать работу электронного устройства, предназначенного для усиления сигнала датчика и формирования заданного выходного сигнала.
Усилитель предназначен для предварительного усиления сигнала. Он должен учитывать параметры подключаемого датчика (выходное напряжение, внутреннее сопротивление и т. п.).
Фильтр может быть активным (например на ОУ) или пассивным. Он необходим для подавления помех (обусловленных наводками, пульсациями питающего датчик напряжения и т. п.). Если помехи обусловлены только помехами по цепям питания, то необходимо предусмотреть в них фильтр (блок 3 тогда не нужен).
Формирователь предназначен для формирования заданного выходного сигнала. В случае непрерывного выходного сигнала он может быть выполнен на ОУ, а в случае дискретного выходного сигнала возможно использование транзисторных ключей, компараторов, в некоторых вариантах электромагнитных реле.
Блок питания должен содержать выпрямитель (при питании от сети переменного напряжения) и фильтр (C, RC, LC). При недостаточной стабильности блока питания необходимо применение стабилизатора.
Считать, что напряжение первичного источника питания может изменяться в пределах ±20%.
Индивидуальное задание:
1. Датчик: фоторезистор СФ3-1А (Е=0…1200 лк).
2. Помехи: наводка по линии связи датчика 4000 Гц.
3. Выходной сигнал: Iвых. = ±5 мА.
4. Питание: U пит = ±20 В. Первичный источник питания две аккумуляторные батареи = 24В.
2. Расчёт датчика
Фоторезисторы – полупроводниковые резисторы, изменяющие свое сопротивление под воздействием светового потока. В зависимости от спектральной чувствительности фоторезисторы делят на две группы: для видимой части спектра и для инфракрасной части спектра. Для изготовления фоторезисторов используют соединения кадмия и свинца. Чувствительные элементы изготовляют из монокристаллов или поликристаллов этих соединений.
Фоторезисторы обладают высокой стабильностью параметров. Изменение фототока является достаточно точной характеристикой его состояния. При длительной эксплуатации наблюдается стабилизация фототока, при этом его величина может изменяться на 20-30 %. Фоторезисторы чувствительны к быстрой смене крайних температур, поэтому не следует допускать более трех таких циклов.
Данные для фоторезистора СФ3-1А (Лавриенко, с.46, т.12):
Uф =15 В. TKIф = -0,4…-1,5 %/˚С
Iт
=0,5 мкА.
Iс
=750 мкА.
Rт =30 МОм. Uш =10 мкВ/В.
Rт
/ Rс
=1500
Pрас. =10 мВт.
Определим величину фототока:
Iф = Iс - Iт =750 - 0,5=749,5 мкА.
![]()
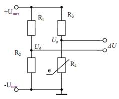
Мост постоянного тока
При включении резистивных датчиков (фоторезисторов) часто используется мостовая схема (рисунок 1). В этой схеме помимо датчика (фоторезистора) использовано 3 дополнительных резистора, сопротивление которых неизменно.
Выходным сигналом моста является разность напряжений с диагоналей моста
∆U = Uб – Uа .
Если мост сбалансирован, т.е. ![]()
то Uб = Uа и тогда ∆U =0 причём независимо от напряжения питания моста. Если осветить фоторезистор, то его сопротивление уменьшится, потенциал точки а тоже уменьшится и будет ∆U > 0 , причём опять вне зависимости от напряжения питания моста знак этого неравенства будет неизменен (хотя величина ∆U и будет меняться). И наоборот – при затемнении фоторезистора потенциал точки а увеличится и будет ∆U < 0 , опять вне зависимости от напряжения питания моста.

Рисунок 1 - Мост постоянного тока с терморезистором и фоторезистором
Изобразим принципиальную схему моста постоянного тока с фоторезистором СФ3-1А. Предполагается измерять освещенность в диапазоне от 0 до 1200 лк. Напряжение питания – 20 В. Требуется изобразить принципиальную схему и определить номиналы использованных элементов.
С выхода моста на последующие каскады устройства поступает дифференциальное напряжение. Резисторы моста выберем так, чтобы он был сбалансирован при 0 лк. Тогда его выходное напряжение ∆U при 0 лк будет равно нулю. При увеличении освещенности фоторезистора оно будет изменяться.
При напряжении питания Uпит =20 В ток, текущий через резисторы (соединённые последовательно):
![]()
При этом на них будет выделяться мощность:
![]()
По справочнику выбираем резисторы типа МЛТ с минимально возможной мощностью 0,125 Вт (0,005 Вт < 0,125 Вт) с номинальным сопротивлением 20 кОм (согласно ряду Е24). Обозначаем мощность (двумя косыми чертами) и сопротивление резисторов на схеме моста.
Когда мост сбалансирован, напряжение между его диагоналям равно нулю:
∆U = Uа - Uб = 10 – 10 = 0.
При увеличении освещенности фоторезистора его сопротивление падает и потенциал точки а уменьшается относительно нулевого потенциала (корпуса). Найдём Uа при 1200 лк.
Световое сопротивление фоторезистора можно рассчитать, зная кратность изменения сопротивления:
![]()
![]()
Ток через резисторы R2 и R4 :
![]()
Значит падение напряжение на резисторе R4 :
![]()
При этом выходное напряжение моста увеличится от 0 до
∆U = Uа - Uб =1,82 – 10= -8,18 В.
Итак, в мосте постоянного тока надо применить резисторы МЛТ- 0,125-20 кОм. При напряжении питания 20 В выходное напряжение моста будет изменяться от 0 до 8,18 В при изменении освещенности от 0 до 1200 лк. Принципиальная схема моста изображена на рисунке 3.
3. Выбор и расчёт усилителя
Одной из наиболее частых функций электронного устройства является усиление сигналов. В настоящее время существует огромное количество схемных решений выполнения этой операции. Самым простым и универсальным является применение для этой цели операционных усилителей.
Общие сведения.
Операционный усилитель (ОУ) был создан для выполнения математических операций в аналоговых вычислительных машинах. Первый ламповый ОУ K2W был разработан в 1942 году Л. Джули (США). Он содержал два двойных электровакуумных триода. Первые ОУ представляли собой громоздкие и дорогие устройства. С заменой ламп транзисторами операционные усилители стали меньше, дешевле, надежнее и сфера их применения расширилась. Первые операционные усилители на транзисторах появились в продаже в 1959 году. Первый интегральный ОУ µА702 (отечественный аналог - 140УД1), имевший рыночный успех, был разработан Робертом Видларом (R.J. Widlar) в 1963 году.
В настоящее время номенклатура ОУ насчитывает сотни наименований. Операционные усилители выпускаются в малогабаритных корпусах и очень дешевы, что способствует их массовому распространению.
Операционные усилители представляют собой усилители постоянного тока с высоким коэффициентом усиления, дифференциальным входом, малым выходным сопротивлением и малым входным током.
По размерам и цене ОУ общего применения практически не отличаются от отдельного транзистора. В то же время преобразование сигнала схемой на ОУ почти исключительно определяется свойствами цепей внешних обратных связей и отличается высокой стабильностью и воспроизводимостью. Кроме того, благодаря практически идеальным характеристикам ОУ реализация различных функциональных схем на их основе оказывается значительно проще, чем на дискретных транзисторах. Поэтому операционные усилители стали сегодня основой элементной базы (своего рода «кирпичиками») во многих областях аналоговой схемотехники.
На рисунке 2 дано схемное обозначение операционного усилителя.

Рисунок 2 - Обозначение ОУ
Входной каскад выполняется в виде дифференциального усилителя, так что в целом ОУ имеет два входа - инвертирующий и неинвертирующий. На схемах инвертирующий вход обозначается кружком (иногда неинвертирующий вход обозначается знаком «+», а инвертирующий - знаком «-»). Выходное напряжение Uвых находится в одной фазе с напряжением на неинвертирующем входе и в противофазе с напряжением на инвертирующем. Оно определяется разностью входных напряжений:
где, KU - дифференциальный коэффициент усиления ОУ.
Разность входных напряжений
![]()
называется дифференциальным входным напряжением.
Полусумма входных напряжений
![]()
называется синфазным входным напряжением.
Иногда синфазным называют также напряжение на неинвертирующем входе.
Чтобы обеспечить возможность работы операционного усилителя как с положительными, так и с отрицательными входными сигналами, следует использовать двухполярное напряжение питания. Для этого нужно предусмотреть два источника постоянного напряжения, которые подключаются к соответствующим внешним выводам ОУ. Чаще всего интегральные операционные усилители рассчитаны на напряжение питания ±15 В, хотя существует немало моделей, которые питаются от источников как существенно большего, так и заметно меньшего напряжения. Для упрощения схем на ОУ иногда не указываются выводы питания.
Операционный усилитель почти всегда используется с некоторыми внешними элементами, которые в конечном итоге определяют назначение и параметры электронной схемы.
Параметры ОУ.
1. Коэффициент усиления KU - отношение изменения выходного напряжения к вызвавшему его изменению дифференциального входного напряжения при работе усилителя на линейном участке характеристики:
![]()
Интегральные ОУ имеют коэффициент усиления, лежащий в диапазоне 103 -106
2. Напряжение смещения есм - дифференциальное входное напряжение , при котором выходное напряжение усилителя равно нулю. Максимальное по модулю значение есм для усилителей, входные каскады которых выполнены на биполярных транзисторах, чаще всего составляет 3-10 мВ. У тех ОУ, у которых входной каскад строится на полевых транзисторах, напряжение смещения обычно на порядок больше, 30-100 мВ.
Типичная зависимость выходного напряжения от входного для интегрального ОУ показана на рисунке 5. На этом рисунке поясняется смысл параметров КU и есм . Напряжение есм может иметь любую полярность.
3. Средний входной ток iвх - среднеарифметическое значение токов Н- и И-входов усилителя, измеренных при таком входном напряжении Uвх , при котором выходное напряжение Uвых равно нулю. Средний входной ток интегральных усилителей с входными каскадами на биполярных транзисторах обычно лежит в диапазоне 0,01 - 1 мкА. Дальнейшее снижение входных токов (до 1 нА и меньше) достигается при использовании полевых транзисторов во входных каскадах ОУ.
4. Разность входных токов ∆iвх - абсолютное значение разности токов двух входов усилителя iвх.н - iвх.и , измеренных тогда, когда напряжение на выходе усилителя равно нулю. Этот разностный ток в значительной степени говорит о том, насколько велика несимметрия входного каскада ОУ. Если значение ∆iвх близко к нулю, то влияние входных токов iвх.н и iвх.и на входное напряжение ОУ можно существенно уменьшить, устанавливая одинаковыми эквивалентные проводимости внешних цепей, присоединенных к Н- и И-входам ОУ. Обычно ∆iвх составляет 20-50 % iвх .
5. Входное сопротивление rвх -сопротивление со стороны одного из входов ОУ, в то время как другой заземлен. В некоторых случаях это сопротивление называют входным сопротивлением для ифференциального сигнала, с тем чтобы отличить его от входного сопротивления для синфазного сигнала. Входное сопротивление ОУ может составлять 103 -106 Ом и более.
6. Входное сопротивление для синфазного сигнала rcф определяют как отношение приращения синфазного напряжения к приращению среднего тока усилителя. Величина rсф обычно на 1-2 порядка и более превышает rвх .
7. Коэффициент ослабления синфазного сигнала Мсф - отношение коэффициента усиления КU к коэффициенту передачи синфазного сигнала. Коэффициент передачи синфазного сигнала при этом определяется как отношение изменения выходного напряжения к вызвавшему его изменению синфазного входного напряжения. Часто употребляется логарифмическая мера для определения коэффициента слабления синфазного сигнала М’сф = 20lg|Mcф |. Обычно для интегральных ОУ величина М'сф = 60 … 100 дБ.
8. Коэффициент влияния нестабильности источника питания КП - отношение изменения напряжения смешения к вызвавшему его изменению одного из питающих напряжений ∆Uпит (иногда влияние нестабильности источников положительного и отрицательного питающих напряжений характеризуют раздельными коэффициентами влияния). Этот коэффициент чаще всего равен 2·10-5 - 2·10-4 , что соответствует 20-200 мкВ/В.
9. Выходное сопротивление ОУ rвых определяется точно так же, как и для любого другого усилителя и составляет обычно величину, лежащую в диапазоне от нескольких десятков до нескольких сотен ом.
Динамические свойства ОУ определяются обычно двумя параметрами: частотной полосой и скоростью изменения выходного сигнала.
10. Частотная полоса ОУ определяется, как правило, частотой единичного усиления f1 т. е. частотой, на которой коэффициент усиления ОУ уменьшается до единицы. Значения f1 у большинства интегральных ОУ лежат в диапазоне от десятых долей мегагерца до нескольких десятков мегагерц.
11. Максимальная скорость нарастания выходного напряжения ОУ v определяется при подаче на его вход импульса напряжения прямоугольной формы. Для типовых интегральных ОУ максимальная скорость нарастания лежит в диапазоне 0,3-50 В/мкс. Так как наибольшая скорость изменения синусоидального сигнала пропорциональна амплитуде и частоте этого сигнала, то ограничение скорости изменения выходного сигнала ОУ приводит к ограничению амплитуды выходного неискаженного гармонического сигнала на высоких частотах.
12. Температурный дрейф напряжения смещения для интегральных ОУ со входными каскадами на биполярных транзисторах составляет обычно 5-20 мкВ/К.
Для усилителей, входные каскады которых построены на полевых или на составных биполярных транзисторах, температурный дрейф напряжения смещения лежит в диапазоне 20-100 мкВ/К.
13. Температурные изменения входных токов ОУ имеют различный характер в зависимости от типа транзисторов, использованных во входных каскадах.
В ОУ с входными каскадами на биполярных транзисторах входной ток уменьшается при увеличении температуры.
При увеличении температуры от 20 до 125 °С входной ток ОУ на биполярных транзисторах уменьшается почти в три раза и примерно во столько же раз возрастает при уменьшении температуры от 20 до - 60 °С.
В усилителях, входные каскады которых выполнены на полевых транзисторах, входной ток возрастает с увеличением температуры.
В этом случае входной ток - это в основном ток запертого р-n-перехода, который, как известно, возрастает примерно в 2 раза при увеличении температуры на 10 К.
14. Температурный коэффициент коэффициента усиления ОУ может быть как положительным, так и отрицательным в зависимости от температуры и типа ОУ.
В полном диапазоне допустимых температур окружающей среды коэффициент усиления ОУ изменяется обычно не более чем в 3-5 раз.
Расчёт усилителя.
Пусть необходимо усиливать сигнал с выхода моста постоянного тока с. Выходной ток должен быть ± 5 мА при изменении освещенности от 0 до 1200 лк. Напряжение питания ±20 В (двуполярное). Требуется изобразить принципиальную схему и определить номиналы использованных элементов.
Для данного примера будем использовать мост, рассчитанный в примере главы 1. В нём применены резисторыМЛТ-0,125-20 кОм и фоторезистор СФ3-1А . При напряжении питания 20 В выходное напряжение моста будет изменяться от 0до 8,18 В при изменении освещенности от 0 до 1200 лк.
Используя результаты расчёта моста постоянного тока можно подобрать усилитель. Если бы выходное напряжение моста изменялось относительно нулевого провода, то можно было бы использовать неинвертирующий или инвертирующий усилитель (при двуполярном питании). В нашем случае входное напряжение усилителя – разность потенциалов диагоналей моста. Поэтому для усиления сигнала используем дифференциальный усилитель .
Операционный усилитель выбираем по следующим критериям:
1. Напряжение питания ОУ. Должно соответствовать напряжению питания разрабатываемого устройства (согласно заданию).
2. Напряжение смещения ОУ eсм . Должно быть существенно меньше входного сигнала.
3. Скорость нарастания выходного напряжения v . Она определяет верхнюю рабочую частоту фильтра:
![]()
4. Входной ток iвх . При протекании входного тока ОУ через резисторы фильтра будет создаваться падение напряжения, искажающее входной сигнал.
В нашем случае Uпит = ±20 В. Входное напряжение (0…8,18 В) существенно превышает напряжение смещения практически любого ОУ, поэтому второй критерий не существенен и третий критерий также не существенен.
Через резисторы моста течёт ток 0,91 мА и чтобы токи резисторов дифференциального усилителя не влияли на напряжение моста, надо чтобы ток через них был в 10…50 раз меньше тока резисторов моста, а их сопротивление было больше во столько же раз.
В свою очередь входные токи ОУ должны быть значительно меньше (в 10…50 раз) токов, текущих через резисторы дифференциального усилителя.
Итак входные токи ОУ должны быть не более, чем меньше, тем меньшую ошибку они будут вносить.
Перечисленным условиям удовлетворяют многое ОУ, например К140УД6, со следующими параметрами:
1. Кус = 50 · 103
2. eсм = 8 мВ;
3. iвх = 0.05 мкА;
4. v = 2 В/мкс;
5. Uпит = ±(5…20) В.
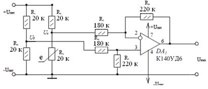
Изобразим схему моста с дифференциальным усилителем, выполненным по схеме рисунка 3. Так как через резисторы усилителя текут токи заведомо много меньшие, чем токи моста, то на них будет выделяться мощность меньше и здесь также можно использовать резисторы типа МЛТ с минимально возможной мощностью 0,125 Вт.
Входное напряжение усилителя 0…8,18 В, а выходное - 0…10 В. Значит коэффициент усиления дифференциального усилителя должен быть

Напряжение в точке б:
![]()
Ток через резисторы R6 и R7 положим в 50 раз меньше тока резисторов моста. Тогда
![]()
Откуда
![]()
Принимаем сопротивление R6 cогласно ряду Е24:
R6 = 180 кОм.
Тогда
R7 = 1,22 · 180 = 219,6 кОм,
Принимаем сопротивление R7 cогласно ряду Е24:
R7 = 220 кОм.
В нашей схеме должно выполняться соотношение R5 = R6 и R7 =
R8 , поэтому
R5 = 180 кОм, R8 = 220 кОм.
Рисунок 3 - Схема моста с фоторезистором и дифференциального усилителя
4. Расчёт фильтра
При обработке сигнала очень часто приходится сталкиваться с ситуацией, когда на сигнал накладывается сигнал помехи, от которого надо избавиться. Для этой цели можно использовать пассивные и активные фильтры.
Построение пассивных фильтров (используют только R, L и С элементы) проще, но они ослабляют сигнал. Кроме того, на низких частотах применение индуктивностей затруднительно из-за их больших габаритов.
Активные фильтры включают в себя усилительные элементы, охваченные цепями обратной связи. Их использование позволяет обойтись без индуктивных элементов и без большого труда строить фильтры с заданными характеристиками.
Активные фильтры.
Активные фильтры на основе ОУ находят широкое применение в измерительной аппаратуре. При построении активных фильтров возможны два подхода. Во-первых, можно использовать классическую теорию LC-фильтров, но вместо реальных катушек индуктивности применять так называемые схемные индуктивности. Во-вторых, можно сразу проектировать фильтры без индуктивности. Второй подход обеспечивает получение более компактных устройств, поэтому он применяется гораздо чаще.
Расчёт фильтра
Необходимо спроектировать фильтр для удаления из сигнала помехи частотой 4000 Гц и амплитудой примерно равной амплитуде полезного сигнала.
Рассчитаем фильтр низкой частоты, ослабляющий помеху в 100 раз, т. е. на 40 дБ2 .
Крутизна спада АЧХ на переходном участке определяется выражением:
![]()
где ∆К – уменьшение коэффициента передачи в зависимости от изменения частоты ω.
Для фильтра второго порядка n =2 наклон АЧХ 40 дБ/дек, для n =4 наклон АЧХ 80 дБ/дек, для n =6 - 120 дБ/дек.
Если надо ослабить помеху на ∆К дБ, то для фильтра порядка n частота среза должна быть:
В нашем случае ослабление должно быть ∆К = 40 дБ, порядок фильтра выберем n =2, тогда искомая частота среза:
![]()
Сигнал с частотой менее 400 Гц будет проходить через фильтр практически без изменений, а с большими частотами – задерживаться.
Пусть сигнал с частотой менее 400 Гц будет проходить без усиления, т. е. коэффициент усиления К =1. Тогда АЧХ проектируемого фильтра будет иметь вид, показанный на рисунке 4.

Рисунок 4 - АЧХ проектируемого фильтра
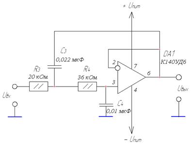
Применим звено по схеме Саллен - Ки.
Рассчитываем ёмкость С:
Получилось число, соответствующее ряду номинальных значений Е24, однако проще найти конденсаторы с номинальной ёмкостью, соответствующей ряду Е6. Поэтому выберем конденсатор С3 типа К77-1 с ёмкостью 0,022 мкФ:

Фильтры достаточно чувствительны к точности элементов, поэтому желательно выбрать минимально возможный допуск на ёмкость. Для К77-1 это ±2%.
Так как мы выбрали фильтр второго порядка, то у нас будет одно звено с одним операционным усилителем. Выберем фильтр Баттерворта, чтобы получить наиболее равномерную АЧХ (на тот случай, если проектируемый фильтр используется для измерительной аппаратуры). Из таблицы 1 мы выбираем коэффициенты
b=1,4142, с=1,0000.
Определяем С4 , R3 и R4 :
Выберем С4 =0,01 мкФ типа К73-17 с ёмкостью из ряда Е6.

Резисторы типа МЛТ можно выбрать из ряда Е24 или Е96, лучше выбрать более точные (Е96), тогда R3 = 20 кОм.
![]()
Из ряда Е96 – R4 = 36 кОм.
Так как K =1, то R5 =∞ (то есть отсутствует), а R 6 =0.
Напряжение питания ОУ – 20 В, поэтому мощность, выделяющаяся на резисторах не превышает 202 /20000=0,02 Вт.
Выберем резисторы мощностью 0,125 Вт типа МЛТ.
Операционный усилитель выбираем по следующим критериям:
1. Напряжение питания ОУ. Должно соответствовать напряжению питания разрабатываемого устройства (согласно заданию).
2. Напряжение смещения ОУ, есм . Должно быть существенно меньше входного сигнала. Так при усилении сигнала от усилителя 0…10 В напряжение смещения должно быть хотя бы в 100 раз меньше, т. е. eсм < 0,1 В.
3. Скорость нарастания в холодного напряжения v . Она определяет верхнюю рабочую частоту фильтра:
В нашем случае рабочая частота большая, и это условие выполняется даже для выходного напряжения 10 В. Вычислим минимальное необходимую скорость нарастания выходного напряжения:
4. Входной ток i вх . При протекании входного тока ОУ через резисторы фильтра будет создаваться падение напряжения, искажающее входной сигнал. В нашем случае входной ток с неинвертирующего входа ОУ протекает через высокоомный резистор R2 и через резистор R1 . При этом входной ток ОУ будет обуславливать ошибку:
Она должна быть существенно меньше входного полезного сигнала. Так для входного напряжения 10 В:
Перечисленным условиям удовлетворяют многое ОУ, например: К140УД6, со следующими параметрами (рис. 5):
1. Кус = 50 · 103
2. eсм = 8 мВ;
3. iвх = 0.05 мкА;
4. v = 2 В/мкс;
5. Uпит = ±(5…20) В.

Рисунок 5 - Схема ФНЧ с частотой среза 400 Гц
5. Проектирование выходного формирователя
Токовый выход.
Преобразователи напряжения в ток обычно обеспечивают более качественное решение задачи в измерительных системах, системах обработки сигналов, при передаче сигналов по длинным линиям, при работе ОУ на индуктивную нагрузку и т. д.
В нашем случае требуется обеспечить двуполярный выходной ток. В этом случае применяются усилители, в которых нагрузка включается непосредственно в цепь обратной связи ОУ. Простейшими усилителями такого типа являются инвертирующий и неинвертирующий усилители.
Если в этих усилителях включить нагрузку вместо резистора обратной связи R2 , то ток в нагрузке будет равен по модулю:
=
= 0,005 А.
Этот ток практически не будет зависеть от сопротивления нагрузки до тех пор, пока усилитель не выйдет из линейного режима.
Пример несложного усилителя с токовым выходом приведён на рисунке 9. Это неинвертирующий усилитель с Т-образным трехполюсником в цепи обратной связи с транзисторным усилителем тока на выходе ОУ. Транзисторы VT1 и VT2 позволяют увеличить выходной ток ОУв h21э раз. Желательно, чтобы они составляли комплементарную пару (КТ3102 и КТ3107, КТ502 и КТ503 КТ814 и КТ815 и т. д.).
По справочнику выбираем транзисторы КТ814А и КТ815А типа n-p-n со следующими характеристиками:
Uкэ.нас ≤ 0,6 В; Uкэ.нас ≤ 0,6 В;
Iкбо ≤ 0,05 мА; Iкбо ≤ 0,05 мА;
h21э = 40; h21э = 40…70;
Uкб.max = ---; Uкб.max = ---;
Uэб.max = 5 В; Uэб.max = 5 В;
Iк.max = 1,5 А; Iк.max = 1,5 А;
Pк.max = 10 Вт; Pк.max = 10 Вт;
Операционный усилитель выбирается по напряжению питания (Uпит = ±20 В) и максимальному выходному току (не менее 5 мА). Этим условиям удовлетворяет ОУ К140УД6, со следующими параметрами:
1. коэффициент усиления КU = 50 · 103
2. напряжение смещения eсм = 8 мВ;
3. входной ток iвх = 0.05 мкА;
4. скорость нарастания выходного напряжения v = 2 В/мкс;
5. напряжение питания Uпит = ±(5…20) В;
6. диапазон входного синфазного напряжения Uвх.синф = ±11 В;
7. минимальное сопротивление нагрузки Rн.min = 1кОм
8. максимальное выходное напряжение Uвых.max = ±12 В;
9. максимальный выходной ток ![]()
В схеме рисунка 9 сопротивление резистора R2 определяет величину тока в зависимости от входного напряжения. Резистор R1 лучше выбрать того же номинала (для уменьшения влияния входного тока ОУ). Резисторы R3 и Rн тоже должны быть одинаковы, падение напряжения на них не должно сказываться на формировании выходного тока, т. е. оно не должно быть более Uп - Uвх.max – UКЭ.нас. . Так при Uпит =20 Вследует выбрать Uп = 15 В,напряжение насыщения коллектор- эмиттер можно для большинства транзисторов принять 1…2 В и тогда при Uвх.max =10 В падение напряжения на резисторах R3 и R4 не должно превышать 15 – 10 – 1 = 4 В. Если выходной ток 5 мА, то R3 = Rн =4 /0,005 = 800 Ом.
6. Расчёт стабилизатора напряжения
Так как в нашем случае источник первичного электропитания постоянный, то необходим только стабилизатор напряжения.
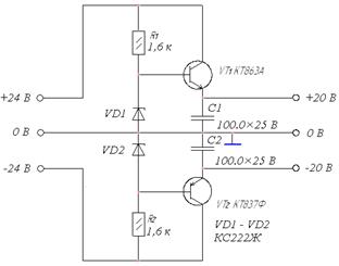
Расчёт элементов будем вести для источника +20 В, для -20 В. Примем те же элементы, кроме транзистора, который выберем с аналогичными характеристиками, только другой структуры.
Во время работы блока питания на конденсаторах фильтра напряжение пульсирует от максимального Uнест.max до ≈ 0,9×Uнест.max . Часть напряжения (минимум Uкэ.нас ) падает на транзисторе стабилизатора, кроме этого надо предусмотреть запас по напряжению на входе стабилизатора на случай уменьшения напряжения в сети. На этом этапе примем напряжение насыщения коллектор-эмитер транзистора равным 2 В, так как у большинства кремниевых транзисторов оно лежит в диапазоне от 1 до 2 В. Поэтому напряжение на входе стабилизатора оценим так:
Выберем конденсаторы схемы. Для ёмкостного фильтра следует использовать оксидные конденсаторы, как имеющие большую ёмкость. Для них регламентируется максимально допустимая амплитуда переменной составляющей. Обычно она 5…20 % от постоянной составляющей. Именно поэтому при оценке входного напряжения стабилизатора был использован коэффициент 0.9 (для пульсаций 10%). Для облегчения подбора конденсатора и увеличения срока его службы примем максимальные пульсации на конденсаторах фильтра равными 5%. Расчёт проведём по формуле:
![]()
где I = Iн - ток разряжающий конденсатор, в нашем случае это ток нагрузки;
С – ёмкость конденсатора;
∆U – напряжение разряда конденсатора, у нас 5% от постоянного напряжения на нём;
∆t – время, в течении которого разряжается конденсатор, для двухполупериодного выпрямителя это около 10 мс.
Конденсаторы С1 и С2 предназначены для сглаживания пульсаций тока потребления нагрузки и фильтрации помех. В общем случае их расчёт очень сложен, обычно их принимают 0,01…0,1 от ёмкости конденсаторов фильтра. Примем С3 = С4 = 100 мкФ, тип – К50-16, номинальное напряжение – 25 В.
Напряжение на нагрузке больше напряжения на стабилитроне на величину напряжения насыщения база-эмиттер, что составляет около 0,6 В.
Поэтому стабилитрон выберем с напряжением стабилизации 20,6 В
Выберем КС222Ж с параметрами:
номинальное напряжение стабилизации Uст = 22 В;
номинальный ток стабилизации Iст = 2 мА;
максимальный ток стабилизации Iст.max = 5,7 мА;
минимальный ток стабилизации Iст.min = 0,5 мА.
Значит, максимальный ток базы может составлять
![]()
Ток нагрузки равен сумме тока базы и коллектора, поэтому:
Критерии выбора транзистора:
максимальное напряжение коллектор-эмиттер Uкэ.max ≥ 2· Uвх ст = 60 В;
максимальный ток коллектора Iк.max ≥ Iн = 200 мА;
мощностью рассеяния Pк.max ≥ Pрасс = Uкэ.max × Iн = (Uвх.ст - Uвых )×Iн = (29,33-20) × 0,2 =1,866 Вт;
коэффициент передачи тока h21э ≥ 77,1.
При выборе транзистора надо, чтобы его параметры были хотя бы на 20% лучше указанных выше (для увеличения надёжности). Выбор следует производить сих мощных транзисторов (>1,5 Вт).
Указанным критериям удовлетворяет транзистор КТ863А (n-p-n) со следующими параметрами:
Uкэ.нас ≤ 0,6 В;
Iкбо ≤ 1 мА;
h21э ≥ 100;
Uкб.max = 30 В;
Uбэ.max = 5 В;
Iк.max = 10 А;
Pк.max = 50 Вт;
и транзистор КТ837Ф (p-n-p) со следующими параметрами
Uкэ.нас ≤ 1,75 В;
Iкбо ≤ 0,15 мА;
h21э = 50…150;
Uкб.max = 45 В;
U бэ. max = 5 В;
I к. max = 7,5 А;
Pк.max = 30 Вт;
Транзистор КТ837Ф имеет несколько меньший коэффициент передачи тока, но это в данном случае не очень существенно (в номинальном режиме работы через стабилитрон будет протекать не 2 мА, а немного меньше, что почти не отразится на работе устройства).
Оба транзистора выделяют большое количество тепла и их надо установить на радиаторы.
Резисторы R1 и R2 должны иметь сопротивление:
принимаем R1 = 1,6 кОм (из ряда Е24).
Мощность, рассеиваемая R1 :
По справочнику выбираем резисторы типа МЛТ с номинальной мощностью рассеяния 0,125 Вт (0,034 Вт < 0,125 Вт).
Разработанная схема представлена на рисунке 6.

Рисунок 6 - Принципиальная схема стабилизатора напряжения
Список литературы
1. Волович Г.И. Схемотехника аналоговых и аналогово-цифровых электронных устройств. – М.: Издательский дом «Додэка-ХХI», 2005. – 528 с.
2. Гутников В.С. Интегральная электроника в измерительных устройствах. - 2-е изд. перераб. и доп. – Л.: Энергоатомиздат. Ленинградское отд-ние, 1988. – 304 с.
3. Игловский И.Г., Владимиров Г.В. Справочник по слаботочным электрическим реле. – 3-е изд. перераб. и доп. – Л.: Энергоатомиздат. Ленинградское отд-ние, 1990. – 560 с.
4. Игумнов Д.В. , Костюнина Г.П. Основы полупроводниковой электроники. Учебное пособие. – М.: Горячая линия – Телеком, 2005. – 3392 с.
5. Коломбет Е.А. Микроэлектронные средства обработки аналоговых сигналов. – М.: Радио и связь, 1991. – 376 с.
6. Лавриненко В.Ю. Справочник по полупроводниковым приборам. 10-е изд., перераб. и доп. – К.: Техника, 1984. – 424 с.
7. Лачин В.И., Савёлов Н. С. Электроника: учебное пособие. 3-е изд.- Ростов на Дону: изд-во «Феникс», 202. – 576 с.
8. Нефёдов В.И. Основы радиоэлектроники и связи. М.: «Издательство «Высшая школа», 2002. – 510 с.
9. Опадчий Ю.Ф. и др. Аналоговая и цифровая электроника (Полный курс): Учебник для вузов. – М.: Горячая линия – Телеком, 2002. – 768 с.
10. Прянишников В.А. Электроника: Полный курс лекций . – 3- изд. – СПб.: Учитель и ученик: КОРОНА принт., 2003. – 416 с.