| Скачать .docx |
Дипломная работа: Программатор микроконтроллеров и микросхем памяти
СОДЕРЖАНИЕ
Введение
1 Анализ технического задния
2 Обоснование схемы электрической структурной
3 Обоснование схемы электрической принципиальной
3.1 Выбор элементной базы.
3.2 Разработка принцип работы схемы электрической принципиальной
4 Технологическая часть
4.1 Технологическая подготовка производства
4.2 Разработка технологического процесса изготовления платы
5 Конструкторская часть
5.1 Конструкция платы программатора
5.2 Оценка технологичности программатора
6 Расчётная часть
6.1 Расчёт потребляемой мощности схемы
6.3 Расчёт надёжности
7 Экономическая часть
7.1 Экономическая себестоимость платы программатора
7.2 Капитальные затраты
7.3 Экономическая эффективность автоматизации процесса
8 Безопасность и экологичность внедрения программатора
8.1Анализ условий труда
8.2 Оптимизация условий труда
8.3Пожарная безопасность при сборке и монтаже проектируемого устройства
8.4 Экологическая оценка проекта
9 Экспериментальная часть
9.1 Методика работы с прибором
9.2 Описание меню программы Turbo
9.3 Описание работы с программным пакетом Uniprog Plus
Заключение
Список используемой литературы
ВВЕДЕНИЕ
Развитие микроэлектроники и широкое применение ее изделий в промышленном производстве, в устройствах и системах управления самыми разнообразными объектами и процессами является в настоящее время одним из основных направлений научно - технического прогресса.
В обширной номенклатуре изделий электронной техники особое место занимает семейство программируемых микросхем. Их ускоренное развитие в настоящее время символизирует прогресс в микроэлектронике, которая является катализатором научно - технического прогресса в современном мире.
Возрастающий круг научно - технических работников сталкивается в своей практической деятельности с вопросами применения запоминающих и логических программируемых микросхем. Их использование в радиоэлектронной аппаратуре позволяет резко сократить сроки ее разработки и промышленного освоения; поднять на новый уровень технические характеристики.
Существует принципиальная необходимость использования программируемых микросхем в микро - процессорных устройствах и системах практически для всех областей народного хозяйства, таких, как гибкие производственные системы, системы управления различными технологическими процессами, персональные ЭВМ, бытовая аппаратура.
Характерной тенденцией развития элементной базы современной аппаратуры (РЭА) является быстрый рост степени интеграции. В этих условиях актуальной становится проблема ускорения разработки узлов аппаратуры, представляющих собой схемы с большой (БИС) и со сверхбольшой (СБИС) степенями интеграции.
Программируемые БИС в настоящее время широко распространены. Их основные преимущества перед другими изделиями микроэлектроники: регулярность структуры, функциональная наращиваемость, широкий диапазон реализуемых на их основе устройств с комбинационной логикой и конечных автоматов, программируемость структуры. При этом достигаются большая и сверхбольшая степени интеграции устройств на кристалле. Преимущество БИС – возможность автоматизации процесса проектирования приборов на их основе, аппаратного резервирования модификации реализуемых функций в большом диапазоне с минимальными затратами.
Область применения – от простейших программируемых комбинационных устройств до специализированных контроллеров.
Принцип необратимого изменения связей в интегральных микросхемах электрическим способом был впервые реализован фирмой Radiation (США) в 1996 г. в запоминающей матрице постоянного запоминающего устройства (ПЗУ). В 1970 г. фирма Harris conductor (США) выпустила первое законченное программируемое ПЗУ (ППЗУ) емкостью 512 бит, а с 1972 г. началось массовое производство аналогичных ППЗУ многими ведущими фирмами. С 1976 г. развивается новый тип устройств с изменяемыми связями - БИС произвольной логики: программируемые логические матрицы, мультиплексоры т.п., однако
ППЗУ до сих пор остаются наиболее массовыми устройствами этого вида.
Программируемые ПЗУ являются результатом усовершенствования классической схемы полупроводникового ПЗУ с масочным программированием. Простейшее ПЗУ содержит запоминающую матрицу, состоящую из шин строк и столбцов, дешифраторы адреса строк и столбцов и усилители считывания.
Тема данного дипломного проекта заключается в изготовлении программатора микроконтроллеров и микросхем памяти, который позволяет программировать при различных напряжениях питания.
1 АНАЛИЗ ТЕХНИЧЕСКОГО ЗАДАНИЯ
Разрабатываемый в дипломном проекте программатор микроконтроллеров и микросхем памяти предназначен для программирования микросхем при различных напряжениях питания, повышая, таким образом, надёжность процесса программирования. Это крайне необходимо в развитии современных технологий, так как без прошивки сейчас не обходится ни один микроконтроллер и не одна микросхема памяти, они не будут работать и нормально функционировать.
В течении проектирования следует уделить внимание способу связи программатора, выбрав интерфейс, который позволил бы устройству с лёгкостью взаимодействовать с любым компьютером, без вмешательства дополнительного оборудования.
На данный момент существует не малое количество программаторов, которые имеют большое количество характеристик и преимуществ, позволяющие их использовать при любых условиях, но все они
При разработке программатора следует учесть его использование в составе устаревших и недорогих ПЭВМ, что позволит обеспечить невысокую стоимость разработки. Необходимость разработки данного программатора вызвана тем, что имеющиеся подобные программируемые устройства вместе с соответствующим программным обеспечением достаточно дороги, разрабатываемый же программатор стоит значительно дешевле, и даст возможность использовать его любому пользователю, не имеющего средства для покупки дорогостоящего оборудования и программного обеспечения.
2 ОБОСНОВАНИЕ СХЕМЫ ЭЛЕКТРИЧЕСКОЙ СТРУКТУРНОЙ
В настоящее время с внедрением автоматизированных рабочих мест в организациях и учреждениях всё больше возникает потребность в недорогих приборах, которые ускоряют процесс производства на предприятии.
В настоящее время существует очень много электронной техники, имеющие в своём составе микроконтроллеры для управления процессами и микросхемы памяти для хранения программ и данных. Для того чтобы микросхемы работали, их необходимо запрограммировать. Для программирования этих микросхем требуется устройство, которое позволит это делать.
Проанализировав принцип работы и технические характеристики, было разработано устройство программирования – программатор микроконтроллеров и микросхем памяти. Программатор позволяет программировать микросхемы различных типов при различных значениях напряжения.
Разрабатываемый в данном дипломном проекте программатор микроконтроллеров и микросхем памяти будет работать в комплексе с ПЭВМ. Данная схема обеспечивает надёжное и доступное программирование микросхем памяти и микроконтроллеров любому пользователю не имеющих углублённых знаний в области электроники и компьютерной техники.
Устройство построено по принципу открытой архитектуры, что даёт возможность лёгкого подключения его к любому компьютеру имеющего параллельный LPT порт. Надежность процесса программирования определяется в первую очередь достоверностью реализации режимов программирования, исправностью аппаратуры программатора, надежностью связей с программируемой микросхемой. Надежность обеспечивается проведением тестового контроля аппаратуры программатора, программного обеспечения, параметров источников воздействий на зажимах связи с ПМ.
Программатор может работать, как совместно с IBM PC, так и автономно, когда после загрузки данных в энергонезависимую память программатора его можно отключить от компьютера и запрограммировать серию микросхем автономно, что позволяет при отказах и сбоях в работе аппаратуры, не приводить к нарушению процесса прошивания, ведущих к браку запрограммированных микросхем.
При выборе интерфейса нужно исходить из того, что разрабатываемый контроллер будет внешним по отношению к ПЭВМ.
Среди внешних цифровых интерфейсов наиболее распространены USB, FireWire, LPT-порт, RS-232 – реализуется COM-портом.
Шина USB обеспечивает высокую скорость передачи данных, но присутствует лишь на новых моделях ПЭВМ, кроме этого отечественной промышленностью не выпускается средств сопряжения с ним, при этом так же могут возникнуть трудности при разработке программного обеспечения для обмена данными по этой шине с разрабатываемым устройством. Тоже самое касается и шины FireWire.
LPT-порт является проверенным техническим решением и присутствует уже много лет на всех моделях ПЭВМ. Его достоинствами является простота
организации связи между устройствами удобство программирования и приемлемая скорость передачи данных. К недостаткам можно отнести лишь небольшую длину соединительного кабеля – не более 3-х метров.
Интерфейс RS-232 реализуемый COM-портом, так же как и LPT-порт имеется на всех моделях ПЭВМ, но его отличает от LPT-порта меньшая скорость передачи данных,
На основании вышеизложенного считаю, что наиболее оптимальным является cвязь разрабатываемого программатора с ПЭВМ через LPT-порт. Это обусловлено следующими причинами:
1) Простота подключения по сравнению со всеми другими интерфейсами;
2) Наличие подробной документации;
3) Возможность использования недорогих комплектующих;
4) Присутствие на всех моделях компьютеров.
Порт параллельного интерфейса или LPT-порт был введён в состав компьютера для подключения принтера и использовал для обмена данными интерфейс Centronics.
LPT-порт использует параллельный интерфейс передачи данных и логические уровни ТТЛ (транзисторно-транзисторной логики), что ограничивает длину кабеля из-за невысокой помехозащищенности ТТЛ-интерфейса. Гальваническая развязка отсутствует. Передача данных через этот порт может быть как однонаправленной, так и двунаправленной в зависимости от модели адаптера порта.
Первую модификацию LPT-порта называют SPP (Standard Parallel Port). Он является однонаправленным портом, через который программно реализуется протокол обмена Centronics. Сигналы порта
выводятся на разъем DB-25S (розетка), установленный непосредственно на плате адаптера (или системной плате) или соединяемый с ней плоским шлейфом. Название и назначение сигналов разъема порта (таблица 1) соответствуют интерфейсу Centronics.
Сам адаптер параллельного интерфейса представляет собой набор регистров, расположенных в пространстве ввода/вывода. Регистры порта адресуются относительно базового адреса порта, стандартными значениями которого являются 3BCh, 378h и 278h. Порт может использовать линию запроса аппаратного прерывания, обычно IRQ7 или IRQ5. Порт имеет внешнюю 8-битную шину данных, 5-битную шину сигналов состояния и 4-битную шину управляющих сигналов,
BIOS поддерживает до четырех (иногда до трех) LPT-портов (LPT1-LPT4) своим сервисом-прерыванием INT 17h, обеспечивающим через них связь с принтером по интерфейсу Centronics. Этим сервисом BIOS осуществляет вывод символа (по опросу готовности, не используя аппаратных прерываний), инициализацию интерфейса и принтера, а также опрос состояния принтера.
Стандартный порт имеет три 8-битных регистра, расположенных по соседним адресам в пространстве ввода/вывода, начиная с базового адреса порта (BASE). Базовым адресом LPT-порта как правило бывает 378h.
Если в порт записать байт с единицами во всех разрядах, а на выходные
линии интерфейса через микросхемы с выходом типа "открытый коллектор" подать какой-либо код (или соединить ключами какие-то линии со схемной землей), то этот код может быть считан из того же регистра данных.
Таблица 1. Назначение сигналов.
| Сигнал |
Направление |
Контакт |
Номер провода в кабеле |
Назначение |
| Strobe# |
выход |
1 |
1 |
Строб данных. |
| Data [0:7] |
выход |
2 - 9 |
3, 5, 7, 9, 11, 13,15, 17 |
Линии данных. Data 0 (контакт 2) – младший бит |
| Ack# |
вход |
10 |
19 |
Acknowledge – сигнал подтверждения приема байта, запрос на прием следующего. Может использоваться для формирования запроса прерывания. |
| Busy |
вход |
11 |
21 |
Занято. Прием данных возможен только при низком уровне сигнала |
| PaperEnd |
выход |
12 |
23 |
Высокий уровень сигнализирует о конце бумаги. |
| Select |
выход |
13 |
25 |
Сигнал о включении принтера. |
| AutoLF# |
вход |
14 |
2 |
Автоматический перевод строки. При низком уровне сигнала, принтер, получив символ CR (Carriage Return – возврат каретки) автоматически выполняет и функцию LF (Line Feed – перевод строки) |
| Error# |
вход |
15 |
4 |
Ошибка: конец бумаги, Off-Line (принтер не в связи с РС) или внутренняя ошибка принтера. |
| Init# |
выход |
16 |
6 |
Инициализация – сброс принтера в режим параметров умолчания, возврат головки к началу строки. |
| Slct In# |
выход |
17 |
8 |
Выборка принтера (низким уровнем сигнала). При высоком уровне сигнала принтер не воспринимает остальных сигналов интерфейса. |
| GND |
- |
18-25 |
10, 12, 14, 16, 18, 20, 22, 24, 26 |
Общий провод интерфейса. |
Таким образом, на многих старых моделях адаптеров можно реализовать порт ввода дискретных сигналов, однако выходным цепям передатчика информации придется "бороться" с выходным током логической единицы выходных буферов адаптера. Схемотехника ТТЛ такие решения не запрещает, но если внешнее устройство выполнено на микросхемах КМОП, их мощности может не хватить для "победы" в этом шинном конфликте.
На некоторых адаптерах портов выходной буфер отключается перемычкой на плате. Тогда порт превращается в обыкновенный порт ввода.
Status Контроллер порта имеет три 8-битовых регистра:
1) DR (Data Register) – 8-битовый регистр вывода данных, содержимое которого выводится на линии Data [0:7] разъема, но тот же регистр позволяет и принимать данные с линий Data [0:7]: если в регистр DR записать все единицы, а на контакты 2-9 разъема LPT-порта подать какой-либо код, то регистр DR запомнит этот код без всякого строба. Адрес регистра = базовому;
2) SR (Status Register) – 5-битовый регистр ввода состояния принтера, принимает сигналы Select, PaperEnd, Ack и Busy соответственно. Адрес регистра = базовому +1;
3) CR (Control Register) – 4-битовый регистр управления, вырабатывает сигналы Strobe#, Auto LF#, Init#, и Slct In#, соответственно. Подобно регистру данных позволяет и прием данных с разъема интерфейса
Стандартный порт асимметричен - при наличии 12 линий, нормально работающих на вывод, на ввод работают только 5 линий состояния.
Недостатки стандартного порта частично устраняли новые модификации LPT-порта, появившиеся в компьютерах PS/2.
Начиная с ПЭВМ модели PS/2 порты стали иметь возможность в режиме двунаправленного порта 1 (Type 1 parallel port). Такой порт кроме стандартного режима может работать в режиме ввода или двунаправленном режиме. Протокол обмена формируется программно, а для указания направления передачи в регистр управления порта введен специальный бит CR.5:0 - буфер данных работает на вывод, 1 - на ввод. Этот порт не следует путать с EPP. Главной особенностью этого порта является то, что теперь стало возможным считывать информацию с линий регистра данных LPT-порта. Для этого достаточно лишь установить в единицу бит 5 регистра состояния LPT-порта.
Теперь регистр данных LPT-порта может, как считывать, так и записывать информацию, производя полноценный обмен данными.
Из ранее изложенного следует отметить так же наличие в регистре управления LPT-порта четырёх линий, которые могут работать на вывод информации. Это сигналы: Strobe, Select, AutoLF, Init, из которых первые три инверсные. Эти сигналы можно будет использовать в качестве сигналов управления для разрабатываемого устройства связи, которые будут сопровождать передачу данных.
В настоящее время имеется большое количество и других модификаций LPT-порта поддерживающих более функциональные режимы передачи данных, такие как EPP, ECP. Но ознакомившись с ними, я пришёл к выводу, что они менее чем ранее рассмотренные режимы, подходят для реализации интерфейса с разрабатываемым контроллером сигнализации. По этой причине в своём проекте я их не рассматриваю.
На структурной схеме, представленной на чертеже АКВТ.230101.ДП00.14Э1, показан программатор, подключённый в компьютеру и разбитый на блоки.
Формирователь сигналов IBM представляет собой шинный формирователь, который пропускает сигналы с шины данных IBM (выходные сигналы регистра данных последовательного порта) на внутреннюю шину программатора, когда сигнал XA имеет нулевое значение. По положительному фронту сигнала XA в регистре управляющих сигналов запоминаются управляющие сигналы, которые поступают по той же шине IBM. Четыре управляющих сигнала (RD, WR, XA и OUT_HI) являются выходными сигналами регистра управления последовательного порта.
Информация для прожигания ячейки ПЗУ (адрес и данные), поступающая с шины данных IBM, запоминается в регистре адреса и регистре данных. Распределение информации по регистрам осуществляется путем программирования соответствующих управляющих сигналов.
Сигналы с выходов регистра адреса и регистра данных подаются непосредственно на микросхему ПЗУ. Кроме того, на нее поступают от одного до четырех сигналов с управляемых блоков питания. Напряжения на выходах этих блоков питания задаются информацией, записываемой в соответствующие регистры. Эта информация поступает с IBM точно так же, как данные для прожигания ячейки ПЗУ (через шинный формирователь IBM), а управляющие сигналы обеспечивают запись этой информации в соответствующие регистры.
Для чтения информации из ячейки ПЗУ сначала из IBM поступает адрес ячейки, который запоминается в регистре адреса, а затем управляющие сигналы открывают формирователь сигналов данных ПЗУ, пропуская информацию с шины данных ПЗУ на внутреннюю шину программатора. Сигнал MODE_OUT при открытом формирователе сигналов данных ПЗУ должен иметь единичное значение, отключающее формирователь сигналов IBM от внутренней шины программатора.
Чтение байта данных с внутренней шины программатора в IBM осуществляется через коммутатор в 2 этапа (по 4 бита), т.к. у последовательного порта IBM только 5 входных сигналов (входы регистра состояния). Подключение к выходу коммутатора старшего полубайта осуществляется при единичном значении сигнала OUT_HI, а при нулевом значении этого сигнала на выход коммутатора проходят сигналы младшего полубайта.
Формирователь сигналов адреса предназначен для считывания с ПЗУ младшего байта адреса. Это требуется для микросхем ПЗУ с общей 16-разрядной шиной для адреса и данных (например, КМ1801РР1). Шина адреса и данных этих микросхем является мультиплексированной (т.е. по ней сначала передается адрес, затем данные) и двунаправленной (при чтении из микросхемы данные передаются в обратную сторону). Для таких микросхем шина адреса/данных подключается к сигналам A0...A7, D0...D7 программатора, которые тоже являются двунаправленными.
Формирователь сигнала KROSS предназначен для идентификации кросс-платы. Сигнал KROSS, поступающий на формирователь с кросс-платы, скоммутирован на каждой кросс-плате с одним из разрядов адреса и поэтому повторяет значение этого разряда. Записывая в регистр адреса адрес с нулевым битом в определенном разряде, программа проверяет, соответствует ли подключенная кросс-плата микросхеме ПЗУ, выбранной пользователем.
3 ОБОСНОВАНИЕ СХЕМЫ ЭЛЕКТРИЧЕСКОЙ ПРИНЦИПИАЛЬНОЙ
3.1 Выбор элементной базы.
Выбор элементной базы производится исходя из задания на разработку, то есть исходя из основного назначения и критериям на проектирование.
Для конкретного выбора элементной базы необходимо рассмотреть несколько различных серий. Наиболее широкое распространение в современной аппаратуре получили серии микросхем ТТЛ, ТТЛШ, ЭСЛ и схемы на КМОП – структурах. Опят показал, что эти цифровые микросхемы отличаются лучшими электрическими параметрами, удобны в применении, имеют более высокий уровень интеграции и обладают большим функциональным разнообразием. На основании вышесказанного составим сравнительную таблицу 2 некоторых электрических параметров этих серий.
Таблица 2
Сравнительная характеристика электрических параметров
| Наименование параметра |
ТТЛ |
ТТЛШ |
ЭСЛ |
КМОП |
| Потребляемая мощность, мВт |
5-40 |
1-19 |
25-70 |
0,0025 на 1 МГц |
| Задержка распространения сигнала при включении, нс |
9-70 |
5-20 |
1,3-2,9 |
3,5-45 |
| Задержка распространения сигнала при выключении, нс |
9-70 |
4,5-20 |
1,3-2,9 |
3,5-45 |
| Диапазон рабочих температур, ºС |
-60…+125 |
-60…+125 |
-10…+75 |
-40…+125 |
| Напряжение питания, В. |
5±10% |
5±10% |
-5,2±5% |
10±10% |
| Выходное напряжение низкого уровня, В |
0,4 |
0,4-0,5 |
-0,81…-1,02 |
0,3-2,9 |
| Выходное напряжение высокого уровня |
2,4 |
2,5 |
-1,62…-1,85 |
7,2-8,2 |
| Нагрузочная способность |
10 |
10-30 |
10 |
50 |
| Частота переключения триггеров, МГц |
До 35 |
До 130 |
До 300 |
До 125 |
| Помехоустойчивость, В |
0,4 |
0,3-0,4 |
0,12-0,15 |
1,5 |
| Работа переключения (Р*t),nДж |
30-10 |
4-57 |
30-50 |
0,008-0,1 |
| Входной ток низкого уровня, мА |
0,1…-2 |
-0,1…-2 |
0,25-3 |
-5* |
| Входной ток высокого уровня, мА. |
0,02-0,04 |
0,20-0,05 |
0,5 мкА |
0,05мкА |
Цифровые микросхемы развивались в следующей последовательности: резистивно-транзисторная логика (РТЛ), диодно-транзисторная логика (ДТЛ), транзисторно-транзисторная логика (ТТЛ), эмиттерно-связанная логика (ЭСЛ), транзисторно-транзисторная логика с диодами Шотки (ТТЛШ). В этих определениях слово «логика» подразумевает понятие «электронных ключ».
Все перечисленные выше микросхемы выполнены на базе биполярных транзисторов. Наряду с ними широкое распространение получили микросхемы на МОП - структурах (на транзисторах р- и п-типов с обогащённым каналом, КМОП – схемы на дополняющих транзистора). Серии РТЛ, РЕТЛ
промышленностью в настоящее время не выпускаются, но ещё используются только для комплектации в серийной РЭА. Наиболее широкое распространение в современной аппаратуре получили серии микросхем ТТЛШ, ЭСЛ и схемы на КМОП-структурах, так как ни отличаются более высоким уровнем интеграции и обладают большим функциональным разнообразием.
Параметры микросхем конкретной серии в основном определяются параметрами базовых элементов логики. К основным параметра относятся:
1) Быстродействие.
Быстродействие определяется динамическими параметрами цифровых микросхем, к которым относятся:
t1,0 – время переходя сигнала на выходе микросхемы из состояния логической «1» в состояние логического «0»;
t0,1 – время перехода из состояния низкого уровня в состояние высокого;
t1,0зд – время задержки включения;
t0,1зд - время задержки выключения;
t1,0здр – время задержки распространия при включении;
t0.1здр – время задержки распространия при выключении;
tздрср – среднее время задержки распространения сигнала является усреднённым параметром быстродействия микросхемы, используемым при расчёте временных характеристик последовательно включённых цифровых микросхем. Среднее время задержки определяется по формуле 1.
tздрср = 0.5*( t1,0здр + t0.1здр ) (1)
fp – рабочая частота.
2) Потребляемая мощность.
В зависимости от технологии микросхем, мощности, потребляемые при состоянии логического «0» и «1» могут отличаться. Поэтому мощность, потребляемая логическими элементами в динамическом режиме, определяется по формуле 2.
Рпотср = 0,5(Р0пот + Р1пот) (2)
где Р0пот – мощность потребляемая микросхемой при состоянии выхода «0»;
Р1пот – мощность при выходном состоянии «1».
Некоторые логические элементы кроме статической средней мощности характеризуются мощностью, потребляемой на максимальной частоте переключения, когда токи в цепях питания возрастают во много раз к таким схемам относятся микросхемы КМОП технологии, которые потребляют микроамперы, если нет переключающих сигналов.
Допустимы уровень напряжения помехи логического элемента определяется уровнем входного напряжения, при котором ещё не происходит ложное срабатывание микросхемы.
3) Помехоустойчивость.
В статическом режиме помехоустойчивость определяется по низкому U0пом и высокому U1пом уровням. Значения U0пом и U1пом определяют с помощью передаточных характеристик. Помехоустойчивость в динамическом режиме зависит от длительности, амплитуды и формы импульса помех, а так же от запаса статистической помехоустойчивости и скорости переключения логического элемента.
4) Коэффициент разветвления по выходу (нагрузочная способность) Краз.
Определяет число входов аналогичных элементов, которое может быть подключено к выходу предыдущего элемента без нарушения его работоспособности. С увеличением нагрузочной способности разширяются возможности применения цифровых микросхем и уменьшается число корпусов в разрабатываемом устройстве. Но при этом ухудшаются помехоустойчивость и быстродействие микросхемы и возрастает потребляемая мощность.
5) Коэффициент объединения по входу Коб.
Определяет максимальное число входов цифровых микросхем.
Рассмотрим недостатки и преимущества ТТЛ, КМОП и ЭСЛ логики:
1) Транзисторно-транзисторная логика (ТТЛ) и транзисторно-транзисторная логика с диодом Шоттки (ТТЛШ).
Достоинства:
- Высокое быстродействие;
- Обширная номенклатура;
- Хорошая помехоустойчивость.
Недостаток: Микросхемы обладают большой потребляемой мощностью.
Поэтому на смену микросхемам серии 155 и т.д. выпускают микросхемы К555, принципиальное отличие которых – использование транзисторов с коллекторными переходами зашунтированными диодами Шоттки. В результате транзисторы микросхем серии К555 не входят в насыщение, что существенно уменьшает задержку выключения транзисторов. К тому же они значительно меньше размеров, что уменьшает ёмкости их р-n-переходов. В результате при незначительном увеличении быстродействия микросхем серии К555 на уровне серии К155 удалось уменьшить её потребляемую мощность примерно в 4…5 раз.
2) МОП транзисторная логика (МОПТЛ), МОП (МДТ) – металл-окисел (диэлектрик) – полупроводник.
Достоинства:
- Большая помехоустойчивость;
- Высокая нагрузочная способность;
- Высокая степень интеграции.
Недостаток: Низкое быстродействие.
3)МОП транзисторная логика на комплиментарных ключах (КМОПТЛ).
Достоинства:
- Выше быстродействие, по сравнению с МОПТЛ;
- Меньше напряжение питания (Uпит);
- Большая степень интеграции.
Недостаток: Быстродействие меньше, чем у ЭСЛ, но по мере развития технологий этот недостаток устраняется.
4) Эмитторно-связная логика (ЭСЛ).
Достоинства:
- Высокое быстродействие (малое время задержки распространения сигнала);
- Применение на выходах эмиттерных повторителей обеспечивает ускорение процесса перезарядки ёмкостей, подключённым к выходам;
-Улучшение частоты характеристики транзисторов;
- Высокая нагрузочная способность;
- Широкие логически возможности, т.к. схема имеет два выхода.
Недостатки:
- Большая потребляемая мощность, т.к. в схеме переключаются большие токи;
- Сравнительно низкая помехоустойчивость элемента, т.к. выбран малый перепад логических уровней U1 – U0 = 0,8.
Проанализировав информацию и сопоставить данные с заданием, можно сказать, что для дипломного проекта отдадим предпочтение более быстродействующим сериям ТТЛШ и КМОП. Отметим также, цифровые микросхемы ТТЛШ остаются основой построения вычислительных устройств, а также эта серия отличается наибольшим диапазоном выбора микросхем. Широкое применение получили микросхемы, в которых используются диоды и транзисторы с эффектом Шотки. Использование диодов Шотки позволило уменьшить потребляемую мощность и время задержек. К достоинствам КМОП микросхем можно отнести высокое быстродействие, меньшее напряжение питания (Uпит), большая степень интеграции. Также микросхем ТТЛШ и КМОП серий отличает широкий функциональный набор элементов.
3.1.1 Микросхемы .
1) Микросхема К555АП5 (DD19) представляет собой два четырёхканальных формирователя с тремя состояниями на выходе. Содержит 232 интегральных элемента. Корпус типа 201.16-8, масса не более 3,6 г.Условно графическое обозначение микросхемы представлено на рисунке 1.

Рисунок 1 УГО К555П5
Назначение выходов: 1 – вход разрешения передачи информации E1; 2 – вход нулевого разряда D1.0; 3 – выход третьего разряда Z2.3 (три состояния); 4 – вход первого разряда D1.1; 5 – выход второго разряда Z2.2 (три состояния); 6 – вход второго разряда D1.2; 7 – выход первого разряда Z2.1 (три состояния); 8 – вход третьего разряда D1.3; 9 – выход нулевого разряда Z2.0 (три состояния); 10 – общий; 11 – вход нулевого разряда D2.0; 12 – выход третьего разряда Z1.3
(три состояния); 13 - вход первого разряда D2.1 ; 14 – выход второго разряда Z2.1 (три состояния); 15 – вход второго разряда D2.2 ; 16 – выход первого разряда Z1.1 (три состояния); 17 – вход третьего разряда D2.3; 18 – выход нулевого разряда Z1.0 (три состояния); 19 – вход разрешения передачи информации E2; 20 – напряжение питания.
Таблица 3. Таблица истинности
| Входы |
Выходы |
|||
| E1 |
E2 |
Di |
Z1 |
Z1 |
| 0 0 1 1 |
0 1 0 1 |
D D D D |
D D Z Z |
D Z D Z |
Электрические параметры
Номинальное напряжение питания 5В ± 5%;
Выходное напряжение низкого уровня: ≤ 0,5В;
Выходное напряжение высокого уровня: ≥ 2В;
Ток потребления при низком уровне выходного напряжения: ≤ 46 мА;
Ток потребления при высоком уровне выходного напряжения: ≤ 23 мА;
Ток потребления при включённом состоянии выходов: ≤ 54 мА;
Входной ток низкого уровня: ≤ |-20| мА;
Входной ток высокого уровня: ≤ 20 мкА;
Выходной ток выключенного состояния низкого уровня: ≤ |-20| мкА;
Выходной ток выключенного состояния высокого уровня: ≤ 20 мкА;
Ток короткого замыкания: -225…-40 мА;
Потребляемая мощность: 297 мВт;
Время задержки распространения сигнала при переходе из состояния высокого уровня в состояние низкого уровня от входа D до выхода Z: ≤ 18 нс;
Время задержки распространения сигнала при переходе из состояния низкого уровня в состояние высокого уровня от входа D до выхода Z: ≤ 18 нс;
Время задержки распространения сигнала при переходе из выключенного состояния в состояние низкого уровня от входа E1 до выхода Z и от входа E2 до выхода Z: ≤ 30нс
Время задержки распространения сигнала при переходе из состояния низкого уровня в выключенное состояние от входа E1 до выхода Z и от входа E2 до выхода Z: ≤ 35 нс;
Время задержки распространения сигнала при переходе из выключенного состояния в состояние высокого уровня от входа E1 до выхода Z и от входа E2 до выхода Z: ≤ 23нс
Время задержки распространения сигнала при переходе из состояния высокого уровня в выключенное состояние от входа E1 до выхода Z и от входа E2 до выхода Z: ≤ 45 нс;
Коэффициент разветвления по выходу: 60.
2) Микросхема К555АП6 (DD1) представляет собой восьмиканальный двунаправленный формирователь с тремя состояниями на выходе. Содержит 230 интегральных элементов. Корпус типа 201.16-8, масса не более 3,6 г. Условно графическое обозначение микросхемы представлено на рисунке 2.

Рисунок 2 УГО К555АП6
Назначение выходов: 1 – вход выбора данных SED0/D1; 2 – вход/выход первого канала шины D0 (три состояния); 3 – вход/выход второго канала шины D0 (три состояния); 4 – вход/выход третьего канала шины D0 (три состояния); 5 – вход/выход четвёртого канала шины D0 (три состояния); 6 – вход/выход пятого канала шины D0 (три состояния); 7 – вход/выход шестого канала шины D0 (три состояния); 8 – вход/выход седьмого канала шины D0 (три состояния); 9 – Вход/выход восьмого канала шины D0 (три состояния); 10 – общий; 11 – Вход/выход восьмого канала шины D1 (три состояния);
12 – вход/выход седьмого канала шины D1 (три состояния); 13 - вход/выход шестого канала шины D1 (три состояния); 14 – вход/выход пятого канала шины D1 (три состояния); 15 – вход/выход четвёртого канала шины D1 (три состояния); 16 – вход/выход третьего канала шины D1 (три состояния); 17 – вход/выход второго канала шины D1 (три состояния); 18 – вход/выход первого канала шины D1 (три состояния); 19 – вход разрешения состояния высокого импеданса; 20 – напряжение питания.
Таблица 4. Таблица истинности.
| Вход |
Режим |
|
| EZ |
SED0/D1 |
|
| 0 0 1 |
0 1 x |
Передача от D1 к Z1 Передача от D0 к Z0 Состояние выключено |
Электрические параметры
Номинальное напряжение питания 5В ± 5%;
Выходное напряжение низкого уровня: ≤ 0,5В;
Выходное напряжение высокого уровня: ≥ 2В;
Ток потребления при низком уровне выходного напряжения: ≤ 90 мА;
Ток потребления при высоком уровне выходного напряжения: ≤ 70 мА;
Ток потребления при включённом состоянии выходов: ≤ 95 мА;
Входной ток низкого уровня: ≤ |-0,2| мА;
Входной ток высокого уровня: ≤ 20 мкА;
Выходной ток выключенного состояния низкого уровня: ≤ |-20| мкА;
Выходной ток выключенного состояния высокого уровня: ≤ 20 мкА;
Потребляемая мощность: 473 мВт;
Время задержки распространения сигнала при переходе из состояния высокого (низкого) уровня в состояние низкого (высокого) уровня напряжения от входа шины D0 до выхода Z0 и от входа D1 до выхода Z1: ≤ 18 нс;
Время задержки распространения сигнала при переходе из выключенного состояния в состояние низкого (высокого) уровня напряжения на выходе Z1, Z0 от входа разрешения состояния высокого импеданса EZ: ≤40нс;
Время задержки распространения сигнала при переходе из состояния низкого уровня (высокого) в выключенное состояние на выходе Z1, Z0 от входа разрешения состояния высокого импеданса EZ: ≤ 45 нс;
Коэффициент разветвления по выходу: 60.
3) Микросхема К555ИР23 (DD3) представляет собой синхронный регистр восьмиразрядный буферный с инверсный (импульсным) управлением с начальной установкой информации. Выходы имеют 3 состояния. Содержит 365 интегральных элементов. Корпус типа 238.16-1, масса не более 3.6 г. Условно графическое обозначение микросхемы представлено на рисунке 3.

Рисунок 3 УГО К555ИР23
Назначение выводов: 1- вход разрешения считывания ER; 2 – выход первого разряда (три состояния) Q1; 3 – вход информационный первого разряда D1; 4 – вход информационный второго разряда D2; 5 – выход второго разряда Q2 (три состояния); 6 – выход третьего разряда Q3 (три состояния); 7 – вход информационный третьего разряда D3; 8 – вход информационный четвёртого разряда D4; 9 – выход четвёртого разряда Q4 (три состояния); 10 – общий; 11 – вход синхронизации С; 12 – выход пятого разряда (три состояния) Q5; 13 – вход информационный шестого разряда D5; 14 – вход информационный шестого разряда Q6; 15 – выход шестого разряда Q6 (три состояния); 16 – выход седьмого разряда Q7; 18 – вход информационный восьмого разряда D8; 19 – выход восьмого разряда Q8 (три состояния); 20 – напряжение питания.
Таблица 5. Таблица истинности
| Выходы |
Выходы |
Режим |
||
| ER |
Di |
C |
Qi |
|
| 0 |
D |
D |
Передача |
|
| 0 0 0 |
X X X |
0 1 |
Q(n-1) Q(n-1) Q(n-1) |
Считывание |
| 1 |
D |
Z |
Запись |
|
| 1 1 1 |
X X X |
0 1 |
Z Z Z |
Хранение |
Электрические параметры
Номинальное напряжение питания 5В ± 5%;
Выходное напряжение низкого уровня: ≤ 0,5В;
Выходное напряжение высокого уровня: ≥ 2,4В;
Ток потребления: ≤ 45 мА;
Входной ток низкого уровня: ≤ |-0,4| мА;
Входной ток высокого уровня: ≤ 20 мкА;
Выходной ток в состоянии «выключено»: ≤ |-20| мкА;
Потребляемая мощность: 210 мВт;
Время задержки распространения сигнала при выключении от входа С до выхода Q: ≤ 28 нс;
Время задержки распространения сигнала при включении от входа С до выхода Q: ≤ 34 нс;
Время задержки распространения сигнала при переходе из выключенного состояния в низкий уровень от входа ER До выхода Q: ≤ 31 нс;
Время задержки распространения сигнала при переходе из выключенного состояния в высокий уровень от входа ER До выхода Q: ≤ 28 нс;
Время задержки распространения при переходе из низкого уровня в выключенное состояние от входа ER До выхода Q: ≤ 31 нс;
Время задержки распространения при переходе из высокого уровня в выключенное состояние от входа ER До выхода Q: ≤ 32 нс;
Коэффициент разветвления по выходу: 30.
4) Микросхема К555КП11 представляет собой четырёхразрядный селектор 2-1 без инверсии с тремя устойчивыми состояниями. Содержит 133 инверсных элементов. Корпус типа 238.16-2, масса не более 1,2 г. Условно графическое обозначение микросхемы представлено на рисунке 4.

Рисунок 4 УГОК555КП11
Назначение входов: 1 – вход выборки канала V; 2 – вход A0; 3 – вход B0; 4 – выход Y0; 5 – вход A1; 6 – вход B1; 7 – выход Y1; 8 – общий; 9 – выход Y2; 10 – вход B2; 11 – вход A2; 12 – выход Y3; 13 – вход B3; 14 – вход F3; 15 – вход разрешения разряда W; 16 – напряжение питания.
Таблица 6. Таблица истинности
| Вход |
Выход |
|||
| W |
V |
A0 - A3 |
B0 – B3 |
Y0 – Y1 |
| 0 0 0 0 1 |
0 0 1 1 X |
0 1 X X X |
X X 0 1 X |
0 1 0 1 Z |
Электрические параметры
Номинальное напряжение питания 5В ± 5%;
Выходное напряжение низкого уровня: ≤ 0,48В; ≤ 0,5В;
Выходное напряжение высокого уровня: ≥ 2,5В; ≥ 2,4В;
Ток потребления при низком уровне выходного напряжения: ≤ 13,6 мА;
Ток потребления при высоком уровне выходного напряжения: ≤ 9,7мА;
Ток потребления в состоянии «выключено»: ≤ 14,5 мА;
Входной ток низкого уровня по выводу 1: ≤ |-0,76| мА;
Входной ток низкого уровня по выводу 2, 3, 5, 6,10,11,13, 14, 15: ≤ |-0,38|мА;
Входной ток высокого уровня по выводу 1: ≤ 6 мкА;
Входной ток высокого уровня по выводу , 3, 5, 6,10,11,13, 14, 15: ≤ 3 мкА;
Выходной ток низкого уровня в состоянии «выключено»: ≤ |-3| мкА;
Выходной ток высокого уровня в состоянии «выключено»: ≤ 3 мкА;
Потребляемая мощность: 55 мВт;
Время задержки распространения при включении (выключении) по выводам 1, 2, 3, 4, 7, 9, 12: ≤ 21 нс;
Время задержки перехода из состояния низкого уровня в третье состояние по выводам от 15 до 4, 7, 9, 12: ≤ 31 нс;
Время задержки перехода из состояния высокого уровня в третье состояние по выводам от 15 до 4, 7, 9, 12: ≤ 41 нс;
Время задержки перехода из третьего состояния в состояние низкого (высокого) уровня по выводам от 15 до 4, 7, 9, 12: ≤ 30 нс;
Коэффициент разветвления по выходу: 20.
5) Микросхема К555ЛА13(DD12, DD20) представляет собой четыре логических буферных элемента 2И-НЕ с открытым коллектором. Содержит 48 интегральных элементов. Корпус типа 201.14-1, масса не более 1 г. и 201.14-8, 2102.14-2 масса не более 2,3 г. Условно графическое обозначение микросхемы представлено на рисунке 5.

Рисунок 5 УГО К555ЛА13
Назначение выводов: 1, 2, 4, 5, 9, 10, 12, 13 – входы; 3, 6, 8, 11 – выходы; 7 – общий; 14 – напряжение питания.
Таблица 7. Таблица истинности
| Вход |
Выход |
|
| 1 (4, 9, 12) |
2 (5, 10, 13) |
3 (6, 8, 11) |
| 0 0 1 1 |
0 1 0 1 |
1 1 1 0 |
Электрические параметры
Номинальное напряжение питания 5В ± 5%;
Выходное напряжение низкого уровня при /⁰вых = 12 мА: ≤ 0,4 В;
Выходное напряжение низкого уровня при /⁰вых = 24 мА: ≤ 0,5 В;
Ток потребления при низком уровне выходного напряжения: ≤ 2 мА;
Ток потребления при высоком уровне выходного напряжения: ≤ 12мА;
Входной ток низкого уровня: ≤ |-0,4| мА;
Входной ток высокого уровня: ≤ 20 мкА;
Выходной ток высокого уровня: ≤ 0,25 мкА;
Потребляемая мощность: 36,7 мВт;
Время задержки распространения при включении: ≤ 28 нс;
Время задержки распространения при выключении: ≤ 32 нс;
Коэффициент разветвления по выходу: 60.
Предельно допустимые режимы эксплуатации
Максимальное входное напряжение низкого уровня: 0,4 В;
Минимально входное напряжение высокого уровня: 2,7 В;
Максимальный выходной ток высокого уровня: 0,25 мА;
Максимальный выходной ток низкого уровня при U¹вых = 0,4 В: 12 мА;
Максимальный выходной ток низкого уровня при U¹вых = 0,5 В: 24 мА;
Температура окружающей среды: -10…+70 ⁰С
6) Микросхема К555ЛН3 (DD4, DD9-18, DD22, DD23) представляет собой шесть инверторов с открытым коллекторным выходом. Содержат 42 интегральных элемента. Корпус типа 201.14-1, масса не более 1 г. и 201.14-8, масса на более 2,3 г. Условно графическое обозначение микросхемы представлено на рисунке 6.

Рисунок 6 УГО К555ЛН3
Назначение выходов: 1 – вход Х1; 2 – выход Y1; 3 – вход Х2; 4 - выход Y2; 5 – вход Х3; 6 - выход Y3; 7 – общий; 8 - выход Y4; 9 – вход Х4; 10 - выход Y5; 11 – вход Х5; 12 - выход Y6; 13 – вход Х6; 14 – напряжение питания.
Электрические параметры
Номинальное напряжение питания 5В ± 5%;
Выходное напряжение низкого уровня: ≤ 0,5 В;
Ток потребления при низком уровне выходного напряжения: ≤ 6,6 мА;
Ток потребления при высоком уровне выходного напряжения: ≤ 2,4мА;
Входной ток низкого уровня: ≤ |-0,36| мА;
Входной ток высокого уровня: ≤ 20 мкА;
Ток утечки на выходе: ≤ 100 мкА;
Потребляемая мощность: 23,63 мВт;
Время задержки распространения сигнала при включении: ≤ 28 нс;
Время задержки распространения сигнала при выключении: ≤ 32 нс;
Коэффициент разветвления по выходу: 20.
7) Микросхема К572ПА1А (DA1-DA4) представляет собой 10-разрядный умножающий цифро-аналоговый преобразователь. Предназначены для преобразования 10-разрядного прямого параллельного двоичного кода на цифровых входах и ток на аналоговом выходе, который пропорционален значениям кода и опорного напряжения. Условно графическое обозначение микросхемы представлено на рисунке 7.

Рисунок 7 УГО К572ПА1А
В состав ИС входят резисторная матрица типа R-2R, усилители-инверторы для управления токовыми ключами и токовые двухпозиционные ключи. Для работы в режиме с выходом по напряжению подключаются внешние источники опорного напряжения (ИОН) и операционный усилитель с целью отрицательной обратной связи, работающей в режиме суммирования токов. Содержат 144 интегральных элемента. Корпус типа 201.16-8, масса не более 2 г. и 238.16-1, масса не более 1,2 г.
Назначение выводов: 1 – аналоговый выход 1; 2 – аналоговый выход 2; 3 – общий; 4 – цифровой вход 1 (старший разряд); 5, 6, 7, 8, 9, 10, 11, 12 – цифровые входы 2, 3, 4, 5, 6, 7, 8, 9; 13 – цифровой вход 10 (младший разряд); 14 – напряжение питания; 15 – опорное напряжение; 16 – выход резистора обратной связи.
Электрические параметры
Номинальное напряжение питания 15В ± 10%;
Ток потребления: ≤ 2 мА;
Ток утечки на выходе: ≤ 200 нА;
Среднее значение входного тока по цифровым входам: ≤ 1 мкА;
Входной ток при Uоп = 10 В: ≤ 2 мА;
Дифференциальная нелинейность от полной шкалы (ПШ): -0,1…+0,1%ПШ;
Абсолютная погрешность преобразования в конечной точке шкалы: -30…+30%ПШ;
Время установления выходного тока: ≤ 5 мкс.
Предельно допустимые режимы эксплуатации
Напряжение питания: 13,5…16,5 В;
Опорное напряжение: 10,22…10,26 В;
Входное напряжение высокого уровня: 3,6…Uп В;
Входное напряжение низкого уровня: 0…0,8 В;
Температура окружающей среды: -10…+70 ⁰С.
Порядок подачи режимов на ИС: потенциал земли, напряжение питания, опорное напряжение, напряжение на цифровые входы. Порядок снятия режимов должен быть обратным. Для входных напряжений менее 5,5 В порядок подачи режимов произвольный.
Опорное напряжение может быть задано любой полярности и формы.
Незадействованные цифровые входы должны быть соединены с землёй или объединены с другими входами
На выходы 1 и 2 не рекомендуется подавать напряжение менее |-100| мВ и более Uп. На выводы ИС, кроме выводов 1, 2 и 15, не рекомендуется подавать напряжение менее 0 В и более Uп.
8) Микросхема КР574УД2А (DD23, DD24) представляет собой сдвоенный операционный усилитель средней точности с большим входным сопротивлением. Применяются для создания активных фильтров, повторителей, интеграторов, суммирующих усилителей, схем дискретизации, входных усилителей датчиков различных физических величин. Не имеют внутренней частотной коррекции. Содержат 74 интегральных элемента. Корпус типа 301.8 – 2, масса не более 1,5 г и 2101.8 – 2, масса не более 1 г. Условно графическое обозначение микросхемы представлено на рисунке 8.

Рисунок 8 УГО КР574УД2А
Назначение выходов: 1 – вход инвертирующий; 2 – вход не инвертирующий; 3 – напряжение питания (+Uп); 4 – вход не инвертирующий; 5 - вход инвертирующий 2; 6 – выход; 7 – напряжение питания (- Uп); 8 – выход .
Электрические параметры
Номинальное напряжение питания: ± 15В;
Максимальное выходное напряжение при Rн ≥ 10 кОм: ≥ 10 В;
Напряжение смещения нуля (при Rн ≥ 10 кОм): ≤ 50 мА;
Номинальное напряжение шума при f = 1 кГц, Rг = 0: ≤ 150 нВ/Гц;
Ток потребления: ≤ 5 мА;
Входной ток: ≤ 1 нА;
Разность входных токов: ≤ 5 нА;
Коэффициент усиления напряжения при Rн ≥ 10 кОм: ≥ 25*10³;
Коэффициент ослабления синфазных входных напряжений: ≥ 60 дБ;
Максимальная скорость нарастания: ≥ 5 В/мкс;
Частота единичного усиления: ≥ 1 МГц.
Предельно допустимые режимы эксплуатации
Напряжение питания: ±13,5…±16,5 В;
Синфазное входное напряжение: 5 В;
Входное напряжение: ±10 В;
Рассеивающая мощность ≤ 350 мВт;
Сопротивление нагрузки: ≥ 10 кОм;
Температура окружающей среды: -45…+70 ⁰С.
9) Микросхема представляет КР580ВВ55А (DD5-DD8) собой программируемый параллельный интерфейс. Применяет ся в качестве элемента ввода/вывода общего назначения, сопрягающего различные типы переферийных устройств с магистралью данных систем обработки информации. Обмени информацией осуществляеться через 8 – разрядный двунаправленный трёхстабильный канал данных (D). Для связи с переферийными устройствами используются 24 линии ввода/вывода, сгруппированные в три 8-разрядных канала (ВА, ВВ, ВС), направление передачи информации и режим работы которых определяются программным способом. Содержит 1600 интегральных элементов. Корпус типа 201.16-8 масса не более 6 г. Условно графическое обозначение микросхемы представлено на рисунке 9.

Рисунок 9 УГОК580BB55А
Назначение выводов: 1, 2, 3, 4 – входы/выходы канала А; 5 – чтение информации; 6 – выбор микросхемы; 7 – общий; 8, 9 – адрес (младшие разряды); 10…17 – входы/выходы канала С; 18, 19,20, 21, 22, 23, 24, 25 – входы/выходы канала В; 26 – напряжение питания; 27, 28, 29, 30, 31, 32, 33, 34 – входы/выходы канала данных; 35 – установка и исходное состояние; 36 – запись информации; 37, 38, 39, 40 – входы/выходы канала А.
Электрические параметры
Номинальное напряжение питания 5В ± 5%;
Выходное напряжение высокого уровня по каналам А, В, С, D: ≤ 2,4 В;
Выходное напряжение низкого уровня по каналам А, В, С, D: ≤ 0,45 В;
Ток потребления: ≤ 120 мА;
Выходной ток к состоянии «выключено»: ≤ 10мА;
Ток утечки по управляющим входам: ≤ |-10| мкА
Входной ток высокого уровня по каналам В и С: -1…-4 мА;
Время установления данных D7…D0 относительно сигнала RD: ≤ 250 нс;
Длительность сигнала RD: ≥ 300 нс;
Длительность сигнала WR: ≥ 400 нс;
Время установления адреса А1, А0 и сигнала CS относительно сигнала WR: 0 нс;
Время сохранения канала ВА, ВВ относительно сигнала WR: ≤ 350 нс;
Предельно допустимые режимы эксплуатации
Максимальное напряжение питания: 5,25 В;
Максимальное напряжение на вводах высокого уровня: 5,25 В;
Максимальное напряжение на выводах низкого уровня: 0,8 В;
Максимальный выходной ток высокого уровня: |-0,2| мА;
Максимальный выходной ток низкого уровня: 1,7 мА;
Максимальная ёмкость нагрузки: 190 пФ;
Температура окружающей среды: -10…+70 ⁰С.
3.1.2 Транзисторы .
Транзи́стор - трёхэлектродный полупроводниковый электронный прибор, в котором ток в цепи двух электродов управляется третьим электродом. Управление током в выходной цепи осуществляется за счёт изменения входного напряжения. Небольшое изменение входных величин может приводить к существенно большему изменению выходного напряжения и тока. Это усилительное свойство транзисторов используется в аналоговой технике (аналоговые ТВ, радио, связь и т. п.). В настоящее время в аналоговой технике доминируют биполярные транзисторы (БТ). Другой важнейшей отраслью электроники является цифровая техника (логика, память, процессоры, компьютеры, цифровая связь и т. п.), где, напротив, биполярные транзисторы почти полностью вытеснены полевыми.
Вся современная цифровая техника построена, в основном, на полевых МОП (металл-оксид-полупроводник)-транзисторах (МОПТ), как более экономичных, по сравнению с БТ, элементах. Иногда их называют МДП (металл-диэлектрик-полупроводник)- транзисторы. Транзисторы изготавливаются в рамках интегральной технологии на одном кремниевом кристалле (чипе) и составляют элементарный «кирпичик» для построения микросхем памяти, процессора, логики и т. п. Размеры современных МОПТ составляют от 90 до 32 нм. На одном современном чипе (обычно размером 1—2 см²) размещаются несколько (пока единицы) миллиардов МОПТ. На протяжении 60 лет происходит уменьшение размеров (миниатюризация) МОПТ и увеличение их количества на одном чипе (степень интеграции), в ближайшие годы ожидается дальнейшее увеличение степени интеграции транзисторов на чипе. Уменьшение размеров МОПТ приводит также к повышению быстродействия процессоров. Каждую секунду сегодня в мире изготавливается полмиллиарда МОП - транзисторов.
Характеристики выбранных биполярных транзисторов представлены в таблице 8.
Таблица 8. Характеристики биполярных транзисторов
| Тип |
B1-B2/Iк мсим/мА |
Fт, |
Iко, |
Uкб, |
Uкэ/R, |
Uэб, |
Iкм/Iкн |
Pк |
Канал |
|
| КТ361Г |
50-350/1 |
250 |
1 |
35 |
35/10 |
4 |
50/ |
150 |
P-N-P |
|
| КТ805АМ |
15- 35/2 |
20 |
160/10 |
5 |
5/8 |
2 |
/30 |
3.3 |
NPN |
|
| КТ814Б |
40 /0.15 |
3 |
50/100 |
5 |
1.5/3 |
0.5 |
1/10 |
10 |
PNP |
|
| КТ972А |
750 /1 |
200 |
60/1к |
5 |
4/ |
/8 |
15.6 |
NPN |
||
| КТ973А |
750 /1 |
200 |
60/1к |
5 |
4/ |
/8 |
15.6 |
PNP |
||
Условные обозначения электрических параметров биполярных транзисторов:
B1-B2/Iк статический коэффициент передачи тока
Fт предельная частота коэффициента передачи тока
Iко обратный ток коллектора
Uкб максимально допустимое постоянное напряжение коллектор-база
Uэб максимально допустимое постоянное напряжение эмиттер-база
Uкэ/R максимально допустимое постоянное напряжение коллектор-эмиттер (Uкэ) при заданной величине сопротивления, включенного между базой и эмиттером ®
Iбм предельно допустимый постоянный ток базы
Iкм/Iкнас предельно допустимый постоянный (Iкм) ток коллектора предельно допустимый ток коллектора в режиме насыщения (Iкнас)или в импульсе
Pк максимально допустимая постоянная рассеиваемая мощность на коллекторе
Pк/Pт максимально допустимая постоянная рассеиваемая мощность на транзисторе без теплоотвода (Pк) и с теплоотводом (Pт).
Rпк тепловое сопротивление перехода коллектор-корпус транзистора
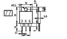
Корпус биполярного транзистора КТ361Г (VT1-VT9, VT14-VT21, VT26-VT29) представлен на рисунке 11:

Рисунок 11 Корпус КТ361Г
Корпус биполярного транзистора КТ805АМ (VT34, VT36, VT38, VT40) представлен на рисунке 12:

Рисунок 12 Корпус КТ805АМ
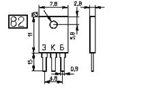
Корпус биполярных транзисторов КТ814Б (VT10-VT13, VT22-VT25), КТ972А (VT30-VT33), КТ973А (VT35, VT37, VT39, VT 41) представлен на рисунке 13:

Рисунок 12 Корпус КТ814Б, КТ972А, КТ973А
3.1.3 Резисторы .
Резистор – пассивный элемент электрической цепи.
Резисторы классифицируются на:
- постоянные резисторы, сопротивление которых не регулируется;
- переменные регулируемые резисторы (потенциометры, реостаты, подстроечные резисторы);
- нелинейные, которые не являются обычными резисторами из-за нелинейности ВАХ;
- терморезисторы с большой зависимостью сопротивления от температуры;
- фоторезисторы, сопротивление зависит от освещённости;
- тензорезисторы , сопротивление зависит от деформации резистора;
- магниторезисторы и др.
По используемому материалу резисторы классифицируются на:
1) Проволочные резисторы. Представляют собой кусок проволоки с высоким удельным сопротивлением намотанный на какой-либо каркас. Могут иметь значительную паразитную индуктивность. Высокоомные малогабаритные проволочные резисторы иногда изготавливают из микропровода.
2) Плёночные металлические резисторы. Представляют собой тонкую
плёнку металла с высоким удельным сопротивлением, напылённую на керамический сердечник, на концы сердечника надеты металлические колпачки с проволочными выводами. Иногда, для повышения сопротивления, в плёнке прорезается канавка. Это наиболее распространённый тип резисторов.
3) Металлофольговые резисторы. В качестве резистивного материала используется тонкая металлургическая лента.
4) Угольные резисторы. Бывают плёночными и объёмными. Используют высокое удельное сопротивление графита.
5) Полупроводниковые резисторы. Используется сопротивление слаболегированного полупроводника. Эти резисторы могут иметь большую нелинейность вольт-амперной характеристики. В основном используются в составе интегральных микросхем, где применить другие типы резисторов труднее.
Постоянные непроволочные общего применения неизолированные резисторы С2-33Н предназначены для работы в электрических цепях постоянного, переменного токов и в импульсных режимах.
Выпускаемые промышленностью резисторы одного и того же номинала имеют разброс сопротивлений. Значение возможного разброса определяется точностью резистора. Выпускают резисторы с точностью 20 %, 10 %, 5 %, и т. д. вплоть до 0,1 %.
Резисторы С2-33Н удовлетворяют требованиям ГОСТ 24238 и изготавливаются в соответствии с техническими условиями ОЖО.467.173 ТУ (приёмка "ОТК") и ОЖО.467.093 ТУ (приёмка "5").
Резисторы С2-33Н изготавливают в двух исполнениях – предназначенном для ручной и предназначенном для автоматизированной сборки аппаратуры.
Резисторы С2-33Н , предназначенные для автоматизированной сборки аппаратуры, соответствуют ГОСТ 20.39.405, конструктивно-технологическая группа I, исполнение 1.
Резисторы С2-33Н изготовляют во все климатическом исполнении В2.1 по ГОСТ 15150.
Условное обозначение резистора С2-33Н при заказе и в конструкторской документации должно состоять из слова «Резистор», сокращенного условного обозначения резистора, номинальной мощности рассеяния, обозначения изолированного исполнения (буква И), полного обозначения номинального сопротивления и допускаемого отклонения по ГОСТ 28883-90, группы по уровню шумов (только для класса А и Б), группы по температурному коэффициенту сопротивления (только для группы В), обозначения автоматизированного монтажа (буква А), обозначения варианта по стабильности (буква К), обозначения ТУ.
Промежуточные значения номинального сопротивления резисторов С2-33Н соответствуют ряду Е96 для резисторов с допускаемыми отклонениями ±1, ±2%
Корпус резисторов С2-33Н представлен на рисунке 13.

Рисунок 13 Корпус ресизисторов С2-33Н
Таблица 11. Основные размеры резисторов
| Вид резистора |
L, мм |
D, мм |
l, мм |
d, мм |
Масса, не более, г |
| С2-33НВ-0,5 |
10,8-1,3 |
4,2-0,8 |
25+5 |
0,8±0,1 |
0,8 |
В таблицах 12 представлены основные технические характеристики резисторов.
Таблица 12. Основные технические данные резисторов С2-33.
| Вид резистора |
Номинальная мощность рассеяния. Вт |
Пределы номинального сопротивления, мОм |
Допускаемые отклонения сопротивления, % |
Предельное рабочее напряжение постоянного тока или ампл. значение переменного тока, В |
| С2-33НВ-0,5 |
0,5 |
1 – 1000 |
±1; ±2 |
2500 |
3.1.4 Диоды .
Диод - двухэлектродный электронный прибор, проводящий ток только в одном направлении. Электрод диода, подключённый к положительному полюсу источника тока, когда диод открыт (т.е. имеет маленькое сопротивление), называют анодом, подключённый к отрицательному полюсу — катодом.
Диоды бывают как электровакуумными (кенотроны), так и полупроводниковыми. В настоящее время в подавляющем большинстве случаев применяются полупроводниковые диоды.
Специальные типы диодов:
- Стабилитроны (диод Зенера (Зинера)). Используют обратную ветвь характеристики диода с обратимым пробоем для стабилизации напряжения;
- Туннельные диоды (диоды Лео Исаки). Диоды, существенно использующие квантовомеханические эффекты. Имеют область т. н. «отрицательного сопротивления» на вольт-амперной характеристике. Применяются как усилители, генераторы и пр.;
- Варикапы. Используется то, что запертый p—n-переход обладает большой ёмкостью, причём ёмкость зависит от обратного напряжения;
- Светодиоды (диоды Генри Раунда). В отличие от обычных диодов, при рекомбинации электронов и дырок в переходе излучают свет в видимом диапазоне, а не в инфракрасном;
- Полупроводниковые лазеры. По устройству близки к светодиодам, однако имеют лазерный резонатор, излучают когерентный свет;
- Фотодиоды. Запертый фотодиод открывается под действием света;
- Диоды Ганна. Используются для генерации и преобразования частоты в СВЧ диапазоне;
- Диод Шоттки. Диод с малым падением напряжения при прямом включении;
- Лавинно-пролётный диод. Диод, работающий за счёт лавинного пробоя;
- Магнитодиод. Диод, вольт-амперная характеристика которого существенно зависит от значения индукции магнитного поля и расположения его вектора относительно плоскости p-n-перехода;
- Стабисторы. При работе используется участок ветви вольт-амперной характеристики, соответствующий «прямому напряжению» на диоде;
- Смесительный диод — предназначен для перемножения 2-ух высокочастотных сигналов;
1) Диод Д310 (VD1-VD8, VD19-VD26) германиевый диффузионный. Выпускается в металлостеклянном корпусе с гибкими выводами. Масса диода не более 0,7 г.
Электрические параметры
Постоянное прямое напряжение при Iпр = 0,5 А при 298 К: ≤ 0,55 В;
Постоянное прямое напряжение при Iпр = 0,5 А при 213 К: ≤ 0,7 В;
Импульсное прямое напряжение при Iпр.н = 0,8 А: ≤ 2,4 В;
Постоянный обратный ток при Uобр = 20 В при123 К и 298 К: ≤ 20 мкА;
Постоянный обратный ток при Uобр = 20 В при 243 К: ≤ 150 мкА;
Общая ёмкость при Uобр = 20 В: ≤ 15 пФ;
Время прямого восстановления: ≤ 0,15 мкс;
Время обратного восстановления: ≤ 0,3 мкс.
Предельные эксплуатационные данные
Постоянное или импульсное обратное напряжение при температуре от 213 до 343 К: 20 В;
Однократная перегрузка по обратному напряжению в течение не более 0,5 с при 298 К: 35 В;
Постоянный прямой ток при температуре от 213 до 343 К: 500 мА;
Импульсный прямой ток при 213 до 343 К: 800 мА;
Средний выпрямляемый ток при температуре от 213 до 343 К: 250 мА;
Однократная перегрузка по прямому току в течение не более 0,5 с при 298 К: 1500 мА
Средняя рассеиваемая мощность при температуре от 213 до 343 К: 275 мВт;
Температура окружающей среды: 213…343 К.
2) Диод КД522Б (VD9-VD18, VD27-VD36) кремниевый эпитаксиально-планарный. Выпускаются в стеклянном корпусе с гибкими выводами. Диод номеруется тремя чёрными кольцевыми полосками на корпусе у положительного вывода. Масса диода не более 0,15 г.
Электрические параметры
Постоянное прямое напряжение при Iпр = 100 мА при 298 К: ≤ 1,1 В;
Постоянное прямое напряжение при Iпр = 0,5 А при 218 К: ≤ 1,5 В;
Постоянный обратный ток при Uобр = 50 В при 298 К: ≤ 5 мкА;
Постоянный обратный ток при Uобр = 50 В при 358 К: ≤ 50 мкА;
Заряд переключения при Iпр = 50 мА, Uобр.н = 10 В, Iотсч = 2 мА: 400 пКл;
Общая ёмкость при Uобр = 0 В: ≤ 4 пФ;
Время обратного восстановления: ≤ 4 нс.
Предельные эксплуатационные данные
Постоянное обратное напряжение при температуре от 213 до 353 К: 50 В;
Импульсное обратное напряжение при скважности ≤ 10: 60 В;
Однократная перегрузка по обратному напряжению в течение не более 0,5 с при 298 К: 35 В;
Средний прямой ток при температуре от 218 до 308 К: 100 мА;
Средний прямой ток при температуре 358 К: 50 мА;
Импульсный прямой ток без превышении среднего прямого тока при 218 до 308 К: 1500 мА;
Импульсный прямой ток без превышении среднего прямого тока при 358 К: 850 мА;
Температура окружающей среды: 218…358 К.
Температура перехода: 398 К.
3) Стабилизатор КС168А кремниевый сплавной. Выпускаются в металлостеклянном корпусе с гибкими выводами. Масса стабилизатора не более 1 г.
Электрические параметры
Напряжение стабилизации номинальное при 298 К, Iст = 10 мА: 6,8 В;
Температурный коэффициент напряжения стабилизации в диапазоне рабочей температуры: ± 0,06 %/К;
Постоянное прямое напряжение при 298 К, Iпр = 50 мА: ≤ 1 В;
Дифференциальное сопротивление при 298 К, Iст = 50 мА: ≤ 28 Ом;
Дифференциальное сопротивление при 298 К, Iст = 3 мА: ≤ 120 Ом;
Предельные эксплуатационные данные
Минимальный ток стабилизации: 3мА;
Максимальный ток стабилизации при температуре от 213 до 323 К: 45 мА;
Импульсный прямой ток: 90 мА;
Рассеиваемая мощность при температуре от 213 до 323 К:300 мВт;
Температура окружающей среды: 213…373 К.
3.2 Принцип работы схемы электрической принципиальной.
Схема программатора приведена на чертеже АКВТ.230101.ДП00.14.Э1. С помощью шины данных и сигналов управления, идущих с компьютера, программируются четыре микросхемы Д5-Д7. На выходе этих микросхем формируются сигналы, которые через соответствующие буферные каскады подаются непосредственно на панельки для программирования. На адресное пространство программируемой микросхемы сигналы Р0-Р7, Р16-Р23, Р32-Р35 подают высокое напряжение Е1, а сигналы Р8-Р15, Р24-Р31, Р36-Р39 - логические уровни. На шину данных программируемой микросхемы сигналы Р48-Р55 подают высокое напряжение Е1, а сигналы Р56-Р63 - логические уровни. Сигналы Р64-Р69, Р72-Р77, Р80-Р85, Р88-Р93 через ЦАП-ы D8-D11 и усилители формируют значения напряжений Е1-Е4 соответственно. Сигналы Р71, Р79, Р87, Р95 запрещают напряжения Е1-Е4; сигналы Р70, Р79, Р86, Р94 сглаживают фронты этих напряжений. Через линии Р40-Р47 можно прочитать данные программируемой микросхемы.
Разъем Х1 предназначен для стыковки программатора с параллельным портом IBM (стандартным кабелем от принтера). Каждый сигнал IBM обозначен соответствующей буквой.
Сигналы RD, WR, CS - выходные сигналы IBM, обозначены как инверсные. Это означает, что при установке битов 5 и 36 регистра управления порта в единичное состояние соответствующие сигналы будут иметь нулевое значение. Для выходного сигнала программатора CS знак инверсии означает, что при единичном значении этого сигнала соответствующий бит порта регистра состояния читается как нулевой. Названия сигналов, приведенные справа от стрелок, отражают их функциональное назначение.
Разъем Х2 предназначен для подключения одной из кроссовых плат, содержащих панельки для микросхем ПЗУ. На этот разъем выведены 20 сигналов адреса и 8 сигналов данных, причем единичное значение для любого из этих сигналов можно либо задавать равным +5 вольт, либо подключать к управляемому источнику питания Е1. Кроме того, на разъем выведены еще выходы четырех управляемых источников питания Е1..Е4 и напряжение +5 вольт. С помощью такого набора сигналов и напряжений можно реализовать чтение и прожигание практически любого типа микросхем ПЗУ.
Входные сигналы программатора D0-D7 (выходные сигналы регистра данных параллельного порта IBM) поступают с разъема Х1 на формирователь сигналов IBM, выполненный на микросхеме DD1 типа К555АП6. Эта микросхема представляет собой шинный формирователь, пропускающий 8 сигналов слева направо (когда на входе SD единичное значение сигнала) или справа налево (когда сигнал на входе SD нулевой), если значение сигнала XA на входе EZ нулевое (при единичном значении этого сигнала, т.е. в режиме чтения информации с микросхемы ПЗУ, все выходы микросхемы переходят в высокоимпедансное состояние).
Сигналы D0...D7 поступают также на регистр сигналов управления, выполненный на микросхеме DD2 типа К555ИР23. Байт из регистра данных порта IBM запоминается в этой микросхеме по положительному фронту сигнала XA, поступающего на вход С микросхемы. 6 выходных сигналов микросхемы используются для выбора одного из портов одной из четырех микросхем КР580ВВ55, а сигнал бита X3 предназначен для открытия формирователя сигналов адреса ПЗУ, выполненного на микросхеме DD17.
Регистр сигналов адреса включает в себя 2 микросхемы (DD5 и DD6) типа КР580ВВ55 и 20 формирователей сигналов, выполненных на логических микросхемах и транзисторах. Каждая из микросхем КР580ВВ55 содержит три 8-битных порта ввода/вывода (порты A, B и С). Все 3 порта микросхемы DD5 и 2 порта (В и С) микросхемы DD6, использующиеся для реализации регистра адреса, настраиваются (программным способом) на вывод. Для записи информации в какой-либо из этих портов сначала в регистр управляющих сигналов (микросхема DD3) записывается соответствующий управляющий байт (нулевое значение на выходе разряда 6 или 7 микросхемы DD3 выбирает одну из микросхем DD5 или DD6, а разряды 0 и 1 выбирают один из трех портов микросхемы), а затем задается нулевое значение сигнала записи (на входе WR микросхем DD5 и DD6). При этом информация с внутренней шины данных программатора (в данном случае это информация из регистра данных параллельного порта IBM) записывается в выбранный порт микросхемы DD5 или DD6. То есть, запись 20-разрядного адреса в регистр адреса осуществляется в несколько этапов. Младший байт адреса записывается в порт В микросхемы DD5, 2-й байт - в порт С микросхемы DD6, 3-й байт - в 4 старших разряда порта В микросхемы DD6. Порт А микросхемы DD5, порт А микросхемы DD6 и 4 младших бита порта В микросхемы DD6 используются для подключения шины адреса микросхемы ПЗУ к повышенному напряжению от регулируемого источника питания.
Рассмотрим формирователь младшего разряда адреса (остальные 19 формирователей аналогичны), который выполнен на микросхемах DD4.1, DD4.2 и транзисторе VT2. Если младший бит 2-го порта (порта В) микросхемы DD5 установлен в единичное состояние, то на выходе формирователя младшего разряда адреса (на выходе микросхемы DD4.1) будет нулевое напряжение. При нулевом значении этого бита выходной транзистор микросхемы DD4.1 (эта микросхема - инвертор с открытым коллектором) закрыт, поэтому напряжение на выходе формирователя определяется состоянием младшего бита 1-го порта (порта А) микросхемы DD5. При единичном значении этого бита транзистор VT2 открыт, поэтому на выход формирователя будет поступать напряжение с управляемого источника питания Е1 (через открытый транзистор VT2 и резистор R5). Если младший бит порта А микросхемы DD5 установлен в нулевое состояние, то транзистор VT5 закрыт В результате на выход формирователя будет поступать через резистор R70 и диод VD9 напряжение +5 вольт.
Такое схемное решение формирователей адресных разрядов позволяет выбрать (программным способом) те контакты микросхемы ПЗУ, на которые требуется подавать напряжение, большее 5 вольт. Для большинства микросхем ПЗУ шина адреса 5-вольтовая. Для них надо устанавливать в нулевое состояние все биты портов А микросхем DD5, DD6 и 4 младших бита порта В микросхемы DD6. При этом транзисторы всех 20 формирователей адресных сигналов будут закрыты.
Регистр данных во многом похож на регистр адреса. Он включает в себя микросхему DD7 типа КР580ВВ55 и 8 формирователей сигналов, выполненных на логических микросхемах и транзисторах. В микросхеме DD8 используются 2 порта (А и В). В порт B записываются 8-разрядные данные, порт A используется для подключения шины данных микросхемы ПЗУ к управляемому источнику питания Е1. В регистре данных ПЗУ используются более мощные транзисторы, чем в регистре адреса ПЗУ. Поэтому формирователи сигналов данных несколько отличаются от рассмотренных ранее формирователей адресных сигналов. При нулевом значении сигнала на входе формирователя младшего разряда данных (при нулевом значении бита 0 порта B микросхемы DD8) транзистор VT2 закрыт в любом случае (даже если соответствующий бит порта А микросхемы DD8 установлен в единичное состояние. Это предотвращает перегрузку микросхемы DD12.1. Данные, записываемые в порт В микросхемы DD6, проходят на выходы формирователей сигналов данных без инверсии (поскольку инвертируются 2 раза). Поэтому информация для шины данных ПЗУ задается в прямом коде (в отличие от адреса для микросхемы ПЗУ, который надо задавать в инверсном коде).
Формирователь сигналов данных ПЗУ, предназначенный для передачи сигналов, прочитанных с шины данных микросхемы ПЗУ, на внутреннюю шину программатора, представляет собой порт А микросхемы DD6 типа КР580ВВ55. Этот порт настраивается (программным способом) на ввод. Для чтения байта данных из микросхемы ПЗУ сначала на нее выдаются требуемые управляющие сигналы (как правило, достаточно только задать нулевое значение сигнала выбора модуля микросхемы), затем задаются сигналы выбора порта А микросхемы DD6 (путем записи соответствующей информации в регистр сигналов управления программатора), после чего выдается нулевое значение сигнала чтения из микросхемы DD7 (сигнал на входе RD микросхемы).
Сигналы с шины данных микросхемы ПЗУ поступают на порт А микросхемы DD6 не напрямую, а через диоды VD1, VD3, VD5, VD7, VD19, VD21, VD23, VD29 подключенные через резисторы к напряжению +5 вольт. Это позволяет читать данные из микросхем ПЗУ с открытым коллектором.
Формирователь сигналов адреса ПЗУ, предназначенный для чтения сигналов младшего байта адреса ПЗУ, реализован на микросхеме DD19 типа К555АП5. Эта микросхема представляет собой шинный формирователь, пропускающий 8 сигналов, когда на его входах EZ1 и EZ2 нулевое напряжение. Для задания нулевого значения сигнала на этих входах надо записать в регистр сигналов управления (микросхема DD3) байт с установленным в единичное состояние битом 3, а затем задать нулевое значение сигнала чтения (сигнал READ на разъеме Х1).
Порт C микросхемы DD7 и все 3 порта микросхемы DD8 используются для управления 4-мя регулируемыми источниками питания. У каждого из этих портов 6 младших битов предназначены для задания в цифровом коде выходного напряжения источника питания. Старший бит (бит 7) предназначен для выключения соответствующего источника, а бит 6 - для переключения его в режим с пологими фронтами (для прожигания некоторых типов микросхем ПЗУ требуются импульсы напряжения с пологими фронтами).
Запись в микросхемы DD7 и DD8 информации для управления источниками питания осуществляется так же, как и запись в аналогичные микросхемы регистра адреса (микросхемы DD5 и DD6), рассмотренного ранее. Сначала в регистр сигналов управления (микросхема DD3 на листе 2) записывается байт для выбора требуемого порта (порта C микросхемы DD7 или одного трех из портов микросхемы DD8). Затем в регистр данных параллельного порта IBM записывается необходимая информация и выдается нулевое значение сигнала записи в микросхемы КР580ВВ55.
Поскольку все 4 регулируемых источника питания идентичны, рассмотрим подробно работу только источника E4, который включает в себя цифро-аналоговый преобразователь (микросхема DA1 типа К572ПА1А) и усилитель мощности, выполненный на операционном усилителе DD23 и транзисторах VT30, VT34, VT35.
Напряжение на выходе цифро-аналогового преобразователя пропорционально цифровому коду, поданному на входы микросхемы DA1. Это напряжение (его максимальное значение около 7 вольт) подается на вход усилителя. Из 10 входных разрядов цифро-аналогового преобразователя используются только 6 старших. Поэтому дискретность изменения выходного напряжения регулируемого источника питания составляет 1/64 от максимального значения, т.е. около 0,4 вольт.
Если сигнал на входе микросхемы DD7 имеет единичное значение, то микросхема DD13.1 (инвертор с открытым коллектором) коротит выход цифро-аналогового преобразователя, выключая тем самым регулируемый источник питания (напряжение на его выходе будет нулевым при любом коде на входах микросхемы DA4).
Если сигнал на входе микросхемы DD13.1 имеет единичное значение, то к входу усилителя подключается конденсатор C3 при этом изменение напряжения на выходе регулируемого источника питания (при изменении управляющего кода в порту C микросхемы DD3) будет происходить плавно, что является необходимым условием для прожигания некоторых типов микросхем ПЗУ.
С помощью шины данных и сигналов управления, идущих с компьютера, программируются четыре микросхемы DD5–DD8. На выходе этих микросхем формируются сигналы, которые через соответствующие буферные каскады подаются непосредственно на панельки для программирования. На адресное пространство программируемой микросхемы сигналы 1–20 с выхода разъема Х2 подают высокое напряжение Е1.
Коммутаторы на шине данных используют мощный транзистор типа КТ973, обеспечивающий импульсный ток до 1А, что необходимо для программирования, например, микросхем 556РТхх, 1556хх. Другая шина, часто используемая как адресная, таких токов не требует. Поэтому коммутатор, хоть и выполняет эту же функцию, но устроен несколько проще.
Как видно из устройства коммутаторов, на любую линию шины адреса или данных (или на несколько сразу) можно вывести высокое напряжение Е1, и при этом другие линии независимо могут иметь логические уровни.
Кроме 20-ти разрядной шины адреса и 8-ми разрядной шины данных, существуют четыре программируемых источника напряжений Е1-Е4. При этом Е1, как указывалось выше, служит высоким напряжением независимых коммутаторов шины адреса и данных. Четыре мощных независимых линии напряжения программирования управляются с помощью ЦАП 572ПА1, что позволяет автоматически устанавливать эти напряжения при выборе в программе нужной программируемой микросхемы. Все четыре источника имеют одинаковую схему: ЦАП на базе 572ПА1 (включенный несколько нестандартно), в зависимости от цифрового кода, обеспечивает через усилитель нужное напряжение. Сигналы EN1-EN2 либо совсем выключают ЦАП-ы, либо подключают емкости С3-С6, обеспечивая более пологие фронты при перепадах сигнала. Важно знать, что транзисторы на выходе усилителей должны быть достаточно высокочастотные (граничная частота > 20 МГц). Это необходимо для качественного функционирования обратной связи (а значит, обеспечивается стабильность напряжения на выходе) в условиях переменной нагрузки, которая возникает при работе с микросхемами, потребляющими разные токи в разных режимах (например, потребление микросхемы 556РТхх при чтении ячеек с кодами 0xFF и 00х0).
Программатор подключают к порту принтера LРТ1 компьютера. Необходимые для программирования данные поступают в блок регистров прибора, выполненный на микросхемах КР580ВВ55А. Все порты этих микросхем (за исключением одного, о котором будет сказано ниже) настраиваются на вывод. Выходы одних регистров соединены с управляющими входами многофункционального коммутатора, других - с аналогичными входами источников постоянного напряжения. Выходы коммутатора и источников соединяются в нужном порядке с выводами программируемой микросхемы. Таким образом, имеется возможность по командам компьютера формировать на этих выводах любые необходимые для программирования последовательности уровней напряжения.
Принципиальная схема узла связи блока регистров с компьютером показана на рис.1 (позиционные обозначения элементов на этой и последующих схемах условны). Для обеспечения нужного порядка обмена данными многие цепи LРТ1 использованы нестандартно. Исключение составляют DАТА1-DАТА8, по которым через формирователь DD1 коды из компьютера поступают на шину данных блока регистров (цепи D0-D7). В какой именно порт и какой микросхемы КР580ВВ55А будет записана эта информация, зависит от кода, предварительно занесенного в регистр адреса DD5. Выходы двух младших разрядов этого регистра соединены с входами А0 и А1 микросхем КР580ВВ55А, а каждый из старших - с входом СS одной из них. Сигнал записи в DD5 подается по цепи AutoLF, а в порты КР580ВВ55А - по цепи INIT.
Для программирования микросхем к программатору подсоединяется одна из кросс – плат, имеющих набор посадочных мест многоразового пользования. Если потребуется установить другие типы микросхем то, можно воспользоваться уже имеющимися панельками, но рациональнее изготовить новую кросс – плату под нужный тип микросхем. К разъёму Х2 можно подключить любую плату с панелькой под конкретную серию, а также использовать нестандартные панельки под корпуса, например, типа PLCC.
4 ТЕХНОЛОГИЧЕСКАЯ ЧАСТЬ
4.1 Технологическая подготовка производства.
Значительный вклад решение проблем сокращения сроков подготовки производства внесла, разработанная в нашей стране Единая система технологической подготовки производства.
ЕСТПП – установленная ГОСТами, стандартами, система организации управления процессом технологической части производства, предусматривающая широкое применение прогрессивных типовых технологических процессов, стандартной технологической оснастки и оборудования, средств механизации и автоматизации производственных процессов. Основное назначение ЕСТПП заключается в установлении системы организации и управления процессов для предприятий, выпускающих электронно-вычислительную аппаратуру в условиях мелкосерийного и серийного производств, можно выделить основные задачи ТПП:
1) Обработка конструкции на технологичность на всех стадиях разработки изделия;
2) Разработка, совершенствование технологических процессов изготовления процессов изготовления процессов, их стандартов;
3) Решение задач организации и управление процессом технологической подготовки производства;
4) Разработка норм времени для построения всей системы технико-экономической и планово-нормативных расчётов;
5) Решение задач проектирования и изготовления средств технологического оснащения.
Технологически процесс должен быть рациональным в конкретных производственных условиях. Варианты новых технологически процессов или усовершенствованные, действующие должны осуществляться на базе ТПП. Разработка типовых процессов на всех уровнях базируются на использовании научно-технических достижений и передового использования материальных и трудовых ресурсов производства с учётом конкретных производственных условий. Оформляют документы типовых технологических процессов в соответствии с требованиями стандартов ЕСТД. При помощи, вышеперечисленных требований осуществляется выбор технологического оборудования, который должен быть основан на анализе затрат на реализацию технологического процесса в установленный промежуток времени при заданном качестве изделия. Начинаться он должен с анализа формирования типовых поверхностей деталей, сборочных единиц и отдельных методов их обработки, исходя из назначения и параметров изделий.
Выбор оборудования производят по главному параметру, являющемуся наиболее показательным для него, в наибольшей степени выявляет его функциональное назначение и технологические возможности.
Эффективность выбора технологической оснастки должна оцениваться по результатам её внедрения на основе сопоставления фактических затрат с плановыми и учёта эксплуатационно-технических показателей производства изготовления изделий.
4.2 Разработка технологического процесса изготовления платы.
Технологическим процессом сборки называется совокупность действий, в результате, которых детали соединяют в сборочные единицы, а сборочные единицы изделие.
Сборочной единицей называют часть изделия, которая может быть собрана отдельно не зависимо от других составных частей. Части, которые подлежат соединению между собой на предприятии изготовителе с помощью свинчивания, клёпки, сварки или пайки. Деталь или сборочная единица, с которой начинается сборка, называется базовой деталью.
Исходной информацией для техпроцесса сборки и монтажа является:
- сборочный чертёж АКВТ.230101.ДП00.14СБ;
- схема электрическая принципиальная АКВТ.230101.ДП00.14Э3;
- программа выпуска изделий, от которой зависит степень детализации и автоматизации технологического процесса;
- таблица соединений АКВТ.230101.ДП00.14ТБ;
К руководящим данным относятся ГОСТы, заводские нормали на материалы, инструменты, оборудование, технические нормы, типовые техпроцессы.
К вспомогательным данным относятся различные справочные данные.
Техпроцессы разрабатываются с учётом последних достижений науки и техники. Это позволяет значительно ускорить технологическую подготовку производства и повысить производительность за счёт применения более совершенствованных методов производства.
Данные технического нормирования, технические характеристики оборудования и оснастку, и ТУ определяют порядок приёмки изделий и методики испытаний. Для разработки техпроцесса необходимо разработать схемы сборочного состава, которые могут быть двух типов: с базовой деталью и веерного типа. Сборка изделий является наиболее ответственным этапом производственного техпроцесса. Технология сборки отличается большим разнообразием в зависимости от последовательности выполнения сборочных соединений, способов их осуществления, применения оборудования и технологической оснастки. Сборка сборочных единиц должна производиться независимо и параллельно, что уменьшает технологический цикл изготовления изделий.
В разрабатываемом техпроцессе применены следующие операции:
1) Комплектовочная операция предназначена для снабжения рабочего места необходимыми деталями, материалами и документацией.
2) Рихтовочная операция элементов состоит в основном из подготовки ИМС и конденсаторов, включая рихтовку и обрезку выводов. Конструкция технологической оснастки для рихтовки и обрезки выводов должна защищать их от повреждений в момент формообразования. При этом должна быть исключена возможность нарушения геометрии корпусов ИМС и конденсаторов. Основным способом формовки выводов является гибка.
3) Лужение выводов осуществляется после их рихтовки, путём погружения их в расплавленный припой ПОС-61 с применением флюса. В операции лужения
выводов необходимо предусмотреть теплоотвод для защиты элементов от перегрева, также необходимо выдерживать необходимые временные параметры лужения и температуру расплавленного припоя. Перед облуживанием микросхем и элементов, поверхность выводов обезжиривают спиртобензиновой смесью. Лужёная поверхность выводов должна быть гладкой и, светлой, блестящей, без пор и посторонних включений выводов дискретных элементов с осевым расположением выводов при установке их в отверстия печатных плат выполнена согласно чертежу сборки. При монтаже на печатных платах широко используют автоматизированную групповую пайку.
При лужении и пайке монтажных соединений применяют низкотемпературные оловянные-свинцовые припои типа ПОС-61. Для ручной пайки лучше применять припой ПОС-61М, имеющий 2% добавки меди.
Наличие этой добавки в припое замедляет растворение меди на жале паяльника и улучшает качество паяльных соединений. Температуру нагрева паяльника в процессе пайки периодически контролируют. Контроль паяльных соединений проводят (для данного проекта) визуально, контроль проводят невооружённым глазом и при помощи лупы. Качественные пайки имеют ровную и гладкую поверхность, без пор, раковин, пузырей, острых выступов (сосулек).
4) Контрольная операция необходима для проверки правильности формообразования и лужения выводов ИМС и конденсаторов.
5) Расконсервация ПП производиться в ультразвуковой ванне, с техническим указанием в маршрутной карте. Время хранения расконсервированной ПП не более 10 суток, т.к может произойти окисление проводящего слоя платы.
6) В маркировочной операции производиться нанесение знака завода изготовителя, заводской номер, а в паспорте указывается дата расконсервации.
7) В сборочной операции устанавливаются разъёмы, уголки, радиаторы.
8) В монтажной операции производиться формообразование и установка ИМС и конденсаторов на ПП, т.е ориентация выводов относительно монтажных отверстий или контактных площадок и фиксация их в требуемом положении.
9) В данном техпроцессе используются ИМС со штыревыми выводами, поэтому операцию пайки можно осуществить автоматизированным способом волной припоя, на автомате АП-10. Пайка волной припоя представляет собой процесс, при котором нагрев паяемых материалов, перемещаемых над ванной, и подача припоя к месту соединения, осуществляется стоячей волной припоя. При пайке волной припоя устраняется возможность быстрого окисления и температурных деформаций платы.
10) Операция проверки производиться для внешнего осмотра готового изделия на соответствие схемы электрической принципиальной АКВТ.230101.ДП00.14Э3, сборочного чертежа АКВТ.230101.ДП00.14СБ и таблицы соединений АКВТ.230101.ДП00.14ТБ
11) Лакокрасочная операция осуществляется с целью предохранения ТЭЗа от агрессивной среды.
12) Испытательная операция проводиться с целью проверки ТЭЗа на вибропрочность.
Испытания в соответствии с ТУ для данного тех процесса включает в себя механические испытания. Из механических испытаний будут проводиться вибрационные испытания на вибропрочность. Испытания на вибропрочность проводят в 3-х взаимно перпендикулярных направлениях, в заданном интервале частот и двукратной перегрузки. Время нахождения частотного диапазона, при плавном изменения температуры, вибрации и амплитуды смещения, должно соответствовать 8-10 минутам. В процессе испытания контролируют отсутствие резонанса конструктивных элементов. Вибрации изменяют электрические параметры аппаратуры, существенно влияют на контактные соединения.
13) Приёмосдаточная операция необходима для отправки готового изделия на склад для дальнейшего цикла производства. Подготовленную плату подвергают консервации путём нанесения специальных защитных покрытий от окисления. Перед установки ПП в блок, производят разконсервацию платы в растворе спирто-бензиновой вмеси.
5 КОНСТРУКТОРСКАЯ ЧАСТЬ
5.1 Конструкция платы программатора.
Конструктивно программатор представляет собой двухстороннюю печатную плату, изготовленная из нефольгированного стеклотекстолита. Так как плата двухсторонняя, а плотность проводников высокая целесообразнее применить электрохимический метод ее изготовления по типовой технологии.
Изготовление программатора на печатной плате дает следующие преимущества:
- упрощает процесс подготовки к монтажу, так как в устройстве применяются стандартные и типовые ЭРЭ;
- дает возможность использования групповой пайки, поскольку все ЭРЭ имеют штырьевые выводы;
- повышает удобство ремонта и взаимозаменяемость, так как монтаж ЭРЭ выполняется на одной стороне платы;
- уменьшить массу и габариты изделия;
- обеспечивает высокие коммутационные возможности.
Программатор отличается стабильностью электрических параметров, так как все элементы прочно связаны с изоляционным основанием, механической прочностью соединений благодаря применению печатного монтажа, для изготовления которого технологически верно и обоснованно выбран метод изготовления.
Плата имеет одно основание, на обеих сторонах которой выполнены проводящие дорожки и все требуемые соединения. Переход токоведущих линий с одной стороны платы на другую осуществляется с помощью металлизированных монтажных отверстий. Для повышения плотности монтажа и помехоустойчивости применены шины. Шина «питание» располагается на тыльной стороне платы, а шина «земля» на лицевой (ширина не менее 5 см).
В настоящее время насчитывают до двухсот методов, способов и вариантов изготовления печатных плат. Однако большинство из них устарело. В современном промышленном производстве печатных плат широко применяют химический, комбинированный и электрохимический методы получения печатных проводников.
Печатную плату программатора можно изготовить как электрохимическим, так и комбинированным методом.
Электрохимический метод применяют для изготовления двухсторонних печатных плат с высокой плотностью проводящего рисунка. При травлении меди с поверхности платы эффект бокового подтравливания почти отсутствует, что позволяет получить очень узкие проводники шириной до 0,15 мм и с таким же зазором между проводниками.
Комбинированный метод применяют для изготовления ДПП и ГПП (гибких печатных плат) с металлизированными отверстиями на двустороннем фольгированном диэлектрике. Проводящий рисунок получают субтрактивным методом, а металлизацию отверстий осуществляют электрохимическим методом.
Для изготовления печатной платы программатора выбран
электрохимический (полуаддитивный) метод, так как он обладает рядом достоинств, в некоторых случаях и над другими методами изготовления печатных плат.
Основное отличие от комбинированного позитивного метода заключается в использовании нефольгированного диэлектрика СТЭФ.1-2ЛК ТУ АУЭО 037.000 с обязательной активацией его поверхности.
Разрешающая способность этого метода выше, чем у комбинированного позитивного. Это объясняется малым боковым подтравливанием, которое равно толщине стравливаемого слоя и при полуаддитивном методе составляет всего 5 мкм, а при комбинированном больше 50 мкм. Метод обеспечивает высокую точность рисунка, хорошее сцепление проводников с основанием и устраняет неоправданный расход меди, который доходит до 80% при использовании фольгированных диэлектриков.
К печатной плате предъявляются следующие требования:
1) Поверхность основания не должна иметь посторонних включений, сколов, трещин, для предохранения печатных проводников от воздействия окружающей среды на них наносят защитное покрытие в лака;
2) Шаг основной координатной сетки выбран равным 0,25 мм.
3) Все отверстия платы размещаются по линиям в узлах координатной сетки, диаметр отверстий равен 2, 5 мм;
4) Микросхемы размещаются по линиям координатной сетки.
При разборке программатора предусмотрены меры защиты от влияния на его работу внешних, промышленных и временных помех. Цепи питания, являющихся источником помех, должны быть надёжно экранированы и экранирующие оболочки кабелей блока надо заземлять. ИМС устанавливаются с зазором 1 мм.
Для повышения быстродействия и помехоустойчивости применимы керамические конденсаторы .Для ИМС средней интеграции применяются один конденсатор на одну ИМС.
Для того, чтобы выполнить трассировку печатных проводников в дипломном проекте, разработана таблица соединения АКВТ.230101.ДП00.14ТБ
Плата с расположением на ней, элементами, представлена на чертеже АКВТ.230101.ДП00.14Э1 .
5.2 Оценка технологичности программатора.
Рекомендуемый перечень показателей технологичности конструкции изделия приведён в ГОСТ 14.201-83. На основании этого ГОСТа рассчитан ряд технико-экономических показателей, характеризующие технологичность конструкции.
Анализ технологичности детали включает в себя: обработку её конструкции с целью максимальной унификации элементов, правильный выбор и постановку размеров, оптимальных допусков и переходов, соблюдение всех требований, предъявляемых к заготовкам.
Для определения технологичности платы, необходимо провести анализ платы на соответствие стандарту ЕСКД «Конструирование платы печатной» ГОСТ 10317-72, ГОСТ20406-75, ГОСТ 23751-86.
Технологичность конструкции является одной из важнейших характеристик изделия. Под технологичностью изделия понимают совокупность свойств конструкции изделия, определяющих приспособленность последней к достижению оптимальных затрат при производстве, эксплуатации и ремонте для заданных показателей качества, объема выпуска и условий выполнения работ.
Различают производственную и эксплуатационную технологичность. Производственная технологичность конструкции изделия заключается в сокращении затрат средств и времени на конструкторско-технологическую подготовку производства и процессы изготовления, включая контроль и испытания. Эксплуатационная технологичность проявляется в сокращении затрат времени и средств на технологическое обслуживание и ремонт изделия.
Качественная оценка предшествует количественной оценке в процессе проектирования и определяет целесообразность ее проведения. Количественная оценка осуществляется с помощью системы базовых показателей.
5.2.1 Коэффициент использования микросхем и микросборок в блоке рассчитывается по формуле 3.
Ки.мс = Нмс/Нэрэ (3)
где Нмс - общее количество микросхем и микросборок в изделии, шт.
Нэрэ – общее количество электрорадиоэлементов, шт.
Ки.мс = 28/255
Ки.мс » 0,11
5.2.2 Коэффициент автоматизации и механизации монтажа изделий рассчитывается по формуле 4.
Ка.м = На.м/Нм (4)
где На.м - количество монтажных соединений, которые могут осуществляться механизированным или автоматизированным способом, Нм - общее количество монтажных соединений.
Ка.м = 610/610
Ка.м = 1
5.2.3 Коэффициент автоматизации и механизации подготовки ЭРЭ к монтажу рассчитывается по формуле 5.
Км.п.эрэ = Нм.п.эрэ/Нэрэ (5)
где Нм.п.эрэ – количество ЭРЭ, подготовка которых к монтажу может осуществляться механизированным и автоматизированным способом.
Км.п.эрэ = 255/255
Км.п.эрэ =1
5.2.4 Коэффициент повторяемости ЭРЭ рассчитывается по формуле 6.
Кпов.эрэ = 1 - Нт.эрэ/Нэрэ (6)
где Нт.эрэ – общее количество типоразмеров ЭРЭ в изделии, шт.
Кпов.эрэ = 1 – 14/251
Кпов.эрэ = 0,95
5.2.5 Коэффициент применяемости ЭРЭ рассчитывается по формуле 7.
Кп.эрэ = 1 - Нт.ор.эрэ/Нт.эрэ (7)
где Нт.ор.эрэ – количество типоразмеров оригинальных ЭРЭ в изделии, шт.
Кп.эрэ = 1 - 3/14
Кп.эрэ = 0,7
5.2.6 Основным показателем, используемым для оценки технологичности конструкции, является комплексный показатель для технологичности конструкции изделия, который рассчитывается по формуле 8.
К=(К1j1+ К2j2…+ Кnjn)/(j1+j2+…jn) (8)
Коэффициент j зависит от порядкового номера основных показателей технологичности, ранжированная последовательность которых устанавливается экспертным путем.
![]()
![]()
![]()
Уровень технологичности конструкции изделия при известном нормативном показателе оценивается отношением полученного комплексного показателя к нормативному, которое должно удовлетворять условию, показанного в формуле 9.
(9)
Нормативное значение показателя технологичности конструкции блоков электронной техники для условий опытного производства составляет 0,4…0,7, следовательно:
К/Кн=0,54/0,4
К/Кн »1,35
Так как 1,75>1, то уровень технологичности конструкции данного изделия соответствует всем требованиям.
На основании качественной и количественной оценок можно сделать вывод, что устройство является технологичным по своей конструкции, то есть обеспечивает минимальные затраты при заданных показателях качества производства.
6 РАСЧЁТНАЯ ЧАСТЬ
6 .1 Расчёт потребляемой мощности схемы.
Потребляемая мощность разрабатываемого устройства будет равна сумме мощностей потребляемых его элементами. Значения потребляемой мощности на основе справочных данных для каждого элемента определяем по формулам 10 и 11.
Данные по элементам и рассчитанная мощность сведены в таблицу 13.
Таблица 13. Данные по элементам
| Наименование элемента |
Напряжение питания Uпит, В |
Потребляемый ток Iпот, мА |
Потребляемая мощность Pпот, Вт |
| Микроcхемы |
|||
| К555АП5 |
5 |
54 |
0,27 |
| К555АП6 |
5 |
95 |
0,475 |
| К555ИР23 |
5 |
45 |
0,225 |
| К555КП11 |
5 |
14,5 |
0,07 |
| К555ЛА13 |
5 |
12 |
0,06 |
| К555ЛН3 |
5 |
6,6 |
0,033 |
| К572ПА1А |
15 |
2 |
0,03 |
| К574УД2А |
15 |
5 |
0,45 |
| КР580ВВ55А |
5 |
120 |
0,6 |
| Резисторы |
|||
| С2-33H |
- |
- |
0,5 |
| Транзисторы |
|||
| КТ361Г |
0,4 |
50 |
0,02 |
| КТ805АМ |
2,5 |
5000 |
12,5 |
| КТ814Б |
0,6 |
1500 |
0,9 |
| КТ972А |
1,5 |
4000 |
6 |
| КТ973А |
1,5 |
4000 |
6 |
∑ = 28,133
Формула расчета потребляемой мощности:
. (10)
Для транзисторов:
. (11)
Так как потребляемая мощность схемы равна 28,133 Вт, можно сделать заключение, что программатор микроконтроллеров и микросхем памяти достаточно мощное устройство, что позволяет уменьшить сбои во время программирования.
6 .2 Расчёт надёжности.
Надежность – это свойство объекта выполнять заданные функции, сохраняя во времени значения установленных эксплуатационных показателей в допустимых пределах, соответствующих принятым режимам и условиям использования, технического обслуживания, ремонта, хранения и транспортирования.
Эксплуатационная надёжность аппаратуру зависит в основном от качества разрабатываемой конструкции аппаратуры, качество в использующих в аппаратуре комплектующих изделий и уровня технологического процесса изготовляемой аппаратуры. Ответственность за качество серийно-выпускаемой аппаратуры несёт изготовитель, независимо от причин её отказов. Поэтому изготовители РЗА при выборе производственного процесса должен учесть значение нескольких параметров характеризующих надёжность изделия.
При расчёте надёжности определяются основные показатели надёжности: суммарная интенсивность отказов, наработка на отказ, вероятность безотказной работы, средняя наработка на отказ.
Для оценки надежности используется следующие количественные показатели:
1) Суммарная интенсивность отказов λ(m) рассчитывается по формуле 12.
λ = ∑ λi (12)
где λi – интенсивность отказов каждого элемента, рассчитывается по формуле 13.
λi=λ0*а1*а2*а3* …*аn (13)
где λi – интенсивность отказов при нормальных условиях;
а1, а2, а3 – коэффициент воздействующих факторов.
Обычно при расчёте надежности используются три коэффициента:
а1 – электрический коэффициент нагрузки;
а2– коэффициент эксплуатации;
а3 – температурный коэффициент;
Электрический коэффициент нагрузки для каждого элемента рассчитывается по формулам 14, 15, 16.
Для резисторов:
а2 = Рраб./ Рном. (14)
где Рраб.- мощность, потребляемая в рабочем режиме;
Рном.- номинальная потребляемая мощность;
Для конденсаторов:
а2 = Uраб./Uном. (15)
где Uраб. – рабочее напряжение конденсатора;
Uном. – номинальное напряжение конденсатора.
Для микросхем:
а2 = Краз. раб./Краз. ном. (16)
где Краз. раб – коэффициент разветвления рабочий;
Краз. ном – номинальный коэффициент разветвления.
Для нашего случая будет равняться 30-50.
2) Вероятность безотказной работы P(t)-это вероятность того, что в заданном промежутке времени не произойдет ни одного отказа. Вероятность безотказной работы это вероятность того, что в заданный интервал времени не произойдёт ни одного отказа и определяется по формуле 17.
P(t)=e-λt (17)
где е – основание натурального логарифма;
λ – суммарная интенсивность отказов;
t – время работы блока;
Результаты расчёта надёжности для каждого элемента схемы приведены в таблице 14.
Таблица 1.2.1. Расчёт надёжности
| Тип и наименование |
Интенсивность отказов (*10/час) |
Коэффициент нагрузки |
Температурный коэффициент |
Количество элементов |
Интенсивность отказов (*0,000001) |
| Микросхема К555АП5 |
0,2 |
0,2 |
0,1 |
1 |
0,004 |
| Микросхема К555АП6 |
0,2 |
0,2 |
0,1 |
1 |
0,004 |
| Микросхема К555ИР23 |
0,2 |
0,2 |
0,1 |
1 |
0,004 |
| Микросхема К555КП11 |
0,2 |
0,2 |
0,1 |
2 |
0,008 |
| Микросхема К555ЛА13 |
0,2 |
0,2 |
0,1 |
2 |
0,008 |
| Микросхема К555ЛН3 |
0,2 |
0,2 |
0,1 |
12 |
0,048 |
| Микросхема К572ПА1 |
0,2 |
0,2 |
0,1 |
4 |
0,016 |
| Микросхема К574УД2 |
0,2 |
0,2 |
0,1 |
2 |
0,008 |
| Микросхема КР580ВВ55А |
0,2 |
0,2 |
0,1 |
4 |
0,016 |
| Конденсаторы КМ |
0,1 |
0,2 |
0,2 |
34 |
0,136 |
| Резисторы С2-33Н |
0,2 |
0,2 |
0,1 |
103 |
0,412 |
| Разъемы |
0,001 |
1 |
1 |
2 |
0,001 |
| Пайка |
0,0001 |
1 |
1 |
780 |
0,0185 |
| Плата |
0,85 |
1,2 |
1 |
1 |
0,85 |
| ИТОГО 1,5335 |
|||||
С учетом воздействия внешних условий (К=150) суммарная интенсивность отказов составляет:
λt = 0,000230025
Среднее время безотказной работы (наработка на отказ ) составляет:
Т=7491 ч.
Данные для построения графика зависимости безотказной работы от времени Р(t):
при t=1000 P(t)=0.8758
при t=2000 P(t)=0.7670
при t=3000 P(t)=0.6717
при t=4000 P(t)=0.6065
при t=5000 P(t)=0.5153
при t=6000 P(t)=0.4513
при t=7000 P(t)=0.3952
при t=8000 P(t)=0.3461
при t=9000 P(t)=0.3031
при t=10000 P(t)=0.2655
7 ЭКОНОМИЧЕСКАЯ ЧАСТЬ
7.1 Расчёт себестоимости платы программатора.
Основным исходным материалом для расчета себестоимости печатной платы для программатора микросхем ПЗУ служит основная производственная программа, табель трудоемкости изготовления узлов на плату программатора. В состав, которой входят трудоемкость на таких участках как химико – технологический участок (ХТУ), на котором осуществляется изготовление печатной платы; электро – монтажный участок (ЭМУ), где производится монтаж электрорадиоэлементов; и, наконец, участок наладки теперь уже изготовленной платы, прошедшей весь технологический цикл изготовления и сборки печатной платы. Также для расчета необходимо знать затраты на сырье, материалы, покупные и комплектующие изделия, выпуск продукции. Основная производственная программа – это документ, в котором оговариваются все затраты на выпуск продукции.
Источником исходных данных расчёта является отраслевое предприятие.
Основные и вспомогательные материалы представлены в таблице 15
Таблица 15 . Основные и вспомагательные материалы.
| Наименование |
Ед. изм. |
Кол-во, шт |
Цена за ед., руб. |
Затраты на изд., руб. |
| СТЭФ.1-2ЛК |
кг |
1 |
180 |
180 |
| Вспомогательные материалы |
- |
- |
- |
30 |
| ИТОГО |
210 |
|||
Комплектующие изделия представлен в таблице 16
Таблица 16. Комплектующие изделия.
| Наименование |
Марка |
Кол. |
Цена за ед. изд., руб. |
Затраты на изд., руб. |
| Диоды |
Д310 |
16 |
1 |
16 |
| Диоды |
КД522Б |
20 |
1,5 |
30 |
| Конденсаторы |
КЛС |
34 |
5 |
170 |
| Микросхемы |
К555АП5 |
1 |
26 |
26 |
| Микросхемы |
К555АП6 |
1 |
6 |
6 |
| Микросхемы |
К555ИР23 |
1 |
20 |
20 |
| Микросхемы |
К555КП11 |
2 |
5 |
10 |
| Микросхемы |
К555ЛА13 |
2 |
12 |
24 |
| Микросхемы |
К555ЛН3 |
12 |
10 |
120 |
| Микросхемы |
К572ПА1 |
4 |
10 |
40 |
| Микросхемы |
К574УД2 |
2 |
20 |
40 |
| Микросхемы |
КР580ВВ55А |
4 |
10 |
40 |
| Резисторы |
С2-33А-0,5 |
103 |
2 |
206 |
| Разъмы |
ОНП |
1 |
45 |
45 |
| Разъмы |
СНП |
1 |
50 |
50 |
| Транзисторы |
КТ361Г |
21 |
2 |
42 |
| Транзисторы |
КТ805АМ |
4 |
7 |
28 |
| Транзисторы |
КТ814Б |
8 |
4 |
32 |
| Транзисторы |
КТ972А |
4 |
7 |
28 |
| Транзисторы |
КТ973А |
4 |
7 |
28 |
| Итого |
1001 |
Расчёт основной зарплаты рабочих рассчитывается по формуле 18.
PC = ЧТСср *
tшт (18)
где
PC – суммарная сдельная расценка, 30 руб.
ЧТСср – суммарная норма времени на выполнение работы, составляет 9 часов.
PC = 50 * 9
PC = 450 руб.
Калькуляция себестоимости печатной платы.
На основании выполненных расчётов в таблице 17 представлена калькуляция себестоимости.
Таблица 17 . Калькуляция себестоимости
| Наименование затрат |
Обоснование |
Сумма |
| 1 Основные и вспомогательные материалы (за вычетом возвратных отходов) |
Исходные данные из таблицы 7.1 |
210 |
| 2 Полуфабрикаты и комплектующие |
Исходные данные из таблицы 7.2 |
878 |
| 3 Транспортно-заготовительные работы |
3% от Σст.1-2 |
32,64 |
| 4 Основная зарплата производственных рабочих |
|
450 |
| 5 Дополнительна зарплата |
10% от ст. 4 |
45 |
| 6 Отчисления на социальные нужды |
26% от Σст. 4-5 |
128,7 |
| 7 Расходы на содержание и эксплуатацию оборудования, в том числе на спец. инструменты и др. |
30% от ст.4 |
135 |
| 8 Общецеховые расходы. Цеховая себестоимость (Ц.С) |
50% от ст.4 Σст. 1-8 |
225 2104,34 |
| 9 Общезаводские расходы. Производственная себестоимость (Пр.С) |
30% от ст.4 Σст.1-9 или Ц.С + ст.9 |
135 2239,34 |
| 10 Внепроизводственные расходы. Полная себестоимость |
1% от ПрС Σст.1-10 или Пр.С + ст.10 |
22,3934 2261,7334 |
Наиболее перспективным направлением автоматизации работ на производстве является широкое внедрение новых электронных устройств. Применение таких устройств меняет технологию производства. Развитие электронной промышленности в настоящее время значительно ускорилось.
Себестоимость - важный экономический показатель, выражающий в денежной форме затраты предприятия, связанные с изготовлением и реализацией продукции. Она включает в себя затраты на материалы, оплату труда производственных рабочих, отчисления в соц. фонды, накладные расходы.
В результате расчета было установлено, что данный программатор является экономически выгодным, так как его применение значительно ускорит скорость программирования микросхем, так как он собран на современной и доступной базе и подключается к современным компьютерам типа IBM PC, производительность которых возрастает с каждым годом. В итоге повысится качество программирования, что является большим достоинством и соответственно экономией средств.
Структурный анализ себестоимости программатора показан на рисунке 14.

Рисунок 14 Себестоимость.
7.2 Капитальные затраты рассчитываются по формуле 19.
К = Спр + Сэвм+ Спо (19)
где К – капитальные затраты;
Спр – стоимость программатора, розничная цена аналога моего программатора я составляет 4000 рублей;
Сэвм – стоимость ЭВМ, розничная цена собранного компьютера вместе с периферией, необходимой для работы с программатором, составляет 25000 рублей;
Спо – стоимость программного обеспечения, цена лицензионной программы, с помощью которой мы осуществляем управление с программатором составляет 300 рублей.
К = 4000 + 25000 + 300
К = 29300 рублей.
7.3 Экономическая эффективность автоматизации процесса.
Программатор является важным техническим средством позволяющая повысить надёжность, качество программируемых ИМС, а также значительно уменьшить трудоёмкость процесса программирования.
Исходные данные для расчёта показателей экономической эффективности представлены в таблице 7.4.
Таблица 18 . Исходные данные.
| Исходные данные |
Единица измерения |
Значение |
| Трудоёмкость ручного исполнения процесса |
Час |
0,6 |
| Трудоёмкость автоматизированного исполнения техпроцесса |
Час |
0,06 |
| Количество изделий |
Шт. |
12000 |
| Стоимость 1 часа работы исполнителя с начислениями |
Руб. |
50 |
| Стоимость 1 часа машинного времени эксплуатируемой техники |
Руб. |
30 |
| Капитальные затраты |
Руб. |
29300 |
Цель автоматизации – экономия материальных, трудовых и денежных ресурсов предприятия. При автоматизации осуществляются затраты на оборудование, его монтаж и программное обеспечение объектом автоматизации может быть любой технологически процесс, например, контрольно – измерительный, программирование ИМС, процесс автоматизации документирования, поиска информации и т.д.
7.3.1 Суммарная денежная экономия рассчитывается по формуле 20.
Э = (Тр – Та)*N*Счи (20)
где Э – суммарная денежная экономия, руб;
Тр – трудоёмкость ручного исполнения техпроцесса,час;
Та - Трудоёмкость автоматизированного исполнения техпроцесса, час;
N – количество изделий, шт;
Счи – стоимость 1 часа работы исполнителя с начислениями, руб.
Э = (0,6 - 0,06)*12000*50
Э = 324 000 руб.
7.3.2 Эксплуатационные расходы рассчитываются по формуле 21.
ЭР = Счмв*Та*N (21)
где ЭР – эксплуатационные расходы, руб;
Счмв - стоимость 1 часа рабочего времени, руб.
ЭР = 20*0.06*12000
ЭР = 14400 руб.
7.3.3 Фактическая экономия рассчитывается по формуле 23.
Эф = Э – ЭР (23)
где Эф – фактическая экономия, руб.
Эф = 324000 – 14400
Эф = 288000 руб.
7.3.4 Важным показателем эффективности является срок окупаемости, который рассчитывается по формуле 24.
Т = К/Эф (24)
где К - капитальные затраты, руб.
Капитальные затраты – затраты на оборудование или стоимость программного продукта или суммарная их стоимость в зависимости от того, что должно окупаться.
Т = 29300/288000
Т = 0,1 года
7.3.5 Величина обратная сроку окупаемости называется коэффициентом экономической эффективности, который рассчитывается по формуле 25.
Е = 1/Т (25)
Е = 1/0,09
Е = 11
Значения Т и Е сравниваются с нормативными. Нормативный срок окупаемости Тн = 4 года. Нормативный коэффициент экономической эффективности Ен = 0,25
Условия целесообразности внедрения подтверждаются:
Т ≤ Тн 0,1 ≤ 4
Е ≤ Ен 10 ≤ 0,25
Автоматизация экономической процесса – экономически эффективное решение, обеспечивающее минимум затрат при производстве, т.е. снижение себестоимости изделий за счёт сокращения трудовых затрат и повышения качества продукции.
8 БЕЗОПАСНОСТЬ И ЭКОЛОГИ Ч НОСТЬ
8.1 Анализ условий труда .
Задача условий труда заключается в сравнении существующих опасных и вредных производственных фактов с требованиями соответствующих стандартов, норм, правил и других документов по охране труда.
С учетом этого необходимо проанализировать на основе руководства Р2.2.013-94 условия труда монтажника для помещения, где будет изготавливаться проектируемое устройство, то есть, интерфейсный модуль. Таким помещением является помещение сборочно-радиомонтажного участка.
В соответствии с таблицей 1 руководства Р.2.2.013-94, в помещении сборочно-радиомонтажного участка присутствуют вещества раздражающего действия (ацетон, бензин, спирт), аэрозоли преимущественно фиброгенного действия (лаки), металлы (высокодисперсные порошки титана, циркония, бария) оксиды металлов и другие вредные вещества, за исключением выше перечисленных. Содержание данных вредных веществ в воздухе рабочей зоны не будет превышать 2-х ПДК (предельно-допустимой концентрации). Согласно таблице 1 руководства Р.2.2.013-94 класс условий труда помещения сборочно-радиомонтажного участка равен классу 3.1. В воздухе рабочей зоны сборочно-радиомонтажного участка могут образовываться пары, газы и пыли одновременно нескольких вредных веществ, а так как наличие любого числа веществ класса 3.1 не увеличивает степень вредности условий труда, то класс условий труда в зависимости от содержания вредных веществ в воздухе рабочей зоны остается прежним и равным 3.1.
Так как в помещении сборочно-радиомонтажного участка наличие биологического фактора отсутствует, следовательно, классифицировать этот фактор не имеет смысла.
В соответствии с таблицей 3 руководства Р.2.2.013-94 класс условий труда в зависимости от уровня шума и вибраций рабочих мест составляют:
Шум в основном исходит от кондиционеров, системы вентиляции, вытяжных систем, компьютеров, автоматов рихтовки ЭРЭ и ИМС, автомата для формовки выводов микросхем и автомата автоотпайки и фактическое значение шума составляет не более 20дБА, а класс условий труда равен 3.1;
Вибрация в основном исходит от автоматов рихтовки ЭРЭ и ИМС, автомата для формовки выводов микросхем и автомата автоотпайки и составляет не более 2 дБ, а класс условий равен 3.1;
Ультразвук и инфразвук в помещении отсутствуют.
Согласно с таблицей 4 руководства Р.2.2.013-94 класс условий труда в зависимости от действия электромагнитных излучений составляют:
Постоянное магнитное поле не более 0,5, а класс условий труда равен 2.0;
Электростатическое поле не более 0,1, а класс условий труда равен 2.0;
Электрические поля промышленной частоты не более 0,1, а класс условий труда равен 2.0;
Магнитные поля промышленной частоты не более 0,1, а класс условий труда равен 2.0;
Электромагнитные излучения радиочастотного диапазона не более 1,0, а класс условий труда равен 2.0;
Лазерное излучение отсутствует.
Для поддержания оптимальной температуры в зимнее время в помещении борочно-радиомонтажного участка используется система отопления, а в летнее - кондиционер. В соответствии с таблицей 5 руководства Р.2.2.013-94 класс условий труда по показателям микроклимата равен 2.0.
Уровень естественного освещения в помещениях регламентируется СНиП 114-79. Согласно СНиП, перечень работ выполняемых в помещении сборочно" радиомонтажного участка относится к 5 разряду (наименьший размер объекта различения 1-5 мм.). При этом используются следующие виды освещения:
Естественное освещение (одностороннее боковое освещение через два окна размером 3х2 м.) в светлое время суток;
Искусственное рабочее освещение в темное время суток производится с помощью светильников типа ЛПУ-80. Освещенность при искусственном освещении составляет 250лк., что является не достаточной освещенностью для помещения сборочно-радиомонтажного участка. В соответствии с таблицей 6 руководства Р.2.2.013-94 класс условий труда в зависимости от параметров световой среды равен 3.1.
Работы, выполняемые в помещении сборочно-радиомонтажного участка, согласно ГОСТ 12.1.005-88 относятся к категории тяжести «1а». Работы выполняются в положении сидя-стоя. Разряд зрительных работ-5.
Продолжительность рабочего дня персонала сборочно-радиомонтажного участка восемь часов. Режим труда и отдыха - обоснованный, большая информационная нагрузка. Согласно таблицам 7 и 8 руководства Р.2.2.013-94 класс условий труда в зависимости от показателей тяжести и напряженности трудового процесса равен классу 2.0.
В помещении сборочно-радиомонтажного участка присутствуют источники слабых ионизирующих излучений (например, экраны дисплеев ПЭВМ). Согласно «Нормам радиационной безопасности» (НРБ-76) сотрудники сборочно-радиомонтажного участка попадают под категорию «А» (персонал, непосредственно работающий с источниками ионизирующих излучений). В целях защиты от ионизирующих излучений дисплеи ПЭВМ закрыты защитными экранами, применяются мониторы с пониженным излучением (жидкокристаллические).
В соответствии с проведенным анализом условий труда на рабочем месте монтажника составляется карта условий труда. Данные сведены в таблицу 19
Согласно руководству Р.2.2.013-94 и таблице 8.1, условия труда монтажника на рабочем месте соответствует классу 3.1, то есть являются вредными по классу 3 первой степени. Данные условия труда характеризуются таким отклонением от гигиенических нормативов, которые как правило, вызывают обратимые функциональные изменения и обуславливают риск развития заболевания.
Таблица 19. Карта условий труда.
| № п/п |
Код фактора |
Наименование производственного фактора, единица измерения |
ПДК, ПДУ, допустимый уровень |
Фактический уровень производственного фактора |
Класс условий труда, степень вредности и опасности |
| 1 |
1.00 |
1 Вредные химические вещества, мг/м3 |
1 |
2 |
3,1 |
| 2 |
4.00 |
2 Физические факторы |
|||
| 3 |
5.51 |
Вибрация: локальная, общая, дБ |
3 |
2 |
3,1 |
| 4 |
4.50 |
Шум, дБА |
1 |
10 |
3,1 |
| 5 |
4.52 |
Постоянное магнитное поле |
1 |
0,5 |
2,0 |
| 6 |
4.53 |
Электрическое поле |
1 |
0,1 |
2,0 |
| 7 |
4.54 |
Электрическое поле промышленной частоты |
1 |
0,1 |
2,0 |
| 8 |
4.55 |
Магнитное поле промышленной частоты |
1 |
0,1 |
2,0 |
| 9 |
4.56 |
Электромагнитное излучение радиочастотного диапазона |
1 |
1,0 |
2,0 |
| 10 |
4.62 |
Температура воздуха ºС |
15-21 |
21 |
2,0 |
| 11 |
4.63 |
Скорость движения воздуха м/с |
0,4 |
0,2 |
|
| 12 |
4.64 |
Относительная влажность, % |
65 |
75 |
|
| 13 |
4.67 |
Естественная освещённость ЕО% |
2,0 |
||
| 14 |
4.68 |
Освещённость рабочей поверхности, лк |
300 |
250 |
3,1 |
| 15 |
5.00 |
3 Тяжесть и напряжённость труда |
|||
| 16 |
5.22 |
Характер выполняемой работы |
2,0 |
||
| 17 |
5.32 |
Длительность сосредоточенного наблюдения, % |
26-50 |
50 |
2,0 |
| 18 |
5.33 |
Степень ответственности |
2,0 |
Основными вредными факторами условий труда на рабочем месте монтажника являются:
- образования паров, газов, пыли вредных химических веществ;
- шум, исходящий от кондиционеров, системы вентиляции, компьютеров;
- вибрация, исходящая от автоматов рихтовки ЭРЭ и ИМС, автомата для формовки выводов микросхем и автомата автоотпайки;
- недостаточная освещенность при искусственном освещении.
При сборке и монтаже печатных плат существует возможность воздействия на монтажника целого ряда опасных факторов, воздействие которых может привести к серьезным травмам. Поэтому необходимо проанализировать и определить эти факторы, для предотвращения их воздействий.
В помещении, где производится сборка и монтаж печатных плат, могут возникнуть следующие нежелательные события, которые могут привести к пожару:
- Неисправность электрической сети;
- Неисправность оборудования;
- Нарушение технологического процесса;
- Нарушение правил пожарной безопасности.
События 1 и 2 можно объединить вместе, так как они приводят к последствиям возникновения электрических причин. Соответственно можно объединить события 3 и 4, которые приводят к последствиям возникновения неэлектрических событий.
При сборке и монтаже печатных плат радиоэлектронной аппаратуры в сборочно-радиомонтажного участка, в которой используются горючие жидкости и вещества, высокодисперсные порошки и при взаимодействии их с вышеперечисленными событиями, все это может привести к возникновению пожаров. Таким образом, в качестве головного события будет выбрано «возникновение пожаров».
Далее необходимо определить все возможные первичные и вторичные события, которые могут вызвать головное событие. Головное событие может возникнуть в следствие:
- Не электрических причин:
- нарушение технологического процесса;
- нарушение правил пожарной безопасности;
- поджог;
Электрических причин:
- неисправность электрической сети;
- неисправность оборудования.
И так, возникновение неэлектрических причин происходит вследствие нарушения технологического процесса или нарушения правил пожарной безопасности. Возникновение электрических причин происходит вследствие неисправности электрической сети или неисправности оборудования.
Нарушение правил пожарной безопасности может быть следствием курения в неположенном месте, либо халатности в обращении горючих жидкостей и веществ или неисправность вентиляционных систем.
Неисправность электрической сети может возникнуть вследствие замыкания электропроводки из-за неисправности изоляции или перегрузки электрической сети. В свою очередь, замыкание электропроводки из-за неисправности изоляции может быть следствием длительной эксплуатации либо механических повреждений. Перегрузка электрической сети может быть следствием подключения потребления большой емкости либо подключения неисправного электроустройства или отсутствие автоматического выключателя.
Неисправность оборудования может быть следствием нарушения условий эксплуатации или нарушения режима функционирования, или нарушения техники безопасности, или окончания срока эксплуатации, или износа изделия, или брака при производстве, либо следствием человеческого или машинного фактора.
На основании анализа описанного выше, строиться дерево причин возникновения пожара. Дерево причин возникновения пожара представлено на рисунке 15.

Рисунок 15 Дерево причин возникновения пожара
8.2 Оптимизация условий труда
При анализе условий труда были выявлены следующие основные опасные факторы:
- образования паров, газов, пыли вредных химических веществ;
- шум, исходящий от кондиционеров, системы вентиляции, компьютеров,
- вибрация, исходящая от автоматов рихтовки ЭРЭ и ИМС, автомата для формовки выводов микросхем и автомата автоотпайки;
- недостаточная освещенность при искусственном освещении.
При оптимизации условий труда необходимо уменьшить влияние опасных факторов на человека или уменьшить сам опасный фактор.
В помещениях, где происходит образование паров, пыли и газов вредных химических веществ, и чтобы уменьшить их взаимосвязь с организмом человека, необходимо применять и использовать СИЗ (средства индивидуальной защиты) такие, как спецодежда, спецобувь, перчатки, специальные инструменты и т.д. Спецодежду и спецобувь необходимо хранить в отдельных металлических шкафах. Также необходимо использовать в таких помещениях мощные
вытяжные системы, приточно-вытяжную вентиляцию, местную вытяжную вентиляцию на рабочих местах. Местная вытяжная вентиляция осуществляется с помощью местных отсосов, а также патрубков, решеток, панелей и т.п. В тех случаях, когда источник производственных вредностей можно заключить внутри пространства, огражденного жесткими стенками, местные отсосы устраивают в виде вытяжных шкафов, кожухов, витринных отсосов
Шум от кондиционеров и системы вентиляции можно уменьшить, применив упругие прокладки между основанием, например кондиционера и опорной поверхностью или, путем установки усовершенствованных тихих систем вентиляции и кондиционирования («сплит-систем»).
Вибрацию, исходящую от автоматов рихтовки ЭРЭ и ИМС, автомата для формовки выводов микросхем и автомата автоотпайки можно уменьшить, применив звукоизоляционные и звукопоглощающие элементы конструкции. Для того чтобы искусственное освещение соответствовало стандартам и нормам, необходимо произвести расчет количества светильников для заготовительного участка помещения сборочно-радиомонтажного участка.
Расчет производится по методу светового потока (коэффициента использования) по формуле 26
Еn = Фn*η*n*N/S*k*z (26)
где Еn – минимальная нормированная величина освещённости равная, Еn = 300лк;
S – площадь помещения, S = 35м²;
k – коэффициент запаса, k = 1,6;
z – коэффициент нормальной освещённости, z=1,1;
η – коэффициент использования светового потока ламп, зависящий от КПД коэффициента отражения потолка и стен, высоты подвеса, светильников, показателя помещения i;
n – количество ламп в светильнике;
Фn – световой поток ламп.
Преобразовав данную формулу 26, получится формула для расчета требуемого количества светильников 27.
N = Еn*S*k*z / Фn*η*n (27)
Показатель помещения i рассчитывается по формуле 28.
I = А*В/Нр*(А+В) (28)
где А и В - размеры помещения;
Нр - высота подвеса светильника;
i = 10*3,5/3,5*(10+3,5)
i = 1,18
Рассчитаем требуемое количество светильников типа ЛПУ-80 по формуле 18. Световой поток данных светильников равен 2720лм.
N = 300*35*1,5*1,18/0,5*2720*2
N = 7
Таким образом, для обеспечения необходимого уровня освещения требуется 7 светильников типа ЛПУ-80.
8.3 . Пожарная безопасность при сборке и монтаже проектируемого устройства.
При сборке и монтаже печатных плат в помещении монтажника следует большое внимание уделять пожарной безопасности.
Помещение, где будет производиться сборка и монтаж печатных плат находится в здании, которое можно отнести ко второй степени огнестойкости. Наличие в помещении автоматов рихтовки элементов, формовки выводов элементов, автоматов автоотпайки, горючих жидкостей и веществ свидетельствует о том, что существует опасность возникновения пожара. Согласно классификации по пожаробезопасности помещение монтажника можно отнести к категории «В». Особую опасность для возникновения пожара может представлять неправильное обращение с горючими жидкостями и веществами, а также неисправность электропроводки и связанными с ней короткими замыканиями.
Технологические операции в помещениях сборочно-радиомонтажных участках (например, пайка, облуживание горячим припоем, обезжиривание выводов) проводятся с использованием горючих жидкостей (этилового спирта, ацетона, скипидара). Во избежание пожара электрические паяльники и электрические обжигалки должны обеспечиваться специальными термостойкими диэлектрическими подставками. Следует применять современные низковольтные паяльные станции.
Горючие жидкости следует хранить в посуде с герметичными крышками (пробками). Посуду открывают в момент пользования горючими жидкостями. В помещении, где производятся технологические операции с горючими жидкостями и веществами, курить строго запрещено. Запрещается хранить горючие жидкости, материалы с высокодисперсными порошками, которые легко загораются от трения и удара. На видных местах должны быть вывешены плакаты: «Не зажигать огня», «Взрывоопасно», «Не ударять». При лакокрасочных работах, окраска изделий должна производиться в специальных кабинах, а сушка - в камерах. Следует отметить, что наиболее безвредный метод окраски изделий в электрическом поле, в котором основные операции автоматизированы.
Имеющиеся в помещении различные электрооборудования, подключенные к электрической сети всегда, могут являться источниками пожаров. При длительной непрерывной эксплуатации возможен нагрев их силовых обмоток, что может служить причиной пожаров- Источниками пожара так же могут являться искры и дуговые разряды, появляющиеся в устройствах во время подключения электросети. Поэтому перед началом работы с устройствами необходимо визуально проверять их кабели на отсутствие видимых повреждений. В целях предотвращения возникновения пожаров, работа электроприборов должна производиться только при наличии в помещении обслуживающего персонала. Кожухи электроаппаратуры должны быть заземлены.
Опасность возникновения пожаров также исходит от систем освещения. Состояние электросетей и светильников должно систематически проверяться. Светильники должны периодически очищаться от пыли и загрязнений, а перегоревшие лампы - заменяться.
Основной из основных мер предотвращения пожаров в электроустановках является правильный выбор аппаратуры защиты. Наиболее часто при токовых перегрузках в электросетях применяются плавкие предохранители и воздушные автоматические переключатели (выключатели). В предохранителях находятся плавкие вставки, которые при значениях тока в цепи выше предельно допустимого расплавляются и отключают потребитель от источника электроснабжения. Необходимо использовать предохранители, выпускаемые промышленностью. Применение самодельных предохранителей категорически запрещается. Автоматические выключатели размыкают электрическую цепь в случае короткого замыкания или перегрузки сети с помощью электромагнитных, тепловых или комбинированных расцепителей. Поскольку плавкие предохранители и автоматические выключатели могут быть источниками искрообразования, их следует помещать в закрываемые шкафы из несгораемых материалов. В проектах осветительных и силовых электросетей должны быть предусмотрены общие рубильники для отключения потребителей от источника электроснабжения после окончания работы и при возникновении пожара.
Для тушения пожара в помещении должен находиться углекислотно-бромэтиловый огнетушитель ОУБ-7. Основным средством для оперативного оповещения при возгорании является система автоматической пожарной сигнализации.
При возникновении пожаров, а также взрывов, причиняющих большие убытки производству, возможны ожоги и несчастные случаи с людьми. По этому периодически необходимо проводить мероприятия по профилактике противопожарной безопасности. Для профилактики противопожарной безопасности принимают следующие мероприятия:
- организационные - инструктажи, беседы;
- эксплуатационные - соблюдение норм и правил эксплуатации
электронной аппаратуры;
- режимные - запрещение курения в помещении.
8.4 Экологическая оценка проекта.
Внедрение в промышленность новых, более эффективных промышленных процессов, резкое повышение продуктивности и расширение масштабов производства потребовали увеличения затрат материальных и энергетических ресурсов, что, в свою очередь, привело к росту отрицательного воздействия на окружающую среду. Основными проблемами по решению задач защиты окружающей среды являются: совершенствование технологических процессов и разработка нового оборудования с меньшим уровнем выброса примесей и отходов в окружающую среду, также необходимо уменьшить влияние таких факторов как шум при работе, излучение высокочастотных электромагнитных полей, сильный разогрев и т.п. Технология, которая используется при проектировании устройства - безвредна, так как были учтены все ограничения ведущие к снижению и исключению влияния устройства на окружающую среду. Например, при пайке электронных устройств, применяется припой, содержащий свинец, который, испаряясь, загрязняет воздух рабочей зоны.
При производстве плат входящих в состав модернизированной систему с ЧПУ должны предусматриваться эффективные средства защиты окружающей среды от возможного загрязнения. В технологии производства плат информационно-управляющей компьютерной системы используются процессы, отрицательного воздействия на окружающую среду, такие как термическая, гальваническая обработка, пайка и окраска.
Гальванические работы сопряжены с использованием больших объёмов воды для приготовления растворов электролитов и промывочных операций. Поэтому сточные воды в этих случаях значительно загрязнены ядовитыми химическими веществами. Кроме того, воздух, удаляемый от технологического гальванического оборудования, содержит большое количество вредных веществ в различных агрегатных состояниях: капель но-жид ком, паро- и газообразном.Технологические процессы сварки и пайки сопровождаются выделением пыли и токсичных газов, а сточные воды могут загрязняться механическими примесями, кислотами. Процесс получения функционально завершённого изделия заканчивается сборочными операциями. Отрицательное воздействие на окружающую среду процессов сборки менее ощутимо. Однако и в этих случаях при проведении санитарно-гигиенической обработки производственных помещений в сточные воды могут попадать различные нежелательные примеси.
В настоящее время широко используются пассивные методы защиты, суть которых сводится к ограничению количества загрязняющих окружающую среду выбросов, т.е. улавливанию пылегазовыделений, выбрасываемых в атмосферу, очистка сточных вод от примесей и т.п. При производстве модулей должны использоваться пассивные фильтры, которые основаны на способности пористых материалов задерживать частицы примесей при движении дисперсных сред. Частицы примесей оседают на входной части фильтроэлемента, помещённого в корпус. Осаждение частиц происходит в результате совокупного действия эффекта касания, диффузионных, инерционных гравитационных процессов. Для очистки воздуха от туманов кислот, щелочей, масел и других жидкостей используются волоконные фильтры, принцип действия которых основан на осаждении капель на поверхности материалов и последующего отекания жидкостей под воздействием сил тяжести.
При загрязнении сточных вод маслосо держащим и примесями, помимо отстаивания и фильтрования, применяется также процесс флотации. Очистка вод флотацией заключается в интенсификации процесса маслопродуктов при их частиц пузырьками воздуха, попадающего в сточную воду. Таким образом, наиболее перспективной формой защиты окружающей среды от вредного воздействия является «безотходная» технология и комплекс природоохранных мероприятий в технологических процессах от обработки сырья до использования готовой продукции.
9 ЭКСПЕРИМЕНТАЛЬНАЯ ЧАСТЬ
9.1 Методика работы с прибором.
Программатор подключается к компьютеру типа IBM PC через параллельный порт с помощью стандартного кабеля от принтера. Если на компьютере только один параллельный порт и к нему подключен принтер (это наиболее типичная ситуация), то для подключения программатора к компьютеру надо отсоединить кабель от принтера и подсоединить к программатору. При переключениях кабеля питание программатора и принтера обязательно должно быть выключено (компьютер можно не выключать) во избежание выхода из строя параллельного порта.
По умолчанию для программатора и для принтера задан порт LPT1. Если какое-либо из этих устройств подключено к другому порту (LPT2 или LPT3), то после запуска программы надо задавать этот порт (с помощью соответствующей команды из меню «Сервис»). Для принтера порт можно не задавать, если не предполагается печать дампа памяти.
В комплект программатора входят также 4 кроссовые платы с панельками, в которые устанавливаются программируемые микросхемы. К программатору подключается одна из кроссовых плат, в зависимости от типа микросхемой ПЗУ, с которой предстоит работать. Переключать кроссовые платы, а также вставлять микросхемы в панельки и вынимать их оттуда можно при включенном питании программатора, так как питание на панельки поступает только на время выполнения команды (чтение с ПЗУ, прожигание, сравнение с буфером и т.д.).
Программное обеспечение программатора состоит из следующих файлов:
turbo_pr.exe - запускаемый файл.
turbo_pr.ovr - оверлейный (дополнительный) файл.
turbo_pr.tit - файл, содержащий картинку с начальной заставкой.
turbo_pr.hlp - файл помощи (помощь вызывается по нажатию клавиши F1)
turbo_pr.hd - файл для организации контекстной помощи.
Все эти файлы должны находиться в одном каталоге, причем обязательными являются только первые два файла.
Питание программатора можно включать и выключать как до запуска программы «turbo_pr.exe», так и в процессе ее выполнения. Перед выполнением любой команды работы с ПЗУ (чтение, прожигание, проверка на чистоту и т.д.) программа всегда проверяет готовность программатора. Если программатор не включен или вообще не подключен к компьютеру, то выдается сообщение «Программатор не готов» и команда не выполняется.
Можно запустить программу в демонстрационном режиме, при котором готовность программатора не проверяется. Для этого надо набрать в командной строке «turbo_pr D» и нажать клавишу Enter.
Работа с программатором осуществляется с использованием системы меню и, как правило, не вызывает затруднений. В программе предусмотрена контекстная помощь (при нажатии клавиши F1 на экран выводится страница помощи, соответствующая выбранному пункту меню).
В процессе выполнения программы на экране постоянно отображается информация буфера, который представляет из себя ОЗУ объемом 64 Кбайт.
Этот буфер используется как приемник информации при чтении с ПЗУ и как источник информации при программировании или проверке ПЗУ. Рабочая область буфера задается пользователем перед выполнением каждой команды, использующей буфер. При выборе соответствующего пункта меню (например, «Чтение с ПЗУ») на экране появляется диалоговое окно, в котором можно задать начальный и конечный адреса буфера, а также начальный адрес микросхемы ПЗУ. По умолчанию (если ничего не менять) задано нулевое значение для начального адреса буфера и начального адреса микросхемы, а для конечного адреса буфера задано максимальное значение адреса выбранной микросхемы.
Если требуется читать, программировать или проверять не всю микросхему, а только ее часть (а также в том случае, когда требуется использовать не начальную область буфера), надо изменить адреса, заданные по умолчанию. Пусть, например, требуется запрограммировать ячейки с адресами 50...7F информацией из буфера, начиная с адреса 250 (все адреса задаются в 16-ричном коде).Тогда надо задать начальный адрес буфера равным 250, начальный адрес ПЗУ равным 50, а конечный адрес буфера 27F. Объем памяти микросхем 271000, 28F010, 28F020 и КМ1801РР1 превышает размер буфера. Такие микросхемы условно разбиты на несколько частей (по 64 Кбайт каждая). Каждая часть представлена в списке выбираемых микросхем как отдельная микросхема, к названию которой добавляется символ нижнего подчеркивания и порядковый номер (например, 271000_1, 271000_2). Команды чтения, прожигания и проверки для этих микросхем выполняются только для выбранной части микросхемы. Команда «Проверка на чистоту» выполняется для всей микросхемы, независимо от того, какая часть выбрана.
В меню «Сервис» есть пункт «Алгоритм программирования», с помощью которого для некоторых микросхем можно задавать альтернативные алгоритмы программирования. Ниже приводится краткая информация об алгоритмах, используемых в программаторе.
Алгоритм «Паспорт» обеспечивает программирование микросхемы ПЗУ в соответствии с временными диаграммами, приводимыми в литературе. Алгоритмы «Standard» и «Intelligent» применяются для микросхем с ультрафиолетовым стиранием. Алгоритм «Standard» реализует выдачу одного программирующего импульса длительностью 50 мсек. при программировании каждого байта. Алгоритм «Intelligent» обеспечивает более высокую скорость программирования, чем «Standard». При этом алгоритме вместо одного программирующего импульса выдается серия коротких импульсов (длительностью 1 мсек.) до тех пор, пока ячейка не запрограммируется (но не более 15 импульсов, если ячейка вообще не программируется), а затем подается еще один импульс длительностью, в 4 раза большей, чем суммарная длительность всех предшествовавших коротких импульсов.
Алгоритм «Адаптивный» (применяется для некоторых микроконтроллеров) похож на алгоритм «Intelligent». Тоже выдается серия программирующих импульсов (до 25) длительностью 25 мксек., пока ячейка не запрограммируется, а затем подаются еще 3 таких же импульса.
Кроме алгоритма программирования, с помощью меню «Сервис» можно изменить режим программирования. По умолчанию задан режим «Нормальный». В этом режиме программируются все ячейки из заданного диапазона адресов, кроме тех, для которых задано исходное значение (как для «чистой» микросхемы). В режиме «Быстрый» не программируются все ячейки, информация в которых совпадает с заданной. Этот режим позволяет быстро допрограммировать уже запрограммированную микросхему.
В режиме «Отладка» выполнение команды чтения с ПЗУ, а также команды программирования ПЗУ зацикливается, что позволяет использовать осциллограф для поиска неисправностей в программаторе.
9.2 Описание меню программы TURBO .
1) Команда <Файл> главного меню.
Данная команда позволяет из своего подчиненного меню загружать данные в буфер редактора ПЗУ, предварительно задав имя файла ввода или выбрав его из каталога. Причем можно загружать не весь файл, а только четные или только нечетные байты. Есть также возможность загружать данные из файла 16-ричного формата. Кроме того, команда позволяет из своего подчиненного меню записывать в заданный файл вывода информацию из буфера редактирования или из микросхемы ПЗУ. Можно также распечатать буфер редактора ПЗУ на принтере. По команде подчиненного меню <Конец работы> завершается работа с программатором с выходом в DOS.
2) Команда <Файл> главного меню для микросхем ПЛМ.
Для микросхем ПЛМ эта команда позволяет из своего подчиненного меню загружать данные в буфер редактора ПЛМ из заданного файла ввода, а также сохранять информацию этого буфера в заданном файле вывода (имя файла может быть выбрано из каталога). По команде подчиненного меню <Конец работы> завершается работа с программатором с выходом в DOS. Остальные пункты подчиненного меню недоступны.
3) Редактирование имени файла.
Допускается вводить полное имя в формате:
[<path>]<name><.ext>
В имени и в расширении можно использовать метасимволы <*>, <?> по правилам DOS. После ввода имени файла появляется либо каталог файлов, либо сообщение об ошибке. Ввод пустого имени предполагает вывод текущего каталога. Значение <C:>, например, выводит корневой каталог диска <C:> и т.д.
4) Выбор файла из каталога.
Для выбора файла надо выделить его имя, используя клавиши-стрелки, и нажать <Enter>. Если <Enter> нажата на имени подчиненного каталога (<name\>) или родительского каталога (<..\>), то предъявляются для выбора файлы соответствующего каталога.
Для смены корневого каталога необходимо в окне для ввода имени файла ввести имя этого каталога, например, <a:>, а для вывода текущего каталога имя файла должно иметь пустое значение.
5) Адрес загрузки для файла ввода.
Вводится начальный адрес буфера редактора ПЗУ для загрузки туда информации из бинарного файла ввода. Поскольку объем буфера не превышает 64 Кбайт, информация из конкретного файла, с учетом начального адреса загрузки, может быть введена частично. Адрес вводится в 16-ричном формате. Чтобы уточнить его значение, можно воспользоваться командой <Форматы чисел> меню <Сервис>.
6) Диапазон адресов для записи файла вывода.
Используется для задания области данных в буфере редактора ПЗУ или в микросхеме ПЗУ для сохранения соответствующей информации в бинарном файле. При попытке задания диапазона адресов более 64 Кбайт возникает сообщение об ошибке.
Значения начального и конечного адресов диапазона задаются в 16-ричном формате. Для перевода их с десятичных эквивалентов можно воспользоваться командой <Форматы чисел> меню <Сервис>.
7) Команда <Файл загрузить>.
Команда загружает из выбранного файла в буфер редактора ПЗУ, начиная с заданного адреса, все байты или столько байт, сколько войдет до конца буфера.
8) Команда <Файл загрузить> для микросхем ПЛМ.
Для случая работы с микросхемой ПЛМ команда загружает информацию из выбранного файла в буфер редактора ПЛМ, причем загружаемый файл должен иметь специальный текстовый формат (файлы такого формата создаются командой <Буфер сохранить>, когда выбрана микросхема ПЛМ). При загрузке файл контролируется на допустимость информации.
9) Команда <Четные байты загрузить>.
По этой команде из бинарного файла ввода считываются в буфер редактора ПЗУ только четные байты, начиная с заданного адреса буфера. Их количество не может превысить допустимую область загрузки.
10) Команда <Нечетные байты загрузить>.
По этой команде из бинарного файла ввода считываются в буфер редактора ПЗУ только нечетные байты, начиная с заданного адреса буфера. Их количество не может превысить допустимую область загрузки.
11) Команда <Загрузить HEX-файл>.
Данные из файла 16-ричного формата загружаются в буфер редактора ПЗУ автоматически по нужным адресам. Непосредственно перед такой загрузкой целесообразно по всем адресам буфера редактирования записать константу, соответствующую байту, считанному с "чистой" микросхемы ПЗУ требуемого типа, т.е. создать определенный фон. Обычно имена HEX-файлов имеют расширение <.hex>.
12) Команда <Файл сохранить>.
Эта команда сохраняет в заданном бинарном файле вывода данные заданного диапазона адресов буфера редактора ПЗУ.
13) Команда <Файл сохранить> для микросхем ПЛМ.
Для микросхем ПЛМ эта команда сохраняет в заданном файле вывода данные буфера редактора ПЛМ. Данные записываются в файл в специальном текстовом формате.
14) Команда <ПЗУ сохранить>.
Эта команда сохраняет в заданном бинарном файле вывода данные заданного диапазона адресов выбранной микросхемы ПЗУ.
15) Команда <Дамп буфера печатать>.
Для заданного диапазона адресов дамп буфера редактора ПЗУ распечатывается на принтере, подключенном к одному из существующих в компьютере параллельных портов LPT1 ... LPT3 (выбирается командой <Порт для принтера> меню <Сервис>). Если задан один порт и для программатора, и для принтера, то в нужный момент необходимо при выключенных обоих устройствах (программаторе и принтере) отсоединить кабель связи с портом от программатора, подключить к принтеру и подать на него питание. Отключение кабеля от принтера и подключение его обратно к программатору также должно производиться при выключенных обоих устройствах (во избежание выхода из строя порта LPT).
16) Команда <Конец работы>.
По этой команде завершается работа программы и происходит выход в DOS.
17) Команда <ПЗУ> главного меню.
Команда <ПЗУ> имеет свое подчиненное меню с командами для работы с микросхемами ПЗУ или ПЛМ:
а) Выбор типа микросхемы;
б) Проверка микросхемы на чистоту стирания;
в) Подсчет контрольной суммы микросхемы;
г) Считывания данных из микросхемы в буфер;
д) Подбор микросхемы для программирования;
е) Программирование микросхемы;
ж) Стирание микросхемы ПЗУ.
18) Команда <Выбор ПЗУ>.
Выбор типа микросхемы ПЗУ или ПЛМ производится в 2 этапа. Сначала из предлагаемого списка выбирается семейство. Для этого клавишами-стрелками выделяется нужное наименование и нажимается <Enter>. Затем из предложенного списка типов микросхем этого семейства выбирается нужный тип. Если в текущем сеансе работы программатора выбор типа микросхемы производился впервые, то разблокируются и становятся доступными ряд команд подчиненных меню <Файл>, <ПЗУ> и <Cервис>. Информацию о выбранной микросхеме ПЗУ можно увидеть посредством команды <Информ> главного меню.
19) Команда <Проверка ПЗУ на чистоту>.
По этой команде данные из микросхемы ПЗУ считываются, сравниваются с ее контрольным байтом, после чего-либо появляется сообщение о том, что ПЗУ "чистое", либо выводится список ошибок и сообщение с итоговыми результатами тестирования.
20) Команда <Проверка ПЗУ на чистоту> для микросхем ПЛМ.
Если выбрана микросхема ПЛМ, то по этой команде информация из микросхемы ПЛМ считываются и сравнивается с ее контрольным байтом. Если ошибки нет, в нижней части таблицы появляется соответствующее сообщение, исчезающее при нажатии <Esc> или <Enter> (или через 2 сек. автоматически). При обнаружении ошибок выводится сообщение об их количестве. Кроме того, все ошибочные символы, считанные с микросхемы, отображаются в таблице красным цветом (справа от соответствующих символов буфера).
21) Команда <Контрольная сумма ПЗУ>.
Контрольная сумма ПЗУ или ПЛМ подсчитывается для заданного диапазона адресов суммированием каждого очередного считанного байта из буфера редактора ПЗУ либо из микросхемы ПЗУ (или из микросхемы ПЛМ) с точностью до слова, до байта или до байта с переносом (способ подсчета выбирается командой <Тип контрольной суммы> из меню <Сервис>).
22) Команда <Чтение ПЗУ>.
После ввода необходимого диапазона адресов для считывания данных из микросхемы ПЗУ, ввода начального адреса загрузки буфера редактора ПЗУ и подтверждения правильности ввода этих значений происходит загрузка буфера информацией из ПЗУ.
23) Команда <Чтение ПЗУ> для микросхем ПЛМ.
Если выбрана микросхема ПЛМ, то по этой команде информация из микросхемы ПЛМ считывается в буфер редактора ПЛМ.
24) Команда <Подбор ПЗУ для записи>.
Для данных по заданному диапазону адресов буфера редактора ПЗУ и области "нечистой" микросхемы ПЗУ производится анализ с последующим сообщением результатов проверки конкретной микросхемы на возможность ее допрограммирования.
25) Команда <Подбор ПЗУ для записи> для микросхем ПЛМ.
Если выбрана микросхема ПЛМ, то по этой команде информация из микросхемы ПЛМ анализируется на возможность ее допрограммирования информацией из буфера ПЛМ (если микросхема не "чистая"). Если ошибок нет, в нижней части таблицы появляется соответствующее сообщение, исчезающее при нажатии <Esc> или <Enter> (или через 2 сек. автоматически). При обнаружении ошибок выводится сообщение об их количестве. Кроме того, все ошибочные символы, считанные с микросхемы, отображаются в таблице справа от соответствующих символов буфера. Ошибочный символ отображается зеленым цветом, если ошибка исправимая (перемычка целая, а должна быть прожжена), или красным цветом, если ошибка неисправима (перемычка, которая должна быть целой, уже прожжена).
26) Команда <Запись в ПЗУ>.
Непосредственно процессу программирования ПЗУ должны предшествовать:
а) Выбор нужного типа микросхемы ПЗУ;
б) Подготовка данных в нужной области буфера редактирования;
с) Установка микросхемы ПЗУ в программатор и его включение;
д) Уточнение, при необходимости, через команды меню <Сервис> алгоритма, напряжения и режима программирования, порта подключения программатора;
е) После нажатия <Enter> - задание диапазона адресов в буфере редактора
ПЗУ и начального адреса микросхемы.
Далее автоматически происходит контроль микросхемы ПЗУ на возможность записи в нее информации и предлагается выбрать вариант программирования: <Непрерывное> или <До первой ошибки>. Процесс программирования отражается с помощью прогресс - индикатора. По окончании программирования индицируется время, израсходованное для него, и запускается процесс тестирования запрограммированной микросхемы с возможными сообщениями об ошибках.
27) Команда <Запись в ПЗУ> для микросхем ПЛМ.
Непосредственно процессу программирования ПЛМ должны предшествовать:
а) Выбор микросхемы ПЛМ;
б) Подготовка данных в буфере редактора ПЛМ;
в) Установка микросхемы ПЛМ в программатор и его включение;
г) Уточнение, при необходимости, через команды меню <Сервис> алгоритма, напряжения и режима программирования, порта подключения программатора.
После нажатия <Enter> сначала микросхема проверяется на возможность программирования, после чего выводится сообщение о результате проверки. Если есть ошибки, то они отображаются в таблице (так же, как при выполнении команды <Подбор ПЗУ>). Кроме того, в нижней части таблицы появляется меню, с помощью которого можно выбрать режим программирования до первой ошибки или до конца. Если выбрать первый режим, то после прожигания каждой перемычки производится проверка ее состояния. Если перемычка не прожглась, то выводится соответствующее сообщение и появляется меню, с помощью которого можно либо повторить, либо продолжить дальше, либо прекратить программирование микросхемы. Если обнаружена прожженная перемычка, которая должна быть целой, то выводится сообщение о невозможности программирования и появляется то же меню для продолжения или прекращения программирования. Обнаруженная ошибка отображается в таблице зеленым или красным цветом (как при выполнении команды <Подбор ПЗУ>). После окончания программирования микросхемы производится ее контроль путем сравнения информации микросхемы с буфером ПЛМ и отображение всех найденных ошибок. Для возврата в меню надо нажать <Esc> или <Enter>. Если ошибок нет, то возврат в меню осуществляется автоматически через 2 сек.
28) Команда <Стирание ПЗУ>.
Эта команда предназначена для стирания электрически стираемых микросхем ПЗУ. Она разблокируется только при выборе микросхемы семейства FLASH или КМ1801РР1.
29) Команда <Редактор> главного меню.
Редактор ПЗУ предназначен для подготовки данных для микросхем ПЗУ. Буфер этого редактора отображается на экране после загрузки программы, а в дальнейшем - при выборе любой микросхемы ПЗУ (при выборе микросхемы ПЛМ отображается буфер редактора ПЛМ).
Данные для программирования микросхемы ПЗУ готовятся в буфере редактирования в определенной области. Они могут загружаться туда из файла бинарного или 16-ричного формата либо вводиться вручную.
30) Команды навигации редактора ПЗУ.
Left/Right/Up/Dn ..... влево/вправо/вверх/вниз;
Left/^Right ...............к предыдущему/следующему байту;
Home/End .................на первый/последний байт текущей строки;
Home/^End.. ……...на первый/последний байт текущей страницы;
PgUp/PgDn ................на предыдущую/следующую страницу;
PgUp/^PgDn ............на первую/последнюю страницу;
Enter ...........................ввести адрес буфера для вывода данных.
31) Команды форматов отображения/редактирования данных показана в таблице 20:
Таблица 20 Команды форматов.
| Tab Shift+Tab F2 Ctrl+F2 |
16-ричный/бинарный; 16-ричный/ASC-II; 8-ричный для текущего байта; десятичный для текущего байта. |
| Другие |
команды редактора ПЗУ: |
| F1 F3 F4 F5 F6 F7 F8 F10 |
вызвать справку; сохранить данные области буфера или ПЗУ в файле; задать и ввести в облать буфера константу; инвертировать данные в области буфера; копировать данные из одной области буфера в другую или из ПЗУ в буфер; сравнить данные из двух областей буфера или ПЗУ и буфера; подсчитать контрольную сумму данных из области ПЗУ или буфера; выйти из редактора ПЗУ в главное меню. |
При использовании команд F2..F9 для ввода значений адреса используется 16-ричный формат. Если в связи с этим возникают проблемы, следует обратиться к команде <Форматы чисел> меню <Сервис>.
32) Команда <Редактор> главного меню для микросхем ПЛМ.
Редактор ПЛМ предназначен для подготовки данных для микросхем ПЛМ. Буфер этого редактора отображается на экране после выбора микросхемы ПЛМ.
Буфер редактора ПЛМ представляет из себя ОЗУ, в которое можно считать информацию (с микросхемы ПЛМ или из текстового файла специального формата) или ввести ее вручную. Информация, содержащаяся в буфере ПЛМ, отображается на экране в виде стандартной таблицы истинности ПЛМ. Эта таблица содержит 3 области для отображения разных слоев логических функций: слоя И, слоя ИЛИ и слоя НЕ.
На микросхеме ПЛМ типа К556РТ1 или К556РТ2 (выходы с открытым коллектором или с тремя состояниями соответственно) можно реализовать до 8 логических функций F0...F7 от 16 входных переменных A0...A15. Каждая из функций F0...F7 представляет собой дизъюнкцию (прямую или инверсную) нескольких конъюнкций входных переменных. Слой И микросхемы содержит 48 конъюнкторов, каждый из которых имеет по 32 входа (по 2 входа для каждой входной переменной: прямой вход и инверсный вход). На каждом входе имеется плавкая перемычка, которую можно прожечь при программировании микросхемы. Слой ИЛИ содержит 8 дизъюнкторов, каждый из которых имеет 48 входов, соединенных с выходами конъюнкторов. На каждом входе также имеется плавкая перемычка. Слой НЕ содержит 8 двухвходовых элементов "Исключающее ИЛИ". Один из входов подключен к выходу дизъюнктора, а второй заземлен (через перемычку). Каждый из этих элементов может быть либо инвертором (если перемычку на его входе прожечь) или повторителем (если перемычка целая).
Левая часть таблицы отражает состояние перемычек слоя И микросхемы ПЛМ. Каждый из 48 конъюнкторов представлен в таблице одной строкой. Состояние каждой пары перемычек отображается одним символом:
"-" - обе перемычки целые
"x" - обе перемычки прожжены
"H" - целая только перемычка прямого входа
"L" - целая только перемычка инверсного входа
Если у какого-либо конъюнктора не прожжена хотя бы одна пара перемычек (символ "-" в таблице), то на выходе этого конъюнктора всегда будет 0, т.е. этот конъюнктор не будет влиять ни на одну из выходных логических функций. Если у конъюнктора прожжены обе перемычки для какой-либо входной переменной (символ "x" в таблице), то эта переменная не будет влиять на выходное значение этого конъюнктора, т.е. не будет входить в его логическую функцию. Если прожжена только одна перемычка из пары, то соответствующая входная переменная будет входить в логическую функцию этого конъюнктора в прямом или инверсном виде (соответственно символ "H" или "L" в таблице).
Правая часть таблицы отражает состояние перемычек слоя ИЛИ микросхемы ПЛМ. Каждый из 8 дизъюнкторов представлен в таблице одним столбцом из 48 символов. Состояние каждой перемычки отображается одним символом:
"A" - перемычка целая
"-" - перемычка прожжена
Наличие какой-либо перемычки у дизъюнктора означает, что к этому входу подключен соответствующий конъюнктор, т.е. логическая функция этого конъюнктора входит в состав выходной логической функции. Любой из 48 конъюнкторов может быть подключен не к одному, а к нескольким дизъюнкторам (при этом соответствующие выходные функции будут содержать одинаковые конъюнкции).
Слой НЕ микросхемы представлен одной строкой символов в правой половине верхней части таблицы. Состояние каждой перемычки отображается одним символом:
"L" - перемычка целая
"H" - перемычка прожжена (при этом соответствующая
выходная функция инвертируется)
При выборе микросхемы К556РТ1/2 (командой <Выбор ПЗУ> из меню
<ПЗУ>) на экране появляется таблица, отображающая исходное состояние буфера редактора ПЛМ, соответствующее "чистой" микросхеме, у которой все перемычки целые.
Чтение информации в буфер редактора ПЛМ и запись из этого буфера в файл осуществляется так же, как и для микросхем ПЗУ: чтение в буфер редактора ПЛМ из микросхемы - командой <Считывание ПЗУ> меню <ПЗУ>, чтение из файла и запись в файл - командами <Файл загрузить> и <Буфер сохранить> меню <Файл>.
После выбора пункта меню <Редактор> информацию буфера редактора ПЛМ можно редактировать с помощью клавиатуры. На экране помещается только 12 строк таблицы (всего их 48). Для отображения последующих или предыдущих строк надо перемещать курсор вниз с последней строки или вверх с первой строки. Для быстрой смены видимой части таблицы можно использовать клавиши PgDn и PgUp.
Проверка микросхемы ПЛМ на чистоту или на возможность программирования (подбор ПЗУ) осуществляется из меню <ПЗУ>, а сравнение информации микросхемы с буфером редактора ПЛМ - из меню редактора (клавишей F7). Если ошибок нет, в нижней части таблицы появляется соответствующее сообщение, исчезающее при нажатии <Esc> или <Enter> (или через 2 сек. автоматически). При обнаружении ошибок выводится сообщение об их количестве. Кроме того, все ошибочные символы, считанные с микросхемы, отображаются в таблице справа от соответствующих символов буфера. Ошибочный символ отображается зеленым цветом, если ошибка исправимая (перемычка целая, а должна быть прожжена), или красным цветом, если ошибка неисправима (перемычка, которая должна быть целой, уже прожжена). Для просмотра всех ошибок (всех 48 строк таблицы) используются те же клавиши управления курсором, что и при редактировании буфера. Для возврата в меню (или в режим редактирования) надо нажать <Esc> или <Enter>.
33) Команда <Информ> главного меню.
Данная команда выводит окно с информацией о выбранной микросхеме ПЗУ или ПЛМ.
Напряжение, алгоритм и режим программирования для выбранной микросхемы могут быть скорректированы соответствующими командами меню <Сервис>. Время программирования приводится ориентировочное. Там же в меню <Сервис> соответствующими командами можно переназначить способ расчета контрольной суммы, привязку параллельных портов для подключения программатора и принтера. Строка "Файл ввода ..." индицируется только после загрузки файла в буфер редактора. Строка "Адреса зарузки ..." индицируется только в случае, если загружен бинарный файл ввода.
34) Команда <Сервис> главного меню.
Команда имеет подчиненное меню, с помощью которого можно:
а) Ввести одно или два числа в одном из четырех форматов (десятичном, 16-тичном, 8-ричном или двоичном) и получить их сумму и разность (в этих же форматах) ;
б) Сделать в нужном порядке перестановку бит в байтах необходимой области буфера редактора ПЗУ;
в) Для выбранной микросхемы модифифицировать:
- алгоритм программирования;
- режим программирования;
- напряжение программирования;
- выбрать способ расчета контрольной суммы;
- назначить программатору конкретный параллельный порт;
- назначить принтеру конкретный параллельный порт.
35) Команда <Форматы чисел>.
Данная команда выводит простой калькулятор для суммирования и вычитания двух чисел. Причем все числовые значения одновременно отображаются во всех четырех форматах: десятичном, 16-ричном, 8-ричном и двоичном. Для ввода числового значения необходимо клавишами-стрелками выбрать требуемый формат, нажать <Пробел>, ввести искомое значение и завершить ввод нажатием <Enter>.
36) Команда <Перестановка бит в байте>.
Эта команда предназначена для перестановки бит в каждом байте заданной области буфера редактора ПЗУ.
Первоначально появляется диалоговое окно со стандартной оцифровкой бит в байте - от 0 до 7. С помощью клавиш-стрелок можно подогнать курсор к нужной позиции и изменить номер байта на требуемый, например, 0 - на 7. После проведения всех корректировок и нажатия <Enter> следует ввести нужный диапазон адресов области буфера редактирования для модификации данных и подтвердить свой выбор.
37) Команда <Алгоритм программирования ПЗУ>.
Данная команда выводит окно с текущим алгоритмом программирования, который выводится также о окне <Информ>. Если существует возможность корректировки, то на нижней части окна присутствуют один или два указателя <Вниз>, <Вверх>. Тогда соответстующими клавишами-стрелками можно выбрать альтернативный вариант, а затем нажатием <Enter> зафиксировать свой выбор.
38) Команда <Режим программирования ПЗУ>.
По этой команде выводится окно с текущим режимом программирования, который выводится также в окне <Информ>. Если есть возможность корректировки, то на нижней части рамки окна присутствуют один или два указателя <Вниз>, <Вверх>. Тогда соответствующими клавишами-стрелками можно выбрать альтернативный вариант, а затем нажатием <Enter> зафиксировать свой выбор.
Кроме режимов программирования "Нормальный" и "Ускоренный", для тестирования программатора есть режим "Отладка", в котором процесс программирования или чтения микросхемы зацикливается (результат чтения в первом цикле отображается в буфере редактора) до нажатия <Esc>.
Для микросхем семейства MK51 еще предусмотрены режимы "Бит защиты 1", "Бит защиты 2" (для программирования битов защиты от чтения внутреннего ПЗУ) и "Шифр.таблица" (для программирования шифровальной таблицы).
39) Команда <Напряжение программирования ПЗУ>.
Эта команда выводит окно с текущим значением напряжения программирования, которое, в случае его отличия от штатного значения, выводится в окно <Информ> и в окно с прогресс-индикатором процесса программирования (справа от штатного значения, например, 25 --> 24.5). Если есть возможность корректировки напряжения, то на нижней части рамки окна присутствуют один или два индикатора <Вниз>, <Вверх>. Тогда соответствующими клавишами-стрелками можно выбрать альтернативный вариант и зафиксировать свой выбор нажатием <Enter>.
40) Команда <Тип контрольной суммы>.
Данная команда позволяет выбрать один из трех вариантов расчета контрольной суммы для назначаемой области буфера редактора ПЗУ или для выбранной микросхемы (ПЗУ или ПЛМ):
а) С точностью до слова
б) С точностью до байта
г) С точностью до байта с учетом переносов.
41) Команда <Порт для программатора>.
Эта команда "привязывает" аппаратуру программатора к одному из существующих параллельных портов компьютера LPT1...LPT3. Если в компьютере поддерживается только один порт, например, LPT1, то он назначается и программатору и принтеру. В этом случае непосредственно перед использованием программатора, если он не подключен к соответствующему порту кабелем, необходимо выполнить такую связь (при переключении кабеля принтер и программатор надо обязательно выключать).
42) Команда <Порт для принтера>.
Команда назначает принтеру один из доступных параллельных портов LPT1 ... LPT3 компьютера (для распечатки данных буфера редактора ПЗУ или редактора ПЛМ). Если в компьютере доступен только один порт, например, LPT1, то он может использоваться и программатором и принтером. Для этого непосредственно перед использованием конкретного устройства его необходимо с этим портом соединить кабелем (при переключении кабеля принтер и программатор надо обязательно выключать).
9.3 Описание работы с программным пакетом Uniprog Plus.
1) Пакет программ Uniprog Plus представляет собой систему программирования самых различных микросхем ПЗУ, ПЛМ и т. д. Это открытая система: функции, отвечающие за обслуживание микросхем конкретного типа, реализуются внешними загружаемыми модулями. Для каждой из них обеспечивается выполнение всех операций установки режимов программирования и собственно программирования, предусмотренных в соответствующем модуле, а также набор операций контроля.
В настоящее время в составе Uniprog Plus имеются следующие модули: RОМ.ЕD - редактор ПЗУ; РАL.ЕD - редактор ПЛМ; 27ХХ.РRG - программирование УФ РПЗУ серий 27хх, 573, К573; 2728.АDТ - автоматическое определение типа микросхем серий 27хх, 28хх, 29хх;
RТХХ.РRG - программирование ППЗУ с плавкими перемычками серий К556, КР556;
1556Х.РRG - программирование ПЛМ серии К1556;
RТ1.PRG - программирование ПЛМ серии К556;
VЕ4Х.РRG - программирование микроконтроллеров серий 874х; VЕ51 .РRG - программирование микроконтроллеров серий 875х, КР1816, КР1830, 89хх;
28ХХ.РRG - программирование микросхем РLАSН-памяти серий 28хх, 29хх;
ТЕSТ.РRG - тестирование платы программатора.
В стадии разработки находятся модули программирования микроконтроллеров РIC, последовательных (битных) ППЗУ и проверки микросхем ОЗУ.
В комплект Uniprog Plus входит пакет программ Uniprog Developers Кit (подробнее о нем рассказывается далее), позволяющий самостоятельно создавать новые программирующие модули. Кроме того, к Uniprog Plus можно подключить любые определяемые пользователем программы-конвертеры, преобразующие различные формы представления образа ПЗУ в вид, необходимый для программирования.
Экранный вариант программы Uniprog Plus выполняет следующие операции:
- работа с файлами: создание/загрузка/сохранение буфера редактирования, открытие/компиляция файла конвертером и т.д.;
- редактирование: отмена последнего изменения, начало/конец/снятие выделения, операции с "записной книжкой", заполнение блока значением, логические операции, поиск, различные переходы.
Просмотр и редактирование содержимого буфера программирования. Данные могут быть представлены по выбору в виде массива четырехразрядных тетрад (младших и старших половин байта), байтов, слов или двойных слов. Каждый элемент массива изображается соответствующим символом кода АSСII и двоичным, восьмиричным, десятичным либо шестнадцатиричным числом. При работе с ПЛМ содержимое буфера программирования представляется набором матриц И, ИЛИ, НЕ;
- выбор типа ПЗУ: тип выбирается из экранного меню. Номенклатура программируемых микросхем соответствует заданной в конфигурационном файле. Функция AUTODETECT пытается определить тип ПЗУ автоматически;
- действия с ПЗУ: программирование, разные проверки (на чистоту, возможность допрограммирования, совпадение с содержимым буфера), стирание/запись бита защиты и т. д.;
- настройка режимов и конвертеров: установка режимов программирования, настройка оболочки Uniprog Plus, подключение/редактирование конвертеров. Режимы устанавливают в диалоге, полностью зависящем от конкретного модуля программирования, например, для УФ ППЗУ серии 27ххх имеется 18 различных вариантов. При необходимости можно включить или выключить контроль записи и дать произвольные значения всем переменным алгоритма программирования;
- операции с окнами: перемещение, масштабирование, раскрытие, восстановление, переход к следующему, закрытие, разложить/выстроить окна;
- разные операции: калькулятор, вызов внешних утилит, информация об Uniprog Plus. Версия программы, параметры которой задаются в командной строке DOS, выполняет те же функции, что и экранная, за исключением интерактивных (просмотра и редактирования данных) и модификации буфера программирования. Она может быть полезна при постоянной работе с ПЗУ одного и того же типа, позволяя обойти утомительные операции ручной установки режимов при каждом запуске программы.
Как говорилось выше, пользователь имеет возможность создавать и подключать к Uniprog Plus собственные модули программирования и тестирования микросхем, редактирования данных для программирования, автоматического определения типа микросхемы и конфигурационные файлы. В этом ему поможет Uniprog Developers Кit. Подробное описание всех возможностей этого пакета потребовало бы слишком много места. Поэтому очень кратко остановимся лишь на общих принципах.
На рисунке 15 показано взаимодействие ядра программы Uniprog Plus с модулями, подготовленными пользователем. Внутри ядра находятся основные интерфейсы, взаимодействующие с внешними (по отношению к нему) модулями и файлами данных, и другие неизменяемые части программы, обеспечивающие ее функционирование.

Рисунок 15. Взаимодействие ядра программы Uniprog Plus с модулями.
Модуль "Программирование" - собственно программа записи данных в микросхему, их чтения, сравнения и т. д., - реализует соответствующие временные диаграммы с учетом всевозможных параметров этих процессов. Пользователь может разработать собственный модуль для нужной ему микросхемы, не вникая в конкретное устройство программатора и пользуясь
только логическими понятиями шины данных, шины адреса, управляющих сигналов. Для этого в ядре Uniprog Plus имеется ряд стандартных функций, к которым можно обращаться из любого модуля.
Модуль "Редактор" служит для отображения на экране монитора содержимого буфера программирования с данными, предназначенными для занесения в ПЗУ или прочитанными из него. Чаще всего бывает достаточно поставляемыхс программатором бинарного редактора для ПЗУ с линейной структурой и редактора ПЛМ для логических матриц. Но если требуется создать на экране образ ПЗУ в каком-либо необычном виде, придется написать собственный редактор. Задача эта сложная, но выполнимая. Uniprog Developers Кit предоставляет такую возможность.
Доступен пользователю и модуль "Автоопределение", по многим причинам отделенный от модуля "Программирование". А в модуль "Подсказка" можно поместить справочные данные, относящиеся к модулям собственной разработки.
Информация, необходимая для связи всех модулей с ядром программы и относящаяся к конкретным типам программируемых микросхем, находится в конфигурационном файле, который пользователь может дополнять и редактировать. В дополнительном конфигурационном файле автоматически фиксируются данные о настройках программы, сделанных уже во время работы с ней.
Тип ПЗУ задается пользователем вручную или определяется с помощью модуля «Автоопределение". После этого программа выбирает модули "Редактор" и "Программирование", нужные для работы с ПЗУ этого типа, и передает им из конфигурационного файла необходимые параметры. "Редактор" через ядро Uniprog Plus выдает образ ПЗУ на экран монитора и позволяет редактировать его, пользуясь клавиатурой и "мышью". Модуль "Программирование" через ядро управляет программатором, обеспечивая выполнение всех необходимых операций.
В заключение необходимо отметить, что программа Uniprog Plus бурно развивается как в сторону увеличения числа поставляемых с ней программирующих модулей, так и в сторону упрощения их самостоятельной разработки за счет "интеллектуализации" пакета Uniprog Developers Кit.
К модулю последовательных ПЗУ и AVR последовательные ПЗУ в основном имеют не более 8 выводов, назовем их P1-P8, поэтому для программирования было решено использовать шину данных PD0-PD7. Т.е. к соответствующему выводу микросхемы P (DIP - корпуса) подключается соответствующий сигнал PD (PD0->P1, PD1->P2, ..., PD(x-1)->Px) ). При этом на тот вывод где земля (GND) подается логический 0, а где питание 1, напряжение Е1 выставляется на "напряжение питания" + 0.5v (с поправкой на падение на транзисторах). Дополнительно на Е2 выставляется точное напряжение питания, чтобы можно было непосредственно подключить его на P=Vcc (обычно вывод P8). А также на один (или несколько) из адресов шины PA0-PA7 соответствующему P=GND, подается логическая 1 для возможности подключить "землю" через полевой N-канальный транзистор (т.е. PA(x-1)->транзистор->Px=GND) следующим образом:
Uniprog Plus поддерживает все версии программаторов Uniprog версий 2.10, а также самую раннюю версию 2.50, еще не проходившую под названием Uniprog.
· Для запуска оболочки Uniprog Plus без платы используйте ключи -d -p1: uniprog.exe -d -p1
· Где -d - режим дебагера, -p1 - номер LPT-порта (в данном случае 1).
· Для запуска специальных параметров используйте ключ "=prog.special" (вместе с кавычками), это позволит настроить параметры программирования: напряжения, временные интервалы и т.д.
· Если возникают какие-то вопросы в процессе использования оболочки Uniprog Plus, можно нажать на клавишу “F1”, – при этом появится помощь, описывающая то место, в котором вы находитесь.
В поставку также входит система разработки программирующих модулей Uniprog Development Kit (UDK). Она позволяет пользователям создавать свои модули программирования и редакторов. Система представляет собой набор библиотек, заголовочных файлов и файла помощи, предназначенных для использования совместно с компилятором Borland C++ версии 3.1.
Программа Uniprog Plus представляет собой систему программирования самых различных типов ПЗУ, ПЛМ и т.д. Версия командной строки поддерживает те же функции, что и экранная оболочка, за исключением всех интерактивных действий (просмотр/редактирование) и модификаций программирующего буфера.
Uniprog Plus также поддерживает набор определяемых пользователем конверторов, которые предназначены для преобразования различных форматов представления образа ПЗУ в бинарный вид (для последующего программирования). Конверторы определяются самим пользователем (несколько конверторов включены в Uniprog Plus). Скрипты для описания конверторов представляют собой разновидность командных файлов с интерактивными расширениями.
Программа обеспечивает для каждого типа ПЗУ операции программирования и установки параметров (если эти операции поддерживаются программирующим модулем), а также набор операций контроля ПЗУ и любые другие (целиком определяются программирующим модулем и конфигурационным файлом).
2) Основные операции, поддерживаемые программой.
Разные операции. - Пробел
Данное меню включает небольшой калькулятор, группу команд вызова внешних утилит, информацию о Uniprog Plus.
Различные файловые операции. - File
Стандартный набор - создать/загрузить/сохранить буфер редактирования как в бинарном, так и в текстовом (save as file) виде, открыть/откомпилировать файл для конвертора и т.д.
Здесь стоит заметить, что буфер для ПЗУ открывается в соответствии с его размером (новый заполняется пустыми (не прошитыми) значениями ПЗУ - filler) и является его (ПЗУ) образом. Т.е. если вы в Options определите область действия в ПЗУ, то данные из буфера для этой области будут браться из тех же адресов. Если подгружаемый файл размером больше буфера, то он урезается, если меньше, то буфер дозаполнится filler-ом.
Отдельно стоит рассмотреть пункт - Source, который дает возможность подгрузить с помощью конвертора файл, отличный от бинарной структуры. В поставке Uniprog plus подсоединен конвертор для чтения популярного формата HEX. В пункте Source вам представится возможность выбрать файл с расширением hex, после загрузки откроется окно, отформатированное в hex виде. Т.к. Uniprog plus не умеет работать с этим файлом, то полученный файл надо преобразовать в бинарный с помощью команды - Compile, которая сделает новое окно с бинарной копией. Заметим, что вышеописанная операция Compile не обязательная, т.к. Uniprog plus при надобности автоматически запустит эту команду. Поэтому не удивляйтесь, почему вдруг появилось новое окно с бинарной копией. Подключение конверторов на другие типы файлов см. раздел Options - Transfer/Convertors.
Замечание: Создание собственных конверторов см. описание утилиты XCVT.
Операции редактирования. - Edit
Модуль бинарного редактора ПЗУ обеспечивает просмотр и редактирование содержимого окна в бинарном или символьном виде. Содержимое может быть рассмотрено как массив 4-х битных тетрадь (как из младших, так и из старших половин байта), массив байтов, массив слов или массив двойных слов. Каждый элемент массива может быть представлен в двоичном, восьмеричном, десятичном либо шестнадцатеричном виде. Также он обеспечивает операции заполнения по повторяющимся образцам, выполнение произвольной логической функции над каждым элементом массива, разнообразную работу с 4-мя типами блоков и работу с clipboard’ом. Также обеспечиваются функции сохранения блоков и clipboard’а.
Меню включает: отменить последнее редактирование, снять/начать/закончить выделение, операции с clipboard’ом, заполнить блок значением, логические операции, поиск, различные переходы и сохранение выделенного участка или clipboard’а.
Отдельно остановимся на логических операциях - Logic. В вашем распоряжении три пункта:
Logic - действует на выделенный фрагмент и осуществляет простую (однострочную) операцию. Например, операция @&$ выполнит операцию "И" (&) над каждым значением выделенного фрагмента (@) и адресом этого значения в буфере ($).
Logic script - позволяет написать последовательность различных операций над разными участками буфера и сохранить этот скрипт.
Полное описание логических функций можно получить, нажав F1 на соответствующем пункте.
Logic action - позволяет активизировать сохраненный вами скрипт предыдущего пункта или запустить готовые скрипты, входящие в поставку Uniprog plus. Кстати, последние вы можете исправить или использовать как пример. Опишем эти скрипты:
1) Random Fill - заполнение буфера или выделенной части случайными числами с заданной начальной установкой генератора случайных чисел. Каждое значение определяет уникальную последовательность псевдослучайных чисел;
2) And with Clipboard, Or with Clipboard, And with Random,Or with Random - операции "И", "ИЛИ" буфера с Clipboard (временным буфером) или с случайными числами;
3) Summ of Buffer/Block - подсчитывает контрольную сумму буфера или выделенной части и выводит ее на экран;
4) Pad buffer with Summ - подсчитывает контрольную сумму буфера и записывает ее в последние четыре байта буфера;
5) Check buffer with Summ - проверяет контрольную сумму буфера на соответствие последним четырем байтам буфера;
6) Модуль редактора ПЛМ проще бинарного в смысле возможных операций, но позволяет просматривать содержимое ПЛМ в виде набора матриц (И, ИЛИ, НЕ и т.д.)
7) Выбор типа ПЗУ. - Select PROM
Вид данного меню полностью зависит от конфигурационного файла. Данное меню предназначено для выбора типа программируемого ПЗУ. В любом из подменю данного меню возможно появление пункта «Autodetect» - при выборе этого пункта будет произведена попытка автоматически определить тип ПЗУ.
В модулях FLASH и 27хх при выборе этого пункта сразу предлагается автоопределение, которое можно отменить, нажав клавишу Esc.
Разнообразные действия с ПЗУ. - Programming PROM
Программирование, разнообразные проверки(на чистоту/возможность допрограммирования/совпадение с буфером), а также возможные дополнительные действия (стирание, запись бита защиты и т.д.).
Замечание: При начальном входе в UniProg Plus не открыто ни одного окна, поэтому, пока Вы не откроете окно (буфер), будут выполняться только операции, не требующие оного (например, проверка на чистоту и стирание), иначе будет появляться сообщение об ошибке: "Нет буфера для ...".
Опции. - Options
Состоит из трех пунктов: настройка режимов программирования, настройка оболочки Uniprog Plus и добавление/редактирование конверторов.
Programming - настройка режимов программирования модуля осуществляется через диалог, полностью зависящий от программирующего модуля, где задаются алгоритмы программирования (или автоматически через автоопределение). Например, модуль программирования УФ ППЗУ серии 27xx поддерживает 18 режимов программирования различных фирм. Также задаются опции программирования и контроля, редактирование - Edit (позволяет задать произвольные параметры для всех переменных алгоритма программирования) и т.д.
Новые модули, такие как FLASH и сериальных ПЗУ, не имеют в опциях выбора диапазона програмирования, т.к. этот диапозон можно определить обычным выделением в буфере.
Environment - разные тонкие настройки, которые лучше не трогать, за исключением Screen Size - количество выводимых строк на экран.
При снятии флажка с Disable automatic autodetect у вас будет срабатывать автоопределение микросхемы автоматически при входе в соответствующее меню выбора микросхемы. Рекомендуем снять этот флаг после юстировки напряжений и в случае качественного срабатывания автоопределения.
Transfer/Convertors - через этот пункт можно подключить конверторы. Как указывалось ранее, в поставку Uniprog plus входит конвертор HEX файлов, поэтому, если выбрать данный пункт, то выскочит диалог, в окне Select convertor которого будет значиться всего один источник - Hex Source для конвертирования HEX файлов. Как очевидно из пунктов меню, можно добавить(Add), удалить(Delete) или отредактировать(Edit) соответствующие конверторы.
Прежде всего поясним, что подключенный конвертор просто вызывает программу, которая как раз и конвертирует файл в бинарный вид. Для НЕХ файлов в данном случае вызывается программа xcvt из директории UTILS. Эта программа достаточно мощная и позволяет делать с файлом различные операции (конвертирование HEX (а также MOT и MOS) файлов - это частная операция xcvt) .
Чтобы подключить конвертор, надо нажать - Add; если вы стоите на каком-либо подключенном конверторе, то ввод нового будет осуществляться по шаблону предыдущего простой редакцией. Понять настройки можно, зайдя для начала в конвертор HEX-а кнопкой - Edit.
Menu string: ~H~ex Source - строчка, которая войдет в меню File - Source, две тильды выделяют букву красным цветом и является горячей клавишей.
Description : -> Bin convertor - описывает действие в подсказке (появляется в самой нижней строке экрана).
Window title: Hex - заголовок открывшегося окна.
Src file ext: hex - расширение файла.
Окно внизу – вызов соответствующих программ, возможно с параметрами, для конвертации. В данном случае - utils\xcvt -hex2bin %i %o .
Кнопка Active nodes позволяет подключить выбранный конвертор к любым программирующим модулям.
Более подробное описание можно посмотреть, нажав клавишу F1 в этом окне.
Операции с окнами - Windows
Стандартный набор - передвинуть/ масштабировать/ распахнуть/ восстановить окно, следующее/ закрыть/ разложить/ выстроить окна.
Некоторые горячие клавиши
Во-первых, если нажать клавишу ALT и букву, выделенную красным цветом, то выберется то меню (самая верхняя строка), где эта буква помечена. Внутри меню, чтобы выбрать соответствующий пункт, достаточно просто (без ALT) нажать соответствующую красную букву.
Стоит упомянуть также о клавишах:
Alt-F10 - вызов локального меню, для изменения системы счисления, размера шины данных и т.д.
Alt-0 - вызывает список всех окон, в том числе и удаленных. Правда, пользоваться этой операцией надо аккуратно, т.к. эти окна имеют размер той ПЗУ, для которой он был вызван.
Ctrl-F10 - вызывает строку меню последней операции.
Список всех горячих клавиш можно посмотреть по клавише F1(при НЕ активизированном меню) в разделе "Горячие_клавиши_Uniprog_Plus".
Заключение
Мы хотим попросить прощения за русско-английский (с диалектами!!) стиль оформления Uniprog’а, – увы, разработчики не смогли найти общий язык ... Мы очень надеемся, что в ближайшем будущем мы все же сможем найти такой язык (возможно, это будет Эсперанто, - кто знает!.. :-)
Справедливости ради надо сказать, что терминологические понятия мы и не хотели переводить, иначе возникла бы путаница, однако общие понятия мы в дальнейшем будем русифицировать.
3) Программа Тест.
Перед запуском теста НЕОБХОДИМО извлечь из программирующих панелек все, что туда случайно попало.
Тест и настройка программатора осуществляется либо непосредственно из оболчки Uniprog-а выбором в самом верхнем меню "Select Config branch" пункта "Extra"->"Hardware test". При этом если вы в первый раз зашли сюда то необходимо в пункте "Select PROM" выбрать "Test". Также запустить тест можно запустив файл test.bat, в котором содержится команда: uniprog -nctest.cfg !test %1 %2 %3 %4 %5 %6 %7 %8 %9, суть которой - подгрузка UniProg’ом отдельного тестового модуля (аналогично подключаются собственные модули, написанные пользователем). Поэтому внешний вид программы ничем не отличается от основной программы Uniprog plus, но при этом реально доступны два раздела меню - Programming PROM и Options.
Раздел Programming PROM состоит из:
Автоматический тест - осуществляет возможное самотестирование программатора и выдает информацию в Log файл и более полную в файл на диск, если указано имя файла в разделе - Options.
Автоматический тест отрабатывает следующие проверки:
• Проверка ввода данных непосредственно через D1 - проверка ввода данных c быстрым переключением XI4 как 0-1, так и 1-0. Определяем задержку после вывода в системный порт D29, при этом прописываем(D6.B) и читаем(D5.A) шину данных с панельки.
• Программируем все каналы D4-D7 на вывод, прописываем и читаем их. Микросхема 580ВВ55А имеет следующее свойство: после записи значения в любой канал можно считать его. Однако считанное значение может быть шунтировано значением на выходе канала. Тем самым ошибка в этом тесте может быть вызвана неисправностью микросхемы или замыканием выходов канала. Программируем все каналы D4-D7 на ввод, читаем состояние выходов
каналов. Т.к. все каналы, кроме ЦАП-вых, нагружены на TTL-серию, то считанные значения должны быть 0x11111111, или 0x11XXXXXX для ЦАП-вых каналов. Любое несоответствие выдает предупреждение (WARNING). Пишем в D6.b и читаем из D5.a. Пишем в D4.b и читаем из D28 верхнюю шину адреса PA8-PA15.
• В случае ошибок (error) более полную информацию можно получить, определив имя log-файла. Расширенная информация пока заключается в выдаче неправильно считанного массива полной последовательности чисел 0-255 (в шестнадцатеричной и в двоичной системе счисления), выданных в тот или иной порт.
Возможные сообщения:
OK. - Тест прошел удачно.
INFO: - Информация.
ERROR: - Ошибка.
WARNING: -Предупреждение. Означает ,что в процессе тестирования получены нежелательные данные. Но при этом программатор скорее всего работоспособен (эти места проверяюстся при наладке, при отлаженном программаторе можно эти сообщения игнорировать).
Юстировка напряжений E1-E4 - необходима для коррекции напряжений ЦАП-ов после транзисторов. Это вызвано разбросом параметров резисторов и транзисторов в данной цепи.
В начале вам предлагается ввести (курсором) число от 0 до 63. Это число суть код, выдаваемый на все ЦАП-ы. Ввиду того, что усилители при максимальном числе - 63, как правило, входят в насыщение, то число надо уменьшить, чтобы выйти на линейный участок (т.е. найти те числа, при которых реально изменяются напряжения Е1-Е4). Однако надо помнить, что чем меньше введенное число, тем меньше точность коррекции. Предлагаем понижать (курсором) число до тех пор, пока не начнут понижаться напряжения Е1-Е4. Далее нажать ENTER и тестером замерить напряжения на выходах транзисторов (VT33-VT36) или непосредственно на панельках сигналы Е1-Е4 и занести их в выпавшую таблицу. Значения напряжений могут вводиться с точностью до одного десятичного знака и не должны превышать значения 25.4 . После нажатия - "Ok" коррекция напряжений будет записана в файл unip.aux в строчку - es.fixes .
Check device - осуществляет вывод различных тестовых диаграмм, позволяющих отладить программатор с помощью осциллографа:
• Диаграммы адреса и данных - выдается цикличная возрастающая последовательность чисел на шину данных или на разные части шины адреса. Можно выдавать как логические, так и высоковольтные уровни, что позволяет отловить замыкание транзисторов VT1-VT28;
Bus active - часть шины, на которую выдается диаграмма (Состояние других частей определяется в - Options: Bus inactive).
Data - восьмиразрядный счетчик на шине данных.
Addr 0-7 - восьмиразрядный счетчик на шине адреса A0-A7.
Addr 8-19 - двенадцатиразрядный счетчик на шине адреса A8-A19.
Bus voltage Low - диаграммы логических уровней. High - диаграммы высоковольтных уровней, высоковольтное напряжение E1 определяется в - Options: Ex edge value.
• Чтение данных - на экран в шестнадцатеричном и двоичном коде выводится состояние шины данных непосредственно на панельке программируемой микросхемы. Замыканием соответствующего разряда на землю можно контролировать правильное чтение шины.
• Вывод в системный порт D1 и одновременное открытие D2 - системный порт D1 работает как восьмиразрядный счетчик (т.е. в этот регистр каждый цикл последовательно выдаются числа от 0 до 255), и эти значения проходят через D2. Коммутация мультиплексора D2 определяется опцией -Input nibble (см. раздел Options).
• Вывод в системный порт D29 - работает как восьмиразрядный счетчик (т.е. в этот регистр каждый цикл последовательно выдаются числа от 0 до 255).
• Ввод/вывод в BB55 - Ввод/вывод в любой канал D4-D7 и только ввод D28.
Channel - канал одной из микросхем D4-D7 A,B,C - непосредственно канал ввода/вывода Com - командный регистр
•Пилообразное напряжение на E1-E4 - выдает полную пилу на ЦАП-ы. Т.е. в регистры ЦАП-ов каждый цикл последовательно выдаются числа от 0 до 255, тем самым на источниках Ex можно наблюдать подряд две пилы (без и с емкостью) и перерыв размером в две пилы за счет последнего разряда, закрывающего ЦАП-ы. Запрет конкретных Ex и трансляция пилы на шину адреса и данных определяется в - Options.
•Перепад Ех с включенной емкостью и без - выдает ступеньку на Е1-Е4 от 0 до Ex edge value, заданной в Options.
• No capacity - источники Ex открываются инверторами D26.2, D26.4, D26.6, D27.2.
• Capacity - то же, что no capacity, но с подключенными через D26.1, D26.3, D26.5, D27.1 емкостями.
• DAC time - перепад осуществляется непосредственным программированием ЦАП-ов D8-D11.
Раздел Options:
Нас интересует только подраздел Programming, в котором задаются параметры теста:
Testing options: E1 -E4 - разрешить данные источники.
•Bus translate - разрешить трансляцию E1 на шины адреса и данных. Используется в диаграммах - Пила и Перепад Ех с включенной емкостью и без!!! Опцию Bus translate в таких тестах как Пила и т.д. можно продолжительно использовать только с радиатором на транзисторе VT33(E1).
• Input nibble - ввод половинки шины данных: Low - нижней, High - верхней, Both - поочередно. Используется в диаграмме - Вывод в системный порт D1 и одновременное открытие D2. При этом системный порт D1 работает как счетчик. Опция Low определяет нижние четыре разряда счетчика, High - верхние четыре разряда счетчика и опция Both - поочередно, через полный цикл(255), нижние и верхние четыре разряда счетчика.
• Bus inactive - неактивное состояние шины. Используется в диаграмме - Диаграммы адреса и данных, и выполняет установку не участвующего в диаграмме куска шины в - 0 или - 1.
• Log file name: - Имя Log-файла, куда попадет расширенная тестовая информация из раздела - Тест. Расширение пока заключается в выдаче неправильно считанной полной последовательности 0-255(Счетчика) в шестнадцатеричной и в двоичной системе счисления. При этом неправильные (т.е. не по порядку) значения заключаются в квадратные скобки.
• Ex edge value - Значение источников Ex, используемые в разделах - Перепад Ех с включенной емкостью и без и Диаграммы адреса и данных диаграмм.
• Ldelay - Принудительная задержка после выдачи системных сигналов для длинных проводов.
Программа XCVT.
Утилита xcvt расположена в директории UTILS и предназначена для конвертирования и/или объединения/разделения файлов. Утилита воспринимает набор входных файлов и создает из них набор выходных файлов.
Если запустить xcvt, то запустится подробный help этой программы. Здесь мы кратко перечислим основные возможности.
Из-за обилия и запутанности опций у программы xcvt даже простейшие команды выглядят не такими уж и простыми. Для облегчения жизни пользователям был сделан механизм макрокоманд, а для хранения этих макрокоманд был сделан конфигурационный файл(по умолчанию это 'xcvt.cfg'). При этом зачитываются опции (глобальные), определения макрокоманд и установки, разбирается командная строка (+ подставляются макрокоманды) При чтении файла сначала он пропускается через ANSI C препроцессор. При подстановке макрокоманд дополнительно распознаются и подставляются специальные встроенные подстановки.
Конвертор поддерживает ряд форматов файлов:
• Бинарный: обычный файл.
• Текстовые форматы. Это форматы hex, mot и mos (Intel hex, Motorolla и MOS Technology). Диапазоны и их количество для этих файлов неявно заложены в их структуре и извлекаются оттуда.
• Тэгированный файл. Бинарный файл, который тем не менее хранит в себе информацию о диапазонах.
Приведем примеры использования встроенных макросов:
Макрос -hex2bin: преобразование из Intel HEX файла в бинарный xсvt -hex2bin <входной hex файл> <выходной bin файл>
Макрос -bin2hex: преобразование из бинарного в Intel HEX файл xсvt -bin2hex <входной hex файл> <выходной bin файл>
Макрос -w2b: разрезание словного файла на байты xсvt -w2b <входной словный файл> <выходной байтовый (мл. байт)> <ст. байт>
Макрос -b2w: слияние 2х байтовых файлов в словный файл xcvt -b2w <входной байтовый (мл. байт)> <ст. байт> <выходной словный файл>
Макрос -split: разрезание файлов на части xCvt -split <входной файл> <выходной> <размер>
В заключение приведем два примера операций с файлом из сотни возможных:
Разделение файла слов на 2 байтовых файла:xcvt -s0,1 inp.bin -o -s0 outlo.bin -s1 outhi.bin
Перестановка байтов в слове местами: xcvt -s0,1 inp.bin -o -s1,0 out.bin
Как указывалось ранее, собственный модуль для прожига ПЗУ(или тест микросхемы) может написать каждый пользователь, владеющий языком «Си». Для этого в комплект программы Uniprog Plus входит пакет Uniprog Development Kit.
Подробно описать все функции Uniprog Development Kit мы планируем в отдельной брошюре (пока см. Help в каталоге UDK). Поэтому очень кратко остановимся на общих принципах взаимодействия пользователя с этим пакетом(см. блок-схему).
Блоки: "программирующий модуль", "модуль редактора", "модуль автоопределения" и "конфигурационный файл" доступны пользователю при написании собственной программы программирования.
"Программирующий модуль" содержит собственно программу прожига, проверки и т.д и использует разнообразные функции ядра Uniprog. При этом можно оперировать логическими понятиями шины адреса, данных и управляющими сигналами, не вдаваясь в физическое устройство программатора.
"Модуль редактора" также использует функции ядра Uniprog и позволяет написать собственный редактор. Необходимость в этом возникает, когда отображение содержимого микросхемы удобно представить в необычной форме. Написание собственного редактора - процесс достаточно сложный, но для большинства микросхем достаточно уже написанного бинарного редактора, а также редактора для отображения различных микросхем ПЛМ.
"Конфигурационный файл" делится на две части.
Первая часть содержит данные для прожига конкретных микросхем из семейства, поддерживаемого программирующим модулем, и передает их этому модулю при выборе в программе этой микросхемы.
Вторая часть содержит собственно описание некоторых «MENU-шек» в программе Uniprog Plus: выбор микросхем, различные проверки, собственно прожиг, стирание(если необходимо) и т.д.
В заключение необходимо отметить, что программа Uniprog Plus бурно развивается как в сторону увеличения количества программирующих модулей, так и в сторону «интеллектуализации» пакета UDK, что позволит упростить написание собственных модулей.
Данный программатор является универсальным устройством для программирования микросхем ПЗУ.
Он позволяет программировать микросхемы следующих типов:
- с ультрафиолетовым стиранием: 2708, 2716, 2732(A), 2764(A), 27128(A), 27256, 27256(21v), 27512, 271000, К573РФ1, К573РФ2/5, К573РФ4А
- с пережигаемыми перемычками: КР556РТ4/11, КР556РТ5/17, КР556РТ12/13, КР556РТ14/15, КР556РТ16, КР556РТ18, К155РЕ3
- с электрическим стиранием: КМ1801РР1, FLASH: 28F256, 28F512, 28F010, 28F020, ПЛМ: КР556РТ1/2
микроконтроллеры: 8748, 8749, 8751, 8752, 87C51, 87C53, 1816ВЕ751, 1816ВЕ48, 1830ВЕ751, 1830ВЕ753
только читать: 8048, 8049, 80C48, 8051, 8052, 1816ВЕ49, 1816ВЕ51, 1830ВЕ48
ЗАКЛЮЧЕНИЕ
Возрастающий круг научно - технических работников сталкивается в своей практической деятельности с вопросами применения запоминающих и логических программируемых микросхем. Их использование в радиоэлектронной аппаратуре позволяет резко сократить сроки ее разработки и промышленного освоения; поднять на новый уровень технические характеристики. В этих случаях является незаменимым такое устройство как программатор микросхем ПЗУ, который позволяет программировать широкий круг микросхем.
В результате дипломного проектирования был разработан программатор микросхем ПЗУ. В результате чего была детально изучена конструкция и принцип действия программатора.
В расчётной части произведен расчёт геометрических параметров печатного монтажа, расчет потребляемой мощности схемы, расчет освещенности помещения БЦР, а также расчет трансформатора источника питания.
В технологической части выполнен анализ технологичности конструкции устройства, анализ дефектов фотопечати, выполнено обоснование выбора метода изготовления печатной платы, рассмотрена установка нанесения сухого пленочного фоторезиста.
Исследовательская часть включает в себя следующие подразделы:
- Методика работы с прибором.
- Описание меню программы TURBO.
- Описание работы с программным пакетом Uniprog Plus.
- Анализ работы устройства.
В организационно-экономической части представлен расчет себестоимости платы программатора, в результате которого установлена составлена калькуляция договорной цены на изготовление платы программатора.
В данном дипломном проекте приведены мероприятия по технике безопасности и пожарной безопасности, которые следует соблюдать на участке изготовления печатных плат.
В графической части курсового проекта представлены: схема электрическая принципиальная программатора микросхем ПЗУ, чертеж печатной платы, сборочный чертёж ПП, структурная схема программатора, схема электрическая принципиальная кросс – плат, подключаемых к программатору.
Разработанное устройство имеет следующие преимущества:
- открытость архитектуры;
- наличие программных отладочных модулей;
- хорошая ремонтопригодность и взаимозаменяемость программатора;
- лёгкость монтажа и демонтажа ПП;
- простота в обращении.
- универсальность.
Универсальность программатора заключается в его схемотехнике, позволяющей программировать кроме обычных ПЗУ и микроконтроллеров, микросхемы программируемой матричной логики (ПЛМ) и т.д. Устройство построено по принципу открытой архитектуры, что на сегодняшний день является большим достоинством, так как процесс развития ЭВТ продвигается очень быстро.
В результате дипломного проектирования установлено, что программатор соответствует необходимым техническим требованиям и является универсальным устройством для программирования микросхем ПЗУ.
СПИСОК ИСПОЛЬЗУЕМОЙ ЛИТЕРАТУРЫ
1. Алексенко А.Г., Галицын А.А., Иванников А.Д. Проектирование радиоэлектронной аппаратуры на микропроцессорах: Программирование, типовые решения, методы отладки. – М.: Радио и связь, 1984.
2. Бокуняев А.А., Борисов Н.М., Варламов Р.Г. Справочная книга конструктора - радиолюбителя. Под ред. Чистякова Н.И. - М.: Радио и связь, 1990.
3. ГОСТ 2.105-95. Общие требования к текстовым документам.
4. ГОСТ 2.109-73. Основные требования к чертежам.
5. ГОСТ 2.702-75. Правила выполнения электрических схем.
6. ГОСТ 3.1127-93. ЕСКД. Общие правила выполнения текстовых технологических документов.
7. ГОСТ 3.118-82. Оформление текстовой документации.
8. Григорьев О.П., Замятин В.Я. и др. Транзисторы: Справочник. - М.: Радио и связь, 1989.
9. Интегральные микросхемы. Справочник. Под ред. Тарабрина Б.В. – М.: Энергоатомиздат, 1985.
10. Муренко Л.Л. Программаторы запоминающих и логических интегральных микросхем. – М.: Энергоатомиздат, 1988.
11. Справочник. Резисторы. Под ред. Четверткова И. И. – М.: Энергоиздат, 1981.