| Скачать .docx |
Реферат: Современные направления электроники
Современные направления развития силовых преобразователей переменного тока
В контрольной работе приведена классификация современных структур силовых трехфазных преобразователей переменного тока широкого применения. Проанализированы основные недостатки систем с двойным преобразованием энергии, ограничивающие их применение. Уделено внимание матричным структурам преобразователей и гибридной технологии построения силовых преобразователей переменного тока.
Основные сокращения и обозначения, принятые в работе
АФГ - активный фильтр гармоник,
БСРЭ - блок сброса или рекуперации энергии,
БУС - бустер,
ГПЭ - гибридные преобразователи энергии,
ДК - двунаправленный ключ,
ДПЭ - система с двойным преобразованием энергии,
ДТ - датчик токовый,
ИБП - источник бесперебойного питания,
ККМ - корректор коэффициента мощности,
МК - матричный коммутатор,
НВ - неуправляемый выпрямитель,
НПЧ - непосредственный преобразователь частоты,
НЧК - низкочастотный коммутатор,
ППЭ - система с прямой передачей энергии,
РН - регулятор напряжения,
СДПМ - синхронный двигатель с постоянными магнитами,
СТ - силовой трансформатор,
УВ - управляемый выпрямитель,
УН - уравнитель напряжений,
ФВ - фильтр выходной,
ШИМ - широтно-импульсная модуляция,
ШИМ-В - ШИМ-выпрямитель,
ШИМ-И - ШИМ-инвертор,
ШИМ-П - однополярный ШИМ-преобразователь,
ЭМО - электромагнитная обстановка,
ЭМС - электромагнитная совместимость,
ЭП - электропривод.
Классификация структурных схем силовых преобразователей переменного тока
Многочисленное современное оборудование промышленных и коммерческих технологий, используемое в широком диапазоне мощностей, требует трехфазного питания переменного тока с необходимой амплитудой и частотой. При использовании в качестве основного источника энергии переменного тока промышленной сети преобразователи обеспечивают:
стабилизацию выходного напряжения при постоянстве частоты 50 Гц в системах бесперебойного питания [1, 2];
регулирование амплитуды и частоты выходного напряжения в электроприводах переменного тока [4], системах электротермической технологии и т.п.
В автономных системах электроснабжения (авиационных, корабельных, наземного транспорта) и ветроэнергетических установках напряжение генератора переменного тока, как правило, изменяется в широком диапазоне как по амплитуде, так и по частоте. Это обстоятельство накладывает особые требования на преобразователи для обеспечения стабильного или регулируемого электропитания различного типа нагрузок.
В системах с двойным преобразованием энергии (ДПЭ) происходит преобразование энергии переменного тока в энергию постоянного тока, а затем наоборот.
Во входном каскаде таких систем могут использоваться:
НВ - неуправляемый выпрямитель (диодный мостовой выпрямитель);
УВ - управляемый выпрямитель (тиристорный мостовой выпрямитель);
ШИМ - выпрямитель (IGBT мостовой выпрямитель).
Выходные каскады в системах ДПЭ выполняются на основе:
НЧ - коммутатора (тиристорный или IGBT мостовой инвертор с коммутацией на основной частоте выходного напряжения);
ШИМ - инвертора (IGBT мостовой инвертор с ШИМ управлением);
однополярного ШИМ-преобразователя и НЧ-коммутатора.
НЧК находят применение в преобразователях электропривода переменного тока [4].
Однополярный ШИМ - преобразователь, формирующий напряжение в виде полуволн синусоидальной формы, и низкочастотный коммутатор НЧК, инвертирующий эти полуволны в напряжение переменного тока, находят свое применение в ряде системах гарантированного электропитания [40].
Наиболее широкое применение получили ШИМ - инверторы, формирующие в сочетании с выходными фильтрами синусоидальное напряжения основной частоты.
В последние годы в связи со значительным прогрессом в создании быстродействующих силовых полупроводниковых приборов наметилась тенденция к созданию более совершенных топологий преобразователей переменного тока. К таким топологиям, в первую очередь, относятся матричные и гибридные структуры. Это объясняется стремлением решить следующие основные задачи:
улучшение энергетических показателей системы (коэффициента мощности и кпд);
минимизация высших гармоник входного и выходного токов для обеспечения требований ЭМС по входу и выходу преобразователя;
улучшение массогабаритных показателей преобразователей за счет снижения величин используемых реактивных элементов;
расширение мощностного диапазона преобразователей
Системы с двойным преобразованием энергии
Наиболее распространенной в настоящее время технологией преобразования переменного тока являются системы с двойным преобразованием энергии (ДПЭ), содержащие в своей структуре звено постоянного тока. Звено постоянного тока, обеспечивающее накопление энергии от первичного источника питания переменного тока, помимо реактивных элементов (емкости, индуктивности), может содержать регулятор напряжения постоянного тока РН (понижающий или повышающий - бустер).
Входной каскад преобразователя (выпрямитель) отделен от выходного каскада (инвертора) промежуточным звеном постоянного тока. Звено постоянного тока, в общем случае, содержит емкость значительной величины, предназначенную для сглаживания пульсаций и накапливания необходимой энергии для питания инвертора. Величина емкости определяется исходя из обеспечения необходимых динамических свойств инвертора (минимального отклонения выходного напряжения в переходных режимах) и максимально возможных перегрузочных способностей преобразователя. Величина емкости накопительных конденсаторов при напряжении звена постоянного тока 720-800 В выбирается из расчета 470 -660 мкФ на каждый 1кВА выходной мощности инвертора для обеспечения достаточной энергии питания инвертора при скачках нагрузки и провалах сетевого напряжения. Таким образом, звено постоянного тока представляет для входного каскада (выпрямителя) емкостной характер, что влияет на спектральный состав входного тока системы [3].

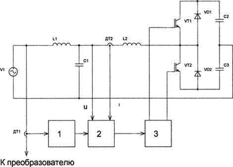
Рис.1 Система ДПЭ с бустером
Одна из современных структур ДПЭ, используемая в источниках бесперебойного питания (ИБП) приведена на рисунке 1 [1,2]. На рисунке условно изображено по одной стойке мостового выпрямителя и мостового инвертора. Отличительной особенностью такой структуры является использование неуправляемого выпрямителя VD1, VD2 и регулятора повышающего напряжения (бустера) РН-БУС в звене постоянного тока. Дифференциальная схема бустера выполняется на двух IGBT-транзисторах VT1, VT2, диодах VD5, VD6, дросселях L1, L2 и накопительных конденсаторах C1, C2. Этот преобразователь обеспечивает следующие функциональные задачи:
стабилизирует напряжение питания инвертора на уровне ±(360-400) В, необходимом для формирования номинальной величины выходного напряжения 220/380 В;
обеспечивает балансировку напряжений положительной и отрицательной шин постоянного тока относительно нейтрали, что исключает появление постоянной составляющей в выходном напряжении.
ШИМ - инвертор в такой структуре представляет собой инвертор на IGBT - транзисторах VT3, VT4, которые управляются широтно-импульсными сигналами, модулированными по синусоидальному закону [2].
При оценке энергетических показателей систем с двойным преобразованием энергии в случае использования во входном каскаде НВ или УВ необходимо учитывать, что мы имеем дело с необратимым нелинейным четырехполюсником, содержащим звено постоянного тока, который разделяет первичный источник питания и нагрузку [5, 6]. По определению, коэффициент мощности является показателем, характеризующим влияние реактивной мощности и мощности искажения на энергетическую эффективность системы. Системы ДПЭ характеризуется двумя коэффициентами мощности: по отношению к сети - входным (Крвх) и по отношению к нагрузке - выходным (Крвых). В общем случае значения этих коэффициентов отличаются.
Составляющие токов реактивной мощности и мощности искажения во входной цепи преобразователя (мостовой схеме трехфазного выпрямителя) будут замыкаться во входном контуре системы и зависить от параметров фильтра звена постоянного тока (так как это влияет на форму тока, потребляемого от сети) и степени загруженности системы.
Реактивная составляющая мощности и высокочастотные гармонические составляющие мощности искажения на выходе преобразователя будут обмениваться между нагрузкой, инвертором и емкостью фильтра звена постоянного тока. Замыкаясь в указанном контуре силовой цепи преобразователя, они не проявляются во входной цепи системы, а их величины будут зависеть от коэффициента мощности нагрузки.
Перечислим основные недостатки систем ДПЭ с входным диодным или тиристорным выпрямителями:
значительные массогабаритные показатели (без учета выходного трансформатора) из-за больших электролитических конденсаторов в звене постоянного тока,
ограничение рабочего температурного диапазона эксплуатации, связанное так же с наличием больших емкостей с высоким рабочим напряжением,
определенное ограничение мощностного диапазона из-за предельных возможностей IGBT ШИМ - инвертора, связанного с потерями на переключение, а так же возникновения нежелательной ЭМО в системе из-за высоких значений, при коммутации силовых ключей,
сравнительно низкие значения входного коэффициента мощности системы из-за искажения синусоидальности входного тока. Это требует введения пассивных фильтров высших гармоник во входных цепях системы, что приводит к увеличению массогабаритных показателей и возможности возникновения резонансных явлений [3].
Системы с ШИМ – выпрямителем
Такая структура преобразователя, появившаяся в последние годы, содержит двунаправленный мостовой ШИМ - выпрямитель (ШИМ-В), уравнитель напряжений (УН) и ШИМ - инвертор (ШИМ-И) (рис.2). ШИМ - выпрямитель реализован на IGBT-транзисторах VT1, VT2, фазных дросселях L1 и накопительных конденсаторах C1, C2 (на рисунке условно изображена одна фаза выпрямителя). Транзисторы шунтированы обратными диодами VD1, VD2. Такие преобразователи находят применение как в системах бесперебойного питания [2], так и современных электроприводах переменного тока [4].

Рис.2 Система ДПЭ с ШИМ - выпрямителем
Функциональным назначением ШИМ - выпрямителя является:
обеспечение высокого значения входного коэффициента мощности (0.99) в широком диапазоне изменения нагрузки, т.е. выполнение функции ККМ;
регулирование напряжения постоянного тока на шинах питания инвертора;
управление входной мощностью за счет возможности ограничения входного тока;
обеспечение двунаправленной передачи энергии - рекуперации энергии, что улучшает энергетические и динамические свойства преобразователя.
Метод управления ШИМ - выпрямителем сводится к раздельному управлению входным током и выходным напряжением. Эти функции реализуются за счет синусоидального закона ШИМ управления транзисторами преобразователя с частотой коммутации 7,5 - 15 кГц, обеспечивая практически синусоидальную форму входного тока, совпадающую по фазе с входным напряжением.
Уравнитель напряжений (УН) на шинах постоянного тока питания инвертора выполнен на двух IGBT - транзисторах VT3, VT4 и индуктивности L2, подключенной к средней точке накопительных емкостей C1, C2. Он представляет собой устройство, обеспечивающее балансировку дифференциального напряжения постоянного тока. Симметрирование напряжения шин постоянного тока питания инвертора необходимо для исключения постоянной составляющей напряжения питания инвертора. Кроме того, уравнитель уменьшает пульсации тока в накопительных конденсаторах.
Трехфазный ШИМ - инвертор аналогичен мостовому инвертору в структуре с бустером и имеет на выходе LC -фильтр, выделяющий основную гармонику 50 Гц выходного напряжения инвертора.
К недостаткам преобразователей с ШИМ - выпрямителем можно отнести:
большое количество силовых IGBT-транзисторов и возможность возникновение на закрытых транзисторах значительных импульсных перенапряжений;
сложная схема управления транзисторами ШИМ - выпрямителя, требующая информации не только о величине токов и напряжений, но и их фазовом сдвиге.
наличие электролитических конденсаторов большой емкости и высоким рабочим напряжением.
Анализ ШИМ - выпрямителей нашел отражение в ряде работ [11-14], однако методы его расчета и выбор оптимального алгоритма управления транзисторами требуют дальнейшего исследования.
Активные фильтры гармоник
Активные фильтры гармоник (АФГ) предназначены для обеспечения синусоидальной формы тока, потребляемого от первичного источника при нелинейной нагрузке [3, 7]. Таковой нагрузкой может быть преобразователь с неуправляемым или управляемым выпрямителем. АФГ анализирует гармонический состав тока на входе преобразователя и генерирует в точке его подключения высшие гармоники тока в противофазе с высшими гармониками входного тока преобразователя. В результате высшие гармоники компенсируются (нейтрализуются) и ток в общей цепи (потребляемый от источника) сохраняет синусоидальную форму (рис.3). Конфигурация силовой цепи АФГ подобна ШИМ - выпрямителю, однако алгоритм его управления отличен. Это определяется необходимостью генерирования только высокочастотных составляющих тока для компенсации реактивной мощности и мощности искажения тока в нелинейной цепи.

Рис.3 Структурная схема системы ДПЭ с АФГБ.
На рисунке 4 приведена схема силового каскада одного плеча трехфазного АФГ, имеющая подключение средней точки емкостной цепи С2, С3 к нейтральному проводу источника. Такая структура позволяет компенсировать высшие гармоники тока при несимметричной трехфазной системе. Управление IGBT - транзисторами осуществляется по определенному алгоритму в результате мониторинга токов нагрузки и цепи компенсации. Анализ токов происходит с дискретностью 256 измерений за период основной гармоники [10]. Вычисления производятся DSP - контроллером в течение каждого периода и затем сформированный сигнал коррекции воздействует на систему управления ШИМ транзисторов инвертора. Таким образом, процесс управления происходит с задержкой на один период основной частоты, что может создавать проблемы при динамических режимах.

Рис.4 Силовая цепь одного плеча АФГ
1. Блок распознавания высших гармоник,
2. Блок формирования сигналов управления,
3. Драйвер IGBT -транзисторов.
Особенностью АФГ является то, что от него не требуется выдавать активную мощность для компенсации высших гармоник. Значения емкости цепи постоянного тока и индуктивности входного фильтра выбираются исходя из существующих реактивной мощности и мощности искажения высших гармоник, которые должны быть скомпенсированы. Входной фильтр АФГ содержит относительно большую индуктивность L1 для преобразования напряжения на выходе инвертора в токовую последовательность компенсации высших гармоник. Емкость С1 и индуктивность L2 предназначены для сглаживания пульсаций на высоких частотах. Желаемая форма тока получается за счет определенного закона управления IGBT - транзисторами инвертора. Чем выше порядок компенсируемой гармоники тока, тем выше должно быть значение. Чем выше значение индуктивности L1, тем лучше изоляция от первичного источника силовой цепи АФГ и лучше защита от переходных возмущений, но тем труднее обеспечить высокие значения . Таким образом, индуктивность входного фильтра ограничивает возможности АФГ компенсировать гармоники высшего порядка.
АФГ является адаптивным устройством подавления высших гармоник, получивший также название активного кондиционера гармоник [33].
Вопросам стратегии управления, топологии АФГ, выбора токового диапазона, частоты переключения силовых транзисторов и т.д. посвящено значительное количество публикаций [7, 10, 29, 33-39]. Тем не менее, не исследовано влияние величины индуктивностей входного фильтра и емкости в Будем различать гибридные системы по месту подключения АФГ:
на входе системы для решения проблемы ЭМС с сетью и повышения входного коэффициента мощности системы;
на выходе системы для решения вопроса ЭМС с нагрузкой и повышения выходного коэффициента мощности системы.
силовой структуре АФГ на статические и динамические характеристики системы. Остаются не решенными вопросы оптимального алгоритма управления силовыми транзисторами АФГ и т.д.
Гибридные структуры преобразователей
Появление гибридных структур преобразователей переменного тока обусловлено рядом причин. Первая причина - решение проблемы ЭМС по отношению к первичным источникам энергии при использовании преобразователей с неуправляемыми выпрямителями. Вторая причина - увеличение входного коэффициента мощности системы с двойным преобразованием энергии. Третья причина - обеспечение ЭМС преобразователя по отношению нагрузки при использовании низкочастотного коммутатора (НЧК) - трехфазного инвертора, работающего с 120-градусной коммутацией.
Гибридные структуры основаны на параллельной работе системы ДПЭ и АФГ.
В первом случае решается задача обеспечения синусоидальной формы тока, потребляемого от первичного источника. Такие гибридные структуры преобразователей можно разделить на два класса:
с независимым (автономным) АФГ, описанным выше в разделе <Активные фильтры гармоник> [3];
с зависимым (встраиваемым) АФГ, используемым в последнее время в источниках бесперебойного питания с бустером [41].
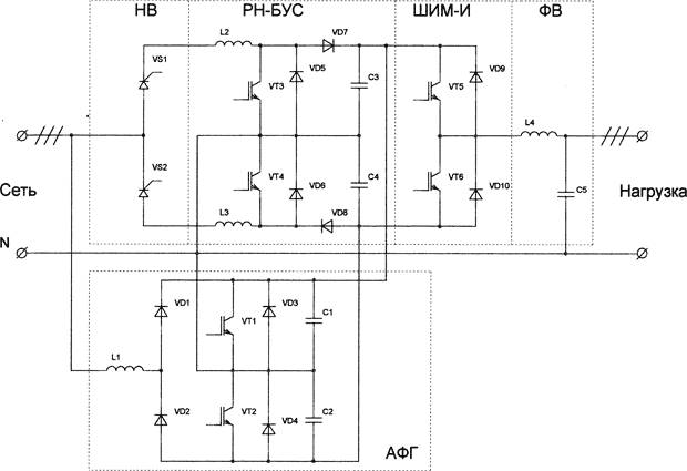
На рисунке 5 приведена схема гибридного преобразователя с зависимым АФГ. Такая структура отличается от системы ДПЭ с бустером (рис.1) тем, что параллельно входу выпрямителя VS1, VS2 подключены однофазные преобразователи АФГ, выполняющие функции однофазного ККМ в каждой фазе трехфазной системы ДПЭ (на рисунке условно изображена одна фаза АФГ и выпрямителя). Однофазный каскад АФГ выполнен по дифференциальной схеме на диодах VD1, VD2, транзисторах VT1, VT2 и емкостях С1, С2. Особенностью такой системы является наличие гальванической связи емкостей АФГ со звеном постоянного тока ИБП и необходимость информационного обмена между системой управления АФГ и системой управления бустером. Источники бесперебойного питания, построенные по такой структуре, обладают высоким значением входного коэффициента мощности и менее 4% искажения синусоидальной формы входного тока преобразователя [41]. 
Рис.5 Гибридная структура преобразователя с входным АФГ
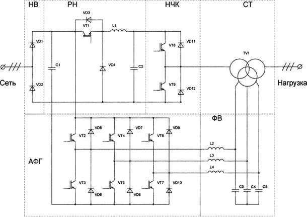
Гибридные структуры с АФГ, подключенным на выходе преобразователя, могут быть рекомендованы для электроприводов переменного тока (рис.6) [32]. В этом случае в качестве основного силового инвертора используется НЧК с малыми потерями на переключение транзисторов VT11, VT12 (120-градусная коммутация на основной частоте выходного напряжения), генерирующий основную активную мощность в двигатель. Подключение параллельно выходу НЧК инвертора АФГ на транзисторах VT2 - VT7 меньшей мощности позволяет обеспечить синусоидальный ток двигателя. При этом решаются следующие задачи:
повышается выходной коэффициент мощности системы;
снижаются потери в длинном кабеле токоподвода к двигателю;
исключается возможность резонансных явлений на частоте высших гармоник;
снижается пульсация механического момента на валу двигателя;
расширяется мощностной диапазон преобразователя. 
Рис.6 Гибридная структура преобразователя с выходным АФГ
ШИМ - инвертор в составе АФГ обеспечивает незначительную часть активной мощности, создавая, в основном, реактивную мощность и мощность искажения для компенсации высших гармоник от НЧК. Выходной силовой трансформатор СТ в гибридной системе обеспечивает гальваническую развязку между выходами НЧК и ШИМ - инвертора, а также является повышающим для питания двигателя при длинном кабеле токоподвода. Выходной фильтр ФВ (L2-L4, C3-C5) АФГ предназначен для сглаживания высокочастотных пульсаций в нагрузке.
На рисунке 7 приведены кривые токов на выходе системы, поясняющие принцип формирования синусоидального тока нагрузки. 
Рис.7 Временные диаграммы токов гибридного преобразователя
Гибридные структуры преобразователей рассмотрены в работах [30-35]. Если структуры с АФГ на входе системы нашли широкое применение на практике, то гибридные структуры с АФГ на выходе системы требуют дальнейших исследований и внедрения.
Матричная структура преобразователя
Матричная структура обеспечивает преобразование параметров источника переменного тока (амплитуды и частоты) в напряжение, необходимое для питания нагрузки, без накопления энергии в промежуточном звене постоянного тока [17]. Такие преобразователи относятся к системам прямой передачи энергии (ППЭ). Отсутствие больших конденсаторов звена постоянного тока, занимающих от 30 до 50% объема инвертора, позволяют создавать малогабаритные преобразователи. Более того, они могут работать в более широком диапазоне температур и иметь более долгий срок службы, так как отсутствуют электролитические конденсаторы, уязвимые при высоких температурах [19]. 
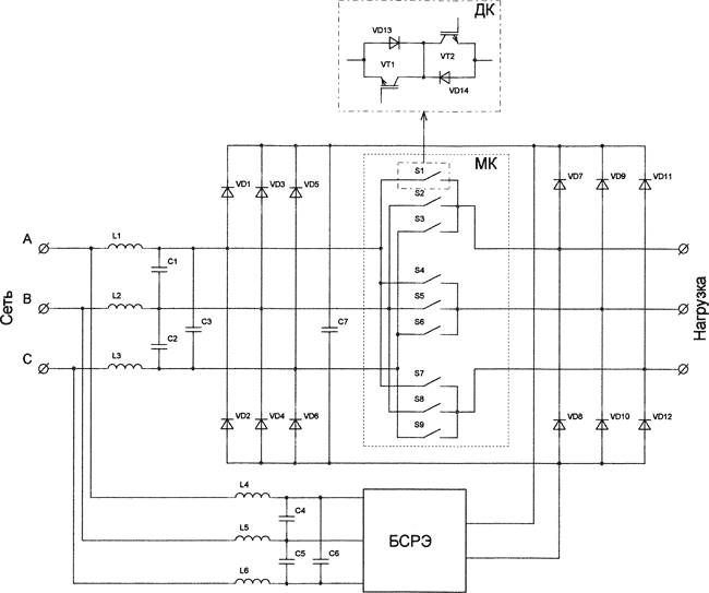
Рис.8 Матричная структура преобразователя.
ДК - двунаправленный ключ,
МК - матричный коммутатор,
БСРЭ - блок сброса или рекуперации энергии.
Можно считать, что прототипом матричной структуры преобразователя являлись непосредственные преобразователи частоты НПЧ на тиристорах (получившие также название преобразователей частоты с непосредственной связью) [8]. Однако применение таких преобразователей ограничивалось условием повышенной на порядок частоты первичного источника энергии переменного тока по сравнению с частотой выходного напряжения.
Современный матричный преобразователь выполняется на 9-ти двунаправленных ключах, которые способны подключать любую из трех фаз входного напряжения к любой из трех фаз нагрузки (рис.9). Каждый двунаправленный ключ ДК представляет собой два встречно включенные IGBT - транзистора, зашунтированные диодами. В настоящее время разработаны модули, содержащие три ДК в одном корпусе, рассчитанные на напряжение 600 В и ток 300 А [9]. Алгоритм коммутации ключей основывается на стратегии формирования желаемого выходного напряжения из частей периодических функций трехфазного входного напряжения. Функции управления матричной структурой реализуются с помощью DSP -микроконтроллера и программируемой логической матрицы ПЛМ.
Следует отметить, что при нагрузке индуктивного характера коммутация ключей вызывает возникновение импульсных перенапряжений. Для снижения выбросов напряжения может быть использована демпфирующая схема, состоящая из трехфазных диодных мостов, подключенных к входу и выходу преобразователя, и общей емкости. Накапливаемая при коммутации ключей энергия в емкости сбрасывается в балластный резистор или рекуперируется в сеть с помощью специального блока сброса или рекуперации энергии (БСРЭ). Для контроля напряжения на демпфирующем конденсаторе предусмотрен блок выключения преобразователя, если напряжение превысит установленное значение. Этот блок также используется для контроля работы IGBT - транзисторов и их драйверов. Защита ключей по току реализуется на программном и аппаратном уровнях. Информация о загрузке ключей поступает с быстродействующих датчиков тока, установленных в каждой входной и выходной фазах преобразователя. Входной L-C фильтр обеспечивает ЭМС преобразователя с первичным источником питания.
Матричная структура преобразователя позволяет обеспечить как повышение, так и понижение частоты выходного напряжения по отношению к частоте первичного источника. Кроме этого применение матричной структуры повышает надежность системы. При отказе одной из фаз первичного источника алгоритм управления ДК может быть адаптирован к работе с оставшимися фазами входного напряжения, обеспечивая выходное напряжение более низкого качества, но достаточного для работы электропривода.
Вопросам проектирования отказоустойчивых систем на основе матричных структур преобразователей и их исследованию в настоящее время уделяется большое внимание [15-28].
Выводы
В результате проведенного анализа можно выделить следующие основные тенденции развития современных силовых преобразователей переменного тока.
Широкое применение АФГ и ШИМ - выпрямителей для улучшения входного коэффициента мощности в системах ДПЭ и решения проблем ЭМС с сетью.
Гибридные структуры с АФГ на выходе преобразователя позволят не только обеспечить ЭМС преобразователя с нагрузкой, но и повысить энергетические показатели электропривода переменного тока. Однако такие структуры остаются на сегодняшний день мало изученными.
Матричные преобразователи особо перспективны для построения высоконадежных электроприводов с синхронным двигателем на постоянных магнитах (СДПМ), которые характеризуются лучшими энергетическими и массогабаритными показателями по сравнению с другими двигателями переменного тока. Примечательно, что матричный преобразователь мощность 30 кВт уже нашел практическое применение в СДПМ приводе [9].
Литература
Климов В.П. Источники бесперебойного питания серии ДПК средней мощности, Электрическое питание, №2, 2006.
В.Климов, А.Москалев Трехфазные источники бесперебойного питания: схемотехника и технические характеристики, Электронные компоненты, №8, 2005.
Климов В.П., Москалев А.Д. Способы подавления гармоник в системах электропитания, Практическая силовая электроника, №6, 2003.
Разработка и производство силовой электроники, Каталог продукции и применений, Корпорация Триол, 2002.
В.Климов, С.Климова Энергетические показатели источников бесперебойного питания переменного тока, Электронные компоненты, №4, 2004.
Воробьев А.Ю. Влияние ИБП на систему электроснабжения, Вестник связи, №7, 2006.
Агунов А.В. Статический компенсатор неактивных составляющих мощности с полной компенсацией гармонических составляющих тока нагрузки, Электротехника, №2, 2003.
И.М.Чиженко, В.С.Руденко, В.И.Сенько Основы преобразовательной техники, М., Высшая школа, 1974.
Харковский нацыональный университет радиоелектроники
Министерство образования Украины
Кафедра БМЕ
Контрольная робота
По предмету: «СНЕл»
На тему: «Современные направления электроники »
| Выполнила: | Приняла: |
| Ст.гр. ФБЕз-06-2 | Федотов Д.А |
| Сарамедия Р.Р |
Харків 2011