| Скачать .docx |
Реферат: Исследование однофазного инвертора тока
Министерство образования и науки Российской Федерации
ТОМСКИЙ ГОСУДАРСТВЕННЫЙ УНИВЕРСИТЕТ СИСТЕМ
УПРАВЛЕНИЯ И РАДИОЭЛЕКТРОНИКИ (ТУСУР)
Кафедра промышленной электроники (ПрЭ)
ОТЧЕТ
по лабораторной работе
«ИССЛЕДОВАНИЕ ОДНОФАЗНОГО ИНВЕРТОРА ТОКА»
«ЭНЕРГЕТИЧЕСКАЯ ЭЛЕКТРОНИКА»
Выполнили
студенты группы 367-3
___________ / Абрамёнок Н.Б.
___________ / Кукла В.А./
Преподаватель
___________ / Мишуров В.С./
2011
Введение
Целью данной работы является изучение принципа работы однофазного автономного инвертора.
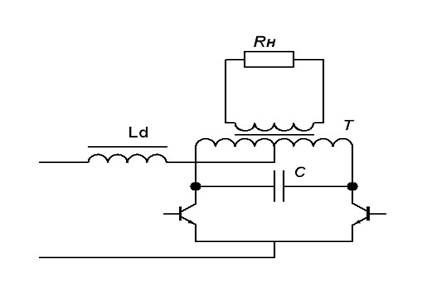
1. Схема экспериментальной установки.

Рисунок 1 – Схема автономного инвертора тока
2. Результаты работы и их анализ.
2.1. Рассчитать амплитуду тока, протекающего через тиристор при Ud =29 В, Rн =300 Ом, U н эфф =125 В, ηт = 0,94, ХLн = 0.
Из формулы:
ηm=Uн эфф2Ud∙Id∙Rн
выразим Id и подставим данные:
Id=Uн эфф2Ud∙ηm∙Rн=125229∙0,94∙300=1,9 А
2.2 Рассчитать минимальный угол опережения β, если время включения тиристора равно tв = 100 мкс.
Время, предоставляемое для восстановления его запирающих свойств тиристора:
θmin=360∙f∙tв
Угол опережения можно найти из выражения:
β=θmin=360∙f∙tв
Тогда для трех значений частоты которые использовались в работе 500 Гц, 995 Гц и 2,5 кГц, найдем значение β:
β1=360*500*10-4=18 град
β2=360*995*10-4=35,82 град
β3=360*2500*10-4=90 град
2.3 Снять и построить внешнюю характеристику Uн =f (Iн ) для разных значений частоты.
Таблица 1. Точки выходной характеристики при частоте 500 Гц
| Uн, В | 10 | 9 | 8 | 7 | 6 | 5 | 4 | 3 | 2 | 1 | 0,2 |
| Iн, A | 0,26 | 0,3 | 0,35 | 0,39 | 0,435 | 0,485 | 0,54 | 0,61 | 0,68 | 0,72 | 0,77 |

Рисунок 1 – Внешняя характеристика Uн =f (Iн ) при частоте 500 Гц
Таблица 2. Точки выходной характеристик при частоте 995 Гц
| Uн, В | Iн, A |
| 10,5 | 0,24 |
| 10 | 0,26 |
| 9,5 | 0,27 |
| 9 | 0,29 |
| 8,5 | 0,305 |
| 8 | 0,325 |
| 7,5 | 0,34 |
| 7 | 0,36 |
| 6,5 | 0,38 |
| 6 | 0,405 |
| 5,5 | 0,42 |
| 5 | 0,445 |
| 4,5 | 0,47 |
| 4 | 0,49 |
| 3,5 | 0,51 |
| 3 | 0,535 |
| 2,5 | 0,56 |
| 2 | 0,58 |
| 1,5 | 0,64 |
| 1 | 0,675 |
| 0,2 | 0,72 |

Рисунок 2 – Внешняя характеристика Uн =f (Iн ) при частоте 995 Гц
Таблица 3. Точки внешней характеристики при частоте 2,5 кГц
| Uн, В | Iн, A |
| 12,4 | 0,2 |
| 11,5 | 0,21 |
| 11 | 0,21 |
| 10,5 | 0,22 |
| 10 | 0,22 |
| 9,5 | 0,23 |
| 9 | 0,235 |
| 8,5 | 0,24 |
| 8 | 0,26 |
| 7,5 | 0,265 |
| 7 | 0,28 |
| 6,5 | 0,29 |
| 6 | 0,3 |
| 5,5 | 0,32 |
| 5 | 0,34 |
| 4,5 | 0,36 |
| 4 | 0,38 |
| 3,5 | 0,4 |
| 3 | 0,43 |
| 2,5 | 0,45 |
| 2 | 0,48 |
| 1,5 | 0,51 |
| 0,2 | 0,57 |

Рисунок 3 - Внешняя характеристика Uн =f (Iн ) при частоте 2,5 кГц
2.4 Снять и построить переходную характеристику Id =f (Iн ) для разных значений частоты.
Таблица 4. Точки переходной характеристики при частоте 500 Гц
| Iвх, А | Iн, А |
| 1,42 | 0,78 |
| 1,32 | 0,72 |
| 1,25 | 0,68 |
| 1,18 | 0,64 |
| 1,14 | 0,61 |
| 1,075 | 0,58 |
| 1,02 | 0,55 |
| 0,96 | 0,52 |
| 0,91 | 0,49 |
| 0,86 | 0,46 |
| 0,83 | 0,44 |
| 0,78 | 0,42 |
| 0,74 | 0,39 |
| 0,69 | 0,37 |
| 0,64 | 0,34 |
| 0,6 | 0,32 |
| 0,56 | 0,3 |
| 0,52 | 0,27 |
| 0,49 | 0,25 |

Рисунок 4 – Переходная характеристика Id =f (Iн ) при 500 Гц
Таблица 5. Точки переходной характеристики при частоте 2,5 кГц
| Iвх, А | Iн, А |
| 0,81 | 0,19 |
| 0,8 | 0,2 |
| 0,77 | 0,2 |
| 0,76 | 0,21 |
| 0,75 | 0,21 |
| 0,74 | 0,22 |
| 0,72 | 0,22 |
| 0,72 | 0,23 |
| 0,73 | 0,25 |
| 0,735 | 0,26 |
| 0,75 | 0,27 |
| 0,76 | 0,28 |
| 0,78 | 0,3 |
| 0,81 | 0,31 |
| 0,84 | 0,33 |
| 0,86 | 0,35 |
| 0,9 | 0,36 |
| 0,91 | 0,37 |
| 0,96 | 0,39 |
| 1,02 | 0,42 |
| 1,08 | 0,45 |
| 1,14 | 0,48 |
| 1,2 | 0,5 |
| 1,3 | 0,55 |

Рисунок 5 – Переходная характеристика Id =f (Iн ) при 2,5 кГц
2.5 Снять и построить характеристику UвхUн=f(B) для разных значений частоты.
Таблица 6. Значения эксперимента при частоте 2500 Гц
| Uвх, В | Uн, В | Uвх/Uн | w, рад/с | C, Ф | R, Ом | B |
| 4,6 | 1 | 4,60 | 15700 | 4,70E-05 | 57,89 | 0,023 |
| 4,75 | 1,5 | 3,17 | 15700 | 4,70E-05 | 53,78 | 0,025 |
| 4,85 | 2 | 2,43 | 15700 | 4,70E-05 | 49,67 | 0,027 |
| 4,9 | 2,6 | 1,88 | 15700 | 4,70E-05 | 45,56 | 0,030 |
| 5,2 | 3,4 | 1,53 | 15700 | 4,70E-05 | 41,45 | 0,033 |
| 5,4 | 4,6 | 1,17 | 15700 | 4,70E-05 | 37,34 | 0,036 |
| 5,5 | 5,4 | 1,02 | 15700 | 4,70E-05 | 33,23 | 0,041 |
| 5,6 | 6,4 | 0,88 | 15700 | 4,70E-05 | 29,12 | 0,047 |
| 5,6 | 7,5 | 0,75 | 15700 | 4,70E-05 | 25,01 | 0,054 |
| 5,6 | 8,5 | 0,66 | 15700 | 4,70E-05 | 20,9 | 0,065 |
| 5,6 | 9,5 | 0,59 | 15700 | 4,70E-05 | 16,79 | 0,081 |
| 5,5 | 10 | 0,55 | 15700 | 4,70E-05 | 12,68 | 0,107 |
| 5,6 | 10,7 | 0,52 | 15700 | 4,70E-05 | 8,57 | 0,158 |
| 5,5 | 11,5 | 0,48 | 15700 | 4,70E-05 | 4,46 | 0,304 |

Рисунок 6 – Внешняя характеристика UвхUн=f(B) при частоте 2500 Гц
Таблица 7. Значения эксперимента при частоте 500 Гц
| Uвх, В | Uн, В | Uвх/Uн | w, рад/с | C, Ф | R, Ом | B |
| 6,2 | 8,6 | 0,72 | 15700 | 4,70E-05 | 4,20 | 0,322 |
| 6,1 | 8,1 | 0,75 | 15700 | 4,70E-05 | 8,06 | 0,168 |
| 5,9 | 7,5 | 0,79 | 15700 | 4,70E-05 | 11,91 | 0,114 |
| 5,8 | 7 | 0,83 | 15700 | 4,70E-05 | 15,76 | 0,086 |
| 5,75 | 6,4 | 0,90 | 15700 | 4,70E-05 | 19,62 | 0,069 |
| 5,6 | 6 | 0,93 | 15700 | 4,70E-05 | 23,47 | 0,058 |
| 5,55 | 5,45 | 1,02 | 15700 | 4,70E-05 | 27,32 | 0,050 |
| 5,4 | 4,95 | 1,09 | 15700 | 4,70E-05 | 31,18 | 0,043 |
| 5,3 | 4,45 | 1,19 | 15700 | 4,70E-05 | 35,03 | 0,039 |
| 5,2 | 3,9 | 1,33 | 15700 | 4,70E-05 | 38,88 | 0,035 |
| 5,05 | 3,45 | 1,46 | 15700 | 4,70E-05 | 42,73 | 0,032 |
| 4,9 | 3 | 1,63 | 15700 | 4,70E-05 | 46,59 | 0,029 |
| 4,8 | 2,45 | 1,96 | 15700 | 4,70E-05 | 50,44 | 0,027 |
| 4,7 | 1,95 | 2,41 | 15700 | 4,70E-05 | 54,29 | 0,025 |
| 4,4 | 1 | 4,40 | 15700 | 4,70E-05 | 58,15 | 0,023 |

Рисунок 6 – Внешняя характеристика UвхUн=f(B) при частоте 500 Гц
2.6 Зарисовать осциллограммы токов и напряжений для различных значений частоты и коммутирующей емкости.

Рисунок 8 – Осциллограммы U1 при частоте 500 Гц

Рисунок 9 – Осциллограммы U1 при частоте 2500 Гц

Рисунок 10 – Осциллограммы Uн при частоте 500 Гц

Рисунок 11 – Осциллограммы Uн при частоте 2500 Гц

Рисунок 12 – Осциллограммы Iн при частоте 500 Гц

Рисунок 13 – Осциллограммы Iн при частоте 2500 Гц

Рисунок 14 – Осциллограммы Ivt при частоте 500 Гц

Рисунок 15 – Осциллограммы Ivt при частоте 2500 Гц
2.7 По снятым осциллограммам определить угол опережения для различных значений частоты и коммутирующей емкости.
Для частоты 2500 Гц угол опережения β=27 град
Для частоты 500 Гц угол опережения β= град
3 Ответы на контрольные вопросы
3 .1 Поясните принцип работы автономного инвертора тока.
Кривая выходного напряжения Uн = Uc формируется путем периодического перезаряда конденсатора С в цепи с источником питания Е и дросселем Ld при поочередном отпирании тиристоров. С помощью напряжения на конденсаторе осуществляется запирание одного тиристора при отпирании другого.
3 .2 Поясните ход внешней характеристики автономного инвертора тока.
При возрастании В, т.е. увеличении Iн уменьшается время разряда конденсатора на нагрузку, снижается напряжение на нагрузке и уменьшается угол опережения.
3 .3 Чем объясняется подъем характеристики Id=f(Iн) при малых значениях тока нагрузки?
Подъем кривой входного тока при малых значениях тока нагрузки характеризует режим, при котором энергия, накопленная в конденсаторе, больше энергии, потребляемой в активном сопротивлении нагрузки. Следовательно, для перезаряда конденсатора потребуется дополнительная энергия.
3 .4 Назначение обратного выпрямителя в схеме автономного инвертора тока.
АИТ имеют сильную зависимость выходного напряжения от параметров нагрузки (реактивной мощности конденсатора, а также активной и реактивной составляющих мощности нагрузки), поэтому не обходимо принимать меры по управлению и стабилизации выходного напряжения.
3 .5 Чем определяется минимальное значение угла θ?
Минимальное значение угла θ определяется временем запирания тиристора.
3 .6 Почему параллельный инвертор тока нормально работает только в определенном диапазоне коэффициента нагрузки В?
Так как при малых значениях В возникает опасность появления перенапряжений, при больших значениях В угол опережения становится недостаточным и происходит срыв инвертирования.
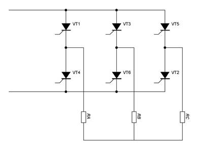
3 .7 Приведите пример транзисторного варианта инвертора тока.

3 .8 Назовите обязательные условия формирования управляющих сигналов для транзисторного инвертора тока.
Необходимо чтобы транзистор работал в режиме ключа.
3 .9 Приведите пример реализации трехфазного тиристорного инвертора тока. Поясните алгоритм работы тиристоров.


3 .10 Какие особенности вносит в работу автономного инвертора тока обратный управляемый выпрямитель по сравнению с неуправляемым выпрямителем?
Неуправляемый выпрямитель потребляет от источника переменного тока активную мощность, а управляемый выпрямитель как активную, так и реактивную.
3 .11 В чем заключается преимущество АИТ с индуктивно-тиристорным компенсатором перед АИТ с обратным выпрямителем?
Преимущество индуктивно-тиристорных компенсаторов перед обратными выпрямителями в автономных инверторах тока заключается в том, что они практически не потребляют активной мощности.