| Скачать .docx |
Реферат: Источники вторичного электропитания
Министерство общего и профессионального образования
Российской Федерации
Уральский государственный технический университет
Уральский политехнический институт
Кафедра Электротехники и Электротехнологических систем
Оценка проекта
Члены комиссии
Курсовой проект
ИСТОЧНИК ВТОРИЧНОГО
ЭЛЕКТРОПИТАНИЯ
Пояснительная записка
140610.36042.4.ПЗ
Руководитель
Студент гр. Э-36042 .
Екатеринбург
2009
Содержание
· Обоснование выбора схемы и элементов силового выпрямителя и цепей защиты его от перегрузок
· Расчет силовых цепей сетевого выпрямителя и фильтра
· Обоснование выбора схемы и элементов силовых цепей высокочастотного инвертора
· Расчет силовых цепей высокочастотным инвертором
· Описание работы устройства по принципиальной схеме с описанием работы устройств защиты от перегрузок и нештатных режимов работы
· Спецификация
· Принципиальная схема
· Библиографический список
Задание на курсовую работу:
Первичное напряжение (В) 115±10% переменного
тока
f=400Гц
Вторичное напряжение (В) не более 72В на х.х.
Вторичные тока (А) 60±7 при 20В на вых.
120±10 при к.з. выхода
Число выходных каналов 1
Управление дистанционное
Конструктивное исполнение Субблок с принудительным
Воздушным охлаждением
1. Обоснование выбора схемы и элементов силового выпрямителя и цепей защиты его от перегрузок.
Источники электропитания с трансформатором на входе имеют ряд недостатков: низкий КПД системы, большие габариты, массу и др.
Для устранения этих недостатков используется бестрансформаторный источник питания

Функциональная схема бестрансформаторного источника питания:
UZ1 – выпрямитель
Z1 – фильтр
UZ2 – высокочастотный инвертор
T1 – высокочастотный трансформатор
UZ3 – высокочастотный выпрямитель
Z2 – высокочастотный фильтр
При однофазном питании обычно применяют мостовую схему (Греца):

Однофазная мостовая схема выпрямителя (схема Греца) и её основные параметры:

2. Расчет силовых цепей сетевого выпрямителя и фильтра
а) Потребляемая мощность устройства

- потребляемая мощность устройства
- выходная мощность устройства
- КПД устройства
Принимаем КПД всего устройства ![]()

Коэффициент пульсации выпрямителя получается выше требуемого для нормальной работы высокочастотного инвертора, который в зависимости от глубины регулирования выходного напряжения инвертора лежит в пределах от 0.1 до 0.4.
Поэтому на выходе выпрямителя требуется установка сглаживающего фильтра для получения требуемого коэффициента пульсации, который можно принять равным
![]()
При любом типе фильтра в номинальном режиме напряжение на выходе фильтра изменяется с частотой пульсации
в пределах от
до ![]()

Если пренебречь падением напряжения на открытых диодах и элементах фильтра, то можно считать, что
(амплитудному значению напряжения питающей сети).
При минимально возможном входном напряжении уровень напряжения на выходе выпрямителя будет минимальным, а ток – максимальным, и ,наоборот, при максимально возможном напряжении, напряжение на выходе будет максимальным, а ток минимальным, что следует из условия постоянства мощности
на выходе выпрямителя.
- номинальное среднее значение выпрямленного напряжения и тока.

При 
При
Максимальный ток на выходе сетевого выпрямителя при минимальном заданном сетевом напряжении:

Выбор диодов производится по среднему и импульсному току, максимально допустимому обратному напряжению и максимальной рабочей частоте.
Предельные электрические режимы диодов характеризуют следующие параметры:
а) Максимальное обратное напряжение
![]()
б) Максимальный прямой ток, соответствующий ![]()
![]()
в)Максимальный прямой импульсный ток, соответствующий амплитудному значению ![]()
![]()
г) Максимальная рабочая частота диодов
.
Для надежной работы диодов в выпрямителях требуется выполнение условий:
с превышением в 30%
Для мостовой схемы:

Для выпрямителя выбираем 4 диода типа Д231 с параметрами: ![]()
Д231 – диод кремниевый диффузионный, предназначен для преобразования переменного напряжения ![]()
Сглаживающий фильтр источника питания .
Сглаживающий фильтр источника питания характеризуется коэффициентом сглаживания, характеризующим подавление первой (низшей) гармоники выпрямленного напряжения.

С-фильтр
Выбираем С-фильтр. Напряжение на входе выпрямителя с фильтром изменяется в пределах от
до ![]()
Выходное напряжение выпрямителя с фильтром зависит от тока нагрузки и сопротивления фильтра. При С-фильтре импульсный ток диода может в десятки раз превышать средний ток. Мы этим пренебрегаем, для чего вводим коэффициенты запаса по
и току по диоду выпрямителя, равные 1.3.
Для С-фильтра емкость конденсатора:
, где ![]()

![]()
Выбираем К5029 – конденсатор алюминиевый оксидноэлектролитический .


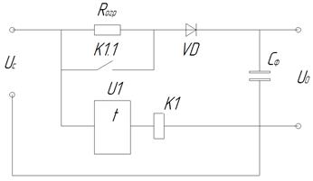
Для предотвращения выхода из строя выпрямителя при аварийных ситуациях и перегрузках при включении выпрямителя с емкостным фильтром применяются специальные схемы плавного заряда конденсаторов фильтра:

Рис. 4.2. Схема ограничения тока заряда конденсатора
При исчезновении питания реле К1 отпускает, контакты К1.1 размыкаются, а при включении питания реле срабатывает с задержкой, определяемой схемой реле времени U1. Ток заряда конденсаторов фильтра ограничивается сопротивлением
на уровне, допустимом для диода VD1.
Затем контакты К1.1 замыкаются и выпрямитель работает в обычном режиме. С помощью реле времени U1 и сопротивления Rогр ограничивается начальный бросок тока заряда конденсаторов фильтра

3. Обоснование выбора схемы и элементов силовых цепей высокочастотного инвертора.
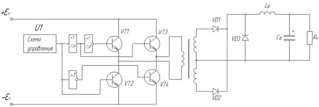
По рис. 5.1, зная выходную мощность Рвых=1200Вт и минимальное напряжение питания
, выбираем ДПН (двухконтактный преобразователь напряжения), мостовая схема. Принимаем частоту преобразования ![]()

Рис. 5.1. К выбору схемы преобразователя напряжения.

Рис. 6 Мостовая схема ДПН.
В ДПН мощность потерь при равных условиях выше, чем в однотактных, больше схемных элементов, выше массогабаритные и стоимостные показатели. Мостовая схема ДПН характеризуется минимальным напряжением на запертом транзисторе ( Urл1 не превышает Еп).
4. Расчет силовых цепей высокочастотного инвертора.
Выходное напряжение в режиме НТ (непрерывного тока)
![]()
- напряжение нагрузки
![]()
n – коэффициент трансформации
- относительная длительность импульса тока одного ключа
(в ДПН принимается <0.5, т.к. период выходного напряжения складывается из работы одного, а затем другого ключа)
Примем ![]()
![]()
![]()
Режим НТ устанавливается при эквивалентной индуктивности вторичной обмотки трансформатора, сложенной с индуктивностью выходного фильтра.

Приняв индуктивность выходного трансформатора равной нулю, вычислили индуктивность дросселя фильтра, для которой гарантированно устанавливается режим НТ.

![]()
ПТ - режим прерывистого тока.
Выходное напряжение:
![]()

Амплитуда коллекторного тока
Режим НТ:

Режим ПТ:

После выбора схемы преобразования и определения токов, протекающих в ключах, приступаем к выбору типа транзисторов и схемы их включения.
Выбираем схему ключей с управлением от двухтактного ключа:

Рис. 7 Схемы ключей с активным рассасыванием зарядов
с управлением от двухтактного ключа
При токе
увеличивается примерно в 3 раза.
Транзистор в ключе включаем параллельно. Для ключей используем 8 транзисторов (по два в каждом ключе) типа КТ834А с параметрами:

Коэффициент полезного действия транзисторного ключа:

Где
- коэффициент насыщения; ![]()

5. Описание работы устройства по принципиальной схеме с описанием работы устройств защиты от перегрузок и нештатных режимов работы.
Схему ЭТУ можно разделить на две основные части: силовую и управляющую. В задачи первой входит получение требуемых величин напряжения, тока, мощности, частоты и т.д., а задачей второй части (управляющей) является преобразование различных физических величин с электрические сигналы, получение требуемых законов управления, обеспечение гальванической развязки и т.д.
Схема управления высокочастотным инвертором должна обеспечивать изменение выходного напряжения по заданному закону, либо поддерживать его постоянным независимо от изменения тока нагрузки. У источников питания с бестрансформаторным входом и относительно высоким напряжением питания инвертора дополнительно должно обеспечиваться исключение протекания сквозных токов через транзисторы двухтактного инвертора в переходных и установившихся режимах и отсутствия подмагничивания сердечника трансформатора, для чего схема управления должна обеспечивать времени закрывания силовых транзисторов и симметрирование длительностей импульсов в смежные полупериоды.
Для управления использована широтно-импульсная модуляция (ШИМ). Задачей ШИМ является преобразование заданного управляющего сигнала в непрерывную последовательность импульсов фиксированной частоты, характеризуемую длительностью импульса
и длительностью пауз
при постоянном периоде их следования, задаваемом внешним или внутренним генератором. Т.к. частота преобразования ДПН ![]()
![]()
Входным параметром ШИМ является сигнал управления, а выходным – величина, обратная скважности импульсов: относительная длительность импульсов: ![]()
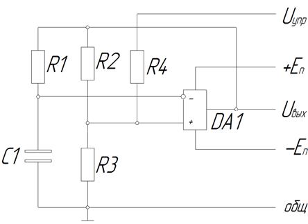
В качестве компаратора можно применить любой операционный усилитель или интегральный компаратор напряжения. Возьмем К554СА3.
Микросхема представляет собой компаратор напряжения. Благодаря малым входным токам и большому коэффициенту усиления могут подключаться к высокоомным датчикам, использоваться в прецизионных преобразователях сигналов, генераторах импульсов. Предусмотрена совместная возможность работы с ТТЛ-схемами.

Рис.8 Схема ШИМ на автоколебательном мультивибраторе с интегральным компаратором.
Период колебаний при равенстве R2 и R3 равен ![]()
Примем ![]()

Сигнал с шунта усиливает операционный усилитель типа К1401УД12. В схеме использованы триггер К155ТМ2 и ТТЛ К555ЛА7. Питание микросхем
от стабилизированных источников питания типа К142ЕН5А на 5В, К142ЕН8 на 15В.
Описание работы устройств по принципиальной схеме.
подается на выпрямитель (однофазная мостовая схема). Выпрямитель преобразует напряжение переменного тока в однополярное пульсирующее напряжение с коэффициентом пульсации
. Используем С-фильтр, который уменьшает коэффициент пульсации до
. Для предотвращения выхода из строя выпрямителя с емкостным фильтром используется схема ограничения тока заряда конденсатора (рис. 5). Для получения требуемых выходных напряжений используем ДПН (двухтактный преобразователь напряжения). Он преобразует напряжение постоянного тока в переменное высокой частоты. Выбираем мостовую схему ДПН. Амплитуда импульса тока
при одинаковых напряжениях питания и выходной мощности у ДПН меньше, чем у однотактных преобразователей.
Мостовая схема ДПН характеризуется минимальным напряжением на запертом транзисторе (
не превышает
)
Если длительность интервала, в течение которого ток в
спадает до нуля меньше
, то такой режим работы ДПН называется режимом прерывистых токов (ПТ). В противном случае имеет место режим непрерывных токов (НТ). Ток через
за время
уменьшается. Конструктивное исполнение – Субблок с принудительным воздушным охлаждением. Субблок – комплекс функциональных узлов. Для охлаждения источника питания используется однофазный вентиляторный двигатель ДВО.1.400

SB1, SB2 – кнопки дистанционного управления (старт, стоп)
Библиографический список
1. Удинцев В.Н., Проскуряков В.С. Источники вторичного электропитания. Издательство УГТУ, 1998. 56с.
2. Сергеев Б.С. Сглаживающие фильтры однотактного преобразователя / Радиотехника. 1989. №3. С. 86-89.
3. Левинзон В.С. Защита в источниках электропитания РЭА. М.: Радио и связь, 1990. 144 с.
4. Гудиноф Ф. Интегральные схемы управления импульсными источниками питания: Пер. с англ. // Электроника. 1989. № 23.
5. Ногин В.Н. Аналоговые электронные устройства: Учебное пособие для вузов. М.: Радио и связь, 1992. 304 с.: ил.
6. Букреев С.С. Силовые электронные устройства. М.: Радио и связь, 1987. 256 с.