| Скачать .docx |
Курсовая работа: Сигналы и процессы в радиотехнике СиПРТ
Министерство образования и науки Украины
Севастопольский национальный технический университет
КУРСОВАЯ РАБОТА
по дисциплине
«Сигналы и процессы в радиотехнике»
Выполнил студент: Гармаш М. А.
Группа: Р-33 д
Номер зачётной книжки: 212467
Допущен к защите
Защищен с оценкой
Руководитель работы
__________________
Агафонцева О. И.
__________________ « »__________ 2003 г. « »________ 2003 г.
Севастополь
2003
Содержание
1 ЗАДАНИЕ
2 ЗАДАНИЕ
3 ЗАДАНИЕ
4 ЗАДАНИЕ
5 ЗАДАНИЕ
6 ЗАДАНИЕ
7 ЗАДАНИЕ
ПЕРЕЧЕНЬ ССЫЛОК
Задание 1
Условие:
На безынерционный нелинейный элемент, ВАХ которого аппроксимирована кусочно - ломаной линией с крутизной линейного участка
и напряжением отсечки
подано напряжение
.
Требуется:
1. Составить уравнение ВАХ нелинейного элемента.
2. Рассчитать и построить спектр выходного тока вплоть до десятой гармоники. Построить временные диаграммы входного напряжения, тока, протекающего через элемент и его первых четырёх гармоник.
3. Определить углы отсечки и напряжения смещения
, при которых в спектре тока отсутствует: а) вторая гармоника; б) третья гармоника.
4. Найти угол отсечки и напряжение смещения
, соответствующие максимуму амплитуды третьей гармоники для случая, когда
.
5. Построить колебательную характеристику и описать её особенности. Найти напряжение смещения
, соответствующее ее линейности.
Исходные данные приведены ниже:
S=45ма/А; U1 =-3 В; U0 =-2 В; Um =2 В.
Решение:
1. Воспользовавшись [1] составим уравнение ВАХ нелинейного элемента , которое определяется по формуле
(1.1)
Импульсы выходного тока можно рассчитать по формуле:
(1.2)
График изображен на рисунке 1.1

Рисунок 1.1 -
а) График ВАХ уравнения нелинейного элемента.
б) График выходного тока .
в) График входного напряжения.
2. Рассчитаем спектр выходного тока. Известно, что спектр тока рассчитывается по формуле:
, (1.3)
где
- амплитуда
-ой гармоники тока;
- амплитуда импульсов тока; n- номер гармоники (n=0,1,…,10);
- коэффициенты Берга,
Q-угол отсечки, определяемый по формуле:
. (1.3)
Подставив численные значения находим Q=2.094. Строим спектрограмму выходного тока используя [3] . Спектр показан на рисунке 1.2
(1.4)
(1.6)
(1.5)

Рисунок 1.2 – Спектрограмма выходного тока
Теперь построим графики первых четырёх гармоник при помощи [3] :

Рисунок 1.3 - графики первых четырёх гармоник
3. Определим угол отсечки и смещение, при котором в спектре тока отсутствует n-я гармоника, что в соответствии с (1.3), можно определить путём решения уравнения :
. (1.7)
Результат показан ниже :
для 2 гармоники Q1 = 0, Q2 = 180;
![]()
для 3 гармоники Q = 0, Q2 = 90, Q = 180;
![]()
Проведём суммирование гармоник:

Рисунок 1.4 - сумма первых десяти гармоник
4. Угол отсечки, соответствующий максимуму n-ой гармоники в спектре тока (при
) определяется по формуле:
(1.8)
Угол отсечки равен 60. Определим соответствующее напряжение смещения U0 из формулы(1.3).В итоге получим :
![]()
Подставляя численные значения получим U0 = - 2В.
5. Колебательная характеристика нелинейного элемента определяется зависимостью амплитуды первой гармоники тока
, протекающего через нелинейный элемент, от амплитуды входного напряжения:
.
Поскольку
>U
1
,
то вид характеристики определяется по формуле:
. (1.9)
где
- средняя крутизна, определяемая cоотношением:
:
. (1.10)
|
Колебательная характеристика изображена на рисунке 1.5:

Рисунок 1.5 – Колебательная характеристика
Задание 2
Условие:
На вход резонансного умножителя частоты, выполненного на полевом транзисторе (рисунок 2) подано напряжение
, где
- частота сигнала. Нагрузкой умножителя является колебательный контур с резонансной частотой
, ёмкостью
и добротностью
. Коэффициент включения катушки -
. Сток - затворная характеристика транзистора задана в виде таблицы 3 и может быть аппроксимирована в окрестности
полиномом:
.
Таблица 1 - Характеристика транзистора к заданию 2
|
|
-12 |
-11 |
-10 |
-9 |
-8 |
-7 |
-6 |
-5 |
-4 |
-3 |
-2 |
-1 |
0 |
|
|
1,6 |
1,8 |
2,1 |
2,5 |
3 |
3,8 |
4,8 |
6 |
7,5 |
9 |
12 |
15 |
20 |
Требуется:
1. Построить ВАХ полевого транзистора. Изобразить временные диаграммы входного напряжения, тока стока и выходного напряжения умножителя.
2. Определить коэффициенты аппроксимирующего полинома
.
3. Рассчитать спектр тока стока и спектр выходного напряжения умножителя. Построить соответствующие спектрограммы и найти коэффициент нелинейных искажений выходного напряжения.
4. Рассчитать нормированную АЧХ контура, построить её в том же частотном масштабе, что и спектрограммы, расположив их друг под другом.
5. Рассчитать индуктивность и полосу пропускания контура.
Исходные данные :
U0= -3,5 B, Um=3 B, f1=2 МГц C=120 пФ, P=0,2
|
![]()
Рисунок 2.1 - Схема удвоителя частоты.
Решение:
1. По значениям, приведенным в таблице 3, построим ВАХ полевого транзистора. Изобразим временные диаграммы входного напряжения:
U(t)=U0+Um*cos(wt) (2.1)

Рисунок 2.2 -
а) сток-затворная характеристика транзистора.
б) ток стока.
в) входное напряжение транзистора.
2. Коэффициенты
определим, используя метод узловых точек. Выберем три точки (Напряжения
соответственно равные
), в которых аппроксимирующий полином совпадает с заданной характеристикой:
u 1 = - 3,5В u 2 = -0,5В u 3 =--7,5В
Затем, подставляя в полином значения тока, взятые из таблицы 3 и напряжения, соответствующие этим точкам, получают три уравнения.
(2.2)
Решая систему уравнений (2.2), используя [3]
, с помощью процедуры Given-Minerr , определим искомые коэффициенты полинома
:
a 0 = 8,25 мА ; a 1 = 2,2 мА/В a 2 = 0,26 мА/В2
Проведем расчёт аппроксимирующей характеристики в рабочем диапазоне напряжений по формуле:
(2.3)
3. Спектр тока стока рассчитаем с использованием метода кратного аргумента [2] . Для этого входное напряжение подставим в аппроксимирующий полином и приведем результат к виду:
, (2.4)
где
- постоянная составляющая;
- амплитуды первой и второй гармоник соответственно;
.После подстановки входного напряжения в полином, получим:
(2.5)
(2.6)
(2.7)
Подставляя числовые значения коэффициентов a0 , a1 , a3 и амплитудное значение входного сигнала Um, получим :
I0= 9.45 I1=6.6 I2=1.2
Изобразим спектр тока стока на рисунке 2.4, используя [3] :

Рисунок 2.3 – Спектр тока стока
Рассчитаем cпектр выходного напряжения, которое создаётся током (2.4).Он будет содержать постоянную составляющую
и две гармоники с амплитудами
и начальными фазами
и ![]()
, (2.8)
где
- определим по формулам:
; (2.9)
; (2.10)
, (2.11)
где
- напряжение источника питания;
- сопротивление катушки индуктивности;
- характеристическое сопротивление контура;
- резонансная частота;
- номер гармоники (
).
Подставив числовые значения для f1, Ec=12, I0, Q, C, r и рассчитав промежуточные значения:
r= 331,573 Ом , r = 5,526 Ом; R0 = 19890 Oм; Fр =4МГц;
рассчитаем спектр выходного напряжения с помощью [3] :
U0 =11,99 В, U1 = 0.058 В , U2 = 0.955 В.
Изобразим спектр амплитуд и фаз выходного напряжения на рисунке 2.5:
Рисунок 2.4 – Спектр амплитуд и фаз выходного напряжения
Определим коэффициент нелинейных искажений выходного напряжения по следующей формуле:

4. Найдем
- нормированную амплитудно-частотную характеристику контура, которую рассчитаем по формуле:
(2.12)
Изобразим нормированную амплитудно-частотную и фазо-частотную характеристики контура на рисунке 2.6, используя [3] :

Рисунок 2.5 - Амплитудно-частотная и фазо-частотная характеристики контура
5. Используя формулу [1] для индуктивности контура:
L=r/2*p*fp, (2.13)
найдём индуктивность контура L= 520.8 мкГн.
Графическим способом на уровне 0.707 определяем полосу пропускания, которая равна Df= 1,3
105
кГц.
Задание 3
Условие:
На вход амплитудного детектора вещательного приёмника, содержащего диод с внутренним сопротивлением в открытом состоянии
и
- фильтр, подаётся амплитудно-модулированный сигнал
и узкополосный шум с равномерным энергетическим спектром
в полосе частот, равной полосе пропускания тракта промежуточной частоты приёмника и дисперсией
.
Требуется :
1. Привести схему детектора и определить ёмкость
фильтра нижних частот.
2. Рассчитать дисперсию входного шума и амплитуду несущего колебания
.
3. Определить отношение сигнал/помеха на входе и выходе детектора (по мощности) в отсутствии модуляции.
4. Рассчитать постоянную составляющую и амплитуду переменной составляющей выходного сигнала.
5. Построить на одном рисунке ВАХ диода, полагая напряжение отсечки равным нулю, а также временные диаграммы выходного напряжения, тока диода и напряжения на диоде.
Исходные данные приведены ниже:
R1
=20 Ом ; R=10 кОм ; M=30% ; W0
=4.6
![]()
Решение:
1. На рис.3.1 изобразим схему детектора:
![]() |
Рисунок 3.1 - Схема детектора.
Постоянную времени фильтра детектора
выберем из условия
, (3.1)
где
- частота несущего колебания;
- максимальная частота в спектре модулирующего сигнала.
Для того чтобы удовлетворить условию (3.1) следует выберем
как среднее геометрическое
. (3.2)
где
кГц (промежуточная частота),
кГц.
Рассчитав
по формуле (3.2),находим, что
=4 мкс .Далее определим ёмкость фильтра
по формуле:
. (3.3)
Расчет производим в [M] и находим ,что C= 0,4 нФ.
2. Дисперсию входного шума определяют по формуле
, (3.4)
где
- энергетический спектр шума.
Интегрировать будем ,по условию задачи, в полосе частот
. ,
поскольку спектр шума равномерен, а за пределами этой полосы – равен нулю. Определим дисперсию входного шума по формуле (3.4) с помощью [3] :
Dx =0.125 В2 .
Вычислим амплитуду несущего колебания
в соответствии с задачей по формуле :
. (3.5)
Подставив исходные значения получим:
=3.537 В.
3. Определяем отношение сигнал/помеха на входе (по мощности) детектора
:
. (3.6)
Подставив исходные значения получим:: h = 50
Определяем отношение сигнал/помеха на выходе детектора по формуле :
, (3.7)
где
- среднеквадратическое отклонение входного шума;
- постоянная составляющая выходного напряжения детектора при одновременном воздействии сигнала (несущей) и шума. Сначала находим СКО=0.354 В. Далее определяем постоянную составляющую
формуле
, (3.8)
где
-функции Бесселя нулевого и первого порядков (модифицированные) соответственно. Производим вычисления с помощью [3]
находим
=3,555 В. Подставляем полученные значения
, СКО находим, что сигнал/помеха на выходе равен: ![]()
4. Напряжение на выходе детектора в отсутствии шума прямопропорционально амплитуде
входного сигнала
, (3.9)
где
- коэффициент преобразования детектора, который определяется по формуле:
. (3.10)
где Q-угол отсечки.
Угол отсечки тока
определим решением трансцендентного уравнения:
. (3.11)
Решение уравнения (3.11) произведем в [3] .Решив (3.11) находим Q=21.83, а К0=0.928.
Раскрыв скобки в выражении (3.9), приведём выражение для выходного сигнала к виду
, (3.12)
где:
- постоянная составляющая выходного сигнала;
- амплитуда выходного сигнала.
Подставив значения, получим:
![]()
Построим сигнал на выходе детектора:
. (3.13)

Рисунок 3.2 - График сигнала на выходе детектора.
Изобразим ВАХ диода, а также временные диаграммы тока диода и напряжения на диоде:
Рисунок 3.3 – График ВАХ диода, временные диаграммы тока диода и напряжения на диоде
Задание №4
Генератор на полевом транзисторе с контуром в цепи стока генерирует гармоническое колебание с частотой
. Контур состоит из индуктивности L
, емкость C
и имеет добротность Q
. Крутизна сток-затворной характеристики транзистора в рабочей точке S
.
Условие :
1. Изобразить электрическую схему генератора. Записать дифференциальное уравнение и вывести условие самовозбуждения генератора.
2. Определить критические коэффициенты включения
.
3. Выбрать значение P , обеспечивающее устойчивую генерацию и рассчитать неизвестный элемент контура.
4. Изобразить качественно процесс установления колебаний в генераторе, указать области нестационарного и стационарного режимов.
Исходные данные :
Индуктивная трехточечная схема;
![]()
![]()
![]()
![]()
Решение:
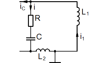
1. Представим принципиальную схему индуктивного трехточечного автогенератора [2] :

Рисунок 4.1 – Автогенератор, собранный по индуктивной трехточечной схеме.
Для составления дифференциального уравнения генератора рассмотрим колебательный контур подробнее, при этом как бы разорвав обратную связь (рисунок 4.2).

Рисунок 4.2 – Колебательный контур автогенератора.
В схеме на рисунке 4.2 R – сопротивление потерь контура.
По законам Кирхгофа и, используя компонентные уравнения элементов запишем систему характеристических уравнений [6] цепи представленной на рисунке 4.2.
. (4.1)
Для решения системы (4.1) не хватает еще одного уравнения. Его мы возьмем воспользовавшись характеристиками транзистора:
. (4.2)
Теперь проведя необходимые подстановки запишем уравнение с одним неизвестным током i .
. (4.3)
Чтобы избавиться от интеграла продифференцируем уравнение (4.3) по времени.
. (4.4)
Обозначим коэффициенты при неизвестном и его производных, как
и
соответственно при дифференциалах 0-ого, 1-ого, 2-ого и 3-его порядков. Тогда (4.4) примет вид:
. (4.5)
Для определения условия самовозбуждения воспользуемся критерием устойчивости Рауса-Гурвица [2] . В соответствии с этим критерием, для самовозбуждения необходимо и достаточно чтобы выполнялось:
1)
; (4.6)
2)
. (4.7)
Подставляя значения коэффициентов
, получим условие самовозбуждения автогенератора.
. (4.8)
2. Определим критические коэффициенты включения индуктивности. Для этого проведем в (4.8) некоторые преобразования.
Поскольку индуктивность
не отрицательна и не равна 0, то разделим (4.8) на нее.
. (4.9)
Введем величину коэффициента включения индуктивности р :
. (4.10)
Где
- полная индуктивность контура. (4.11)
Исходя из (4.10) и (4.11) можно записать:
. (4.12)
Подставим (4.12) в (4.9).
. (4.13)
Как известно
- характеристическое сопротивление контура. Т.о. неравенство (4.13) примет вид:
. (4.14)
Разделив (4.14) на
получим:
, (4.15)
но
это есть добротность контура Q
.
. (4.16)
Теперь если учесть, что
(4.15), а затем умножить неравенство на
, получим окончательное уравнение для вычисления критических коэффициентов включения.
. (4.17)
Используя [3] определим критический коэффициент включения индуктивности:
![]()
3. Рассчитаем неизвестный элемент контура (в нашем случае это индуктивность) по следующей формуле:
(4.18)
Подставив исходные данные, получим:
![]()
Определим коэффициент усиления усилителя:
![]()
Найдём значения индуктивностей L1 и L2 при помощи [3] , используя операцию Given:

4. Представим качественный график процесса установления колебаний в автогенераторе (рисунок 4.3):
Рисунок 4.3 – Процесс установления автоколебаний:
1. Нестационарный режим – режим, при котором параметры колебания меняются.
2. Стационарный режим – режим, при котором параметры колебания не меняются.
Задание №5.
Условие:
Аналоговый сигнал S
(
t
)
(рисунок 5.1) длительностью
подвергнут дискретизации путем умножения на последовательность
- импульсов. Интервал дискретизации Т
.
Требуется:
1. Рассчитать спектр аналогового сигнала S ( t ) и построить график модуля спектральной плотности.
2. Определить максимальную частоту в спектре аналогового сигнала
, ограничив спектр, использовав один из критериев.
3. Рассчитать интервал дискретизации Т и количество выборок N . Изобразить дискретный сигнал под аналоговым в том же временном масштабе.
4. Определить спектральную плотность дискретного сигнала и построить график модуля под графиком спектра аналогового сигнала и в том же частотном масштабе.
5. Провести дискретное преобразование Фурье (ДПФ), определить коэффициенты ДПФ и построить спектрограмму модуля этих коэффициентов под графиками спектров аналогового и дискретного сигналов и в том же частотном масштабе.
Записать выражение для Z - преобразования дискретного сигнала.
Решение:
![]()

Рисунок 5.1 – график исходного сигнала
1.Рассчитаем спектр аналогового сигнала S(t), данный сигнал представляет собой ни четную ни нечетную функцию. Зададим сигнал S ( t ) аналитически:
(5.1)
Спектральная плотность рассчитывается путем прямого преобразования Фурье [7]:
. (5.2)
где
(5.3)
Где
и
весовые коэффициенты. Подставляя значения с помощью [3]
построим график спектральной плотности (рисунок 5.2).

Рисунок 5.2 – график модуля спектральной плотности
2. Определим максимальную частоту в спектре аналогового сигнала по уровню 0,1.
(5.4)
. (5.5)
3. Условие выбора интервала дискретизации возьмем из теоремы Котельникова :
. (5.6)
Подставив значения, получим:
![]()
![]()
Воспользовавшись (5.6) выберем интервал дискретизации:
![]()
В этом случае количество выборок определяется следующим образом:
. (5.7)
N = 21;
Теперь, когда мы нашли интервал дискретизации и количество выборок построим график дискретного сигнала, а так же для сравнения в одном масштабе с ним график аналогового (рисунок 5.3):

Рисунок 5.3 – Графики: а) аналогового сигнала;
б) дискретного сигнала.
На рисунке 5.3 в величине выборок отражен весовой коэффициент δ - импульсов дискретизации.
4. Спектр дискретного сигнала, как известно, представляет собой сумму копий спектральных плоскостей исходного аналогового сигнала, подвергнутого дискретизации, сдвинутых на величину частоты следования выборок друг относительно друга [7].
Т. о. Формула спектральной плотности дискретного сигнала примет вид:
. (5.8)
Пользуясь (5.8) построим график при помощи [3] :

Рисунок 5.4 – а) модуль спектральной плотности аналогового сигнала; б) ограниченный спектр аналогового сигнала;
в) спектральная плотность дискретного сигнала;
5. Дискретное преобразование Фурье определяется формулой (5.9) [2] :
. (5.9)
Где:
- номер отсчета спектральной плотности;
;
- номер отсчета дискретного сигнала;
.
Т. о. по формуле (5.9) и при помощи [3] можно подсчитать значения дискретных отсчетов:

Зная, что выше вычисленные отсчеты следуют через интервалы
, величина которых определяется следующим соотношением [2]
:
, (5.10)
где: N – количество выборок дискретного сигнала;
Т – период дискретизации;
можно построить спектрограмму модулей этих коэффициентов.
Данную спектрограмму будем строить в одном частотном масштабе с графиками спектров аналогового и дискретного сигналов и расположив ее под ними.

Рисунок 5.5 – а) Спектр аналогового сигнала;
б) Спектральная плотность дискретного сигнала;
в) Спектрограмма модулей коэффициентов ДПФ.
6. Заменив в формуле (5.9)
на Z
(в данном случае
играет роль частоты) прейдем к выражению для Z-преобразования.
. (5.11)
Распишем (5.11) подробнее, при этом заметим, что как видно из рисунка 5.3 отсчеты с номерами от 0 до 8 равны 1, а 9 равен 0. С учетом всего сказанного получим:
. (5.12)
При помощи простых математических преобразований представим (5.12) в виде дробно-рационального выражения:
. (5.13)
Задание №6.
Условие:
Уравнения цифровой фильтрации имеют вид:
(6.1)
Требуется:
1. Составить структурную схему фильтра.
2. Найти передаточную функцию фильтра. Определить полюса передаточной функции и нанести их на
- плоскости. Сделать вывод об устойчивости.
3. Рассчитать и построить АЧХ и ФЧХ фильтра.
4. Найти системную функцию фильтра. Определить полюса системной функции и нанести их на
- плоскости. Сделать вывод об устойчивости.
5. Рассчитать и построить импульсную характеристику фильтра.
6. Рассчитать и построить выходной сигнал цифрового фильтра, если на вход подаётся дискретный сигнал из задания 5.
Исходные данные:

Решение:
|

![]() |
Рисунок 6.1 - Рекурсивный фильтр
2. Передаточная функция цифрового фильтра имеет вид:
, (6.2)
где ак
, bk
коэффициенты уравнения;
- интервал дискретизации;
- количество элементов задержки в трансверсальной части;
- количество элементов задержки в рекурсивной части.
Найдём полюса передаточной функции с помощью формулы:
(6.3)
Для нахождения полюсов воспользуемся [3]:
![]()
Для обеспечения устойчивости необходимо и достаточно, чтобы полюса передаточной функции находились в левой полуплоскости комплексного переменного p. Поскольку
- система устойчива.
3. С помощью [3] рассчитаем и построим АЧХ и ФЧХ фильтра:
(6.4)
Для данной передаточной функции с помощью [3] построим АЧХ и ФЧХ фильтра (рисунок 6.2):

Рисунок 6.2 - а) АЧХ фильтра; б) ФЧХ фильтра.
4. Найдем системную функцию фильтра путем замены ePT
на Z. Системная функция будет иметь вид: ![]()
(6.5)
Устойчивость фильтра оценивается расположением полюсов системной функции на z плоскости. Фильтр устойчив, если полюса системной функции расположены внутри круга единичного радиуса с центром в точке
.
Определим полюса системной функции в плоскости Z с помощью [3] :
- т.е. система устойчива.
5. Импульсная характеристика
- это реакция цифрового фильтра на воздействие в виде единичного импульса
(функция Кронекера). Используя уравнение цифровой фильтрации, получаем:
(6.6)
где 
Для данного фильтра импульсная характеристика будет определятся формулой:
(6.7)
График импульсной характеристики представлен на рисунке 6.4:

Рисунок 6.4.-Импульсная характеристика.
6. Графики входного дискретного сигнала и выходного цифрового сигнала (рисунок6.3):

Рисунок 6.3 - а) входной дискретный сигнал; б) выходной цифровой сигнал.
Задание №7
Условие:
Синтезировать согласованный фильтр для данного сигнала.
Требуется:
1. Определить комплексный коэффициент передачи фильтра.
2. Синтезировать структурную схему фильтра.
3. Определить и построить выходной сигнал (под входным).
4. Оценить отношение сигнал/помеха на выходе в зависимости от
.
Исходные данные:
Когерентная пачка из
радиоимпульсов с прямоугольной огибающей и скважностью равной
,
![]()

Рисунок 7.1 – Входной сигнал
Решение:
1. Синтезировать согласованный фильтр удобно при помощи его комплексного коэффициента передачи. Запишем общую формулу для его определения [2] :
. (7.1)
Где
- постоянный коэффициент;
- функция, комплексно сопряженная со спектральной плотностью входного сигнала;
- время задержки пика выходного сигнала.
Для
существует ограничение -
, это связано с физическими принципами работы согласованного фильтра [2]
. Однако обычно полагают:
. (7.2)
Из формулы (7.1) видно, что задача сводится к определению спектральной плотности входного сигнала. Для ее определения разобьем входной сигнал на отдельные импульсы, затем определим спектр одного из них, а результат запишем в виде суммы вышеопределенных спектральных плотностей всех составляющих пачки, но сдвинутых по времени на расстояния кратные периоду их следования.
Итак, определим
- спектр одиночного радиоимпульса, путем применения свойства [2]
, в котором говорится, что спектр радиосигнала это есть спектр его огибающей только сдвинутый в область высоких частот (окрестность
).
. (7.3)
Где
- спектральная плотность для огибающей одиночного радиоимпульса, смещенная в область ВЧ на
.
Запишем аналитическое выражение для огибающей радиоимпульса:
. (7.4)
Определим
, для этого применим прямое преобразование Фурье [7].
;
. (7.5)
Представим формулу для
, заменив в (7.5)
на
:
. (7.6)
Т. о. спектральная плотность всей пачки импульсов будет определяться как сумма спектральных плотностей определяемых формулой (7.6), но сдвинутых друг относительно друга на:
. (7.7)
Представим это соотношение, применив теорему сдвига [2] :
. (7.8)
Запишем формулу комплексно сопряженной спектральной плотности входного сигнала, преобразовав (7.8), путем перемены знака мнимой части.
. (7.9)
Подставим (7.6) в (7.9), а полученный результат в (7.1) и проведем некоторые преобразования для удобства ее дальнейшего использования:
(7.10)
2. Т. о. согласованный фильтр можно представить как каскадное соединение двух блоков:
1. согласованный фильтр одиночного радиоимпульса;
2. т. н. синхронный накопитель (многоотводная линия задержки).
Схема такого фильтра представлена на рисунке 7.2.
![]()
![]()
|
|
Рисунок 7.2 – Структурная схема согласованного фильтра для сигнала представленного на рис. 7.1.
График когерентной пачки радиоимпульсов проходящей через линию задержки представлен на рисунке (7.3).
Рисунок 7.3 - График пачки радиоимпульсов, проходящих через линию задержки
Сигнал на выходе согласованного фильтра с точностью до константы совпадает с автокорреляционной функцией входного сигнала, сдвинутой на
в сторону запаздывания [2]
.
АКФ пачки радиоимпульсов с прямоугольной огибающей представляет собой последовательность треугольных импульсов длительностью
и максимумом равным
, где n
–количество импульсов пачки, Э1
– полная энергия одного импульса (максимум АКФ одиночного импульса).
Для начала рассчитаем АКФ одиночного радиоимпульса.
Как известно АКФ радиосигнала равна произведению АКФ огибающей на АКФ несущей [1] :
. (7.11)
Поскольку АКФ несущего колебания есть само это колебание нулевой начальной фазой и амплитудой равной 1, то можно записать:
. (7.12)
Рассчитаем АКФ огибающей :
. (7.13)
Подставим (7.13) в (7.12):
. (7.14)
3. При помощи (7.14) и приведенных выше условий с помощью [3] построим график выходного сигнала и АКФ (рисунок 7.4):
Рисунок 7.4 –а) входной сигнал,
б) сигнал на выходе согласованного фильтра; в)АКФ сигнала
4. Отношение сигнал/помеха на выходе согласованного фильтра равно:
. (7.15)
Где Э – полная энергия входного сигнала;
W 0 – спектральная плотность мощности белого шума на входе фильтра.
Величина полной энергии входного сигнала с точностью до константы совпадает со значением выходного сигнала при
(по свойствам АКФ).
. (7.16)
Из формул (7.15) и (7.16) видно, что при увеличении n – количества и скважности импульсов пачки входного сигнала соотношение сигнал/помеха на выходе фильтра увеличивается, что соответствует теории поскольку при этом растет база сигнала. Однако данный способ повышения выигрыша по величине отношения
не улучшает корреляционных свойств сигнала, из-за чего через пороговое устройство может проходить не один, а несколько импульсов и отметок на экране индикаторного устройства так же будет несколько. Т. о. кроме увеличения базы сигнала необходимо еще и улучшать его корреляционные свойства.
ПЕРЕЧЕНЬ ССЫЛОК
1. Гармаш М. А. Конспект лекций по дисциплине СиПРТ (1,2 часть).
2. Гоноровский И.С. Радиотехнические цепи и сигналы: Учебник для вузов.4-е издание, перераб. и доп.-М.:Радио и связь,1986.- 512с.
3. Математический пакет MathCAD 2000.
4. Гимпилевич Ю.Б., Афонин И.Л. методические указания к выполнению курсовой работы по дисциплине СиПРТ для студентов специальности 7.090701-“Радиотехника” (дневная форма обучения).



