| Скачать .docx |
Дипломная работа: Приставка осциллографическая двухканальная
Министерство образования и науки РФ
Федеральное агентство по образованию
Приставка осциллографическая двухканальная
Пояснительная записка
2010
Содержание
Введение
1. Разновидности аналогово-цифровых устройств
1.1 Последовательный аналого-цифровой преобразователь со ступенчатым пилообразным напряжением
1.2 Аналого-цифровой преобразователь следящего типа
1.3 Аналого-цифровой преобразователь параллельного типа
2. Принцип работы двухканального осциллографа
3. Работа LPT
3.1 Параллельный интерфейс: LPT-порт
3.2 Традиционный LPT-порт
3.3 Функции BIOS для LPT-порта
3.4 Режимы передачи данных 3.5 Конфигурирование LPT-портов3.6 Использование параллельных портов3.7 Неисправности и тестирование параллельных портов3.8 Параллельный порт и РnР4. Описание работы структурной схемы
5. Выбор и обоснование элементной базы
5.1 Компаратор КР597СА2
5.2 Микросхема КР544УД2
5.3 Микросхема 74AC04N
5.4 Микросхема КР590КН8
5.5 Микросхема 74ACT74N
5.6 Компаратор LM211
5.7 Транзисторы
5.8 Резисторы
6. Описание работы электрической схемы
7. Описание конструкции изделия
7.1 Сборка
8. Технология изготовления печатных плат
8.1 Получение рисунка печатной платы
8.2 Метализация отверстий печатной платы на основе графита
9. Смета затрат на устройство
9.1 Материалы и комплектующие
9.2 Затраты на адаптацию
9.3 Общепроизводственные расходы
9.4 Нематериальные активы
9.5 Коммерческие расходы
10 Экономическая эффективность разработки
Заключение
Список литературы
Введение
В последние годы сформировалось совершенно новое направление в метрологии и измерительной технике – измерительно-вычислительные комплексы (ИВК) на базе персональных компьютеров. Измерительно-вычислительные комплексы обязательно включает в себя компьютер, работающий в режиме реального масштаба времени с установленным на него необходимым программным обеспечением и аналого-цифровой преобразователь для ввода аналоговых сигналов.
В настоящее время персональные компьютеры используются не только как вычислительные средства, но и как универсальные измерительные приборы. ИВК на основе персонального компьютера заменяют стандартные измерительные приборы (вольтметры, осциллографы, анализаторы спектра, генераторы и пр.) системой виртуальных приборов. Причем ряд этих приборов может быть активизирован на одном персональном компьютере одновременно.
К отличительным особенностям ИВК по сравнению с микропроцессорными приборами относятся:
- обширный фонд стандартных прикладных компьютерных программ, доступных для оператора, позволяющий решать широкий круг прикладных задач измерений (исследование и обработка сигналов, сбор данных с датчиков и т.д.);
- возможность оперативной передачи данных исследований и измерений по локальным и глобальным компьютерным сетям;
- возможность использования внутренней и внешней памяти большой ёмкости, а также составления компьютерных программ для решения конкретных измерительных задач;
- возможность оперативного использования различных устройств документирования результатов измерений.
В данной пояснительной записке рассматривается пример такого ИВК, реализующегося через LPT порт, и преобразующего аналоговые входные сигналы в цифровые данные для виртуальных измерительных приборов: цифрового вольтметра, осциллографа, регистратора медленно изменяющихся процессов с записью информации в дисковый файл.
1 Разновидности аналогово-цифровых устройств
1.1 Последовательный аналого-цифровой преобразователь со ступенчатым пилообразным напряжением
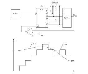
Структурная схема преобразователя данного типа приведена на рисунке 1.1, а .
Тактовым импульсом «ТИ» счетчик «Сч» устанавливается в нулевое состояние. Нулевое напряжение Uoc = 0 возникает на выходе ЦАП, преобразующего число счетчика в пропорциональное напряжение. Устанавливается неравенство Uвх > Uос , при котором компаратор «К» подает на вход элемента «И» уровень логической "1". При этом импульсы генератора импульсной последовательности ГИП проходят через элемент «И» на вход счетчика. Каждый поступивший на вход счетчика импульс вызывает увеличение хранившегося в нем числа на единицу, на одну элементарную ступеньку напряжение возрастает на выходе ЦАП. Таким образом, напряжение Uос растет по ступенчатому закону, как показано на рисунке 1.1, б . В момент времени, когда напряжение Uос достигает уровня, превышающего Uвх , компаратор выдает уровень логического "0", и в дальнейшем прекращается доступ импульсов генератора в счетчик. Полученное к этому моменту времени в счетчике число пропорционально напряжению Uвx .

Рисунок 1.1 – Схема последовательного АЦП со ступенчатым пилообразным напряжением (а) и диаграмма его работы (б)
1.2 Аналого-цифровой преобразователь следящего типа
Рассмотренный выше тип АЦП работает в циклическом режиме. В нем каждый очередной тактовый импульс устанавливает преобразователь в исходное состояние, после чего начинается процесс преобразования. Быстродействие такого преобразователя ограничивается, главным образом, быстродействием счетчика (а именно, быстродействием триггеров его младших разрядов, в которых переключение происходит с высокой частотой).На практике часто используется нециклический преобразователь, структурная схема которого представлена на рисунке 1.2, а .

Рисунок 1.2 – Схема АЦП следящего типа (а) и диаграмма его работы (б)
Эта схема отличается от схемы преобразователя предыдущего типа тем, что в ней используется реверсивный счетчик Сч, управляемый сигналами с выхода компаратора К. При Uвх > Uос счетчик устанавливается в режим прямого счета, поступающие на вход импульсы генератора ГИП последовательно увеличивают в нем число, растет напряжение Uос, до уровня напряжения Uвх. При Uвх < Uос счетчик переводится в режим обратного счета, при котором убывает число в счетчике и, следовательно, убывает напряжение Uос, пока не будет достигнуто значение Uвх.
Таким образом, все происходящие во времени изменения напряжения Uвх отслеживаются напряжением Uос на выходе ЦАП. В необходимые моменты времени с выхода счетчика могут сниматься цифровые сигналы, пропорциональные значениям Uвх.
1.3 Аналого-цифровой преобразователь параллельного типа
Диаграмма работы АЦП параллельного типа представлена на рисунке 1.3, схема АЦП представлена на рисунке 1.4.

Рисунок 1.3 – Диаграмма работы АЦП параллельного типа
АЦП параллельного типа содержит делитель, состоящий из набора последовательно включенных резисторов с одинаковым сопротивлением R, компараторов К и кодирующей логики. На один из входов каждого компаратора подается опорное напряжение Uоп, снимаемое с делителя, причем эти напряжения отличаются друг от друга на величину ∆ U (см.рисунок 1.3). Вторые входы компараторов объединены и на них подано входное напряжение Uвх. Работу АЦП данного типа можно рассмотреть по диаграмме, изображенной на рисунке 1.3. При достижении входным напряжением значения опорного напряжения первого компаратора U1 (момент времени t1) последний срабатывает и подает сигнал активного уровня на первый вход устройства кодирующей логики, на выходе которого при этом появляется число "1" в двоичном коде. При дальнейшем возрастании входного напряжения в момент времени t2 сработает второй компаратор и на выходе АЦП появится "2" и т.д. В данном случае значение ∆ U представляет собой шаг квантования.

Рисунок 1.4 – Схема АЦП параллельного типа
2. Принцип работы двухканального осциллографа
Двухканальный осциллограф (рисунок 2.1, а) дает возможность одновременно наблюдать и сравнивать на экране изображения двух сигналов одной и той же частоты либо кратных частот, измерять их амплитудные и временные параметры.
Осциллограф содержит два идентичных канала вертикального отклонения (рисунок 2.1, а), в которые входят аттенюатор и предварительный усилитель. Линия задержки и оконечный Y-усилитель к каналам I и II подключаются с помощью электронного коммутатора. Канал горизонтального отклонения содержит схему синхронизации и запуска развертки, генератор развертки и оконечный X-усилитель. Сигналы с выходов каналов поступают на вертикально и горизонтально отклоняющие пластины ЭЛТ. Для проверки коэффициентов отклонения «В/дел.» каналов I и II и коэффициента развертки «Время/дел.» канала горизонтального отклонения служит калибратор, который имеет внутренний и внешний выходы.
Аттенюатор — это частотно-компенсированный делитель напряжения, состоящий из RС-элементов, откалиброванный в коэффициентах отклонения «В/дел.».
Коммутатор представляет собой мультивибратор, управляет диодными ключами каналов I и II и имеет пять режимов переключения:
А) «I», «II Y—X»;
Б) «I ± II»,
В) «...», «→→».
На экране регистрируется один сигнал в следующих режимах:
«I» — подключен только канал I;
«II Y—X» — подключен только канал II (выполняющий роль Y-канала, а развертывающее напряжение подается на канал I, выполняя роль Х-канала);
«I ± II».— подключены оба канала I и II (на экране регистрируется суммарный сигнал либо разностный, если предварительно инвертировать сигнал канала II).
В режимах «...» и «→ →» на экране наблюдаются два сигнала.
В поочередном (синхронном) режиме «→→» коммутатор работает от генератора развертки. Подключение каналов к оконечному усилителю происходит попеременно с частотой генератора развертки после каждого прямого хода развертки. Изображения сигналов каналов I и II поочередно сменяют друг друга, но так часто, что на экране они наблюдаются одновременно (рисунок 2.2). Этот режим является основным при измерениях (на частотах выше 1 кГц). Недостаток поочередного режима проявляется при исследовании синусоидальных и импульсных сигналов с низкой частотой повторения 150 Гц, так как глазу заметны редкие поочередные мелькания изображений сигналов. Для низкого диапазона частот в осциллографе предусмотрен прерывистый (асинхронный) режим «...» работы коммутатора. В этом случае коммутатор работает с частотой 100 кГц от встроенного генератора, подключая каналы I и II к оконечному усилителю поочередно через каждые 5 мкс (за 10 мкс — оба канала). Прерывистое изображение сигналов состоит из штрихов (рисунок 2.3).
На экране осциллографа за фрагментом изображения первого сигнала следует фрагмент изображения второго сигнала (фрагменты следуют через каждые 5 мкс). Часть информации о форме сигнала при этом теряется.
Например, при периоде 50 мкс (f = 20 кГц) будет зарегистрировано пять штрихов на каждом сигнале, а при периоде 5 мс (f = 200 Гц) сигнал будет практически непрерывным. Работу коммутатора в поочередном и прерывистом режимах иллюстрирует движение луча при медленной развертке 50 мс/дел. и отсутствии сигнала.
Генератор развертки работает в автоколебательном или ждущем режимах, переключатель режимов совмещен с регулятором «Уровень». Для исследования сигналов разных частот изменяют масштаб «Время/дел.» горизонтальной оси, что достигается изменением частоты (периода) генератора развертки. Для уменьшения минимального коэффициента развертки и растягивания отдельных фрагментов сигнала используют множитель развертки Мр . Новый коэффициент развертки равен произведению установленного коэффициента развертки и множителя развертки Мр (1 или 0,2); К'р = KР Mp . Любой измеряемый временной интервал равен tx = lx Kp Mv .

Рисунок 2.1-Структурная схема двухканального осциллографа

Рисунок 2.2

Рисунок 2.2
3. Работа LPT порта
3.1 Параллельный интерфейс - LPT-порт Порт параллельного интерфейса был введен в PC для подключения принтера —LP'T-порт (Line PrinTer — построчный принтер). Адаптер параллельного интерфейса представляет собой набор регистров, расположенных в пространстве ввода/вывода. Регистры порта адресуются относительно базового адреса порта, стандартными значениями которого являются 386h, 378h и 278h. Порт имеет внешнюю восьми-битную шину данных, пяти-битную шину сигналов состояния и четырех-битную шину управляющих сигналов.BIOS поддерживает до четырех LPT-портов (LPT1-LPT4) своим сервисом — прерыванием INT 17h, обеспечивающим через них связь с принтерами по интерфейсу Centronics. Этим сервисом BIOS осуществляет вывод символа, инициализацию интерфейса и принтера, а также опрос состояния принтера.Понятие «интерфейс Centronics» относится как к набору сигналов и протоколу взаимодействия, так и к 36-контактному разъему, устанавливаемому на принтерах. Интерфейс Centronics поддерживается большинством принтеров с параллельным интерфейсом, его отечественным аналогом является интерфейс ИРПР-М.3.2 Традиционный LPT-порт Традиционный порт SPP (Standard Paralle Port) является однонаправленным портом, на базе которого программно реализуется протокол обмена Centronics. Порт обеспечивает возможность вырабатывания запроса аппаратного прерывания по импульсу на входе АСК#. Сигналы порта выводятся на разъем DB-25S (розетка), установленный непосредственно на плате адаптера (или системной плате) или соединяемый с ней плоским шлейфом. Название и назначение сигналов разъема порта (таблице 1) соответствуют интерфейсу Centronics. Стандартный порт имеет три восьми-битных регистра, расположенных по соседним адресам в пространстве ввода/вывода, начиная с базового адреса порта (BASE). Таблица 1-Разъем стандартного LPT-порта .| Контакт DB-25S | Провод шлейфа | Назначение | ||
| I\O* | Reg.Bit** | Сигнал | ||
| 1 | 1 | 0\1 | CR: 0\ | Strobe# |
| 2 | 3 | 0(1) | DR:0 | Data 0 |
| 3 | 5 | 0(1) | DR:1 | Data 1 |
| 4 | 7 | 0(1) | DR:2 | Data 2 |
| 5 | 9 | 0(1) | DR:3 | Data 3 |
| 6 | 11 | 0(1) | DR:4 | Data 4 |
| 7 | 13 | 0(1) | DR:5 | Data 5 |
| 8 | 15 | 0(1) | DR:6 | Data 6 |
| 9 | 17 | 0(1) | DR:7 | Data 7 |
| 10 | 19 | I | SR:6 | Ack#*** |
| 11 | 21 | I | SR:7\ | Busy |
| 12 | 23 | I | SR:5 | PaperEnd |
| 13 | 25 | I | SR:4 | Select |
| 14 | 2 | 0\1 | CR:1\ | Auto LF# |
| 15 | 4 | I | SR:3 | Error# |
| 16 | 6 | 0\1 | CR:2 | Init# |
| 17 | 8 | 0\1 | CR:3\ | SelectIn# |
| 18-25 | 10,12,14,16 | 18, 20, 22, 24, 26 | - | - |
4. Описание работы структурной схемы
Структурная схема приставки осциллографической двухканальной представлена на рисунке 4.1.

Рисунок 4.1
Исследуемые сигналы через входы канала 1 и канала 2 подаются на резистивно-емкостные делители - аттенюаторы, которые определяет максимальный размах сигнала по вертикали. Далее через эмитерный повторитель сигналы поступают на МОП транзисторные ключи, которые открываются формирователем импульса. Формирователь импульса срабатывает при подаче на него синхросигнала. Длительность развертки определяет размах сигнал по горизонтали. Узел синхронизации управляется программой через LPT порт. После открытия МОП транзисторных ключей сигнал поступает на операционные усилители ОУ 1 и ОУ 2. С операционных усилителей сигналы преобразуются в цифровой вид на АЦП и выводятся на LPT порт, откуда программа считывает данные и формирует изображение сигнала.
5. Выбор и обоснование элементной базы
5.1 Компаратор КР597СА2 [8] (узел синхронизации)
Временя переключения компаратора должно быть не более 15нс.
Компаратор КР597СА2 (рисунок 5.1) предназначен для обслуживания высокоскоростных ТТЛ цифровых интегральных схем. Компаратор снабжен схемой запоминания предыдущего состояния. Подключение на выход входного каскада триггерной схемы, выполняющей функции стробирования с хранением (защелка), обеспечивает лучшую помехоустойчивость для цифровых сигналов. Схема включения компаратора показана на рисунке 3.а, а зависимость времени задержки от перенапряжения — на рисунке 5.2
.
Рисунок 5.1 - схема подключения

Рисунок 5.2 - зависимость времени задержки распространения от напряжения перевозбуждения при См =15пФ
5.2 Микросхема КР544УД2 - Дифференциальный операционный быстродействующий усилитель [8] (ОУ-1, ОУ-2 на структурной схеме)
Входные токи должны быть не более 0,1 нА, скорость нарастания выходного напряжения - не менее 20 В/мкс.
Электрическая схема ИС содержит входной дифференциальный каскад на полевых транзисторах с p-n переходом, промежуточный дифференциальный каскад на p-n-p транзисторах, однотактные согласующие повторители и выходной двухтактный повторитель напряжения. Частотная коррекция осуществляется внутренним интегрирующим конденсатором и резистором. Внутренние элементы частотной коррекции обеспечивают стабильность в различных режимах обратной связи, в том числе при полной отрицательной обратной связи в повторителе напряжения. Для расширения возможностей применения К544УД2, КР544УД2 (рисунок 5.3) один из выводов цепи коррекции внутри ИС не подключен, а соединен с выводом 8. Включение коррекции происходит при внешнем замыкании выводов 1 и 8. Если выводы 1 и 8 не соединены между собой, то цепь коррекции отключена. При этом ИС имеет наибольшее значение скорости нарастания входного напряжения (100 В/мкс) и произведения усиления на полосу пропускания (200 МГц на уровне усиления 100). Такой режим обеспечивает стабильность и применяется, когда коэффициент обратной связи Kooc
0,05. При глубокой отрицательной связи, когда 1
Kooc
0,05, применяется режим полного включения обратной коррекции, осуществляемый замыканием между собой выводов 1 и 8. Возможен режим частичного включения коррекции с использованием внешнего конденсатора, подключаемого между выводами 1 и 8 и ослабляющего действие внутренних элементов. Такой режим применяется вместо полной коррекции для повышения широкополосности и скорости нарастания входного напряжения ИС.

Рисунок 5.3
Электрические параметры
| Параметр | Значение |
| Номинальное напряжение питания | 15В, 10 % |
| Коэффициент усиления напряжения | 20000 |
| Максимальная скорость нарастания выходного напряжения | 20мкВ/с |
| Входное сопротивление | 1 · 1000 Ом |
5.3 Микросхема 74AC04N [7]
74AC04N (рисунок 5.4) содержит шесть независимых инверторов и выполняет функцию Boolean A = YИнверсный
Рисунок 5.4
5.4 Микросхема КР590КН8 [8] (МОП транзисторные ключи на структурной схеме)
Сопротивление открытого канала МОП транзисторных ключей должно быть не более 100 Ом, время включения/выключения - не более 10 нс

Рисунок 5.5
КР590КН8 (рисунок 5.5) четырехканальный аналоговый коммутатор (однополюсное включение). Многофункциональные аналоговые переключатели, изготовленные со встроенными высокоскоростными, высоковольтными и имеющими низкое сопротивление МОП (DMOS) транзисторами.
5.5 Микросхема 74ACT74N [8] (Формирователь импульса и узел синхронизации)
Микросхема 74ACT74 (рисунок 5.6) – сдвоенные триггеры D-типа с асинхронным сбросом и установкой и дополнительными (Q, Q0 ) выводы. Информация со входа передается на выход только с приходом положительного синхроимпульса. После того, как тактовый импульс вводит пороговое напряжение, ввод данных блокируется, и информация не передается на выводы до следующего синхроимпульса.

Рисунок 5.6
5.6 Компаратор LM211 [7] (узел синхронизации и узел АЦП на функциональной схеме)
Микросхема LM211 (рисунок 5.7) компаратор напряжения, который имеет входные токи приблизительно в сто раз ниже, чем устройства подобно μA710. Она разработана, чтобы работать по более широкому диапазону напряжений. Ее выход совместим с RTL, линией передачи данных, и ТТЛ-схемами, так же как МОП схемы. Так же она может управлять лампами или реле, переключая напряжения до 50В при токах 50 мА.

Рисунок 5.7 - Компаратор LM211
Параметры:
а) коэффициент усиления напряжения - 105
б) входной ток - 0,5 мкА
в) время переключения 0,5 мкс
5.7 Транзисторы [8] (эмитерные повторители)
Транзисторы 1VT1, 2VT1 - высокочастотные полевые с напряжением отсечки не менее 5 В (КПЗОЗГ, КПЗОЗЕ, КП307Ж и т. п.), 1VT2, 2VT2 - высокочастотные структуры n-p-n со статическим коэффициентом передачи тока п21Э не менее 50 мА (КТ316Д, КТ325Б, КТ325В), VT1, VT2 - любые соответствующей структуры с п21э не менее 400 мА, VT3 - с импульсным током коллектора не менее 300 мА и рабочей частотой не менее 200 МГц (КТ3117А, 2N2222).
5.8 Резисторы С2-29 [4]
В приставке можно применить резисторы с допускаемым отклонением от номинала не более ±0,25 %.
6. Описание работы электрической схемы
Принципиальная схема двуканальной осциллографической приставки приведена на чертеже ДП 230101.08.73.08 Э3
Исследуемые сигналы через входные гнезда XW1 и XW2 поступают на резистивно-емкостные делители, состоящие из переключателей 1SA2, 2SA2, резисторов 1R1—1R8, 2R1— 2R8 и конденсаторов 1С2—1С9,2С2—2С9, которые определяют максимальный размах по вертикали (префиксы 1 и 2 здесь и далее обозначают принадлежность элементов соответственно к каналам 1 и 2). К выходам делителей через повторители на транзисторах 1VT1, 1VT2 и 2VT1, 2VT2 подключены МОП транзисторные ключи микросхемы 1DA1 (два из ее направлений использованы в канале 1, остальные — в канале 2). Ключи открываются импульсами, поступающими от формирователя на триггере DD1.2, и через них заряжаются конденсаторы 1С10 и 2С10, к которым подключены не инвертирующие входы ОУ 1DA2 и 2DA2. Напряжения на конденсаторах, соответствующие напряжениям сигналов в момент открывания ключей, усиливаются ОУ. Длительность открывающего импульса соответствует минимальной длительности фронта входного сигнала, который отобразится без искажений, т. е. определяет полосу пропускаемых частот.
К выходам ОУ подключен сдвоенный АЦП последовательного приближения. Он содержит компараторы 1DA3, 2DA3 и ЦАП, собранный на элементах микросхем DD2, DD3 и матрице R-2R, состоящей из резисторов R12—R19, R21 — R28. Выходы компараторов соединены с контактами 13 и 15 разъема ХР1. Значения сигналов на этих контактах соответствуют битам 3 и 4 порта 37.9Н. Входы ЦАП подключены к контактам 2—9 ХР1, поэтому значение выходного сигнала ЦАП может устанавливаться путем записи в порт 378Н числа от 0 до 255 (в пределах 0,5...4,5 В). Реализованное в программе измерение напряжений на выходах ОУ 1DA2 и 2DA2 путем последовательного приближения осуществляется следующим образом. Сначала в порт 378Н выставляется число 27 (на выходе ЦАП — 2,5 В) и проверяется состояние выходов компараторов (бит 3 и 4 порта 379Н). Если компаратор сработал, к указанному числу прибавляется 26 , если нет — из первого вычитается второе. Затем еще раз проверяется состояние компараторов, прибавляется или вычитается 25 . Процедура повторяется до прибавления или вычитания 2. Полученные в результате числа соответствуют значениям напряжения на выходах 1DA2 и 2DA2. Делитель R20-R29 устанавливает пределы изменения напряжения на выходе ЦАП от0,5 до 4,5 В. Чтобы формирователь импульсов не срабатывал при определении напряжений на выходах ОУ, на вход D триггера DD1.2 в это время подается логический 0.
Время преобразования АЦП при времени записи в порт, равном 2 мкс, составляет 2x40 мкс. Синхронизация осуществляется в канале 1 с помощью компаратора DA1, инвертирующий вход которого через конденсаторы С1 и С2 подключен к выходу повторителя на транзисторах 1VT1 и 1VT2. Для повышения помехоустойчивости введены резисторы R2 и R3, задающие компаратору гистерезис 20 мВ. Уровень синхронизации регулируют переменным резистором R4. Задержка времени от момента срабатывания компаратора DA1 до момента открывания ключей микросхемы 1DA1 устанавливается программно-аппаратно на высокочастотных диапазонах и программно — на низкочастотных.
В первом случае программа, когда она. готова к приему очередного значения входных сигналов, устанавливает, а затем убирает сигнал "Reset" с триггера DD1.1 (бит 7 порта 37А= "1/0", контакт 1 принтерного разъема = "0/1"). "Взведенный" таким образом триггер срабатывает при переключении компаратора DA1, и транзистор VT3 закрывается. В результате от источника тока, выполненного на элементах VT2, R8, R9, начинает заряжаться один из времязадающих конденсаторов С7—С21. Когда напряжение на нем достигает значения напряжения на выходе ЦАП, срабатывает компаратор DA2 и запускает формирователь импульса (DD1.2, R11, С22), управляющий ключами микросхемы 1DA1. Срабатывание компаратора DA2 программа определяет по значению 0 на контакте 11 принтерного разъема (бит 0 порта 37ЭН). После этого запускается подпрограмма определения напряжения на выходах 1DA2 и 2DA2. Величины напряжений записываются в память, в ЦАП устанавливается следующее значение, триггер DD1.1 снова "взводится", и цикл повторяется до момента, когда будет нажата какая-либо клавиша.
На элементах VT1, R5, R6, VD1, СЗ, С6 реализован узел определения наличия синхронизации. Когда компаратор DA1 периодически срабатывает, на контакте 10 разъема ХР1 (бит 1 порта 379Н) присутствует логическая 1, и после "взведения" триггера DD1.1 программа дожидается срабатывания компаратора DA2. В противном случае этот триггер запускается из программы путем последовательной установки сигналов "Reset" и "Set"(6nTbi 4, 7 порта 37А = "10/01", контакты 1, 17 принтерного разъема = "01/10"). На выходе ЦАП программно устанавливаются значения от 0 до 255, соответственно задержка от момента синхронизации до момента открывания ключей изменяется от минимального значения до максимального, и формируется изображение сигнала.
Период развертки Т в секундах на деление) определяется по формуле(1)
Т = CU/2I (1)
где С — емкость подключенного конденсатора в фарадах;
U = 4,5 В — максимальное напряжение ЦАП;
I = 0,001 А — ток коллектора транзистора VT2.
При большой емкости времязадающего конденсатора изображение сигнала формируется слишком медленно. Поэтому в программе реализована процедура определения его емкости, проверяющая, сколько раз программа может считать значения сигналов за время его зарядки. Если это время велико (задана большая длительность развертки), после переключения компаратора DA1 ключи коммутатора 1DA2 могут открываться несколько раз. При этом на выходе ЦАП устанавливаются промежуточные значения, а триггер DD1.1 запускается из программы путем последовательной установки сигналов "Reset" и "Set". Если выбрана длительность развертки больше 5 мс/дел. (переключатель SA2 в нижнем (по схеме) положении), задержка после переключения компаратора DA1 формируется программно. Об этом сообщается программе по нулевому значению бита 2 порта 379Н.
Триггер DD1.1 запускается из программы путем последовательной установки сигналов "Reset" и "Set" через заданные промежутки времени. Время развертки задают с клавиатуры клавишами "0"— "9". Смещение луча по вертикали изменяют переменными резисторами 1R13 и 2R13, длительность развертки (плавно) — резистором R28.
7. Конструктивный расчёт печатной платы
Максимальная температура пайки микросхем (235
5) ° C, расстояние от корпуса до места пайки не менее 1 мм, продолжительность пайки не более 4 с. При проведении монтажных операций допускается не более двух перепаек микросхем.
При разработке конструкции печатной платы (ПП) решаются задачи размещения элементов на ПП, трассировки печатных проводников, выбора метода изготовления ПП, расчета конструктивных параметров ПП.
Расположение элементов на ПП изображено на рисунке 7.1

Рисунок 7.1
Технология изготовления печатной платы зависит от конструктивных особенностей изготовления платы. Для изготовления устройства требуется двух сторонняя печатная плата с металлизированными отверстиями; материал для ПП – стеклотекстолит, монтажные отверстия изготовлены сверлением; отступ от краев ПП равен 5 мм; диаметр крепежных отверстий равен 4,0 мм ИМС и ЭРЭ необходимые для сборки устройства приведены в таблице 2.
Таблица 2
| Группы элементов | Наименование | Количество элементов | ||||||
| ИМС |
|
11 |
||||||
| Конденсаторы керамические | к10-7в | 31 | ||||||
| Конденсаторы электролитические | К50-32 | 2 | ||||||
| Транзисторы |
|
5 |
||||||
| Резисторы | С2-29 10% | 42 | ||||||
| Резисторы переменные | ППЗ-43 - 4, 7 кОм | 3 | ||||||
| Переключатели | RCL371-2-2-8 RCL371-4-16-4 ASW-09 |
3 |
||||||
| Транзисторы |
|
5 |
||||||
| Диоды | КД103А | 1 | ||||||
| Разъем штепсельный | LPT СР-50-73ФВ (BNS) |
2 |
Данные о габаритах корпусов приведены в таблице 3.
Таблица 3
| Корпус | Длина | Ширина | Кол-во выводов | Диаметр выводов | Ссылка |
| DIP-8 | 10,00 мм | 5,00 мм | 8 | 0,5мм | [8] |
| DIP-16 | 20,00 мм | 5,00 мм | 16 | 0,5мм | [8] |
| DIP-14 | 18,00 мм | 5,00 мм | 8 | 0,5мм | [8] |
| К50-32 | 4,00 мм | 4,00 мм | 2 | 0,6 мм | [9] |
| КД103А | 4,00 мм | 2,00 мм | 2 | 0,4 мм | [8] |
| КП303Г | 4,00 мм | 3,00 мм | 3 | 0,5мм | [9] |
| КТ316А | 4,00 мм | 3,00 мм | 3 | 0,5мм | [8] |
| КТ3102А | 4,00 мм | 3,00 мм | 3 | 0,5мм | [8] |
| КТ3107А | 4,00 мм | 3,00 мм | 3 | 0,5мм | [8] |
| КТ3117А | 4,00 мм | 3,00 мм | 3 | 0,5мм | [8] |
| K10-7B | 4,00 мм | - | 2 | 0,4 мм | [8] |
| С2-29 | 6,00 мм | 2,2 мм | 2 | 0,6 мм | [8] |
| DB-27F | 40,00 мм | - | 27 | 0,6 мм | [8] |
С помощью полученных данных высчитываем диаметр отверстий:
для конденсатора d=dвыв +0,4 мм =0,8 мм;
для полярного конденсатора d=dвыв +0,4 мм =1,0 мм;
для резистора d=dвыв +0,4 мм =1,0 мм;
для ИМС d=dвыв +0,4 мм =0,9 мм;
для диода d=dвыв +0,4 мм =0,8 мм;
для транзистора d=dвыв +0,4 мм =0,8 мм;
Размеры печатной платы не совпадают со стандартным рядом ГОСТ 10.317-72 т.к. ПП разрабатывалась под уже готовый корпус ширина
ПП = 56 мм, длина ПП = 106 мм.
Корпус сделан из пластика, толщина стен равна 2 мм, что позволяет сохранить целостность печатной платы при падении устройства с высоты 1 метр.
7.1 Сборка
Максимальная температура пайки микросхем (235
5) ° C, расстояние от корпуса до места пайки не менее 1 мм, продолжительность пайки не более 4 с. При проведении монтажных операций допускается не более двух перепаек микросхем.
8. Технология изготовления печатных плат
8.1 Получение рисунка печатной платы [5]
Процесс получения рисунка печатной платы можно условно разделить на восемь основных этапов.
- Этап 1 - подготовка изображения
Позитивное изображение на пленкедолжно быть абсолютно светонепроницаемым, не иметь изгибов и искривлений. Пленка должна абсолютно ровно лежать на поверхности, что бы предотвратить возможность бокового освещения.
- Этап 2 - подготовка поверхности
Поверхность фольгированного стеклотекстолита необходимо обезжирить со стороны фольги. После того, как поверхность обезжирена, очень важно, чтобы она была полностью высушена, так как остатки влаги влияют на сцепление светочувствительного покрытия с поверхностью.
POSITIV RESIST – светочувствительное покрытие, позволяющее передавать формы линии и контуры. Препарат позволяет при помощи не сложных процедур точно копировать любые изображения на широкий спектр материалов. POSITIV RESIST легок в применении, быстро высыхает, обеспечивает хорошую контрастность м высокую точность. Имеет цвет - темно-фиолетовый, плотность – 0,85 г/см3 , время высыхания при комнатной температуре 10-20 часов, 10-20 минут при комнатной температуре с последующей сушкой при 70-800 С в течении 15-20 минут, светочувствительность – между 310 и 440 нм (максимум – между 330 и 420 нм)
- Этап 3 – нанесение фоторезиста
Процедура нанесения светочувствительного покрытия на очищенную и обезжиренную плату может быть выполнена и при дневном освещении. Темное помещение для этого не потребуется, однако следует избегать попадания прямых солнечных лучей, поскольку покрытие чувствительно к ультрафиолетовому излучению. Для лучшего качества очень важно отсутствие пыли в помещении.
Плату необходимо поместить на горизонтальную или слегка наклоненную поверхность и нанести препарат с расстояния примерно 20 см. Лучше всего наносить слой непрерывно, волнистыми линиями, начиная из верхнего левого угла. В этом случае покрытие будет равномерным. После того, как поверхность примет вид апельсиновой корки, напыление можно прекратить. Через некоторое время сформируется однородный светочувствительный слой. Если было нанесено слишком много препарата, то формирование покрытия займет больше времени, а сама пленка получится неравномерной.
Во время напыления, аэрозоль не следует наклонять слишком сильно. В противном случае при полупустом баллоне препарат будет разбрызгиваться.
До того, как обработанная плата подвергнется засвечиванию, ее следует хранить в темном и прохладном месте. Перед нанесением покрытия необходимо убедиться, что баллон имеет комнатную температуру.
- Этап 4 - сушка
Платы перед засвечиванием должны быть высушены в темноте, что бы достичь хороших показателей качества передачи изображения и прочности сцепления покрытия с поверхностью. Эту процедуру можно выполнить в сушильном шкафу, в печи с термоконтролем или при помощи инфракрасного излучения. Рекомендуемая температура не выше 70-800 С [5].
Не нужно сразу подвергать плату нагреву до данной температуры. Нагревайте медленно, постепенно доводя до конечно температуры. Быстрая сушка может стать причиной не полного удаления растворителя и не равномерного формирования фоточувствительного слоя.
Предварительно высушив плату при более низких температурах, постепенно увеличить нагрев до 70-800 С, продолжая сушку в этом интервале ещё минут 15-20. Неполная сушка приводит к образованию дефектов на покрытии и потере сцепления с платой.
- Этап 5 - экспонирование
Наилучший результат достигается при использовании ультрафиолетовых ламп, например кварцевой лампы (Philips HPR 125) или ртутной лампы. Чаще всего необходимо воздействовать достаточным количеством интенсивного ультрафиолетового излучения с длиной волны 310-440нм. Хорошие результаты достигались при освещении лампой мощностью 200Вт в течении около 10минут на расстоянии 30-40см. Время экспозиции определяется длиной волны, а не мощностью лампы. Наиболее благоприятный спектр чувствительности светочувствительного слоя находится в интервале от 330 до 420нм. Если покрытие нанесено на стеклянную поверхность, то требуется большее время выдержки, поскольку стекло поглощает до 65% ультрафиолетовых лучей. В такой ситуации необходимо увеличить время выдержки или использовать чистое стекло или плексиглас.
- Этап 6 - проявка
Высушенный и засвеченный светочувствительный слой можно проявлять при дневном освещении, чтобы прямые солнечные лучи не попадали в помещение. Необходимо приготовить проявитель виде раствора 200 мл "жидкого стекла", 800 мл дистиллированной воды 400 г гидроксида натрия.. Проявитель должен иметь температуру 20-250 С. Низкая температура замедляет процесс проявки, высокая - ускоряет, но уменьшает резкость изображения. После проявки промыть плату в проточной воде.
Нельзя не добавлять свежий проявитель в уже использованный. Проявитель всегда должен быть свежим.
Этап 7 - травление
Светочувствительное травление POSITIV RESIST устойчиво к кислотным растворам хлорида железа, персульфата аммония, хромовой кислоте, хлористо-водной и фтористо-водной кислотам, если оно нанесено на стеклянную поверхность. В настоящее время в большинстве случаев травление производят персульфатом аммония и хлористо-водной кислотой. Ниже преведено краткое описание двух этих процессов:
1)На основе персульфата аммония (NH4 )2 S2 O8
Пропорции смеси: 35г персульфата аммония на 65мл воды. Травление занимает около 10 минут, в зависимости от площади, которую нужно протравить. Используется теплый (400 С) раствор. По окончании промыть в проточной воде.
2) На основе хлористо-водной кислоты.
Пропорции смеси:200мл хлористо-водной кислоты (HCl 35%), 30мл перекиси водорода (H2 O2 30%), 770мл воды.
Смесь нужно использовать с особой осторожностью. Следует избегать контакта с кожей. При попадании немедленно промыть водой. Также очень важно защищать глаза. Время травления сильно зависит от активности и температуры раствора. При использовании очень активного раствора комнатной температуры процесс длится около 10 минут. По окончании платы промыть в проточной воде.
Этап 8 - очистка
Фрагменты дорожек следует удалить с оставшегося после травления слоя. Это можно сделать при помощи органических растворителей, например ацетон.
8.2 Метализация отверстий печатной платы на основе графита [13]
Металлизация графитом, с последующим гальваническим осаждением меди. После сверления поверхность платы покрывается аэрозольным раствором, содержащим мелкодисперсные частицы графита, который затем ракелем (скребком или шпателем) продавливается в отверстия. Можно использовать аэрозоль фирмы CRAMOLIN "GRAPHITE". Данный аэрозоль широко используется в гальванопластике и других гальванических процессах, а также при получении проводящих покрытий в радиоэлектронике. Если основу составляет легколетучее вещество, то необходимо сразу же встряхнуть плату в направлении перпендикулярном плоскости платы, так чтобы излишки пасты удалились из отверстий до испарения основы. Излишки графита с поверхности удаляются растворителем или механически - шлифованием. Необходимо отметить, что размер полученного отверстия может быть меньше на 0.2 мм исходного диаметра. Загрязненные отверстия можно прочистить с помощью иглы. Кроме аэрозолей можно использовать коллоидные растворы графита. Далее на проводящие цилиндрические поверхности отверстий осаждается медь.
Установка для проведения данной операции представляет собой ёмкость, заполненную раствором электролита (насыщенный раствор Cu2SO4+10% раствор H2SO4), в которую опущены медные электроды и заготовка. Между электродами и заготовкой создается разность потенциалов, которая должна обеспечить плотность тока не более трех ампер на квадратный дециметр поверхности заготовки. Большая плотность тока позволяет достигать больших скоростей осаждения меди. Так для осаждения на заготовку толщиной 1.5 мм необходимо осадить до 25 мкм меди, при такой плотности этот процесс идет чуть более получаса. Для интенсификации процесса в раствор электролита могут добавляться различные присадки, а жидкость может подвергаться механическому перемешиванию. При неравномерном нанесении меди на поверхность заготовка может быть отшлифована.
9. Смета затрат на устройство ввода аналоговой информации
9.1 Материалы и комплектующие
В таблице 4 показаны затраты на приобретение материалов и комплектующих. Цены на ЭРЭ и материалы взяты из [4], на микросхемы из [8]
Таблица 4
| Наименование | Кол. | Цена, руб. | Сумма, руб. | ||
| Конденсаторы | |||||
| К10-7В-М47-22пФ | 2 | 1 | 2 | ||
| К10-7В-М47-51пФ | 2 | 1 | 2 | ||
| К10-7В-М47-100пФ | 2 | 1 | 2 | ||
| К10-7В-М47-220пФ | 2 | 1 | 2 | ||
| К10-7В-М47-510пФ | 2 | 1 | 2 | ||
| К10-7В-М47-1000пФ | 3 | 2 | 6 | ||
| К10-7В-М47-2200пФ | 3 | 2 | 6 | ||
| К10-7В-М47-47пФ | 3 | 1 | 3 | ||
| К10-7В-М47-330пФ | 1 | 1 | 1 | ||
| К10-7В-М47-4700пФ | 1 | 3 | 3 | ||
| К10-7В-М47-0,01мкФ | 1 | 3 | 3 | ||
| К10-7В-М47-0,022мкФ | 1 | 3 | 3 | ||
| К10-7В-М47-0,047мкФ | 1 | 3 | 3 | ||
| К10-7В-М47-0,1мкФ | 3 | 3 | 9 | ||
| К10-7В-М47-0,22мкФ | 1 | 3 | 3 | ||
| К10-7В-М47-0,47мкФ | 1 | 3 | 3 | ||
| К10-7В-М47-1мкФ | 3 | 3 | 9 | ||
| К10-7В-М47-0,1мкФ | 3 | 3 | 9 | ||
| К10-7В-М47- 2,2мкФ | 1 | 3 | 3 | ||
| К10-7В-М47- 4,7мкФ | 1 | 3 | 3 | ||
| К10-7В-М47- 10 мкФ | 1 | 3 | 3 | ||
| К50-32-47мкФ-10В-10% | 1 | 4 | 4 | ||
| К50-32-100мкФ-10В-10% | 1 | 6 | 6 | ||
| Микросхемы | |||||
| КР544УД2 | 2 | 20 | 40 | ||
| КР590КН8 | 2 | 23 | 46 | ||
| LM211N | 3 | 10 | 30 | ||
| К597СА2 | 1 | 15 | 15 | ||
| 74ACT74N | 1 | 9 | 18 | ||
| 74AC04N | 3 | 13 | 26 | ||
| Резисторы | |||||
| С2-29-510 кОм-10% | 2 | 1 | 2 | ||
| С2-29-300 кОм-10% | 2 | 1 | 4 | ||
| С2-29-100 кОм-10% | 2 | 1 | 1 | ||
| С2-29-51 кОм-10% | 2 | 1 | 1 | ||
| С2-29-30 кОм-10% | 2 | 1 | 4 | ||
| С2-29-10 кОм-10% | 2 | 1 | 2 | ||
| С2-29-5,1 кОм-10% | 4 | 1 | 4 | ||
| С2-29-470 Ом-10% | 2 | 1 | 2 | ||
| С2-29-100 Ом-10% | 2 | 1 | 2 | ||
| С2-29-4,7 кОм-10% | 2 | 1 | 2 | ||
| С2-29- 1 кОм-10% | 15 | 1 | 15 | ||
| С2-29- 10кОм-10% | 2 | 1 | 2 | ||
| С2-29- 500Ом-10% | 7 | 1 | 7 | ||
| С2-29- 47кОм-10% | 2 | 1 | 2 | ||
| С2-29- 470кОм-10% | 2 | 1 | 2 | ||
| Резисторы переменные | |||||
| ППЗ-43 - 4, 7 кОм | 4 | 3 | 12 | ||
| Диоды | |||||
| КД103А | 1 | 5 | 5 | ||
| Транзисторы | |||||
| КТ316А | 2 | 13 | 26 | ||
| КТ303Г | 2 | 12 | 24 | ||
| КТ3102А | 1 | 15 | 15 | ||
| КТ3107А | 1 | 16 | 16 | ||
| КТ3117А | 1 | 12 | 12 | ||
| Переключатели | |||||
| RCL371-2-2-8 | 2 | 30 | 60 | ||
| RCL371-4-16-4 | 1 | 45 | 45 | ||
| ASW-09 | 2 | 6 | 12 | ||
| Штепсельные разъемы | |||||
| BNS-СР-50-73ФВ | 2 | 30 | 60 | ||
| LPT | 1 | 15 | 37 | ||
| Корпус | 1 | 50 | 50 | ||
Стеклотекстолит фольгированый ФС-2 |
56х106 мм |
400 руб/м2 | 35,50 | ||
| Припой | 0,15кг. | 30 руб/кг | 4,5 | ||
| Флюс | 0,4кг. | 20 руб/кг | 8 | ||
| Хлорное железо | 0,2кг. | 45 руб/кг | 9 | ||
| Фоторезист POSITIV 20 | 0.2 л | 400 р./л | 80 | ||
| Гидроокись натрия | 0,7 кг | 150 р./кг | 10,50 | ||
| Итого: | 753 | ||||
Итого на приобретение материалов и комплектующих потребуется 753 рубля.
9.2 Затраты на адаптацию
Для изготовления печатной платы и пайки элементов потребуется исполняющий.В таблице 5 показаны расходы на оплату труда исполнителю.
Таблица 5
| Вид работы | Трудоемкость час. | Цена руб./час | Сумма, руб. | |
| Получение заказа | 3 | 15 | 45 | |
| Разработка | 16 | 25 | 400 | |
| Изготовление печатной платы (ПП) | 8 | 250 | 800 | |
| Пайка элементов | 4 | 100 | 1000 | |
| Тестирование | 2 | 40 | 80 | |
| Внешняя экспертиза | 2 | 50 | 100 | |
| Сдача заказчику | 2 | 30 | 60 | |
| Итого: | 2485 | |||
Дополнительная заработная плата составляет 20% от основной: 2485*20%=497 рублей
Дополнительная заработная плата составила 497 рублей.
Северный районный коэффициент составляет 50% от основной и дополнительной заработных плат: (2485+497)*50%=1491 рубль
Северный районный коэффициент составил 1491 рубль.
Единый социальный налог 26% от основной, дополнительной заработных плат и северного районного коэффициента: (2485+497+1491)*26%=1161 рублей
Единый социальный налог составил 1161 рублей.
Итого затраты на адаптацию составили: 2485+497+1491+1161=5628 рублей.
9.3 Общепроизводственные расходы
Для изготовления устройства потребуется рабочее место и необходимое оборудование, поэтому берем в аренду лабораторию 123«б» Иркутского авиационного техникума (ИАТ). Аренда одного рабочего места лаборатории составляет за 1 кв. м 154,87 рублей. По ГОСТу 12.2.033 рабочее место составляет 6 кв. м.
Итого аренда за 6 кв. м составляет: 154,87*6=929,22 рубля.
В аренду входит амортизация оборудования.
Исходя из таблицы 5, на изготовление устройства потребуется 21 час, то есть три дня по восемь рабочих часов (разработка не включается).
Отдельно оплачиваются коммунальные услуги за три рабочих дня:
- вода и канализация 21,3 рубля;
- мусор 24 рубля;
- электроэнергия и теплоэнергия 17,7 рублей.
Итого за аренду лаборатории потребуется: 21,3+ 24+17,7+929,22=992,12 рубля.
Оплата коммунальных и эксплуатационных услуг взята из бухгалтерии ИАТ за ІІ квартал 2008 года.
9.4 Нематериальные активы
В таблице 6 показаны расходы на программное обеспечение (ПО).
В лаборатории установлено необходимое программное обеспечение, поэтому платим 5% от стоимости программного продукта за использование.
Таблица 6
| Наименование ПО | Цена, руб. | 5% |
| P-cad [11] | 218704 | 10935,2 |
| USCOPE [12] | 120240 | 6012 |
| Итого: | 16947,2 | |
Затраты на нематериальные активы составили 16947,2 рубля
9.5 Коммерческие расходы
Коммерческие расходы составляют 12% от заработной платы: 5628*12%=675,36 руб.
Итого коммерческие расходы составили 675,36 рублей.
Себестоимость устройства показана в таблице 7.
Таблица 7
| Затраты | Сумма, руб. |
| Нематериальные активы | 16947,2 |
| Расходы на материалы и комплектующие | 753 |
| Затраты на адаптацию (заработная плата) | 5628 |
| Общепроизводственные расходы | 992,12 |
| Коммерческие расходы | 675,36 |
| Итого себестоимость: | 24995,68 |
После того как рассчитана себестоимость устройства, считаем процентное соотношение каждого пункта затрат по формуле (2).
Х= сумма затрат*100% / себестоимость (2)
Расчеты процентного соотношения каждого пункта затрат по формуле (2) показаны в таблице 8.
Таблица 8
| Затраты | % |
| Нематериальные активы | 70,51 |
| Расходы на материалы и комплектующие | 2,65 |
| Затраты на адаптацию (заработная плата) | 20,2 |
| Общепроизводственные расходы | 4,12 |
| Коммерческие расходы | 2,7 |
В себестоимость на устройства ввода аналоговой информации нематериальные активы составляют 70,51%, расходы на материалы и комплектующие – 2,65%, затраты на адаптацию (заработная плата) – 20,2%, общепроизводственные расходы – 4,12%, коммерческие расходы – 2,7%.
Для того чтобы снизить себестоимость данного устройства необходимо в дальнейшем рассмотреть статью «общепроизводственные расходы и нематериальные активы».
Данное устройство предназначено для проведения лабораторных работ в Иркутском авиационном техникуме.
10. Экономическая эффективность разработки
В таблице 9 показана экономическая эффективности разработки. Для примера взята схема цифрового осциллографа С8-39 [10].
Таблица 9
| Цифровой осциллограф С8-39 (аналогичный вариант) | Двухканальная осциллографическая приставка к ПК (разрабатываемый вариант) |
| Технические характеристики | |
| COM порт | LPT |
| АЦП: 2 канала, 50 МГц, 8 бит | АЦП: 2 канала, 50 МГц, 8 бит |
| Питание: +12 В, 220 В | Питание: +12 В; +5В; -6В, |
| Одновременное наблюдение двух сигналов | Одновременное наблюдение двух сигналов |
| Минимальный период повторения сигналов 300 мкс | Минимальный период повторения сигналов 300 мкс |
| Интервал входных сигналов 0.1..+50В | Интервал входных сигналов 0.1..+20В |
| На входе и выходе операционный усилитель | |
| Экономические характеристики | |
| Цена 34 161 руб. | Себестоимость 24995,18 руб. |
Экономическая эффективность устройства:
- себестоимость устройство получается примерно в полтора раза ниже чем у аналогичного по характеристикам устройства;
- Так, как устройство будет использоваться в Иркутском авиационном техникуме, то для его изготовления могут быть задействованы лаборанты, в этом случае себестоимость будет заключаться только в стоимости материалов и комплектующих и составит 753 рубля.
- Простота схемы и доступность элементов.
Заключение
В данном дипломном проекте была рассмотрена схема приставки двухканальной осциллографической. Предложенная схема имеет довольно хорошие характеристики (0-50 МГц). Имеет режим работы в стробоскопе.
Схема выполнена на доступных компонентах. Себестоимость устройства существенно ниже по сравнению с аналогичными.
Список информационных источников
1 Гоноровский И.С. Радиотехнические цепи и сигналы: учебник для вузов. – М.; Радио и связь, 1986г.
2 Гук М. Интерфейсы ПК: справочник – СПб Питер Ком, 1999г
3 Журнал Радио № 3 2004 г. «Приставка двухканальная осциллографическая» автор: А.Хабаров,
4 Нефедов В.И. Электрорадиоизмерения: учебник для вузов. – М.; Просвещение, 2004г.
5 Фрумкин Г.А. «Расчет и конструирование радиоэлектронной аппаратуры»
6 Прайс-лист «Электроника» от 29.05.08
7 Электронный ресурс Интернет сайт www.analog.com
8 Электронный ресурс Интернет – магазин «Chipinfo». Раздел «Продукция» www.chipinfo.ru/vstock/catalog.html
9 Электронный ресурс Интернет - магазин http://www.compitech.ru/html.cgi/arhiv_s/00_01/stat_47.htm
10 Электронный ресурс Интернет сайт HTTP://www.kazus.ru
11 Электронный ресурс Интернет - магазин «Конкурент» http://www.konkurentov.net/altium_limited_p_cad_2006__6l_68/P-CAD
12 Электронный ресурс Интернет - магазин ЗАО «Руднев - Шиляев» http://www.rudshel.ru/production/data_acquisition_boards/external_devices/la-2usb-12-14.html
13 Электронный ресурс Журнал «Радио» http://www.radio.ru Раздел «Архив» http://www.radio.ru/pub/2004/03/osc2k1.zip
14 Электронный ресурс http://pcbfab.ru/index.php?name=hands