| Скачать .docx |
Курсовая работа: Радиопередатчик повышенной мощности с кварцевой стабилизацией частоты задающего генератора
Федеральное агентство по образованию
ГОУ ВПО «УРАЛЬСКИЙ ГОСУДАРСТВЕННЫЙ ТЕХНИЧЕСКИЙ УНИВЕРСИТЕТ-УПИ»
РАДИОТЕХНИЧЕСКИЙ ИНСТИТУТ – РТФ
КАФЕДРА ВЫСОКОЧАСТОТНЫХ СРЕДСТВ РАДИОСВЯЗИ И ТЕЛЕВИДЕНИЯ
Оценка работы _______________
Преподаватель _______________
/ Булатов Л.И./
РАДИОПЕРЕДАТЧИК ПОВЫШЕННОЙ МОЩНОСТИ С КВАРЦЕВОЙ СТАБИЛИЗАЦИЕЙ ЧАСТОТЫ ЗАДАЮЩЕГО ГЕНЕРАТОРА
КУРСОВОЙ ПРОЕКТ
ПОЯСНИТЕЛЬНАЯ ЗАПИСКА
075600 000000 004 ПЗ
Подпись ДатаФ.И.О.
Руководитель Булатов Л. И.
Студент Беляев Д. О.
Группа Р-43072
Номер зачетной книжки 09372704
Екатеринбург 2007
Содержание
Задание на курсовое проектирование
Принципиальная схема передатчика
Часть 1. Структурная схема передатчика с пояснениями
Часть 2. Электрические расчеты режимов и элементов
оконечного каскада
Часть 3. Конструкторский расчет элементов оконечной ступени
Часть 4. Назначение всех элементов принципиальной схемы
радиопередатчика
Заключение
Список использованных источников
Приложение
Задание на курсовое проектирование
Вам предлагается для исследования и расчета оконечной ступени схема реального радиопередающего устройства.
Составьте пояснительную записку, которая должна содержать следующие разделы:
1. Структурная схема передатчика с пояснениями: тип применяемой модуляции, вид согласующего устройства выходного каскада передатчика с нагрузкой, схема возбудителя передатчика.
2. Электрические расчеты режимов и элементов оконечного каскада. Полагая, что мощность выходной ступени Р1 = 0,5 Вт, а антенна – это вертикальный штырь длиной l = 1 м, сделайте расчет электрического режима этого каскада и устройств согласования передатчика с нагрузкой.
3. Конструкторский расчет элементов оконечной ступени.
4. Назначение всех элементов принципиальной схемы радиопередатчика.
Рабочая частота f = 45 МГц.

Часть 1.
Структурная схема передатчика с пояснениями
Заданная на курсовое проектирование схема реального радиопередающего устройства показывает, что приведенный на ней радиопередатчик использует прямой метод частотной модуляции высокочастотного колебания, вырабатываемом автогенератором, речевым модулирующим сигналом, поступающим с микрофона. Частотная модуляция осуществляется с помощью варикапной матрицы, включенной в схему задающего генератора: под действием модулирующего напряжения, поступающего на данную матрицу, изменяется емкость варикапной матрицы, что приводит к изменению частоты автогенератора.

Рис. 2. Структурная схема передатчика
Структурная схема радиопередающего устройства представлена ниже:
В данной структурной схеме под аббревиатурой «ЦС» обозначена цепь согласования, представляющая собой П-образный четырехполюсник:

Рис. 3. Схема согласующего устройства
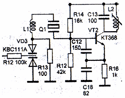
Возбудитель передатчика – кварцевый автогенератор, в котором осуществляется прямая частотная модуляция, а затем там же, точнее, в коллекторной нагрузке (представляет собой колебательный контур), осуществляется умножение частоты, поскольку частота основных колебаний автогенератора колеблется в пределах 15..18 МГц. Здесь кварцевый резонатор включен цепь обратной связи трехточечной схемы автогенератора (емкостная трехточка с заземленным эмиттером, элемент ОС – конденсатор С12):

Рис. 4. Схема задающего генератора
Часть 2. Электрические расчеты режимов и элементов оконченного каскада
Схема оконечного каскада приведена ниже:

Рис. 5. Схема оконечного каскада
Для дальнейшего расчета данной части радиопередающего устройства необходимо знать главный параметр антенны (вертикальный штырь), без которого расчет всего передающего устройства бессмыслен – входное сопротивление антенны. Для точного расчета параметров антенны используем специализированную программу MMANA.
Расчет входного сопротивления антенны
Для расчета антенны необходимо ввести ее координаты в пространстве.
Для более точного расчета необходимо задать координаты с учетом так называемой подстилающей поверхности – имитатора (эквивалента) тела радиопередатчика. Его представляют собой два горизонтальных провода длиной в 1 метр каждый, прикрепленные к одному из выводов штыря:

Рис. 6. Внешний вид антенны с учетом проводов-имитаторов реального радиопередатчика
Кроме того, реальные антенны реальных радиопередатчиков ставятся пользователями передающего устройства на определенную высоту. Зададимся высотой в 1,5 метра от поверхности земли. Зададимся и радиусом антенны – 5 мм. Поэтому координаты антенны будут следующие:

Рис. 7. Окно параметров антенны
Для дальнейшего расчета параметров антенны необходимо задать на вкладке «Вид» источник сигнала, поступающего в антенну. Без этого дальнейший расчет невозможен:

Рис. 8. Окно внешнего вида антенны
Далее следует непосредственный расчет параметров антенны, к которым относится и входное сопротивление антенны:

Рис. 9. Окно расчета параметров антенны
Далее необходимо перейти на вкладку «Диаграмма направленности», где, помимо самой диаграммы направленности (круговой, так как положение относительно сторон света может меняться; такую антенну чаще всего имеют передвижные радиопередатчики) представлено и входное комплексное сопротивление антенны ZA :

Рис. 10. Окно результатов работы программы
В результате сопротивление антенны получилось равным:
ZA =RA +jXA =4.627 - j256.356 (Ом).
Можно сделать вывод, что комплексное сопротивление антенны имеет емкостный характер.
Расчет выходной цепи генератора по схеме с общим эмиттером
На схеме оконечного каскада передатчика указан транзистор марки КТ610. Промышленность выпускает только разновидности этого транзистора – КТ610А и КТ610Б. Выберем КТ610А.
Производится расчет выходной цепи оконечного каскада на заданную мощность P1=0.5 Вт. Понадобится параметр:
. Для транзистора КТ610А этот параметр равен 10 Ом.
Зададимся углом отсечки коллекторного тока θ=90˚ (для обеспечения приемлемых соотношений Р1 и КПД ГВВ). Таким образом, режим работы ГВВ – граничный.
Коэффициенты Берга и коэффициенты разложения импульсной последовательности для θ=90˚:

1. Коэффициент использования коллекторного напряжения в граничном режиме:
2. Амплитуда первой гармоники напряжения на коллекторе в граничном (критическом) режиме:
.
3. Амплитуда первой гармоники коллекторного тока:
.
4. Постоянная составляющая коллекторного тока:
.
5. Максимальная величина коллекторного тока:
.
6. Мощность, потребляемая от источника коллекторного питания:
.
7. Коэффициент полезного действия коллекторной цепи:
.
8. Мощность, рассеиваемая на коллекторе транзистора:
.
9. Сопротивление коллекторной нагрузки:
.
Расчет входной цепи транзисторного генератора по схеме с общим эмиттером
Ссылаясь на автора книги по проектированию радиопередающих устройств Шахгильдяна В.В., отмети, что данная методика расчета справедлива на частотах до (0,5…0,8)fT . Так как у транзистора КТ610 частота единичного усиления fT >1000 МГц (для определенности возьмем частоту, близкую к данной – 1100 МГц), следовательно эта методика может использоваться для расчета входной цепи оконечного каскада (поскольку заданная рабочая частота равна 45 МГц).
Входная цепь транзистора (если рассматривать электрическую модель транзистора) представляет собой совокупность цепей, в которых происходят переходные процессы, вследствие чего образуются перекосы импульсовiк (ωt). Для устранения перекосов в импульсах iк (ωt) нужно включать шунтирующее добавочное сопротивление Rдоп между выводами базы и эмиттера транзистора.
Сопротивление Rдоп выравнивает постоянные времени эмиттерного перехода в закрытом и в открытом состоянии. Одновременно сопротивление Rдоп снижает максимальное обратное напряжение на закрытом эмиттерном переходе.
. В расчете по данной формуле значение коэффициента усиления по току β0
соответствует среднему геометрическому приведенных в справочниках достаточно широко разбросанных значений этого коэффициента: β0
= 50…300, отсюда
.
При включении транзистора с ОЭ целесообразно между коллекторным и базовым выводами транзистора включать сопротивление RО.С..
.
В результате включения RО.С. создается дополнительная отрицательная обратная связь на низких и средних частотах. В результате на всех частотах модуль коэффициента усиления по току транзистора β(ω) снижается в χ раз.
.
Стоит отметить, что в справочных данных не указаны такие параметры транзистора, как сопротивление в цепи эмиттера rэ , сопротивление в цепи базы rб , индуктивность выводов (базы и эмиттера) Lб , Lэ . Их не указывают, ссылаясь на то, что их следует принимать равными нулю. Однако реально эти величины все же существуют. Поэтому стоит рассчитать и их:
1. Нам известна постоянная времени коллекторного перехода
и емкость коллекторного перехода Ск
= 2.864·10-12
Ф. Также мы знаем формулу расчета постоянной времени коллекторного перехода:
, где Ска
– барьерная емкость активной части коллекторного перехода: Ска
=0.2·Ск
=5.727·10-13
Ф. Отсюда:
. Сопротивление rэ
примем равным
Ом.
2. Для расчета индуктивностей выводов транзистора (базы и эмиттера) необходимо знать длины этих выводов (внешний вид транзистора см. в Приложении). Индуктивность рассчитывается по следующей формуле:
. Измерено, что длина эмиттера равна 6.4 мм (так как эмиттера раздвоен, то следует принять 3.2 мм), базы – также 6.4. Отсюда индуктивности выводов:
.
Далее следует непосредственный расчет входной цепи ГВВ:
1. Амплитуда тока базы
.
2. Максимальное обратное напряжение на эмиттерном переходе
3. Постоянные составляющие базового и эмиттерного токов![]()
![]()
4. Напряжение смещения на эмиттерном переходе
5. Значения LВХ.О.Э , rВХ.О.Э. , RВХ.О.Э. , CВХ.О.Э. в эквивалентной схеме входного сопротивления транзистора на рис. 10.

Рис. 11. Эквивалентная схема входного сопротивления транзистора
![]()
![]()
![]()
![]()
6. Резистивная и реактивная составляющие входного сопротивления транзистора (ZВХ
=RВХ
+iXВХ
)

7. Входная мощность![]()
8. Коэффициент усиления по мощности![]()
Расчет устройства согласования передатчика с нагрузкой
Из теоретических сведений известно, что устройство согласования передатчика с нагрузкой предназначено не только для трансформации сопротивления нагрузки радиопередающего устройства в величину сопротивления Rк гр , но и для подавления высших гармоник.
Исходя из этих требований, воспользуемся специализированной программой RFSimm99, предназначенной для расчета выше указанного устройства. Так как тип согласующего устройства (П-образный четырехполюсник) нам уже задан, необходимо рассчитать активную составляющую входного сопротивления антенны: дело в том, что катушка индуктивности L5, относящаяся к антенне, служит для гашения реактивной составляющей комплексного сопротивления антенны ZA
=RA
+jXA
=4.627 - j256.356 (Ом). Отсюда сопротивление катушки (HL
=ωL) равно 256.356 Ом. Промышленность в настоящее время производит высокодобротные катушки (Q ≈ 100), однако и они имеют некоторые потери: сопротивление потерь, вносимое такой катушкой, рассчитывается так:
. Отсюда активная часть комплексного входного сопротивления антенны равна: RA
=4.627+2.56=7.187 Ом.
Также проектировщику необходимо задаться величиной полосы пропускания согласующего устройства, являющегося одновременно фильтрующим. Величина полосы пропускания определит и эффективность выделения колебания (гармоники) основной частоты, и эффективность подавления высших гармоник. Для начала зададимся узкой полосой пропускания в 1МГц. Чтобы узнать, какими будут параметры элементов, воспользуемся программой RFSimm99:

Рис. 12. Рабочее окно программы: задание сопротивлений, рабочей частоты передатчика и полосы пропускания.

Рис. 13. АЧХ устройства (подавление на 2 гармонике равно -46.32 дБ)
При увеличении полосы пропускания в 10 раз устройство обеспечивает гораздо худшее подавление высших гармоник, т.е. гораздо худшие фильтрующие свойства:

Рис. 14. АЧХ устройства при увеличенной полосе пропускания (подавление на второй гармонике составляет -25.31 дБ)
Оставим первоначальный вариант – с полосой пропускания в 1 МГц. Значения элементов (номенклатура по заданной схеме): L4=3.016 нГн, C16=6.366 нФ, C17=11.866 нФ. Однако изготовить катушку индуктивности, величина индуктивности которой 3.016 нГн, будет трудно, поэтому увеличим значение индуктивности до 50 нГн, но последовательно ей включим емкость величиной примерно 47 нФ, чтобы скомпенсировать выбранное значение индуктивности до 3 нГн:

Рис. 15. Вид ветви СУ с учетом принятых условий
Часть 3. Конструкторский расчет элементов оконечной ступени
Начнем расчет с элементов согласующего устройства. Напомним, что устройством согласования передатчика с нагрузкой служит П-образный четырехполюсник:

Рис. 16. Устройство согласования устройства передатчика с нагрузкой
Поскольку выходная мощность радиопередающего устройства, заданная в задании, много меньше 20 кВт, целесообразно выполнить катушку индуктивности L4 в виде цилиндрической однослойной спирали.
Очевидно, что ток, текущий через катушку индуктивности L4, по законам электротехники равен току, текущему через емкость С' (так как они соединены параллельно). Не трудно догадаться, что ток, текущий через катушку индуктивности L4, складывается из токов, текущих через емкость С17 и резистор (обозначает активную часть комплексного сопротивления антенны) RА , разумеется, с учетом комплексности (ток, текущий через катушку индуктивности L4, делится на токи, текущие через емкость С17 и резистор RА ). Это будет рассмотрено далее.
Мощность, отдаваемая в антенну:
, активная часть комплексного сопротивления антенны
. Отсюда:
.
Напряжение на нагрузке:
.
Ток, текущий через емкость С17:
![]()
Реактивное сопротивление емкости С17:
.
Тогда:
.
В конечном итоге (по методу комплексных амплитуд, известном из курса теории электрических цепей):
.
1. Действующее значение тока, текущего через катушку индуктивности L4:
.
2. Диаметр провода катушки:
, где коэффициент 1,8 определяет технологию изготовления катушки – катушку на ребристом (гребенчатом) каркасе, который обеспечивает свободную циркуляцию воздуха. Разность температур провода и окружающей среды ΔТ примем 45 К. Частота задается в МГц, действующее значение тока, текущего через катушку индуктивности L4, задается в амперах. Итого:
. По ГОСТу 2112-62 выбираем стандартный диаметр провода 4.5 мм (для достижения этого значения необходимо снизить разность температур провода и окружающей среды ΔТ до 42 К).
3. Зададимся отношением длины катушки к ее диаметру:
. Это значение справедливо для тех катушек, диаметр которых меньше 50 мм. Изготавливать катушку диаметром больше 50 мм технически не совсем выгодно, поскольку катушка выйдет много габаритная.
4. Так как d=4,5 мм, то выберем D=20 мм (для катушки на ребристом каркасе выбор диаметра провода определяется прочностью провода; для диаметра провода, рассчитанного ранее, данный диаметр катушки будет подходящим, но это должен доказать последующий расчет).
5. Так как
, отсюда длина катушки
=0,63·20=12,6 мм.
6. Коэффициент формы катушки: F≈11,4·10-3
7. Шаг намотки: g = (1,3..1,5)d = 1,4d = 6,3 мм.
8. Определим расчетное значение индуктивности, которое обусловлено размагничивающим влиянием близко расположенных проводников, деталей конструкции, стенок корпуса:
. Отсюда вычислим число витков катушки:
. В данной формуле действующее значение индуктивности задается в мкГн (сама индуктивность, как было рассчитано, равна 50 нГн), диаметр катушки – в см. Итого:
.
Проверить правильность расчета несложно: воспользуемся формулой:
. Разброс полученных значений очень велик. Поэтому изменим диаметр катушки: возьмем D = 12 мм. При этом количество витков катушки будет равно:
. Как видно, разброс значений уменьшился, поэтому оставим значение диаметра катушки D = 12 мм, при этом длина катушки будет равна 7,56 мм.
Число витков катушки N = 2.
9. Проверим электрическую прочность катушки: приложенное к катушке напряжение
. Напряжение между соседними витками:
. Напряженность поля между витками:
, что много меньше допустимого значения 500..700 В/мм.
10. Собственная емкость однослойной катушки:
. По эмпирическим графикам, приведенными в книге Шумилина, определяем:
,
. Отсюда С0
= 1,85 пФ. Для катушек с гребенчатым каркасом, какой был выбран ранее, это значение берется как (15%..20%)С0
≈ 0,319 пФ.
11. Проверим длина провода катушки:
Это значение должно быть меньше 0,3·λ. Рассчитаем длину волны:
Тогда 0,3·λ = 2 м. В итоге lпр
< 0,3·λ, и поэтому все в порядке.
Для рассчитанной катушки индуктивности трудно подобрать номинал, изготовляемый отечественной промышленностью, поэтому для изготовления подобной катушки требуется специальный заказ. Выберем номиналы для блокировочного дросселя (Др1) и катушки индуктивности, относящейся к антенне – L5:
· Дроссель, обозначенный на схеме как «Др1»: известно, что для блокировочных индуктивностей
.
=25Ом, отсюда
=75
=1,875 кОм – высокое сопротивление для переменного тока.
. Выберем дроссель на ферритовом сердечнике, индуктивность которого несколько больше полученной – ДМ-0,6-10. Его параметры: индуктивность – 10 мкГн, сила тока – не более 0,6 А, диаметр катушки - 3,3 мм, длина l – 11 мм, длина L – 70 мм.
· Индуктивность L5: ранее отмечалось, что
=256,356 Ом. Известно, что
. Также выберем дроссель на ферритовом сердечнике, индуктивность которого несколько больше полученной – ДМ-3-2. Его параметры: индуктивность – 2 мкГн, сила тока – не более 3 А, диаметр катушки - 3,8 мм, длина l – 11 мм, длина L – 70 мм. Также можно применить дроссель ДМ-3-1. Его параметры: индуктивность – 1 мкГн, сила тока – не более 3 А, диаметр катушки - 3,8 мм, длина l – 11 мм, длина L – 70 мм.
Что касается выбора конденсаторов, то, скорее всего, целесообразней выбрать керамические конденсаторы, так как для обеспечения хорошего КПД и минимальных потерь мощности для конденсаторов согласующего устройства, которое одновременно является и фильтрующим, существует требование обеспечения малых потерь – малым тангенсом угла потерь (tg δ) и, таким образом, высокой добротностью. Также необходимо обеспечивать устойчивость к температурному фактору, влажности, давлению. Это могут обеспечить наиболее часто применяемые в промышленности керамические конденсаторы. Для согласующего устройства, емкости которого получились достаточно великими – 6,366 нФ и 11,866 нФ – следующий вид конденсаторов, изготовляемый отечественной промышленностью: так, для емкости С16 (величина емкости – 6,366 нФ или 6 366 пФ) можно применить монолитный конденсатор КМ-6, а для емкости С17 (величина емкости – 11,866 нФ или 11 866 пФ) применим этот же конденсатор. Для керамических конденсаторов КМ-6 значения номинальной емкости колеблется от от 120 до 15 000 пФ. Эти конденсаторы используются в маломощных передатчиках.
С учетом требований Международной электротехнической комиссии установлено семь предпочтительных рядов для значений номинальной емкости: по ряду Е24 можно взять следующие номиналы - С16 = 6,2·10-9 Ф, С17 = 1,2·10-8 (12·10-9 ) Ф. При этом могут возникнуть некоторые искажения частотных характеристик согласующего устройства, некоторые изменения в фильтрующих и согласующих свойствах, однако эти изменения будут не совсем значительными, так как отклонения колеблются в пределах ±10%.
Часть 4. Назначение всех элементов принципиальной схемы радиопередатчика
Схема условно разбита на две части: низкочастотный тракт и высокочастотный тракт. Низкочастотный тракт составляют микрофон М1, предварительный усилитель низкой частоты, выполненный на операционном усилителе, и компрессор динамического диапазона входного речевого сигнала, сжимающего динамический диапазон за счет каскада на полевом транзисторе VT1 (выбран транзистор КП303А). Высокочастотный тракт включает в себя задающий генератор с кварцевой стабилизацией частоты, одновременно выполняющий роль умножителя частоты автоколебаний в целое число раз, а также частотного модулятора, оконечный каскад (генератор с внешним возбуждением), выполняющий роль усилителя мощности, согласующее устройство. Далее промодулированный сигнал поступает в антенну.
В конструкции присутствует микрофон (М1), который, по-видимому, крепится на печатную плату НЧ-тракта и выводится из корпуса через специальное отверстие на передней панели. Сигнал с микрофона поступает на цепь, состоящую из резистора R4 и конденсатора С2: эта цепь представляет собой высокочастотный фильтр, позволяющий снизить влияние посторонних шумов низкой частоты. Далее входной сигнал поступает на неинвертирующий вход операционного усилителя DA1 (обозначен на схеме цифрой «3»), который усиливает разность сигналов: Uвых
=К(Uвх неинв
-Uвх инв
). Этот операционный усилитель выполняет роль линейного усилителя. Элементы R6 и С4 – цепь положительной обратной связи (частотная характеристика цепи аналогична частотной характеристике цепи R4С2). Сигнал с выхода операционного усилителя поступает на компрессор динамического диапазона, который работает следующим образом: постоянная составляющая усиленного сигнала выделяется на резисторе R10. Посредством диодов VD1 и VD2 переменное напряжение звуковой частоты преобразуется в постоянное отрицательное напряжение, которое воздействует на затвор полевого транзистора: положительная полярность звукового сигнала поступает через конденсатор С8 (разделительный конденсатор) на анод диода VD2, затем через «землю» на R10, затем на R9 и на полевой транзистор VT1. Отрицательная полярность звукового сигнала идет с «земли» через конденсатор С9 на анод диода VD1. Таким образом продетектированное переменное напряжение в постоянное поступает на затвор полевого транзистора. Цепь R4С5 является частотно-зависимой: входом схемы является конденсатор С5, на высоких частотах его сопротивление уменьшается, соответственно, увеличивается коэффициент передачи, поэтому эта цепь, скорее всего, выступает в роли ФНЧ. Полевой транзистор VT1 ведет себя в этой схеме как переменный резистор: при увеличении амплитуды речевого сигнала увеличивается постоянное напряжение на затворе. Сопротивление канала (сопротивление перехода «сток-исток») увеличивается, а коэффициент усиления операционного усилителя, который определяется как
, уменьшается. Конденсатор С6 шунтирует инвертирующий вход усилителя. На инвертирующий вход (на схеме операционного усилителя – цифра «2») с выхода через резистор R7 (постоянная составляющая сигнала) и конденсатор С7 (переменная составляющая сигнала), которые образуют цепь отрицательной обратной связи (коэффициент передачи операционного усилителя определяется характеристиками цепей положительной и отрицательной обратных связей) поступает сигнал речевой частоты, вычитается из входного, который, как уже отмечалось, поступает на неинвертирующий вход, и разность умножается на определенный коэффициент усиления (величина его зависит от амплитуды сигнала с микрофона). Сигнал на выходе усилителя поступает на частотно-зависимую цепь R11С10 – НЧ-фильтр, по всей видимости предназначенный для гашения высокочастотных шумов.
Резисторы R2 и R3 – это делитель напряжения, он создает однополярное питание для операционного усилителя. Это же напряжение через резисторы R11 и R12 поступают на катоды варикапов VD3 (варикапная матрица КВС111А). Все эти резисторы определяют рабочую точку (напряжение смещения) варикапной матрицы. Матрица КВС111А – элемент задающего генератора: известно, что емкость варикапа изменяется пропорционально приложенному к нему напряжению, а колебательное звено (LC-контур, резонансный контур) – один из основных элементов автогенератора – определяет частоту, которую вырабатывает автогенератор (частота резонансного контура:
), соответственно, с изменением емкости изменяется резонансная частота. Элементы L1, C12, C18, транзистор VT2 образуют емкостную трехточку (элемент обратной связи – С12). Резисторы R14 и R12 образуют делитель напряжения – создается напряжение смещения для работы в режиме с отсечкой, резистор R16 также обеспечивает положение рабочей точки транзистора. При таком режиме на выходе транзистора VT2 (выбран транзистор КТ368) образуется последовательность импульсов определенной формы (это зависит от величины угла отсечки и амплитуды входного сигнала), которую можно разложить в ряд Фурье, т.е. на сумму гармонических составляющих. Колебательный контур (нагрузка транзистора) L2C13 настраивается на одну из гармоник (при помощи изменения индуктивности L2). Кстати, встречное включение варикапов обеспечивает более линейную зависимость емкости варикапа от напряжения и уменьшает нелинейность модуляционной характеристики, резистор R13 способствует линеаризации статической модуляционной характеристики. Так как вблизи кварца Q1 включена индуктивность L1, можно полагать, что кварц, включенный в цепь обратной связи, скорее всего работает как последовательный колебательный контур.
На схеме присутствуют связанные индуктивности L2 и L3: посредством этой связи из катушки L2 – элемент колебательного контура L2C13 – передается энергия катушке L3 (явление взаимоиндукции). То есть посредством такой связи колебания из контура L2C13 передаются на транзистор VT3 – на этом транзисторе собран ГВВ. Резисторы R17 и R18 предназначены для создания смещения на базе, конденсатор С14 – короткое замыкание по высокой частоте. Резистор R19 предназначен для ограничения базового тока, а также выполняет роль противопаразитного элемента по отношению к самовозбуждению: дело в том, что физически у транзистора есть выводы, которые представляют собой совокупность индуктивностей и емкостей, поэтому могут возникать автоколебания, поэтому резистор R19 нужен в качестве препятствия самовозбуждению. Дроссель «Др1» - блокировочная индуктивность, предназначенная для подачи питания на транзистор VT3. Конденсатор С15 – блокировочная емкость, предназначенная для того, чтоб переменный ток обходил источник питания Ек . Генератор с внешним возбуждением на транзисторе VT3 работает в режиме с отсечкой, поэтому на выходе генератора наблюдается периодическая последовательность импульсов, которую также можно разложить в сумму гармонических составляющих. Эти импульсы поступают на П-образный четырехполюсник – L4,C16,С17 – устройство согласования передатчика с антенной и фильтрации высших гармоник. Индуктивность L4 предназначена для гашения реактивной составляющей комплексного сопротивления антенны, емкость С19 – для беспрепятственного прохождения ВЧ тока в антенну.
На общей шине расположены резисторы R20, R5, R1 – для ограничения постоянного тока, текущего от источника питания, а также для вклада в создание рабочей точки на транзисторе VT3, подачи питания на транзистор VT2 (наряду с индуктивностью L2) и питания микрофона М1. Также на общей шине расположены конденсаторы С1, С3 и С11 – они служат для следующего: если в общей шине, по которой течет постоянный ток, возникают гармонические составляющие, отправлять их на «землю».
Заключение
В ходе выполнения курсового проекта была проанализирована работа реального радиопередатчика повышенной мощности с кварцевой стабилизацией частоты задающего генератора, предназначенного для передачи частотно-модулированного колебания. Был рассчитан оконечный каскад передатчика – передатчик был рассчитан в граничном режиме. Был произведен конструкторский расчет катушек индуктивности и выбор стандартных номиналов емкостей и блокировочных дросселей, что дало представления в производстве катушек индуктивностей и практическом применении рядов МЭК. Работа со специализированными программами MMANA и RFSimm показала возможности компьютерного моделирования антенн радиопередающих устройств и разработки устройств согласования. Анализ принципиальной схемы радиопередающего устройства показал разнообразие схемотехники радиопередающих устройств.
Список использованных источников
1. Методические указания к курсовому проектированию по дисциплине “Устройства формирования сигналов” /Л.И. Булатов, Б.В. Гусев. Екатеринбург: Изд-во УГТУ, 2003 г.
2. Проектирования радиопередающих устройств: Учеб. пособие для вузов/В.В. Шахгильдян, М.С. Шумилин, И.А. Попов и др.; Под ред. В.В. Шахгильдяна. М.: Радио и связь, 1993, 512с.
3. Шумилин М. С., Козырев В. Б., Власов В. А. Проектирование транзисторных каскадов передатчиков: Учебное пособие для техникумов. М.: Радио и связь, 1987.
4. Устройства формирования и генерирования сигналов: Учебник для вузов/Л.А. Белов, В.М. Богачев, М.В. Благовещенский и др.; Под ред. Г.М. Уткина, В.Н. Кулешова и М.В. Благовещенского. М.: Радио и связь, 1994.
5. Радиопередающие устройства: Учебник для вузов/ В.В. Шахгильдян, В.Б. Козырев, А.А. Ляховкин и др. М.: Радио и связь, 2003.
6. Петухов В.М. Биполярные транзисторы средней и большой мощности сверхвысокочастотные и их зарубежные аналоги. Справочник. Т.4. – М.: КУбКа, 1997.
7. Баскаков С.И. Радиотехнические цепи и сигналы. Учебник. М.: Высшая школа, 1983.
8. Конспект лекций по дисциплине «Устройства формирования и передачи сигналов в ТКС».
Параметры транзистора КТ610А
| Параметры идеализирован-ных статических характеристик | Сопротивление насыщения транзистора rнас , Ом | 10 |
| Сопротивление материала базы rБ , Ом | Не приведено в справочнике (рассчитано в работе) – принято принимать равным нулю | |
| Стабилизирующее сопротивление в цепи эмиттера rЭ , Ом | Не приведено в справочнике (рассчитано в работе) – принято принимать равным нулю | |
| Напряжение отсечки коллекторного тока |
0,7 | |
| Коэффициент усиления по току в схеме с ОЭ β0 | 50..300 | |
| Высокочастотные параметры | Частота единичного усиления по току fT , МГц | >1000 |
| Барьерная емкость коллекторного перехода CК , пФ | 2..4,1 | |
| Барьерная емкость эмиттерного перехода CЭ , пФ | 21 | |
| Постоянная времени коллекторного перехода τК , пС | 21..55 | |
| Барьерная емкость активной части эмиттерного перехода СКА , пФ | 21..55 | |
| Индуктивность вывода эмиттера LЭ , нГн | Не приведено в справочнике (рассчитано в работе) – принято принимать равным нулю | |
| Индуктивность вывода базы LБ , нГн | Не приведено в справочнике (рассчитано в работе) – принято принимать равным нулю | |
| Индуктивность вывода коллектора LК , нГн | Не приведено в справочнике (рассчитано в работе) – принято принимать равным нулю | |
| Предельно допустимые значения | Допустимое напряжение на коллекторе в схеме с ОЭ UКБ.ДОП , В | 26 |
| Допустимое обратное значение напряжения на эмиттерном переходе UБЭ.ДОП , В | 4 | |
| Допустимая постоянная составляющая тока коллектора IК0.ДОП , А; Допустимая максимальная величина тока коллектора IК МАХ , А | 0,3 0,3 |
Внешний вид транзистора КТ610А:
