| Скачать .docx |
Курсовая работа: Радиопередатчик телеметрической системы
Содержание
Введение. Анализ задания. Функциональная схема устройства
1 Структурная и принципиальная схемы устройства
2.1. Мультиплексор. Микросхема MAX4617
2.3 Усилитель. Микросхема КХО-210
2.4 Модулятор. Микросхема RF 2713
5 Массогабаритные характеристики конструкции
Введение. Анализ задания. Функциональная схема устройства
Темой проекта является радиопередатчик телеметрической системы. Назначением передатчика является формирование радиосигнала излучения. Радиосигнал представляет собой гармоническое несущее колебание, один из параметров которого изменяется пропорционально модулирующему напряжению.
Уравнение радиосигнала определяется как:
,
где
- огибающая радиосигнала;
- фаза.
Радиосигналы классифицируются по виду модулирующего сигнала и виду модуляции. Параметрами радиосигнала является временная форма и спектр.
Для телевизионной системы рабочие частоты лежат в диапазоне от 1 до 3 МГц. Поэтому выберем частоту модулирующего сигнала, равную 1 МГц.
Пусть: Fmax=1 МГц
Диапазон волн, частот (частота несущей): 28 МГц;
Мощность: 0,5 Вт;

Временная форма и радиосигнал показаны на рисунке:
![]() |
![]() |
| Спектр модулирующего сигнала | |
![]() |
|
а) Огибающий сигнал б) Модулированный сигнал |
Спектр модулированного сигнала |
Процесс формирования радиосигнала излучения представлен обобщенной схемой радиоэлектронной системы:
Основными функциональными элементами схемы (рис.3) являются:
Датчик информации, который формирует первичный информационный сигнал aF(t);
Преобразователь П1 – устройство формирования НЧ информационного сигнала UF(t). П1 осуществляет преобразование aF(t) UF(t). Для импульсных РС П1 представляет собой ПЗУ или кодер – АЦП (аналогово-цифровой преобразователь);
Преобразователь П2, который преобразует НЧ информационный сигнал в ВЧ информационный сигнал или РС. UF(t) Uf(t). П2 – это модулируемый генератор.
В канале связи выделяют следующие информационные сигналы:
1. Up(t) информационный сигнал
2. Uf(t) радиосигнал
3. UM(t) модулирующее напряжение
4. U (t) несущее колебание
5. a(t) первичный информационный сигнал
1 Структурная и принципиальная схемы устройства
Рассмотрим функциональную схему устройства [2]:
Радио передатчик телеметрической системы представляет собой устройство, состоящее из 2-х функциональных блоков: блока управления, в котором осуществляется обработка сигнала, и передающего блока, в котором осуществляется модуляция и передача сигнала. При поступление сигнала коммутации происходит соединения одного из входов с выходом после чего кодово-импульсный сигнал с частотной модуляцией поступает на передающую антенну.
Структурная схема радиопередающей телеметрической системы с выбранными элементами[2]:
Коммутирующий сигнал подключает один из датчиков информации с входом блока управления. В блоке управления происходит преобразование аналогового сигнала в цифровой с последующим его усилением, после чего кодовая последовательность поступает на модулятор, на который также поступает несущее колебание U(t) с частотой f с генератора ВЧ-колебаний. С выхода модулятора на выход передатчика поступает модулированный сигнал Uf(t) с частотой f.
2 Характеристики микросхем
2.1 Мультиплексор. Микросхема MAX 4617
Общее Описание
MAX4617 являются быстродействующей, низковольтной, аналоговой КМОП микросхемой, конфигурированной как 8 канальный мультиплексор
Эта микросхема может работать непрерывно при напряжение питания от +2V до +5.5V. Каждый канал может работать с аналоговыми сигналами. Все цифровые выводы имеют логические пороги 0.8V для логического «0» и 2.4V для логической «1», тем самым, обеспечивая совместимость TTL/CMOS логики, используя напряжение питания +5V.
Особенности
· Скорость переключения каналов
Время включения 15ns
Время отключения 10ns
· Гарантируемое питание при сопротивлении
10 Ом напряжение питания +5V
20 Ом напряжение питания +3V
· Гарантируемое сопротивление между каналами 1Ом при напряжении питания +5V
· Гарантируемый поток тока вне утечки:
1 nA в +25°C
· Гарантируемый поток тока при утечки:
1 nA в +25°C
· напряжения питания от +2V до +5.5V
· TTL/CMOS-Logic Совместимый
· Низкая Перекрестная связь: <-96dB
· Искажение: <0.017 % (600½)
Основные электрические параметры при напряжении питания 5 В
| Параметр | Значение |
| Параметры аналогового сигнала | |
| Диапазон аналогового сигнала | 0-5,5 В |
| Входное сопротивление | 8-10 Ом по входу C, E – 13 Ом |
| Параметры цифрового сигнала | |
| Входное напряжение высокого уровня «1» | 2,4 В |
| Входное напряжение низкого уровня «0» | 0,8 В |
| Динамические характеристики | |
| Время включения канала | 7-15 нс |
| Время отключения канала | 45 нс |
| Время определения адреса | 7-15 нс |
| Входная емкость | 5 пФ |
| Выходная емкость | 27 пФ |
| Выходная включенная емкость | 32 пФ |
| Перекрестные помехи | - 96 дБ |
| Полное гармоническое искажение | 0.017 % |
| Электропитание | |
| Диапазон источника питания | +2 - +5.5 В |
| Поток источника питания | -10 - +10 мкА |
УГО и назначение выводов микросхемы

| № вывода | Назначение |
| 13, 14, 15, 12, 1, 5, 2, 4 | Аналоговые входы 0-7 |
| 3 | Аналоговый выход |
| 6 | Вход разрешения счета. Обычно соединен с землей. Может управляться напряжением высокого уровня. |
| 7 | Не используется |
| 8 | Земля |
| 11 | Цифровой вход адреса A |
| 10 | Цифровой вход адреса В |
| 9 | Цифровой вход адреса С |
| 16 | Положительный аналоговый и цифровой вход питания |
16-битная микросхема MAX1178 – мало мощный, аналого-цифровой конвертер. Устройство работает от единственного источника питания для аналоговой части от +4 V до +5.5 V и имеет отдельный цифровой вход
MAX1178 принимает биполярный аналоговый диапазон входного напряжения ±5V. Все устройства потребляют не больше, чем 26.5mW по норме осуществления выборки 135ksps, используя внешнюю справочную информацию, и 31mW, используя внутреннюю справочную информацию +4.096V. Автозавершение уменьшает поток тока до 0.4mA в 10ksps.
MAX1178 идеальны для устройств получения и накопления данных, имеющих питание от батареек,
Превосходная работа переменного тока (THD =-100dB) и точность постоянного тока (±2 LSB INL) делает MAX1178 идеальной для управления производственным процессом, инструментовки, и медицинских приложений.
MAX1178 доступны в TSSOP с 20 выводами.
Особенности
· Параллельный Интерфейс Шириной в байт
· Аналоговый Диапазон Входного напряжения: ±10V, ±5V
· Аналоговый вход питания от +4V до +5.5V
· Низко Поставляйте Поток (Макс)
· 2.9mA (Внешняя Справочная информация)
· 3.8mA (Внутренняя Справочная информация)
· 5μA Режим Автозавершения
· упаковка TSSOP С 20 выводами
Основные электрические параметры при напряжении питания 5 В
| Параметр | Значение |
| Точность постоянного тока | |
| Разрешающая способность | 16 бит |
| Дифференциальная Нелинейность | ±1 LSB |
| Интегральная нелинейность | ±2 LSB |
| Ошибка смещения | ±10 В |
| Дрейф смещения | 16 мкВ/°С |
| Аналоговый вход | |
| Входной диапазон | ±5 В |
| Входное сопротивление | 5,3-9,2 кОм |
| Входной ток | -1.8-0.4 мА |
| Входная емкость | 10 пФ |
| Цифровой вход/выход | |
| Выходное напряжение высокого уровня «1» | 3 В |
| Выходное напряжение низкого уровня «0» | 0.4 В |
| Входное напряжение высокого уровня «1» | 2.4 В |
| Входное напряжения низкого уровня «0» | 0.8 В |
| Входной ток утечки | ±1мкА |
| Входной гистерезис | 0.2 В |
| Входная емкость | 15 пФ |
| Электропитание | |
| Аналоговое напряжение питания | 4 – 5,5 В |
| Цифровое напряжение питания | 2,7 – 5.5 В |
| Аналоговый ток питания | 4 мА |
| Цифровой ток питания | 0.75 мА |
УГО и назначение выводов микросхемы

| № вывода | Назначение |
| 1, 2, 3, 4, 17, 18, 19, 20 | Цифровой выход данных |
| 5 | Вход чтения и записи данных |
| 6 | Признак конца преобразования. При поступлении логического «0» происходит окончание преобразования |
| 7 | Аналоговый вход питания |
| 8 | Заземление аналоговой части схемы |
| 9 | Аналоговый вход |
| 10 | Заземление аналоговой части схемы |
| 11 | Вывод буфера ссылки |
| 12 | Ввод/Вывод Ссылки |
| 13 | Управляющий тактовый вход |
| 14 | Вход начала преобразования. Первая приходящая логическая «1» запускает преобразование, вторая записывает результат на шину данных |
| 15 | Заземление цифровой части схемы |
| 16 | Цифровой вход питания |
2.3 Усилитель. Микросхема КХО-210
Объединяет современную технологию гибрида фильтра с кварцевыми генераторами точности, чтобы достигнуть небольшого размера, стоимости, высокой надежности и частотной точности.
Кристаллический генератор составлен из кристаллического резонатора и цепи генератора, которая сделана в виде гибридной ИС. Так, благодаря этому достигается высокая надежность.
Основные параметры микросхемы при напряжении питания +5 В
| Параметр | Значение |
| Частотный диапазон | 0,5-25 МГц |
| Стабильность частоты | ± 100pm |
| Температурный диапазон | -50°С –+150°С |
| Рабочий температурный диапазон | 0 - +70°С |
| Максимальное время нарастания и спада | 10 нС |
| Уровень логического «0» | 0,8 В |
| Уровень логической «1» | 2,4 В |
| Напряжение питания | 5 В |
| Входной ток | 20 мА |
УГО и назначение выводов
1. Вход
4. Земля
5. Выход
8. Вход, вход питания
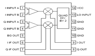
2.4 Модулятор. Микросхема RF 2713
Демодулятор - RF2713 - монолитный интегрируемый модулятор/демодулятор квадратуры. Чтобы смодулировать сигналы I/Q на несущую частоту ИС содержит все необходимые компоненты, чтобы осуществить функцию модуляции/демодуляции и содержит делитель, фазовращатель, два двойных уравновешенных смесителя, и усилители основной полосы частот. Микросхема работает от единственного источника питания 3-6 В электропитание.
Основные технические параметры микросхемы
| Параметр | Значение |
| Напряжение питания | 2,7 – 6 В |
| Входной ток при Vcc= 5 D | 8-12 мА |
| Полоса частот | 0,1 – 250 МГц |
| Входное сопротивление | 1200 Ом |
| Выход | 0,2 В |
| Входное напряжение | 0,09 |
| Баланс амплитуды | 0,1 дБ |
| Ошибка фазы квадратуры | <±1 ° |
| Подавление несущей | 25 дБс |
| Подавленные боковой полосы | 30 дБс |
УГО и назначение выводов
1. Вход опорного сигнала
2, 4, 5, 12, 11, 10 – земля
3. Вход информационного сигнала.
14 – питание
6,7- выход
13, 9, 8 – не используются
Основные технические параметры микросхемы
| Параметр | Значение |
| Диапазон частот | 0,4-120 МГц |
| Точность настройки частоты | ±1*10-6 |
| Интервал рабочих температур | -10 – +70°С |
| Температурная нестабильность частоты | ±5*10-6 |
| Напряжение питания | ±5 В |
| Потребляемый ток | 5-48 мА |
| Выходной сигнал | КМОП/ТТЛ |
| Нагрузка | 50 пФ |
| Симметрия импульсов | 45 – 55 |
| Фазовый шум при отстройке 10 кГц | -145…-150дБ/Гц |
| Уровень логической «1» | 2,4 В |
| Уровень логического «0» | 0,4 В |
| Старение за первый год | ±(2 – 3) *10-6 |
3 Расчет принципиальной схемы
Так как все микросхемы согласованы между собой по уровням входных и выходных напряжений (1 и 0) и по уровням входных и выходных токов, что отражено в их параметрах, следовательно, не требуется расчет согласующих каскадов и аттенюаторов. Уровни напряжений:
1. Входное напряжение низкого уровня не более, В: 0.8
2. Входное напряжение высокого уровня не менее, В: 2,4
3. Выходное напряжение высокого уровня не менее, В: 3
4. Выходное напряжение низкого уровня не более, В: 0.4
Передатчик имеет внешний источник питания +5 В.
На проводниках питания у разъема для отфильтровывания переменной составляющей тока (чтобы она не попала в микросхемы и не привела к нарушению их работы) ставятся конденсаторы. Такие же конденсаторы, для ослабления наводок и для отфильтровывания переменной составляющей ставятся на выводах питания у каждой микросхемы.
Печатные платы будут выполнены на текстолите с 3 классом точности, то есть толщина проводников будет не менее 0.3мм и минимальное расстояние между проводниками, проводниками и контактными площадками будет так же не менее 0.3 мм. Проводники питания толщиной не менее 0.5мм, так как это стандартное требование, предъявляемое при разводке цепям питания, так как нужно обеспечить требуемую силу тока от источника.
5 Массогабаритные характеристики конструкции
Микросхема радиопередатчика будет располагаться внутри алюминевого корпуса, чертеж которого приведен в приложении. Алюминиевый корпус выбран по причине своих массогабаритных характеристик, так как он легче, меньше и дешевле медного корпуса. Не смотря на то что теплоотдача у алюминиевого корпуса чуть хуже, но это не скажется на работе радиопередатчика, так как в крышке корпуса предусмотрен радиатор.
Габариты корпуса: ширина примерно равна ширине платы устройства, то есть, с учетом зазора между платой и корпусом, равным 2.5мм с каждой стороны, плюс толщина стенок корпуса – 2 мм с каждой стороны, 129мм. Длина корпуса так же примерно равна длине платы устройства, то есть, с учетом зазора между платой и корпусом, равным по 2.5мм с каждой стороны, плюс толщина стенок корпуса – 2 мм с каждой стороны, 129мм. Высоты корпуса равна высоте платы (смотреть чертеж сборки), и учитывая зазор между ними и корпусом по 2.5мм с каждой стороны, плюс высота радиатора 10 мм, h=30=33мм. Таким образом, габариты: 129×129×30 (мм).
Масса передатчика примерно равна массе платы устройства плюс масса корпуса.
mустр=m(DD1)+m(DD2)+m(DD3)+m(DD4)+m(DD5)+m(DD6)+m(C1)×16+m(R1)x6+m(плата)+m(корпуса)=1г+2г+1,5г+2,5г+3,5г+1,5г+1г×16+10гx6+9г+300г=497г (масса дана в граммах),
где mDD1 – масса микросхемы DD1 (max4617) и т.д.
Масса ячейки подсчитаны примерно, так как не проектировалась ее передающая и приемная части, соответственно. Но из этих расчетов уже можно сказать, что радиопередатчик телеметрической системы не занимает много места, весит всего около 400гр. и легко монтируется в телеметрическую сичтему.
Для выполнения курсового проекта были использованы следующие программы:
1) A-CADElectrical 2009. С помощью этой программы была построена электрическая принципиальная схема (УГО элементов было взято из стандартных библиотек программы), а также конструкция печатной платы. На этом этапе уже полностью были построена электрическая принципиальная схема устройства, а также конструкция печатной платы. Также в этой программе были построены чертежи печатных как деталей, а также сборочные чертежи. Программа взята с http://softoroom.net/lofiversion/index.php?t35743.
В данной работе был разработан передающий модуль РЭС телеметрической системы. Эта тема актуальна и интересна, так как в настоящее время телеметрические системы используются для мониторинга удаленных объектов, а также для наблюдения за здоровьем пациентов больниц и космонавтов, находящихся в космосе. Данная система, из-за того, что представляет собой законченную функциональную ячейку, может быть установлена в устройства телеметрии. Схема этого устройства состоит из реальной отечественной и иностранной элементной базы. Все микросхемы подобраны так, что они согласованы между собой по уровням напряжений и токов. Конструкция ячейки получилась малогабаритной, легкой и легко монтируемой. Таким образом, данный радиотелеметрический передатчик не уступает его современным аналогам, а по массе, габаритам (масса составляет 400г, габариты 129×129×30мм) даже превосходит некоторые аналоги, и может быть рекомендовано на опытное производство.


