| Скачать .docx |
Дипломная работа: Разработка телекоммуникационной системы для поддержки научно-исследовательской деятельности ИО
Министерство образования и науки Российской Федерации
МОСКОВСКИЙ ГОСУДАРСТВЕННЫЙ ИНСТИТУТ ЭЛЕКТРОНИКИ И МАТЕМАТИКИ
Дипломная работа
На тему:
«Разработка телекоммуникационной системы для поддержки научно-исследовательской деятельности ИО РАН»
МОСКВА 2008
Аннотация
В данном дипломном проекте велась разработка подсистемы сбора гидрофизических параметров (ГФП), которая может применяться в составе автономного океанологического зондирующего комплекса для мониторинга, анализа и прогнозирования изменений экологической обстановки морской экосистемы в течение длительного периода времени в условиях антропогенного воздействия на Мировой океан.
В ходе выполнения дипломного проекта проведен анализ существующих технических решений подсистемы спора ГФП.
На основании анализа в строгом соответствии с требованиями, предъявляемыми техническим заданием на дипломное проектирование был выбран первичный преобразователь, микроконтроллер, и прочие периферийные компоненты, необходимые для проектирования устройства.
Используя полученные сведения, была разработана структурная и электрическая принципиальная схемы устройства, алгоритм работы подсистемы сбора ГФП и программное обеспечение для микроконтроллера, позволяющеее проводить гибкую настройку обсерватории в зависимости от применяемых датчиков, и режимов работы.
В результате выполнения дипломного проекта приобретен опыт в применении комплексных инженерных знаний для разработки сложных многомодульных микропроцессорных систем.
Фактически был создан прототип подсистемы сбора ГФП для автономного океанологического зондирующего комплекса.
Введение
Океаноло́гия (от океан и др.-греч. λόγος – суждение , слово .) или океаногра́фия (от океан и др.-греч. γραφειν – пишу, описываю) изучает крупномасштабное взаимодействие океана и атмосферы и его длиннопериодную изменчивость, химический обмен океана с материками, атмосферой и дном, биоту и её экологические взаимодействия, устанавливает местные или локальные процессы, происходящие за счет обмена энергией и веществом между различными районами океана. Океанология рассматривает Мировой океан одновременно как часть гидросферы и как целостный планетарный природный объект, который взаимодействует с атмосферой, литосферой, материковым стоком и представляет собой, по существу совокупность дисциплин, изучающих физические, химические и биологические процессы, протекающие в океане в целом, в его отдельных регионах (региональная океанология), в окраинных и внутренних морях.
В России понятие «океанография» обычно подразумевает тот же предмет, но без биологической составляющей. [1]
Океанологию можно подразделить на следующие пять частей:
1) Морская биология или биологическая океанография, изучает растения и животных (биоту) океанов и их экологические взаимодействия.
2) Химическая океанология, изучает химию океана.
3) Морская геология или геологическая океанография, изучает геологию океанического дна а также тектонику плит
4) Взаимодействие океана и атмосферы
5) Физическая океанология, изучает физические свойства морской воды (термодинамика, акустика, оптика), динамические процессы в океане (течения, волны, приливы, турбулентные движения.
Проблемы океанологии
– проблема физики океана – выяснение закономерностей взаимодействия океана и атмосферы; физика океана включает гидротермодинамику, акустику и оптику океана, исследования его радиоактивности и электромагнитного поля;
– проблема химии океана – выявление закономерностей обмена и трансформации химических веществ в океане и формирование его химического баланса;
– проблема биологии океана – выяснение закономерностей формирования и оценка биомассы и годовой продуктивности важнейших видов организмов и управления биологической продуктивностью океана;
– проблема геологии океана – выявление закономерностей геологических процессов на дне и под дном океана.
Главные практические цели океанологии :
– обеспечение безопасности и повышение эффективности надводного и подводного мореплавания;
– использование биологических, минеральных и энергетических ресурсов вод и дна океана;
– усовершенствование методов прогноза погоды.
Методы океанологических исследований
Поскольку океанология – комплексная наука, то существуют различные методы океанологических исследований, в основе которых лежат разные принципы получения, обработки и передачи информации.
Одним из важнейших новых направлений современной наблюдательной океанологии является использование искусственных спутников Земли (ИСЗ) для наблюдений океана.
Автономные океанологические станции (АОС) стали активно внедряться в практику океанологических исследований вместе с развитием электроники и автоматики, когда появилась возможность создания компактных и надежных устройств для автоматической записи информации и ее передачи на береговой пункт сбора данных в реальном масштабе времени. К преимуществам применения АОС прежде всего относится возможность непрерывного получения информации о состоянии выбранного участка водной толщи за длительный (достигающий нескольких лет) период, в том числе в реальном времени, что невозможно осуществить другими способами. Ниже будут рассмотрены такие основные типы АОС, как автономные буйковые станции, автономные донные станции и автономные подводные исследовательские обсерватории.
За последние два-три десятилетия в разных странах, занимающих ведущее положение в области морских технологий, было создано значительное количество автономных необитаемых подводных аппаратов (АНПА), использующихся для решения широкого круга научных и прикладных задач по исследованию и освоению океана. Современные многоцелевые АНПА представляют собой новый класс подводных робото-технических объектов с присущими им задачами и практическими применениями, особенностями технологии, составом систем и функциональными свойствами. К числу наиболее актуальных применений современных АНПА можно отнести обзорно-поисковые работы, включая поиск и обследование затонувших объектов, инспекцию подводных сооружений и коммуникаций (трубопроводов, водоводов, кабелей), геологоразведочные работы, включающие топографическую и фото- и видеосъемку морского дна, акустическое профилирование и картографирование рельефа, подледные работы, такие как прокладка кабеля на арктическом дне, обслуживание систем наблюдения и освещения подледной обстановки, океанографические исследования, мониторинг водной среды, работы военного назначения, включающие, в частности, противолодочную разведку, патрулирование, обеспечение безопасности объектов военной техники, обследование минных полей.
Сравнительно новой компонентой информационной системы при проведении экспериментальных исследований в океане являются обитаемые подводные аппараты, создание которых ознаменовало появление принципиально нового средства изучения океана. Подводные аппараты используются при проведении работ на дне и в придонном пространстве, таких как поиск и обследование затонувших объектов, контроль состояния подводных коммуникаций и инженерных сооружений, геологоразведочные работы (картографирование и профилирование дна, фото- и видеосъемки), манипуляционно-технические и аварийно-спасательные работы, подводные монтажно-прокладочные работы, исследования Мирового океана.
Активное развитие наблюдений со свободнодрейфующих буев началось в 80-х гг., когда было осознанно, что этот метод позволяет проводить измерения оперативно и в глобальном масштабе. К настоящему времени широкое распространение получили свободнодрейфующие поверхностные буи (дрифтеры) разных типов и буи-профилемеры. Свободнодрейфующие поверхностные буи измеряют температуру и прозрачность морской воды, а также атмосферное давление. Будучи снабженными специальным парусом, они позволяют измерять скорость приповерхностных течений, Специализированные метеорологические дрифтеры способны определять основные характеристики приводного слоя атмосферы. [2]
Особо эффективным средством для исследования крупномасштабной низкочастотной изменчивости океана являются буи-профилемеры, Эти буи вертикально перемещаются в толще вод посредством изменения их плавучести. Каждый буй способен совершить значительное число циклов всплытие-погружение, осуществляя долговременные наблюдения течений и регулярные измерения профилей температуры и солености морской воды.
Позиционирование свободнодрейфующего буя и передача данных осуществляются через спутник, что позволяет разворачивать глобальные сети таких средств любой конфигурации.
Океанографические наблюдения с судов в течение длительного времени являлись основным источником информации о процессах, протекающих в Мировом океане. Однако в настоящее время, когда появились принципиально новые средства и методы проведения экспериментальных исследований в океане, ситуация в корне изменилась. Теперь общая характеристика гидрологических условий в районе работ может быть получена на основе наблюдений другими компонентами наблюдательной системы, описанными выше, и появляется возможность проводить комплексные судовые исследования в широком диапазоне пространственно-временных масштабов при полностью контролируемых фоновых условиях.
Одним из эффективных методов организации регулярных наблюдений является использование коммерческих судов или паромов в качестве платформ для размещения океанографических приборов. При наличии автономных средств наблюдений и спутниковых каналов передачи информации накопление метеорологических данных и наблюдений в открытом океане оказывается возможным при минимальном вложении средств. Используя суда, работающие по расписанию, удается проводить гидрометеорологические наблюдения на регулярной основе. [2]
С помощью перечисленных выше традиционных методов экспериментальной океанологии, как правило, можно изучать экологическую обстановку лишь в течение короткого времени и лишь в ограниченных по площади районах. Новые задачи, стоящие перед исследователями, требуют создания новых адекватных методов исследований. Это обусловлено несколькими причинами, главной из которых является настоятельная потребность изучения различных динамических процессов в морях и океанах для оценки состояния морской экосистемы, для чего необходимо проводить длительные, желательно многолетние непрерывные комплексные измерения.
Одним из таких новых направлений в мониторинге морской экологической обстановки, является создание постоянно действующих измерительных комплексов, или подводных обсерваторий (ПО).
Существует два основных типа подводных обсерваторий: стационарные кабельные и автономные буйковые подводные обсерватории. Очевидно, что основным преимуществом кабельных обсерваторий является практически неограниченные телекоммуникационные возможности, а также возможность подавать с берега питание. В то же время, столь же очевидны их недостатки – это высокая стоимость и «привязанность» к береговой инфраструктуре. В числе основных преимуществ буйковых обсерваторий – возможность размещения их практически в любой точке Мирового океана. [3]
Важной особенностью кабельных обсерваторий является принципиальная возможность их размещения на глубоководных буровых платформах, что существенно расширяет круг задач.
Основным отличием стационарных измерительных комплексов является возможность непрерывного измерения океанологических параметров и передачи их в реальном масштабе времени потребителю.
1. Разработка подсистемы сбора гидрофизических параметров
1.1 Применение, устройство и принципы функционирования ПО. Значение подсистемы сбора ГФП в её составе
1.1.1 Применение ПО в составе аппаратно-программного комплекса
В настоящее время ведется работа над проектом территориально-распределенного программно-аппаратного комплекса мониторинга морской экосистемы, который может использоваться как для оперативного реагирования на изменение ключевых характеристик окружающей среды, по которым можно судить о состоянии экосистем водной толщи и морского дна в условиях антропогенного воздействия, так и для анализа и прогнозирования изменения экологической обстановки на длительный период времени. Работа этих систем должна сочетаться со спутниковыми наблюдениями за поверхностью океана и периодическими судовыми научными исследованиями на обширных акваториях Мирового океана. Программно-аппаратный комплекс состоит из подводной обсерватории, обеспечивающей измерение ключевых характеристик морской экосистемы в течении длительного промежутка времени, и программно-аппаратных средств по приему, обработки, хранения и анализа полученных от обсерватории данных. (Рис. 1) К программно-аппаратным средствам по приему, обработки, хранения и анализа полученных от обсерватории данных относятся: узел связи (УС), региональный центр обработки информации (РЦО), главный центр хранения и обработки данных (ЦО). [4]
Разработанный программно-аппаратный комплекс обладает следующими характеристиками:
- количество каналов при одномоментной передаче данных – до 128;
- периодичность передачи пакета данных от ТЦ в ГЦ составляет – 1 час;
- скорость передачи данных лимитируется возможностями провайдеров Интернет и должна достигать максимально возможных значений;
- срок работы СБК лимитируется работоспособностью компонентов комплекса.
УС предназначен для:
- приема и оцифровки данных от различного измерительного оборудования, имеющегося в составе подводных обсерваторий;
- преобразования поступивших данных к одному стандартному для системы формату;
- первоначальной обработки данных с определением степени качества данных;
- помещение данных в базу;
- онлайновый мониторинг данных с определением отклонений от норм;
- передачу данных в территориальный центр обработки информации.
УС содержит блоки питания и аппаратуру позволяющую подключать подводные обсерватории и стационарные буи по различным интерфейсам, таким как Ethernet, RS 232/422/485.
РЦО и ЦО выполняют следующие задачи:
- обеспечение приема данных с узлов сбора данных (региональных центров для головного центра);
- контроль качества данных;
- мониторинг данных;
- анализ данных.
Рассмотрим алгоритм работы программно-аппаратного комплекса.
УС подключается (Рис. 1) по волоконно-оптическому кабелю к компьютеру сбора и первичной обработки данных (КСД). На нем выполняется сбор данных с обсерваторий первичная обработка и пересылка данных по сети Интернет в Центр обработки данных ИО РАН. РЦО подключен к сети Интернет через компьютер-шлюз (КШИ). Он выполняет функции маршрутизации и организует канал VPN между РЦО и ЦО. Технология VPN создает виртуальные каналы связи через общедоступные сети. По каналу VPN данные пересылаются в ЦО в зашифрованном виде, что предотвращает несанкционированную утечку данных при передаче. В ЦО ИО РАН (Рис. 1) данные попадают в хранилище океанологических данных OceanDB. [3]

Рисунок 1. Структура программно-аппаратного комплекса
2.1.2 Устройство и принципы функционирования ПО
Конструктивно подводная обсерватория состоит из металлической рамы, на нее с помощью держателей закрепляются корпуса общесистемного модуля, энергетического модуля и корпуса датчиков. Общесистемный модуль предназначен для размещения основных электронных модулей обсерватории и датчика давления. В энергетическом модуле размещаются батареи электропитания и электроника для контроля за их состоянием. Вводы в корпуса выполнены с использованием стандартных подводных разъемов компании Birns. Рама и корпуса этих модулей изготовлены из нержавеющей стали. Максимальная возможная глубина их использования составляет 1000 метров. Корпуса датчиков изготовлены из пластиков типа Делрин, или ABS. Конструкция позволяет размещать обсерваторию на длительное время на грунте или на заякоренном буе.
Подводная обсерватория имеет модульную структуру (Рис. 2) и состоит из: подсистемы сбора ГФП; гидрохимического модуля; гидрооптический модуля; системного модуля; автономномного или кабельного блока питания. Обязательным в составе ПО является наличие подсистемы сбора ГФП, системного модуля и кабельного или автономного блока питания.
К подводной обсерватории также возможно подключать:
Комплект приемных линий для измерений электрического поля течений в прибрежной зоне (для этого необходимо проложить по дну две ортогональные приемные линии (полевые телефонные кабели), заземленные на концах неполяризующимися электродами).
Термокосу и датчик температуры воздуха над поверхностью воды.
Термокоса предназначена для измерения профиля температуры воды и конструктивно представляет собой кабель, на котором через каждые полтора метра размещены цифровые датчики температуры.

Рисунок 2. Структурная схема подводной обсерватории
Основными измеряемыми параметрами подсистемы сбора ГФП являются: температура воды и электропроводность воды.
Основные измеряемые параметры гидрохимического модуля следующие: растворенный кислород, pH.
Основные измеряемые параметры гидрооптического модуля: содержание хлорофилла в воде, мутность воды.
Ведется разработка оптического модуля. Текущая его версия позволяет измерять с помощью флюорометра содержание хлорофилла «а» и мутность воды с помощью датчика мутности.
Выходы всех датчиков аналоговые, напряжение в диапазоне от 0 до 5 В.
Основные метрологические характеристики датчиков следующие:
• Датчик электропроводности:
- диапазон измерения 0÷70 мСм/см;
- погрешность ± 0,01 мСм/см;
• Датчик температуры:
- диапазон измерения -2..32 °С;
- погрешность ± 0,01 °С;
Флюориметр:
- диапазон измерения 0 – 6000 м;
- погрешность ± 0,02 µg /l;
• Мутномер (Turbidity Meter):
- диапазон измерения 0 – 6000 м;
- погрешность ± 0,01 NTU.
Блок питания служит для обеспечения электропитания подводной обсерватории, как от автономного, так и от внешнего источника энергии.
Системный модуль отвечает за управление электропитанием, сбор данных от измерительных модулей и передачу информации в береговой центр сбора. Структурная схема модуля изображена на рис. 3.
Системный модуль состоит из блока коммутации, блока управления (передачи), блока контроля электропитания и блока драйверов интерфейса. Поскольку выпускаемые промышленностью различные измерительные датчики имеют разные не стандартизированные форматы передачи данных, то с целью приведения их к одному виду было разработано устройство согласования форматов и протоколов. Большинство выпускаемых датчиков имеют аналоговый или цифровой интерфейс RS-232. Разработан блок коммутации, позволяющий подключать, до 10 каналов измерительных по интерфейсу
RS-232, или до 32 аналоговых низкочастотных каналов. [6]

Рисунок 3. Системный модуль ПО
Алгоритм работы ПО следующий:
Аналоговые каналы оцифровываются с помощью АЦП. Каждый цифровой канал обрабатывается собственным микроконтроллером. Для каждого канала задается собственный алгоритм обработки данных. Все микроконтроллеры связываются по шине I2C с центральным микроконтроллером (ЦМ). ЦМ по интерфейсу Ethernet или RS-485 связывается с береговым центром сбора данных.
В качестве протокола общения системного модуля с береговым центром применен промышленный протокол передачи данных Modbus. Применение промышленного хорошо проверенного протокола передачи данных позволяет повысить надежность канала передачи и упростить подключение станции к разнообразным устройствам сбора данных. [5]
1.1.3 Значение подсистемы сбора ГФП в составе ПО
Основное назначение подводной обсерватории – снимать показания требуемых параметров с датчиков, поэтому очевидно, что ключевую роль в ПО играет подсистема сбора гидрофизических параметров.
Первой и очень важной задачей при проектировании подсистемы сбора ГФП является выбор оптимального первичного преобразователя, поскольку его параметры, такие как точность, надежность, стоимость, частота измерений, потребляемая мощность и т.п. во многом определяют облик проектируемой системы.
1.2 Анализ существующих технических решений подсистемы сбора гидрофизических параметров
В основе существующих решений подсистемы сбора ГФП лежит CTD-зонд. В задачу CTD-зонда входит сбор информации о температуре и электропроводности водной среды. CTD зонд является одним из основных инструментов экспериментальной океанологии. Его выпускают большое количество компаний. Из этих компаний наиболее известны фирмы Sea-Bird Electronics, Inc., Falmouth Scientific, Inc. и IDRONAUT S.r.l. CTD зонды также могут комплектоваться дополнительными измерительными каналами. Как правило, такие комплексы предназначены для изучения океана по какому-либо специфическому научному направлению, мало отвечают долговременным экологическим задачам, охватывающих широкий круг вопросов и не предназначены для длительных постановок. Из имеющихся подводных донных обсерваторий можно выделить проект обсерватории Geostar.
Проект «Geostar» предусматривает: многофункциональность, получение возможности использования относительно недорогих специальных средств при разворачивании станции прямо с поверхности моря при работе в тяжелых условиях, использование комплексных систем связи, включающих гидроакустическую линию связи морское дно-поверхность, спутниковую связь в квазиреальном времени и несколько одноразовых капсул данных, периодически выпускаемых обсерваторией на поверхность. Предусмотрен также интерфейс для использования подводного кабеля. Архитектура «Geostar» открыта для ведения программ других экспериментов и перераспределения оборудования. Структура обсерватории «Geostar» показана на рис. 4
Из отечественных систем – в ОКБ ОТ РАН по заказу Министерства науки РФ в рамках государственного контракта разработана подводная донная обсерватория, включающая в себя сейсмометр, спектроанализатор, датчик магнитного поля, гидрофизический модуль с датчиками температуры, статического давления, вектора скорости и электропроводности, блок контроля радиоактивных загрязнений.

Рисунок 4. Структура обсерватории «Geostar»
Структурная схема аппаратурного комплекса обсерватории представлена на рис. 5. Она включает в себя: погружаемый комплекс (ПК); береговой центр сбора и обработки информации (ИОЦ); глубоководный оптоволоконный кабель; подводные ретрансляторы; судовой комплекс контрольного оборудования (СКО). [2]
Следует отметить, что структура и элементы комплекса разрабатывались с учетом возможности создания на их основе последовательных и радиальных сетей исследовательских подводных обсерваторий. Структурные схемы таких сетей представлены на рис. 6 и 7.
Последовательная сеть ИПО состоит из обсерваторий, присоединенных к одному глубоководному кабелю, радиальная сеть ИПО – из обсерваторий, каждая из которых подсоединена к отдельному глубоководному кабелю.
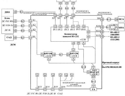
На рис. 8 приведена функциональная схема ПК исследовательской подводной обсерватории.
В настоящее время ПК укомплектован следующими измерительными каналами и устройствами:
– трехкомпонентным донным сейсмометром с датчиком пространственной ориентации (ДСМ);
– подводным спектроанализатором (ПСА);
– датчиком магнитного поля (ДМП);
– гидрофизическим модулем с датчиками температуры, статического давлений, вектора скорости течения и электропроводности (ГФМ)
– блоком контроля радиоактивных загрянений (БКРЗ);
– блоком регистрации и управления (БРУ);
– подводной аппаратурой гидроакустического телеуправления (ПАГАТ);
– несущей платформой (НП);
![]()

![]()
|

Рисунок 6. Структурная схема последовательной сети ИПО

Рисунок 7. Структурная схема радиальной сети ИПО

Рис. 8. Функциональная схема ПК исследовательской подводной обсерватории

Рис. 9. Гидрофизический модуль с датчиками температуры, статического давления, вектора скорости течения и электропроводности (ГФМ)
Гидрофизический модуль с датчиками температуры, статического давления, вектора скорости течения и электропроводности. ГФМ входит в состав ПК подводной исследовательской обсерватории и предназначен для измерения следующих параметров: температуры; давления; электропроводимости; вектора скорости течения (трехосный акустический измеритель течений); ориентации платформы обсерватории (крен-дифферент).
Внешний вид ГФМ приведен на рис. 9, а технические характеристики – в табл. 1.
Таблица 1. Технические характеристики ГФМ
| Параметр | Диапазон | Погрешность | Разрешение | Временной дрейф, на 1 месяц |
| Скорость течения | 0…2 м/с | 0,3 см/с | 0,03 см/с | 0,15 см/с |
| Направление | 360° | ±2° | 1° | - |
| Крен-дифферент | 30° | 2° | 0,1° | - |
| Температура | -5… 45 °С -2…35 °С | 0,25 °С 0,01 °С | 0,015 °С 0,0001 °С | 0,002 °С |
| Давление | 6000 м 7000 м | ±0,5% ±0,05% | 0,1% +7 м | 0,7% на диапазон температур 0…50 °С±0,01% |
| Электропроводимость | 2…75 мСм/см 0…70 мСм/см | 0,2 мСм/см 0,005 мСм/см | 0,02 мСм/см 0,0001 мСм/см | 0,002 мСм/см |
Кроме того, в Институте океанологии РАН в 1996–1998 годах была разработана гидрохимическая подводная донная обсерватория, в состав которой входят датчики для измерения гидрохимических и гидрофизических параметров среды, спектроанализатор. Эти подводные обсерватории обладают ограниченным набором измерительных каналов для экологического мониторинга, кроме того, они не имеют интеграции с развитым программно-аппаратным комплексом по хранению обработке и анализу данных полученных от измерительных каналов подводной обсерватории. Основным недостатком упомянутых систем, является то, что они не могут быть использованы в структуре удаленных и территориально распределенных автоматизированных комплексов контроля окружающей и морской среды без коренной переделки.
Проектируемый в настоящее время гидрофизический модуль отличается от своих прототипа пониженным энергопотреблением за счет установки новых датчиков электропроводности и температуры, что привело к уменьшению нагрева элементов и, вследствие этого, к снижению погрешности измерения гидрофизических параметров и увеличению надежности и сроков эксплуатации прибора.
1.3 Обоснование выбора измерительного преобразователя
В проектировании подсистемы сбора ГФП ключевым моментом является выбор первичного преобразователя, поскольку от него зависит точность полученных данных.
На рынке широко представлены различные первичные преобразователи как зарубежных (FSI, SEABIRD) так и отечественных (НПО Метран, НПО «Теплоприбор») производителей.
Сравнительные характеристики некоторых из них приведены ниже.
1) Первым рассмотрим отечественные интеллектуальные преобразователи температуры серии Метран-286 (рис. 10).

Рисунок 10. Датчик Метран-286
Температура
Диапазон -5..50 C Выходной сигнал: 4…20мА; HART
Пределы измерения, °С К: 0…1000; 100П, Pt100: 0…500
Погрешность измерения, % ±0,7…2,5 (а.с.); ±0,25…2 (ц.с.)
Условия эксплуатации -40…+70 °С
Потребляемая мощность 18…42В постоянного тока
Срок службы, лет 3…6
Хочу отметить, что на сегодняшний день этот датчик считается одним из лучших в своей области. Но он не подходит, так как тонко настроить этот датчик под конкретную задачу невозможно.
2) Вторым хочу рассмотреть датчик производства компании SEA-BIRD Electronics серии SBE 41/41CP (рис. 11)


Рисунок 11. Датчик SBE 41/41CP CTD Module
Погрешность 0.002 C
Соленость
Точность 0.005 psu
Потребляемая мощность 50мВт
Частота выходного сигнала 3..20kHz
Частота измерений 1Hz
Стабильность 0.015% в месяц
К плюсам этого датчика хочу отнести высокую точность измерений, высокую стабильность показаний, малую потребляемую мощность.
Однако этот датчик уступает датчику FSI NXIC CT по ряду параметров.
К тому же датчики Sea-Bird необходимо монтировать в специальные корпуса для повышения надежности в их эксплуатации. Хотя следует сказать, что системы мониторинга океана на базе этих датчиков (проект ALACE) зарекомендовали себя очень хорошо и способны были проработать от 3 до 5 лет.
3) Последним рассмотрим датчик производства компании Falmouth FSI OEMNXICCT (Рис. 12)

Рисунок 12. Датчик FSI OEMNXICCT
Электропроводность Диапазон 0..90 mS/cм
Погрешность 0.005 mS/cm
Стабильность 0.0005 mS/cm/month
Температура: Диапазон -5..45 C
Погрешность 0.005 C
Стабильность 0.0005 C/month
Частота измерений до 5 Hz
Этот датчик, по сравнению с другими, обладает целым рядом преимуществ.
Во-первых это экран препятствующий обрастанию. Учитывая специфику области его применения, эта особенность ставит его на весьма выгодную позицию. У этого датчика очень удобная и интуитивно понятная система команд. Из всех рассмотренных датчиков, этот обладает наивысшей точностью и стабильностью и частотой измерений. Унифицированный интерфейс (подключатся по интерфейсу RS232) позволяет производить легкую настройку датчика без установки дополнительных программных средств.
Все вышеперечисленные преимущества склоняют к выбору в пользу данного датчика.
1 .4 Разработка структурной схемы
На структурной схеме устройства необходимо изображать все основные функциональные части. Структурная схема проектируемой подсистемы сбора ГФП разрабатывалась с учетом особенностей применяемого первичного преобразователя и с возможностью дальнейшей модернизации, которая заключается в подключении к устройству различных первичных преобразователей.
Структурная схема приведена ниже на рис. 13.

Рисунок 13. Структурная схема подсистемы сбора ГФП.
Датчики, входящие в состав подсистемы сбора ГФП должны соответствовать следующим характеристикам:
Датчик электропроводности / солености
| Диапазон измерения | 0..90 mS/cм |
| Погрешность | 0.005 mS/cm |
| Стабильность | 0.0005 mS/cm/month |
Датчик температуры.
| Диапазон измерения | -5..45° C |
| Погрешность | 0.005° С |
| Стабильность | 0.0005° C/month |
Датчик давления.
| Диапазон измерения | 0–500 м |
| Погрешность | 0.04% |
Флюорометр.
| Диапазон измерения | 0–6000 м |
| Погрешность | ±0.02μg/l |
Мутномер (Turbidity Meter)
| Диапазон измерения | 0–6000 м |
| Погрешность | ±0.01 NTU |
Акустический измеритель течения
Компас
| Диапазон измерения | 30° |
| Погрешность | 2° |
Угол наклона
| Диапазон измерения | 20° |
| Погрешность | 0.2° |
Скоростьтечения
| Диапазон измерения | 3 м/с |
| Погрешность | 1° |
| Частота измерения | 1Нz |
К тому же для избегания потери данных при длительном отсутствии связи с береговым РЦ и для работы обсерватории в автономном режиме, должна осуществляться запись показаний датчиков на цифровой носитель информации.
1.5 Обоснование выбора периферийных компонентов подсистемы сбора гидрофизических параметров
Для разработки подсистемы сбора гидрофизических параметров необходимо было выбрать элементную базу и целый ряд периферийных компонентов.
После того, как был определен тип используемого в системе датчика и сформулированы требования к периферийным компонентам системы, начались поиски соответствующего микроконтроллера для обработки показаний датчиков и выполнения пользовательской программы.
Было найдено значительное количество схожих по своим характеристикам микроконтроллеров (PIC, Atmel), поэтому пришлось ужесточить условия поиска и отбирать микроконтроллер не только по его характеристикам, но и оценивать имеющиеся на базе этих микроконтроллеров средства разработки, которые бы максимально сокращали время и ресурсы, затраченные на проектирование собственного устройства.
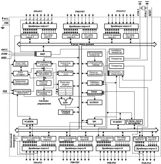
В результате поиска решение было найдено на базе микроконтроллера Atmel ATmega 128. Оно представляет собой системную плату для разработчика, в которой присутствовало все необходимое для создания на ней прототипа для системной платы подсистемы сбора гидрофизических параметров. После того, как плата была модернизирована, была подготовлена принципиальная электрическая схема системной платы.
ATmega128 – маломощный 8-разр. КМОП микроконтроллер, основанный на расширенной AVR RISC-архитектуре. За счет выполнения большинства инструкций за один машинный цикл ATmega128 достигает производительности 1 млн. операций в секунду/МГц, что позволяет проектировщикам систем оптимизировать соотношение энергопотребления и быстродействия.
Рисунок 14 – Функциональная схема
Ядро AVR сочетает богатый набор инструкций с 32 универсальными рабочими регистрами. Все 32 регистра непосредственно подключены к арифметико-логическому устройству (АЛУ), который позволяет указать два различных регистра в одной инструкции и выполнить ее за один цикл. Данная архитектура обладает большей эффективностью кода за счет достижения производительности в 10 раз выше по сравнению с обычными CISC-микроконтроллерами.
ATmega128 содержит следующие элементы: 128 кбайт внутрисистемно программируемой флэш-памяти с поддержкой чтения во время записи, 4 кбайт ЭСППЗУ, 4 кбайт статического ОЗУ, 53 линии универсального ввода-вывода, 32 универсальных рабочих регистра, счетчик реального времени (RTC), четыре гибких таймера-счетчика с режимами сравнения и ШИМ, 2 УСАПП, двухпроводной последовательный интерфейс ориентированный на передачу байт, 8-канальный 10-разр. АЦП с опциональным дифференциальным входом с программируемым коэффициентом усиления, программируемый сторожевой таймер с внутренним генератором, последовательный порт SPI, испытательный интерфейс JTAG совместимый со стандартом IEEE 1149.1, который также используется для доступа к встроенной системе отладке и для программирования, а также шесть программно выбираемых режимов уменьшения мощности. Режим холостого хода (Idle) останавливает ЦПУ, но при этом поддерживая работу статического ОЗУ, таймеров-счетчиков, SPI-порта и системы прерываний. Режим выключения (Powerdown) позволяет сохранить содержимое регистров, при остановленном генераторе и выключении встроенных функций до следующего прерывания или аппаратного сброса. В экономичном режиме (Power-save) асинхронный таймер продолжает работу, позволяя пользователю сохранить функцию счета времени в то время, когда остальная часть контроллера находится в состоянии сна. Режим снижения шумов АЦП (ADC Noise Reduction) останавливает ЦПУ и все модули ввода-вывода, кроме асинхронного таймера и АЦП для минимизации импульсных шумов в процессе преобразования АЦП. В дежурном режиме (Standby) кварцевый / резонаторный генератор продолжают работу, а остальная часть микроконтроллера находится в режиме сна. Данный режим характеризуется малой потребляемой мощностью, но при этом позволяет достичь самого быстрого возврата в рабочий режим. В расширенном дежурном режиме (Extended Standby) основной генератор и асинхронный таймер продолжают работать.
Микроконтроллер производится по технологии высокоплотной энергонезависимой памяти компании Atmel. Встроенная внутрисистемно программируемая флэш-память позволяет перепрограммировать память программ непосредственно внутри системы через последовательный интерфейс SPI с помощью простого программатора или с помощью автономной программы в загрузочном секторе. Загрузочная программа может использовать любой интерфейс для загрузки прикладной программы во флэш-память. Программа в загрузочном секторе продолжает работу в процессе обновления прикладной секции флэш-памяти, тем самым поддерживая двухоперационность: чтение во время записи. За счет сочетания 8-разр. RISC ЦПУ с внутрисистемно самопрограммируемой флэш-памятью в одной микросхеме ATmega128 является мощным микроконтроллером, позволяющим достичь высокой степени гибкости и эффективной стоимости при проектировании большинства приложений встроенного управления.
ATmega128 поддерживается полным набором программных и аппаратных средств для проектирования, в т.ч.: Си-компиляторы, макроассемблеры, программные отладчики / симуляторы, внутрисистемные эмуляторы и оценочные наборы.
Для записи показаний датчиков был выбран тип флеш-памяти SD.
Это обусловлено:
· размером флеш-памяти;
· низким энергопотреблением;
· низкой стоимостью носителей;
· способом записи (SD – карты имеют встроенный контроллер, который производит обнаружение и исправление ошибок и старается равномерно использовать ресурс перезаписи флеш-памяти).
1.6 Разработка алгоритма работы подсистемы сбора гидрофизических параметров
Микроконтроллер Atmel AVRMega 128 (МК) управляет по заданной пользователем программе, сбором и обработкой данных с CTD, флюориметра, турбидиметра, акустического измерителя течения, а также с аналоговых каналов. МК сохраняет данные с датчиков на флэш-память и по заданной программе выполняет передачу данных по интерфейсу RS-485, если обсерватория работает в кабельном варианте.
Алгоритм работы схематически представлен на рис. 15

Рисунок 15. Алгоритм работы подсистемы сбора ГФП
1.7 Разработка прикладного ПО подсистемы сбора гидрофизических параметров
Было разработано программное обеспечение для микроконтроллера. Оно позволяет проводить гибкую настройку обсерватории в зависимости от применяемых датчиков, работе в автономном режиме или в кабельном варианте. Пользователь может задавать различную частоту опроса датчиков, в зависимости от временных условий, поступающих от датчиков значений или градиента значений. При работе в кабельном варианте возможно удаленное управление и программирование.
В настоящее время работа над программным обеспечением для микроконтроллера ещё не завершена: ведется оптимизация программного кода под поставленную задачу и отладка существующих блоков ПО. Листинг приведен в приложении 2.
Заключение
В ходе выполнения дипломного проекта были разработаны:
• структурная схема устройства
• принципиальная схема устройства
• алгоритм работы устройства
В результате работы над дипломным проектом приобретен опыт:
• в программировании первичных преобразователей и микроконтроллеров
• в разработке принципиальных электрических схем микропроцессорных систем
• в подготовке технической документации
• в применении комплексных инженерных знаний для разработки принципов функционирования устройства
Фактически был создан прототип подсистемы сбора ГФП для автономного океанологического зондирующего комплекса.
Охрана труда
Охрана труда – это система законодательных актов, социально-экономических, организационных, технических, гигиенических и лечебно-профилактических мероприятий и средств, обеспечивающих безопасность, сохранение здоровья и работоспособности человека в процессе труда.
Полностью безопасных и безвредных производственных процессов не существует. Задача охраны труда – свести к минимальной вероятность поражения или заболевания работающего с одновременным обеспечением комфорта при максимальной производительности труда.
В данном разделе дипломного проекта будет произведен расчет информационной нагрузки оператора ЭВМ и спроектировано оптимальное рабочее место с точки зрения эргономики.
Любой производственный процесс, в том числе работа с ЭВМ, сопряжен с появлением опасных и вредных факторов.
Опасный фактор – это производственный фактор, воздействие которого на работающего в определенных условиях приводит к травме или другому резкому внезапному ухудшению здоровья.
Вредный фактор – производственный фактор, приводящий к заболеванию, снижению работоспособности или летальному исходу. В зависимости от уровня и продолжительности воздействия вредный производственный фактор может стать опасным.
При работе над дипломом использовались:
1. Сеть 380 В/220 В.
2. Помещения без повышенной опасности (сухие, температура +5 – 30 градусов Цельсия, относительная влажность меньше или равна 60%, коэффициент заполнения менее 0,2).
3. Компьютер (ЖК монитор Benq, системный блок, клавиатура, мышь), принтер, сканер.
При работе на ПЭВМ должны быть соблюдены параметры микроклимата в помещениях, в которых находятся рабочие места операторов ПЭВМ. Параметры микроклимата могут меняться в широких пределах, в то время как необходимым условием жизнедеятельности человека является поддержание постоянства температуры тела благодаря терморегуляции, т.е. способности организма регулировать отдачу тепла в окружающую среду. Принцип нормирования микроклимата – создание оптимальных условий для теплообмена тела человека с окружающей средой. Вычислительная техника является источником существенных тепловыделений, что может привести к повышению температуры и снижению относительной влажности в помещении. В помещениях, где установлены компьютеры, должны соблюдаться определенные параметры микроклимата. В санитарных нормах СН-245–71, СниП 2.2.2 542–96, установлены величины параметров микроклимата, создающие комфортные условия. Эти нормы устанавливаются в зависимости от времени года, характера трудового процесса и характера производственного помещения (см. табл. 1) Объем помещений, в которых размещены работники вычислительных центров, не должен быть меньше 19,5 м3 /человека с учетом максимального числа одновременно работающих в смену. Нормы подачи свежего воздуха в помещения, где расположены компьютеры, приведены в табл. 2. [7]
Таблица 1 Параметры микроклимата для помещений, где установлены компьютеры
| Период года | Параметр микроклимата | Величина |
| Холодный | Температура воздуха в помещении Относительная влажность Скорость движения воздуха |
22.24 °С 40.60% до 0,1 м/с |
| Теплый | Температура воздуха в помещении Относительная влажность Скорость движения воздуха |
23.25 °С 40.60% 0,1. 0,2 м/с |
Таблица 2 Нормы подачи свежего воздуха в помещения, где расположены компьютеры
| Характеристика помещения | Объемный расход подаваемого в помещение свежего воздуха, м3 /на одного человека в час |
Объем до 20 м3 на человека 20.40 м3 на человека Более 40 м3 на человека |
Не менее 30 Не менее 20 Естественная вентиляция |
Для обеспечения комфортных условий используются как организационные методы (рациональная организация проведения работ в зависимости от времени года и суток, чередование труда и отдыха), так и технические средства (вентиляция, кондиционирование воздуха, отопительная система) [8]
Характеристики ЖК монитора BenqFP71G: разрешение по горизонтали (max) 1280 пикселей; разрешение по вертикали (max) – 1024 пикселей; легко регулируемые контрастность и яркость; частота кадровой развертки при максимальном разрешении – 56–76 Гц; частота строчной развертки при максимальном разрешении – 31–83 кГц.
Пользователь сидит за компьютером, значит, на него воздействует ультрафиолетовое излучение, низкочастотные магнитные поля, статическое электричество. Кроме того, компьютер подключен к сети, следовательно, существует опасность поражения электрическим током. На зрение пользователя влияет недостаточное и неправильное освещение помещения. На психику – шум и вибрации, монотонный труд. Влияет на человека и неправильная посадка за рабочим столом.
Из анализа этих факторов видна необходимость защиты от них.
Электробезопасность представляет собой систему организационных и технических мероприятий и средств, обеспечивающих защиту людей от вредного и опасного воздействия электрического тока, электрической дуги, электромагнитного поля и статического электричества.
Воздействие тока на человека, при прохождении через тело, бывает:
1. Термическое – нагрев тканей, окружающей среды.
2. Электролитическое – разложение крови плазмы.
3. Биологическое – раздражение нервных окончаний тканей, судорожное сокращение мышц.
4. Механическое – разрыв тканей, получение ушибов, вывихов.
Тяжесть поражения электрическим током зависит от силы тока, рода тока, частоты тока, электрического сопротивления человека, состояния окружающей среды, времени воздействия тока и индивидуальных особенностей человека.
Результатом воздействия электрического тока на человека могут быть местные электротравмы – электрические ожоги, электрические знаки, металлизация кожи, уплотнение кожи, механические повреждения и электроофтальмия, – и общие травмы – электроудары.
Наиболее опасным переменным током является ток 20 – 100 Гц. Так как компьютер питается от сети переменного тока частотой 50 Гц, то этот ток является опасным для человека.
Защиту от поражения электротоком осуществляют: обеспечением недоступности токоведущих частей от случайных прикосновений; электрическим разделением сети; устранением опасности поражения при появлении напряжения на частях машины; применением специальных электрозащитных средств; организацией безопасной эксплуатации электроустановок.
С током связан еще один фактор, действующий в сетях, – напряжение. Защитой от него может быть изоляция. Чтобы изоляция защищала, она должна обладать электрическим сопротивлением.
Технически от напряжения можно защититься с помощью зануления.
Зануление – это преднамеренное электрическое соединение с нулевым защитным проводником металлических нетоковедущих частей ЭЛУ, которые могут оказаться под напряжением. Применяется в 3-хфазных сетях с заземленной нейтралью при напряжении менее 1000В.
Основа принципа защиты занулением: защита человека осуществляется тем, что при замыкании одной из фаз на заземляющий корпус, в цепи появляется ток замыкания, который отключает от потребителя сеть. Ток короткого замыкания еще до срабатывания защиты вызывает перераспределение в сети, приводящее к снижению напряжения на корпусе относительно земли. На рисунке 1 приведена схема защиты ПЭВМ по принципу защиты занулением.

где НЗП – нулевой защитный проводник.
По заданным параметрам определим возможный Jк.з.:

(1),
где:![]()
Jк.з . – ток короткого замыкания [А];
Uф – фазовое напряжение [B];
rm – сопротивление катушек трансформатора [Ом];
rнзп – сопротивление нулевого защитного проводника [Ом].
Uф
= 220 В;
Ом (по паспорту)
(2), где:
- удельное сопротивление материала проводника [Ом*м];
l – длина проводника [м];
s – площадь поперечного сечения проводника [мм2 ].
По величине
определим с каким
необходимо включить в цепь питания ПЭВМ автомат.
р медь = 0,0175 Ом*м
=400 м
;
=150 м
;
=50 м
; ![]()
![]()
![]()
![]()
;
9,1
![]()

(3), где K – качество автомата.
![]()
Отсюда следует, что для отключения ПЭВМ от сети в случае короткого замыкания или других неисправностей в цепь питания ПЭВМнеобходимо ставить автомат с Jном = 8 А.
Во время работы на персональных ЭВМ при прикосновении к любому из элементов оборудования могут возникнуть разрядные токи статического электричества. Вследствие этого происходит электризация пыли и мелких частиц, которые притягивается к экрану. Собравшаяся на экране электризованная пыль ухудшает видимость, а при повышении подвижности воздуха, попадает на лицо и в легкие человека, вызывает заболевания кожи и дыхательных путей.
Особенно электростатический эффект наблюдается у компьютеров, которые находятся в помещении с полами, покрытыми синтетическими коврами.
При повышении напряженности поля Е>15 кВ/м, статическое электричество может вывести из строя компьютер.
Для защиты от статического электричества предусмотрены специальные шнуры питания с встроенным заземлением. Там, где это не используется (отсутствует розетка) необходимо заземлять корпуса оборудования.
Также для защиты от воздействия электрического тока все корпуса оборудования, клавиатура, защелки дисководов и кнопки управления выполнены из изоляционного материала. [10]
Кроме того, защита осуществляется: проветриванием без присутствия пользователя, влажной уборкой, нейтрализаторами статического электричества, подвижность воздуха в помещении должна быть не более 0.2 м/с.
Отдельный вопрос – производственное излучение.
Дисплейные мониторы представляют собой источники интенсивных электромагнитных полей.
Электромагнитное поле создается магнитными катушками отклоняющей системы, находящимися около цокольной части электронно-лучевой трубки монитора. По данным отечественных исследователей, в районе дисплея могут образовываться электромагнитные поля радиочастот (диапазон 5–10 МГц), создаваемые системой модуляции электронного луча.
В дисплее ПЭВМ высоковольтный блок строчной развертки и выходного строчного трансформатора вырабатывает высокое напряжение до 25 кВ для второго анода электронно-лучевой трубки. А при напряжении от 5 до 300 кВ возникает рентгеновское излучение различной жесткости, которое является вредным фактором при работе с ПЭВМ (при 15 – 25 кВ возникает мягкое рентгеновское излучение). Поскольку в мониторах уже начиная с TCO95 рентгеновское излучение погашено, то в дальнейшем мы его рассматривать не будем.
Многочисленные катушки внутри монитора дают электромагнитное излучение низкой частоты . Распространяется оно в основном в стороны и назад, поскольку экран ослабляет это излучение.
Электромагнитные поля с частотой 60 Гц и выше могут инициировать изменения в клетках животных (вплоть до нарушения синтеза ДНК). В отличие от рентгеновского излучения, электромагнитные волны обладают необычным свойством: опасность их воздействия при снижении интенсивности не уменьшается, мало того, некоторые поля действуют на клетки тела только при малых интенсивностях или на конкретных частотах. Переменное электромагнитное поле, совершающее колебания с частотой порядка 60 Гц, вовлекает в аналогичные колебания молекулы любого типа, независимо от того, находятся они в мозге человека или в его теле. Результатом этого является изменение активности ферментов и клеточного иммунитета, причем сходные процессы наблюдаются в организмах при возникновении опухолей.
Степень воздействия электромагнитных излучений на оператора ЭВМ зависит от продолжительности облучения, характера и режима излучения, индивидуальных особенностей организма. Биологическое действие ЭМП является обратимым, если прекратить воздействие, но способно накапливаться в организме.
Для снижения уровня воздействия электромагнитных полей желательно пользоваться следующими мерами:
а) экранирование экрана монитора. Поверхность экрана покрывается слоем оксида олова, либо в стекло ЭЛТ добавляется оксид свинца;
б) удаление рабочего места от источника электромагнитного поля. Оператор должен находиться на расстоянии вытянутой руки от экрана монитора;
в) рациональное размещение оборудования. Необходимо располагать ПЭВМ на расстоянии не менее 1.22 м от боковых и задних стенок других мониторов;
г) ограничение времени работы за ПЭВМ. Время непрерывной работы должно составлять не более 4 ч в сутки. За неделю суммарное время работы не должно превышать 20 ч.
Ультрафиолетовое излучение – электромагнитное излучение в области, которая примыкает к коротким волнам и лежит в диапазоне длин волн ~ 200 – 400 нм.
Различают следующие спектральные области:
- 200 – 280 нм – бактерицидная область спектра.
- 280 – 315 нм – Зрительная область спектра (самая вредная).
- 315 – 400 нм – Оздоровительная область спектра.
При длительном воздействии и больших дозах могут быть следующие последствия: серьезные повреждения глаз (катаракта), рак кожи, кожно-биологический эффект (гибель клеток, мутация, канцерогенные накопления), фототоксичные реакции.
Энергетической характеристикой является плотность потока мощности [Вт/м2]. Биологический эффект воздействия определяется внесистемной единицей эр: 1 эр – это поток (280 – 315 нм), который соответствует потоку мощностью 1 Вт.
Воздействие ультрафиолетового излучения сказывается при длительной работе за компьютером. Максимальная доза облучения: 7.5 мэр*ч/
за рабочую смену; 60 мэр*ч/
в сутки.
Для защиты от ультрафиолетового излучения применяют: защитные фильтры или специальные очки (толщина стекол 2 мм, насыщенных свинцом); одежду из фланели и поплина; делают побелку стен и потолка (ослабляет на 45–50%).
Производственное освещение тоже заслуживает внимания. Рациональное освещение помещений – один из наиболее важных факторов, от которых зависит эффективность трудовой деятельности человека.
Назначение его состоит в том, чтобы: 1) снижать утомляемость, 2) увеличивать условия зрительной работы, 3) способствовать повышению производительности труда и качества продукции, 4) оказывать благоприятное воздействие на психику, 5) уменьшать уровень травматизма и увеличивать безопасность труда.
К освещению предъявляются следующие требования:
1. В рабочей зоне освещение должно быть в такой мере, чтобы рабочий имел возможность хорошо видеть процесс работы не напрягая зрение и не наклоняясь (менее чем на 0,5 метра до глаз) к объекту.
2. Освещение не должно создавать резких теней, бликов и оказывать слепящее действие. Глаза должны быть защищены от прямых источников света.
3. Спектральный состав света должен быть приближен к естественному свету.
4. Уровень освещенности должен быть достаточен и соответствовать условиям зрительной работы.
5. Уровень освещенности должен обеспечивать равномерность и устойчивость уровня освещенности.
6. Освещение не должно создавать блескости как самих источников света, так и предметов, находящихся в рабочей зоне.
Требования к освещению в вычислительных центрах:
Местное освещение не рекомендуется. Используется общее освещение. Максимальная освещенность 400 лк, блескость менее 15 ед., пульсация менее 10%.
Освещенность на поверхности стола в зоне размещения рабочего документа должна быть 300 – 500 лк. Допускается установка светильников местного освещения для подсветки документов. Местное освещение не должно создавать бликов на поверхности экрана и увеличивать освещенность экрана более 300 лк. [9]
Следует ограничивать прямую блесткость от источников освещения, при этом яркость светящихся поверхностей (окна, светильники и др.), находящихся в поле зрения, не должна быть более 200 кд/ кв. м.
Следует ограничивать неравномерность распределения яркости в поле зрения монитором и ПЭВМ, при этом соотношение яркости между рабочими поверхностями не должно превышать 3:1 – 5:1, а между рабочими поверхностями и поверхностями стен и оборудования 10:1.
Лампы рекомендуется использовать белого света, холодного белого света, наиболее близкие к естественному свету. Мощность ламп 36–40 Вт, температура 3000–4200 градусов Кельвина, тогда они не дают высокого ультрафиолетового излучения.
Основной поток естественного света должен быть слева. Солнечные лучи и блики не должны попадать в поле зрения работающего с ПЭВМ.
Стоит подумать и о производственных шумах.
Шум – это совокупность звуков с различными частотами и фазами, беспорядочно изменяющимися во времени и вызывающими неприятные ощущения у человека.
Звуковая волна характеризуется звуковым давлением, интенсивностью звука, частотой и скоростью распространения. Воздействие осуществляется не только через слуховой аппарат, но и через костную систему.
Органы слуха человека воспринимают:
- Звуковое давление 2*10-5 – 2*102 Па;
- Интенсивность 10-12 – 102 Вт/м2 ;
Минимальное звуковое давление и интенсивность, которые воспринимаются человеком, называются порогом слышимости.
Воздействие шума на человека:
1. Шум повышает расход энергии при одинаковой физической нагрузке, ослабляет внимание, замедляет скорость химических реакций.
2. Угнетается центральная нервная система, изменяется частота дыхания и пульса, нарушается обмен веществ, возникают сердечно-сосудистые заболевания.
При выполнении основной работы на мониторах и ПЭВМ, уровень шума не должен превышать 65 дБА.
На рабочих местах в помещениях для размещения шумных агрегатов вычислительных машин (АЦПУ, принтеры и др.) уровень шума не должен превышать 75 дБА. Шумящее оборудование (АЦПУ, принтеры и др.), уровни шума которого превышают нормированные, должно находится вне помещения с монитором и ПЭВМ.
Снизить уровень шума в помещениях с мониторами и ПЭВМ можно использованием звукопоглощающих материалов с максимальными коэффициентами звукопоглощения в области частот 63 – 8000 Гц для отделки помещений (разрешенных органами и учреждениями Госсанэпиднадзора России), подтвержденных специальными акустическими расчетами.
Дополнительным звукопоглощением служат однотонные занавеси из плотной ткани, гармонирующие с окраской стен и подвешенные в складку на расстоянии 15 – 20 см от ограждения. Ширина занавеси должна быть в 2 раза больше ширины окна.
К рабочему месту с ЭВМ тоже нужно отнестись серьезно:
1. Рабочие места с компьютерами должны размещаться таким образом, чтобы расстояние от экрана одного видеомонитора до тыла другого была не менее 2,0 м, а расстояние между боковыми поверхностями видеомониторов – не менее 1,2 м.
2. Экран видеомонитора должен находиться на расстоянии 600 – 700 мм, но не ближе 500.
3. Высота рабочей поверхности стола должна регулироваться в пределах 680–800 мм; при отсутствии такой возможности высота рабочей поверхности стола должна составлять 725 мм.
4. Рабочий стол должен иметь пространство для ног высотой не менее 600 мм, глубиной на уровне колен – не менее 450 мм и на уровне вытянутых ног – не менее 650 мм.
5. Рабочий стул (кресло) должен быть подъемно-поворотным и регулируемым по высоте и углам наклона сиденья и спинки, а так же – расстоянию спинки от переднего края сиденья.
6. Рабочее место должно быть оборудовано подставкой для ног, имеющей ширину не менее 300 мм, глубину не менее 400 мм, регулировку по высоте в пределах до 150 мм и по углу наклона опорной поверхности подставки до 20 градусов; поверхность подставки должна быть рифленой и иметь по переднему краю бортик высотой 10 мм.
7. Рабочее место с персональным компьютером должно быть оснащено легко перемещаемым пюпитром для документов.
8. Площадь на одно рабочее место с ПЭВМ для взрослых пользователей должна составлять не менее 6,0 кв. м., а объем не менее 20,0 куб. м.
9. Для внутренней отделки интерьера помещений с мониторами и ПЭВМ должны использоваться диффузно – отражающиеся материалы с коэффициентом отражения для потолка – 0,7 – 0,8; для стен – 0,5 – 0,6; для пола – 0,3 – 0,5.
Поверхность пола в помещениях эксплуатации мониторов и ПЭВМ должна быть ровной, без выбоин, нескользкой, удобной.
10. Для очистки и для влажной уборки, обладать антистатическими свойствами.
11. Для повышения влажности воздуха в помещениях с компьютерами следует применять увлажнители воздуха, ежедневно заправляемые дистиллированной или прокипяченной питьевой водой. Перед началом и после каждого часа работы помещения должны быть проветрены.
Самочувствие и здоровье персонала ЭВМ при исполнении выбранных методов и способов защиты от опасных и вредных факторов будут обеспечены.
Используемая литература
1. Статья «Океанология»http://ru.wikipedia.org/wiki/Категория: Океанология
2. Океанология. Средства и методы океанологических исследований Смирнов Г.В., Еремеев В.Н., Агеев М.Д., Коротаев Г.К., Ястребов В.С., Мотыжев С.В…М.: Наука, 2005
3. Стационарный комплекс для долговременных измерений океанологических параметров в реальном масштабе времени. С.А. Свиридов, Н.А. Пальшин, В.А Соловьев, АВ. Зарецкий, А.А. Метальников, М.В. Осипенко, Ю.Б. Филипчук, Институт океанологии им. П.П. Ширшова РАН, Москва, 2007
4. Подводная обсерватория как средство экологического мониторинга водной толщи и морского дна Римский-Корсаков Н.А., Свиридов С.А., Соловьев В.А., Зарецкий А.В., Метальников А.А. Институт океанологии им. П.П. Ширшова РАН, Москва, 2007
5. Развернутый научный отчет за прошедшие 12 месяцев работы по проекту конкурсов «офи» – 2006, «офи» – 2007 и «офи_ц» – 2007. Свиридов С.А., Соловьев В.А., Зарецкий А.В., Метальников А.А. Институт океанологии им. П.П. Ширшова РАН, Москва, 2007
6. Сборник трудов X Международной конференции «Современные методы и средства океанологических измерений» Свиридов С.А., Пальшин Н.А., Соловьев В.А., Зарецкий А.В., Метальников А.А. Москва, 2007 г.
7. ГОСТ 12.1.005. – 88 Общие санитарно-гигиенические требования к воздуху рабочей зоны. – М.: изд. ГС РФ, 1988 г.
8. СНиП 41.01.2003. Отопление, вентиляция, и кондиционирование. – М.: изд. ГС РФ, 2004 г.
9. СНиП 23.05.95 Естественное и искусственное освещение – М.: изд. ГС РФ, 1996 г.
10. Правила устройства электроустановок 7-е изд. – М.:, изд. Энергосервис, 2002 г.
Приложение 1
Принципиальная схема устройства и перечень компонентов.

Приложение 2
Листинг
1) Работасфлеш
// #########################################################################
// Compiler: AVR-GCC 3.4.3
// #########################################################################
#include <avr/io.h>
#include <avr/interrupt.h>
#include <avr/signal.h>
#include «dos.h»
#define sbi (portn, bitn) ((portn)|=(1<<(bitn)))
#define cbi (portn, bitn) ((portn)&=~(1<<(bitn)))
// ######################################################
unsigned char MMCCommand (unsigned char command, unsigned long adress)
// ######################################################
{
SPI_WRITE(0xFF); //Dummy write
SPI_WAIT();
SPI_WRITE(command);
SPI_WAIT();
SPI_WRITE((unsigned char) (adress>>24)); //MSB of adress
SPI_WAIT();
SPI_WRITE((unsigned char) (adress>>16));
SPI_WAIT();
SPI_WRITE((unsigned char) (adress>>8));
SPI_WAIT();
SPI_WRITE((unsigned char) adress); //LSB of adress
SPI_WAIT();
SPI_WRITE(0xFF); //dummy checksum
SPI_WAIT();
SPI_WRITE(0xFF); // 16 bit response
SPI_WAIT();
SPI_WRITE(0xFF);
SPI_WAIT();
return SPDR; // only last 8 bits used
}
// ######################################################
unsigned char MMCReadSector (unsigned long sector, unsigned char *buf)
// ######################################################
{
unsigned int i;
unsigned char *p, by;
unsigned long startadr;
if (sector>=maxsect) return 1; //sectornumber too big
p=buf; //using a pointer is much faster than indexing buf[i]
MMC_CS_OFF();
//calculate startadress of the sector
startadr=sector * (unsigned long) BYTE_PER_SEC;
MMCCommand (MMC_READ_BLOCK, startadr);
do
{
SPI_WRITE(0xFF);
SPI_WAIT();
} while (SPDR!=0xFE); // wait for card response
//the following code looks very strange!
//the idea is not to stop the cpu while SPI module transfers data.
//you have 16 cpu cycles until transmission has finished!
//you can use this time to do something like storing your last data
//or get your next data out of memory, doing some loop overhead….
//don't wait for end of transmission until you have done something better;)
SPI_WRITE(0xFF); // shift in first byte
SPI_WAIT(); // we have to wait for the first byte, but ONLY for the first byte
by=SPDR; // get first byte, but store later!
SPI_WRITE(0xFF); // start shift in next byte
for (i=0; i< (BYTE_PER_SEC-1); i++) //execute the loop while transmission is running in background
{
// do the for() loop overhead at this point while SPI module shifts in new data
*p++=by; // store last byte in buffer while SPI module shifts in new data
SPI_WAIT(); // wait for next byte
by=SPDR; // get next byte, but store later!
SPI_WRITE(0xFF); // start shift in next byte
}
// last SPI_WRITE(0xFF); is shifting in crc part1 at this point
*p=by; // store last byte in buffer while SPI module shifts in crc part1
SPI_WAIT();
SPI_WRITE(0xFF); // shift in crc part2
SPI_WAIT();
MMC_CS_ON();
return 0;
}
// ######################################################
unsigned char MMCWriteSector (unsigned long sector, unsigned char *buf)
// ######################################################
{
unsigned int i;
unsigned char *p, by;
unsigned long startadr;
if (sector>=maxsect) return 1; //sectornumber too big
p=buf; //using a pointer is much faster than indexing buf[i]
MMC_CS_OFF();
//calculate startadress
startadr=sector * (unsigned long) BYTE_PER_SEC;
MMCCommand (MMC_WRITE_BLOCK, startadr);
SPI_WRITE(0xFF); // do we need this TWO dummy writes?
SPI_WAIT();
SPI_WRITE(0xFF);
SPI_WAIT();
SPI_WRITE(0xFE); // start block token for next sector
for (i=0; i<BYTE_PER_SEC; i++) // execute the loop while transmission is running in background
{
// do the for() loop overhead at this point while SPI module shifts out new data
by=*p++; // get next data from memory while SPI module shifts out new data
SPI_WAIT(); // wait for end of transmission
SPI_WRITE(by); // start shift out next byte
}
SPI_WAIT(); // wait til last byte is written to MMC
SPI_WRITE(0xFF); // 16 bit crc follows data
SPI_WAIT();
SPI_WRITE(0xFF);
SPI_WAIT();
SPI_WRITE(0xFF); // read response
SPI_WAIT();
by=SPDR & 0x1F;
if (by!= 0x05) // data block accepted?
{
MMC_CS_ON();
return 1;
}
do
{
SPI_WRITE(0xFF);
SPI_WAIT();
// } while (SPDR!=0xFF); // wait til busy is gone
} while (SPDR == 0x00); // wait til busy is gone
MMC_CS_ON();
return 0;
}
// ######################################################
unsigned char MMCIdentify(void)
// ######################################################
{
unsigned char by;
unsigned int i;
unsigned int c_size, c_size_mult, read_bl_len;
unsigned long drive_size;
// set directions of portpins used by MMC Card
sbi (DDRB, 1); //PB1 SCK output
cbi (PORTB, 1); //PB1 SCK set 0
cbi (DDRB, 3); //PB3 MISO input
cbi (PORTB, 3); //PB3 MISO set 0
sbi (DDRB, 2); //PB MOSI output
cbi (PORTB, 2); //PB MOSI set 0
sbi (MMC_CS_DDR, MMC_CS_PIN); //MMC_CS output
sbi (MMC_CS_PORT, MMC_CS_PIN); //MMC_CS set 1
//Init SPI with a very slow transfer rate first!
//SPCR SPI Controlregister
// SPIE=0; //No SPI Interrupt
// SPE=1; //SPI Enable
// DORD=0; //Send MSB first
// MSTR=1; //I am the master!
// CPOL=0; //SCK low if IDLE
// CPHA=0; //SPI Mode 0
// SPR1=1; //SPI Clock = f/128 = 125kHz @16MHz Clock
// SPR0=1; //or f/64 if SPI2X = 1 in SPSR register
SPCR=0x53;
//SPSR SPI Statusregister
// SPI2X=1; //Double speed for SPI = 250kHz @16MHz Clock
// SPSR=0x01;
SPSR=0x00;
for (i=0; i<10; i++)
{
SPI_WRITE(0xFF); // give min 74 SPI clock pulses before
// sending commands
SPI_WAIT();
}
MMC_CS_OFF();
//send CMD0 for RESET
SPI_WRITE (MMC_RESET); //command code CMD0
SPI_WAIT();
SPI_WRITE(0x00);
SPI_WAIT();
SPI_WRITE(0x00);
SPI_WAIT();
SPI_WRITE(0x00);
SPI_WAIT();
SPI_WRITE(0x00);
SPI_WAIT();
SPI_WRITE(0x95); // CMD0 needs a checksum!
SPI_WAIT();
SPI_WRITE(0xFF); // get 16 bit response high
SPI_WAIT();
SPI_WRITE(0xFF); // get 16 bit response low
SPI_WAIT();
//repeat CMD1 til result=0
do
{
by=MMCCommand (MMC_INIT, 0);
} while (by!=0);
//read CID
// MMCCommand (MMC_READ_CID, 0); // nothing really interesting here
//read CSD Card Specific Data
MMCCommand (MMC_READ_CSD, 0);
//This worked with extrememory MMC and takeMS SD
// SPI_WRITE(0xFF); // ignore response 0xFE
// SPI_WAIT();
// This waiting loop is for SanDisk 256MB SD
// Works with my other cards too
do
{
SPI_WRITE(0xFF);
SPI_WAIT();
} while (SPDR!=0xFE); // wait for card response
for (i=0; i<16; i++) //CSD has 128 bits -> 16 bytes
{
SPI_WRITE(0xFF);
SPI_WAIT();
by=SPDR;
// ShowHex(by);
dirbuf[i]=by;
}
SPI_WRITE(0xFF); // 16 bit crc follows data
SPI_WAIT();
SPI_WRITE(0xFF);
SPI_WAIT();
//here comes the hard stuff!
//calculate disk size and number of last sector
//that can be used on your mmc/sd card
c_size=dirbuf[6] & 0x03; //bits 1..0
c_size<<=10;
c_size+=(unsigned int) dirbuf[7]<<2;
c_size+=dirbuf[8]>>6;
by= dirbuf[5] & 0x0F;
read_bl_len=1;
read_bl_len<<=by;
by=dirbuf[9] & 0x03;
by<<=1;
by+=dirbuf[10] >> 7;
c_size_mult=1;
c_size_mult<<=(2+by);
drive_size=(unsigned long) (c_size+1) * (unsigned long) c_size_mult * (unsigned long) read_bl_len;
maxsect= drive_size / BYTE_PER_SEC;
MMC_CS_ON();
//switch to high speed SPI
// SPR1=0; //SPI Clock = f/4 = 4MHz @16MHz Clock
// SPR0=0; //or f/2 if SPI2X = 1 in SPSR register
SPCR=0x50;
//SPSR SPI Statusregister
// SPI2X=1; //Double speed for SPI = 8MHz @16MHz Clock
SPSR=0x01;
return 0;
}
2) Работа с микросхемой часов реального времени
// #########################################################################
// File: rtc.c
//
// Функции для работы с микросхемой реального времени
#########################################################################
// Compiler: AVR-GCC 4.1.1
// ##################################################################
#include <avr/io.h>
#include «rtc.h»
// инициализируем шину TWI (I2C)
void Init_Timer() {
TWBR = 29;
TWCR = (1<<TWEN); //Enable TWI-interface
}
// декодированиебайтаизформата BCD
unsigned char DECODER (char x) {
unsigned char y;
y=0;
if (x&0x80) y+=80;
if (x&0x40) y+=40;
if (x&0x20) y+=20;
if (x&0x10) y+=10;
if (x&0x08) y+=8;
if (x&0x04) y+=4;
if (x&0x02) y+=2;
if (x&0x01) y+=1;
return y;
}
// кодированиебайтавформата BCD
unsigned char CODER (char x) {
unsigned char y;
y=0;
if (x>79) {y|=0x80; x-=80;}
if (x>39) {y|=0x40; x-=40;}
if (x>19) {y|=0x20; x-=20;}
if (x>9) {y|=0x10; x-=10;}
if (x>7) {y|=0x08; x-=8;}
if (x>3) {y|=0x04; x-=4;}
if (x>1) {y|=0x02; x-=2;}
if (x>0) {y|=0x01; x-=1;}
return y;
}
// чтение времени из RTC – 8564 JE
void Timer_Read() {
unsigned char d;
TWCR=(1<<TWINT)|(1<<TWSTA)|(1<<TWEN); //START TWI
while (! (TWCR & (1<<TWINT)));
TWDR=SLA_W;
TWCR = (1<<TWINT) | (1<<TWEN);
while (! (TWCR & (1<<TWINT)));
TWDR =0;
TWCR = (1<<TWINT) | (1<<TWEN);
while (! (TWCR & (1<<TWINT)));
TWDR =0;
TWCR = (1<<TWINT) | (1<<TWEN);
while (! (TWCR & (1<<TWINT)));
TWDR =0;
TWCR = (1<<TWINT) | (1<<TWEN);
while (! (TWCR & (1<<TWINT)));
TWCR=(1<<TWINT)|(1<<TWSTA)|(1<<TWEN); //START TWI – repeated start
while (! (TWCR & (1<<TWINT)));
TWDR=SLA_R;
TWCR = (1<<TWINT) | (1<<TWEN);
while (! (TWCR & (1<<TWINT)));
TWCR = (1<<TWINT)|(1<<TWEN)|(1<<TWEA);
while (! (TWCR & (1<<TWINT)));
d=TWDR&0x7f;
clock.sec=DECODER(d);
TWCR = (1<<TWINT)|(1<<TWEN)|(1<<TWEA);
while (! (TWCR & (1<<TWINT)));
d=TWDR&0x7f;
clock.min=DECODER(d);
TWCR = (1<<TWINT)|(1<<TWEN)|(1<<TWEA);
while (! (TWCR & (1<<TWINT)));
d=TWDR&0x3f;
clock.hour=DECODER(d);
TWCR = (1<<TWINT)|(1<<TWEN)|(1<<TWEA);
while (! (TWCR & (1<<TWINT)));
d=TWDR&0x3f;
clock.day=DECODER(d);
TWCR = (1<<TWINT)|(1<<TWEN)|(1<<TWEA);
while (! (TWCR & (1<<TWINT)));
TWCR = (1<<TWINT)|(1<<TWEN)|(1<<TWEA); //weekdays here
while (! (TWCR & (1<<TWINT)));
d=TWDR&0x1f;
clock.month=DECODER(d);
TWCR = (1<<TWINT)|(1<<TWEN)|(1<<TWEA);
while (! (TWCR & (1<<TWINT)));
d=TWDR;
clock.year=DECODER(d);
TWCR = (1<<TWINT)|(1<<TWEN)|(1<<TWSTO);
}
// установка времени в RTC – 8564 JE
void Timer_Set()
{
TWCR=(1<<TWINT)|(1<<TWSTA)|(1<<TWEN); //START TWI
while (! (TWCR & (1<<TWINT)));
TWDR=SLA_W;
TWCR = (1<<TWINT) | (1<<TWEN);
while (! (TWCR & (1<<TWINT)));
TWDR =0; //adress
TWCR = (1<<TWINT) | (1<<TWEN);
while (! (TWCR & (1<<TWINT)));
TWDR =0; //write fist byte
TWCR = (1<<TWINT) | (1<<TWEN);
while (! (TWCR & (1<<TWINT)));
TWDR =0; //write second byte
TWCR = (1<<TWINT) | (1<<TWEN);
while (! (TWCR & (1<<TWINT)));
TWDR=CODER (clock.sec);
TWCR=(1<<TWINT)|(1<<TWEN);
while (! (TWCR & (1<<TWINT)));
TWDR=CODER (clock.min);
TWCR=(1<<TWINT)|(1<<TWEN);
while (! (TWCR & (1<<TWINT)));
TWDR=CODER (clock.hour);
TWCR=(1<<TWINT)|(1<<TWEN);
while (! (TWCR & (1<<TWINT)));
TWDR=CODER (clock.day);
TWCR=(1<<TWINT)|(1<<TWEN);
while (! (TWCR & (1<<TWINT)));
TWDR=1; //weekdays ignore
TWCR=(1<<TWINT)|(1<<TWEN);
while (! (TWCR & (1<<TWINT)));
TWDR=CODER (clock.month);
TWCR=(1<<TWINT)|(1<<TWEN);
while (! (TWCR & (1<<TWINT)));
TWDR=CODER (clock.year);
TWCR=(1<<TWINT)|(1<<TWEN);
while (! (TWCR & (1<<TWINT)));
TWCR = (1<<TWINT)|(1<<TWEN)|(1<<TWSTO);
}
3) работа с последовательными портами
// ##################################################################
#include <avr/io.h>
#include <avr/interrupt.h>
#include <avr/signal.h>
#include «serial0.h»
#define sbi (portn, bitn) ((portn)|=(1<<(bitn)))
#define cbi (portn, bitn) ((portn)&=~(1<<(bitn)))
//////////////////////////////////////////////////////////////////////////
// // Interrupt handlers
// // Global functions
// //////////////////////////////////////////////////////////////////////////
// // Initialize the serial port
// void SER0Init(void)
{
// Set TxD as output
sbi (TX0_DDR, TX0_PIN);
sbi (TX0_PORT, TX0_PIN);
// Enable RxD/TxD
UCSR0B=(1<<RXEN0) |(1<<TXEN0) | (1<<RXCIE0);
// Set baudrate
UBRR0H=(unsigned char) (UART0_BAUD_SELECT>>8);
UBRR0L=(unsigned char) (UART0_BAUD_SELECT);
// 8bit, 1 stop, no parity
UCSR0C=(1<<UCSZ01) | (1<<UCSZ00);
}
// Send character
// Waits until previous character is transmitted
void SER0Putc (unsigned char c)
{
// Wait until previous character is transmitted
while (bit_is_clear (UCSR0A, UDRE0))
;
UDR0=c;
}
// Send a string
void SER0Puts (unsigned char * s)
{
unsigned char c;
while((c=*s++))
{
if (c == '\n')
{
// Translate \n in \r\n
SER0Putc(0x0D);
SER0Putc(0x0A);
}
else
SER0Putc(c);
}
}
// Send a hexadecimal number
void SER0PutHex (unsigned char by)
{
unsigned char buff;
// High nibble
buff = by >> 4;
if (buff < 10)
buff += '0';
else
buff += 0x37;
SER0Putc(buff);
// Loz nibble
buff = by & 0x0f;
if (buff<10)
buff+='0';
else
buff+=0x37;
SER0Putc(buff);
}
// Get received character from buffer
// when no character is available the function
// will wait
unsigned char SER0Getc(void)
{
unsigned char c;
// Wait until at least 1 character is present
while (bit_is_clear (UCSR0A, RXC0))
;
c = UDR0;
return (c);
}
// Check of there are characters present
// rcnt is 0 when there are no characters
//
unsigned char SER0CharsPresent(void)
{
return bit_is_set (UCSR0A, RXC0);
}