| Скачать .docx |
Курсовая работа: Оценка показателей безотказности узла РЭУ
Содержание
Введение
1. Уточнение исходных данных.
2. Определение случайного времени до отказа.
3. Определение показателей безотказности.
4. Обоснование метода резервирования.
Заключение
Проектирование ─ разработка описаний нового или модернизированного технического объекта в объеме и составе достаточном для реализации этого объекта в заданных условиях. Такие описания называются окончательными и представляют собой полный комплект документации на проектируемое изделие.
Процесс проектирования делят на этапы, состав и содержание которых в значительной мере определяются природой, типом, характеристиками объекта проектирования.
Традиционно выделяют следующие этапы проектирования:
- Этап предварительного проектирования или этап научно-исследовательских работ (НИР). Любое проектируемое изделие должно либо отличаться от аналогов какими-либо характеристиками, либо аналогов не иметь. В любом случае анализ выполняемости требований заказчика требует проведения работ НИ или расчетного характера. Результатом этапа НИР является техническое задание (ТЗ) на проектирование.
- Этап эскизного проектирования или этап опытно-конструкторских работ (ОКР).
- Этап технического проектирования, который состоит в выпуске полного комплекта документации на разработанное изделие.
Конструкторско-технологическое проектирование является важнейшей составной частью создания радиоэлектронных устройств (РЭУ). От успешного выполнения этого этапа во многом зависят качественные показатели РЭУ.
При разработке конструкций и технологий РЭУ радиоинженеру конструктору-технологу приходится прибегать к помощи математических методов при выборе решений и оценке их качества. При этом широко используются аналитические методы анализа. Во многих случаях оценить качественные показатели чисто аналитическими приемами весьма затруднительно, либо вообще не представляется возможным. В этих случаях прибегают к экспериментальным методам. Поэтому, для радиоинженера конструктора-технолога важны как аналитические, так и экспериментальные математические методы, используемые при выборе конструкторско-технологических решений и оценке их качества.
Улучшение качества РЭУ представляет собой процесс непрерывного повышения технического уровня продукции, качества ее изготовления, а также совершенствование элементов производства и системы качества в целом.
Цель данной курсовой работы является оценка показателей безотказности узла РЭУ резервирования замещением. По условию необходимо использовать расчетный способ оценки. Для осуществления данного проекта была выдана схема электрическая принципиальная и исходные данные к ней, которые подлежат в дальнейшем уточнению.
Безотказность – это свойство изделия непрерывно сохранять работоспособное состояние в течение определённого времени или наработки. Безотказность работы РЭА напрямую связана с надёжностью.
Надёжность является одной из главнейших проблем конструирования, и понимают под ней свойство изделия сохранять во времени в установленных пределах значения всех параметров, характеризующих способность выполнять требуемые функции, в заданных режимах и условиях применения, технического обслуживания, хранения и транспортирования.
Надежность является комплексным свойством, которое в зависимости от назначения изделия и условий его применения может включать безотказность, долговечность, ремонтопригодность и сохраняемость или определенные сочетания этих свойств. Для описания различных сторон этого свойства на практике пользуются показателями надежности, представляющими собой количественные характеристики одного или нескольких свойств определяющих надежность изделия. Используют единичные и комплексные показатели надежности. Под единичным понимают такой показатель, который характеризует одно из свойств, составляющих надежность изделия. Комплексный показатель характеризует несколько свойств, составляющих надежность изделия.
Условие проекта – наличие резервирования замещением и постоянное резервирование. Резервирование – это введение в структуру устройства дополнительного числа элементов, цепей. Существует три вида резервирования:
1. постоянное;
2. замещением;
3. скользящее.
При постоянном резервировании резервные элементы постоянно подключены к основным и находятся с ними в одном электрическом режиме.
Основными достоинствами постоянного резервирования являются:
- простота технической реализации;
- отсутствие даже кратковременного прерывания в работе в случае отказа элементов резервируемого узла.
При резервировании замещением основной элемент отключают, в случае отказа, и вместо него подключают резервный.
Скользящее резервирование выполняется замещением резервируемого элемента на резервный, в данном случае резервный элемент должен быть однотипный основному.
В данном курсовом проекте мы в первую очередь рассчитаем случайное время до отказа, определим показатели безотказности и оценим влияние способа соединения на выбор метода резервирования.
К выданной принципиальной схеме, приведенной в Приложении А, необходимо произвести уточнение параметров некоторых элементов, а именно, диодов и транзисторов.
Диоды :
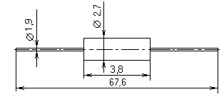
VD3 – VD14 – КД522Б
Габариты

Параметры
Стабилитроны : VD1, VD2 – КС212Ж
Габариты
Параметры
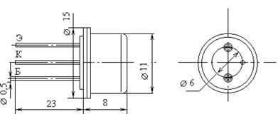
Транзисторы : VT1 – VT6 – КТ611А
Габариты

Параметры

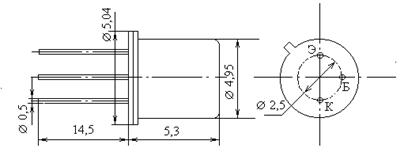
VT7, VT9 – КТ342А
Габариты

Параметры

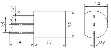
VT8, VT13 – КТ3107Л
Габариты


Параметры
VT11, VT16 – КТ361А
Габариты

Параметры

VT14, VT15 – КТ315А
Габариты

Параметры

VT10, VT17 – КТ115А
Габариты

Параметры

VT12, VT18 – КТ940А
Габариты

Параметры

VT19 – VT22 – КТ315Б
Габариты

Параметры

Из резисторов используем резисторы типа С1-4 и МЛТ, из конденсаторов – электролитические конденсаторы типа К50-6, металлобумажные типа МБМ и керамические типа КМ-5б-М750.
Необходимые сведения по резисторам и конденсаторам приведены на схеме (Приложении А) и в перечне элементов (Приложении Б).
2. Определение случайного времени до отказа и характер отказа элементов
Под отказом понимают полную или частичную потерю блоком работоспособности вследствие ухода одного или нескольких параметров блока за пределы установленных норм, и по своей физической основе отказ является случайным событием.
По характеру отказы делят на:
- Внезапный или мгновенный — отказ, характеризующийся скачкообразным изменением значения одного или нескольких параметров функционального блока РЭУ;
- Постепенный (параметрический) — отказ, возникающий в результате постепенного изменения значений одного или нескольких параметров блока.
Чёткой границы между внезапным и постепенным отказом не выделяют.
В данном курсовом проекте будем учитывать внезапный характер отказа элементов. Это связано с тем, что внезапный отказ функционального блока РЭУ проще отследить (полный выход блока из строя), а постепенный отказ может явно не проявляться в течение длительного времени, что в нашем случае не желательно.
Для определения среднего времени до отказа предварительно рассчитаем интенсивность отказов элементов. Для этого необходимо использовать справочное значение интенсивности отказов элементов, входящих в состав блока и следующие коэффициенты: коэффициент электрической нагрузки, вибрации, ударных нагрузок, коэффициент влияния окружающей среды, коэффициент влияния атмосферного давления, а также максимальная рабочая температура.
Определим наработку на отказ по следующей формуле
[1,стр.162]
Для определения интенсивности отказов элементов используем следующую формулу:
, [1,стр.156]
Где
- номинальная интенсивность отказов;
- поправочные коэффициенты, учитывающие воздействия механических факторов;
- поправочный коэффициент, учитывающий воздействия влажности и температуры;
- поправочный коэффициент, учитывающий давление воздуха;
- поправочный коэффициент, учитывающий температуру поверхности элемента и коэффициент электрической нагрузки.
Коэффициенты электрических нагрузок будем вычислять по формулам
[1,стр.154]:
для резисторов
![]()
для конденсаторов
![]()
транзисторов биполярных
![]()
![]()
![]()
для диодов импульсных и стабилитронов
![]()
![]()
- узнаем по номограммам [1,стр. 312-315],
коэффициенты
- возьмём из таблиц [1,стр. 311],
- из таблицы [1,стр. 307-310].
Данную схему реализовали в программе Electronics Workbench, в которой был произведён расчет необходимых параметров элементов, через которые рассчитали коэффициенты электрической нагрузки элементов. Результаты представили в виде таблицы.
Таблица 1 – Коэффициенты электрической нагрузки элементов
| Группа элементов |
Кол-во элементов в группе
|
Интенсивность отказов для элементов j-ой группы
|
Коэффициент электрической нагрузки
|
Макс. Рабочая температура
|
|
| 1 |
R1 – R25, R27 – R47 |
40 |
0,05 |
<0,1 |
80 |
| 2 |
R26 |
1 |
0,5 |
<0,1 |
85 |
| 3 |
C2,С3,С4,С5 |
4 |
0,55 |
0,56 |
80 |
| 4 |
C1,С6 – С13, С15 – С16 |
10 |
0,05 |
<0,1 |
120 |
| 5 |
C13,C14 |
2 |
0,06 |
0,9 |
85 |
| 6 |
VT1 – VT6 |
6 |
0,4 |
<0,1 |
150 |
| 7 |
VT7, VT9 |
4 |
0,4 |
<0,1 |
150 |
| 8 |
VT8, VT13 |
2 |
0,4 |
<0,1 |
150 |
| 9 |
VT10, VT17 |
2 |
0,4 |
<0,1 |
120 |
| 10 |
VT11, VT16 |
2 |
0,4 |
<0,1 |
120 |
| 11 |
VT12, VT18 |
2 |
0,4 |
<0,1 |
150 |
| 12 |
VT14,VT15 |
2 |
0,4 |
<0,1 |
100 |
| 13 |
VT19 – VT22 |
4 |
0,4 |
<0,1 |
120 |
| 14 |
VD1, VD2 |
2 |
0,9 |
<0,1 |
125 |
| 15 |
VD3 – VD14 |
12 |
0,15 |
<0,1 |
85 |
Таким образом, получили 15 групп элементов, также отдельные группы составили гнезда и клеммы, соединения пайкой и печатная плата.
Составим для полученных групп таблицу значений
,
и
Итак, произведя ряд расчетов, определили, что интенсивность отказов элементов равна:
,
а наработка на отказ составляет
![]()
3. Определение показателей безотказности
В данном пункте необходимо рассчитать следующие показатели:
· вероятность безотказной работы за заданное время;
· гамма-процентную наработку до отказа;
· среднее время восстановления;
· вероятность восстановления устройства за заданное время.
Под гамма-процентной наработкой до отказа понимают наработку, в течение которой отказ в изделии не возникает с вероятностью γ, выраженной в процентах, т.е. это есть такая минимальная наработка до отказа, которую будут иметь гамма процентов изделий данного вида.
Для расчета показателей восстанавливаемости приведем следующую таблицу
Таблица 3 – Расчет интенсивности отказов элементов с учетом среднего времени восстановления одного элемента
| №гр. |
Кол-во эл-тов
|
Значение
|
Значение
|
Значение
|
| 1 |
40 |
0,5 |
0,035 |
0,7 |
| 2 |
1 |
1,2 |
0,05 |
0,06 |
| 3 |
4 |
0,55 |
1,1 |
2,42 |
| 4 |
10 |
1,1 |
0,03 |
0,33 |
| 5 |
2 |
1,1 |
0,18 |
0,396 |
| 6 |
6 |
0,7 |
0,24 |
1,008 |
| 7 |
4 |
0,8 |
0,32 |
1,024 |
| 8 |
2 |
0,8 |
0,08 |
0,128 |
| 9 |
2 |
0,8 |
0,34 |
0,544 |
| 10 |
2 |
0,8 |
0,12 |
0,192 |
| 11 |
2 |
0,7 |
0,24 |
0,336 |
| 12 |
2 |
0,8 |
0,08 |
0,128 |
| 13 |
4 |
0,8 |
0,24 |
0,768 |
| 14 |
2 |
0,5 |
2,07 |
2,07 |
| 15 |
12 |
0,6 |
0,345 |
2,484 |
| 16 |
14 |
0,8 |
0,7 |
7,84 |
| 17 |
208 |
0,5 |
0,112 |
11,648 |
| 18 |
1 |
3 |
0,2 |
0,6 |
| ∑ |
— |
— |
— |
32,676 |
Значение
представляет собой среднее время восстановления одного элемента и выбирается из таблицы [1, стр.316].
Определим вероятность безотказной работы за заданное время, указанное в исходных данных к проекту.
![]()
Расчёт произведём по формуле:
[1,стр.162],
получаем:
![]()
Гамма-процентную наработку до отказа при условии, что
, рассчитаем, пользуясь следующей формулой:
[1,стр.162].
В результате получаем, что
![]()
Подсчитаем среднее время восстановления:
[1,стр.171],
где значение
выбираем из таблицы 3 данного пункта, а значение
- из таблицы 2 предыдущего пункта расчетов,
- среднее время восстановления одного элемента,
k – количество групп однотипных элементов.
Произведя расчет, получаем следующее значение для времени восстановления:
![]()
Рассчитаем вероятность восстановления устройства
за заданное время, которое условно примем равным 2 часа, т.е.
.
[1,стр.172].
В результате вычислений получаем
![]()
Итак, произведя все необходимые расчеты и вычисления, согласно заданию определили требуемые показатели безотказности, значения которых для наглядности представили в виде таблицы:
Таблица 4 – Итоги расчетов
| Показатели |
Обозначение |
Результат |
| Интенсивность отказов РЭУ |
|
|
| Наработка на отказ |
|
|
| Вероятность безотказной работы за заданное время |
|
0,58 |
| Гамма-процентная наработка до отказа |
|
|
| Среднее время востановления |
|
|
| Вероятность восстановления за заданное время |
|
|
4. Обоснование метода резервирования для функционального узла РЭУ
Резервирование – это введение в структуру устройства дополнительного числа элементов, цепей.
Как упоминалось ранее, по способу подключения существует несколько видов резервирования: постоянное, замещением, скользящее.
При резервировании замещением основной элемент в случае его отказа отключается от электрической схемы, и вместо него подключается один из резервных элементов. Для подключения резервного элемента используется переключающее устройство. Такие устройства могут работать в автоматическом режиме либо быть ручными.
Основной характеристикой резервирования замещением является кратность резерва, выражаемая несокращенной дробью и определяемая отношением
(4.1)
где r — количество резервных элементов, способных замещать
основные элементы данного типа; r = m - n
(см. рис.5.24);
п — количество основных элементов, резервируемых резервными элементами.
![]() |

Рис. 4.1 – Примеры оценки кратности резерва
Примеры оценки кратности резерва понятны из рис. 4.1.
Из рис.5.34 видно, что дробь, описывающую кратность резерва, нельзя сокращать, так как будет потеряна информация о характеристиках резервирования.
При резервировании замещением резервные элементы до вступления их в работу могут находиться в одном из трех режимов нагружения:
а) нагруженном режим. Резерв находится в таком же электрическом режиме, как и основной элемент, и его ресурс вырабатывается одновременно с ресурсом основного элемента, точно так же, как и при постоянном резервировании;
б) облегченный режим.
Ресурс резервных элементов начинает расходоваться с момента включения всего устройства в работу, однако интенсивность расхода ресурса резервных элементов до момента включения их вместо отказавших (время t) значительно ниже, чем в обычных рабочихI условиях;
в) ненагруженный режим.
Условия, в которых находится резерв, настолько легче рабочих, что практически резервные элементы начинают расходовать свой ресурс только с момента включения их в работу вместо отказавших.
Основные достоинства резервирования замещением
резервируемой аппаратуры:
1) больший выигрыш в надежности по сравнению с постоянным резервированием (в случаях ненагруженного и облегченного резерва);
2) отсутствие необходимости дополнительной регулировки в случае замещения основного элемента резервным, так как основной и резервный элементы одинаковы.
Основные недостатки резервирования замещением:
1) сложность технической реализации и связанное с этим увеличение массы, габаритов и стоимости всего резервируемого РЭУ;
2) перерыв в работе в случае замещения отказавшего элемента;
3) необходимость иметь переключающее устройство высокой надежности. Для обеспечения этого иногда приходится резервировать сами переключающие устройства, обычно используя постоянное резервирование. На практике считается, что надежность переключающего устройства должна быть, по меньшей мере, на порядок выше надежности резервируемого элемента.
На практике резервирование замещением обычно используют на уровне комплектующих элементов и каскадов блока. В данном курсовом проекте воспользуемся резервированием отдельных каскадов в составе функционального блока РЭУ.
Постоянное резервирование – это такое резервирование, при котором резервные элементы участвуют в функционировании ТС наравне с основными. При этом основные и резервные элементы могут иметь общий вход и общий выход, в частности, гальваническую связь по входу и выходу, а могут быть и автономными, т.е. не иметь такой связи. При постоянном резервировании в случае отказа основного элемента не требуется специальных переключательных устройств, вводящих в действие резервный элемент, поскольку он вводится в действие одновременно с основным.
Основными достоинствами постоянного резервирования являются: простота технической реализация и отсутствие даже кратковременного перерыва в работе в случае отказа элементов резервируемого узла.
Основные недостатки постоянного резервирования:
- меньший выигрыш в надежности по сравнению с резервированием замещением;
- изменение электрического режима работы элементов резервируемого узла при отказе хотя бы одного из элементов;
- отказ резервируемого узла в целом при коротком замыкании одного из элементов в случае параллельного способа соединения элементов в узле;
- отказ резервируемого узла в целом при обрыве одного из элементов в случае последовательного соединения элементов в узле.
На практике постоянное резервирование обычно выполняется на уровне комплектующих элементов и каскадов.
Для оценки постоянного резервирования условно разобьём схему электрическую принципиальную, приведённую в Приложении 1, на отдельные блоки исходя из их функционального назначения в устройстве. В итоге получаем 6 блоков, которые выполняют отдельные функции в устройстве.
Схема разбиения устройства на блоки:

1 2 3 4 5 6
Определим количество резервных элементов для каждого блока. Для этого требуется рассчитать вероятность безотказной работы каждого блока. Резервирование будем проводить до тех, пока вероятность безотказной работы не станет удовлетворительной. Минимально допустимое значение должно составлять приблизительно 0,91.
Необходимые данные для расчёта вероятности безотказной работы возьмём из таблиц 1 и 2 во втором пункте проекта, используя тот же принцип расчета, но уже для каждого отдельно выделенного блока.
Для расчета вероятности безотказной работы используем следующую формулу:
![]()
В данной формуле
– вероятность безотказной работы отдельного блока;
m – число резервных элементов.
Все полученные результаты представим в виде таблицы 5.
Таблица 5 – Вероятность безотказной работы каждого блока
| № блока |
Интенсивность отказов блока
|
Наработка на отказ
|
Вероятность безотказной работы |
| 1 |
10,79 |
|
0,62 |
| 2 |
6,46 |
|
0,68 |
| 3 |
3,85 |
|
0,71 |
| 4 |
3,19 |
|
0,75 |
| 5 |
1,46 |
|
0,79 |
| 6 |
4,28 |
|
0,7 |
Выясним, сколько резервирований необходимо провести для каждого блока. Результат для каждого отдельно взятого блока представим в виде таблиц, в которых укажем шаг резервирования и вероятность безотказной работы данного блока на данном шаге.
| m |
P(t) |
| 1 |
0,68 |
| 2 |
0,89 |
| 3 |
0,97 |
Для блока №1: Для блока №2:
| m |
P(t) |
| 1 |
0,62 |
| 2 |
0,86 |
| 3 |
0,95 |
Для блока №3: Для блока №4:
| m |
P(t) |
|
| 1 |
0,71 |
|
| 2 |
0,92 |
|
| m |
P(t) |
|
| 1 |
0,75 |
|
| 2 |
0,94 |
|
Для блока №5:
| m |
P(t) |
| 1 |
0,70 |
| 2 |
0,91 |
| m |
P(t) |
| 1 |
0,79 |
| 2 |
0,96 |
Для блока №6:
В результате получаем, что поставленное условие по достижению оптимального значения вероятности безотказной работы для первых двух блоков достигается при m = 3, для остальных при m = 2.
Данный результат является удовлетворительным.
Проведем оценку резервирования замещением. Условимся использовать нагруженный резерв, так как для нашего устройства недопустимы перерывы в работе.
По проведены ранее расчетам вероятность безотказной работы устройства за период времени 10000 часов составила
,
что является не совсем удовлетворительным значением.
Для повышения данного значения применим резервирование замещением и будем резервировать все устройство.
Воспользуемся следующей формулой
![]()
Чтобы надёжность удовлетворяла техническим требованиям, требуется выполнение условия:
P(t) > 0,91
При выполнении вышеописанных расчётов были получены следующие результаты:
| m |
P(t) |
| 1 |
0,58 |
| 2 |
0,82 |
| 3 |
0,92 |
Таким образом, при m = 4 начинает выполняться условие:
0,92 > 0,91

Следовательно, кратность резерва равна 2/1.
Двухкратного резервирования достаточно, чтобы обеспечить необходимый уровень надежности.
Если сравнить рассмотренные способы исходя из расчетов, проведенных для каждого из них, то отдать предпочтение конкретно одному нельзя. Полученные значения вероятности безотказной работы и количество резервирований для разных способов близки и похожи, к тому же, для постоянного резервирования применялось поэлементное резервирование, для резервирования замещением – общее.
Целью данной курсовой работы являлась оценка показателей безотказности функционального узла РЭУ при наличии постоянного резервирования и резервирования замещением. По условию было необходимо использовать расчетный способ оценки. Для осуществления данного проекта была выдана схема электрическая принципиальная и исходные данные к ней, которые подлежали уточнению.
Рассчитав показатели надёжности, я выяснила, что они не соответствуют желаемым. Для повышения надёжности схема была разбита на отдельные блоки (для постоянного резервирования), и к ней было применено резервирование. При резервировании замещением резервированию подвергалось все устройство сразу. Это позволило достичь требуемых условием показателей надёжности. Результатом выступили соответствующие расчеты.
Также была установлена зависимость вероятности безотказной работы от времени, которая для наглядности представлена соответствующей диаграммой.
Итак, в данном курсовом проекте, согласно заданию, я произвела оценку показателей безотказности схемы функционального узла РЭУ при заданных условиях расчетным способом, выполнила все необходимые вычисления, построила диаграммы и составила необходимые схемы.
1. Боровиков С.М. Теоретические основы конструирования, технологии и надежности. - Мн. : Дизайн ПРО, 1998. 335 с.
2. А.П.Ястребов. Проектирование и производство радиоэлектронных средств. - С-П.:Учеб. Пособие, 1998. –279 с.
3. Cпpaвoчник "Haдeжнocть издeлий элeктpoннoй тexники для уcтройств нapoднoxoзяйcтвeннoгo нaзнaчeния". M,1989г.
4. Кофанов Ю.Н. Теоретические основы конструирования технологии и надежности РЭА. – М.: Радио и связь, 1991, - 360 с.
5. Резисторы, конденсаторы, трансформаторы, дроссели, коммутирующие устройства РЭА. Справочник Н.Н. Акимов, Е.П. Ващуков, В.А. Кодоренах, Ю.П. Кодоренах – Мн.: Беларусь, 1994. – 591с.: ил.
6. Электронный справочник по отечественным и зарубежным полупроводниковым приборам: транзисторам, тиристорам, диодам, оптоэлектронным приборам, включающий более 30 тысяч элементов. Version 1.02/Шульгин О.А., Шульгина И.Б., Воробьев А.Б.
