| Скачать .docx |
Курсовая работа: Синтез цифрових комутаційних систем
МІНІСТЕРСТВО ОСВІТИ І НАУКИ УКРАЇНИ
Курсова робота
З дисципліни "Центри комутації"
на тему:
“Синтез цифрових комутаційних систем”
Виконав:
Перевірила:
Львів 2008
Зміст
Розділ 1. Розрахунок навантаження. 5
1.1 Розрахунок навантаження від абонентської лінії кожної категорії абонентів6
1.1.1 Визначення середньої тривалості одного заняття абонентом і-ої категорії6
1.1.2 Визначення питомого навантаження від одного абонента і-ої категорії7
1.1.3 Визначення навантаження від всіх абонентів і-ої категорії8
1.2 Визначення сумарного навантаження від абонентів всіх категорій. 9
1.3 Визначення сумарного навантаження, яке обслуговує комутаційна система9
1.4 Визначення ємності КС, якщо навантаження на одну з’єднувальну лінію дорівнює 0,6 Ерл. 10
Розділ 2. Розробка цифрових комутаційних систем.. 12
2.1 Переваги та особливості цифрових АТСЕ. 12
2.2 Розрахунок концентраторів. 13
2.2.1 Структурна схема і вихідні дані13
2.2.2 Розрахунок кількості концентраторів. 15
2.2.3 Визначення кількості трактів ІКМ-30/32, необхідних для підключення до одного концентратора. 15
2.3.1 Розрахунок та побудова модуля типу „час”. 16
2.3.2 Розрахунок та побудова модуля типу „час-простір-простір-час”. 19
2.6 Розробка і опис функціональної схеми заданого просторово-часового цифрового модуля. 24
2.7 Розрахунок тактових частот і побудова часових діаграм функціонування цифрового модуля. 25
Список рекомендованої літератури. 31
Метою курсової роботи є синтез цифрових комутаційних систем (КС) з різною кількістю ланок. Розробка функціональної схеми заданого цифрового модуля (ЦМ) з описом алгоритму роботи і побудовою часових діаграм. Оцінка економічності побудованих цифрових КС по кількості еквівалентних точок комутації.
Варіант № 4
Тип телефонних апаратів |
C, викл/год. | Кількість телефонних апаратів(Nі) | |
| Індивідуальні | 0.85 | 200 | 54000 |
| Колективні | 1,7 | 200 | 15000 |
| Підприємницькі | 3,2 | 170 | 10500 |
| Таксофонні | 7,5 | 210 | 900 |
Додаткові дані:
h = 180 c - середній час зайняття КС одним викликом
а = 0.6 Ерл. Навантаження на одну ЗЛ.
Навантаження від інших станцій 15% від розрахованого внутрішньостанційного.
| C1, точок | Ємність ЦМ | ||
| 50 | 1 | 45 | 16 |
Розділ 1. Розрахунок навантаження
Для раціональної побудови і розрахунку КС означено термін телефонного навантаження.
В теорії телетрафіку [1, 2] сумарний час обслуговування викликів або час зайняття комутаційної системи за певний проміжок часу називають навантаженням. Розрізняють навантаження яке:
поступає на станцію;
обслуговується станцією;
втрачена.
За одиницю виміри телефонного навантаження прийнято одне годино-зайняття (год. - зайн). Одне годино-зайняття - це таке навантаження, яке обслуговується одним виходом (з’єднувальним пристроєм) за годину часу при неперервному зайняті цього виходу (з’єднувального пристрою).
Для розрахунку пропускної здатності КС ввели термін інтенсивність навантаження [1, 3, 4], що позначає сумарний час зайняття КС за 1 годину. За одиницю інтенсивності навантаження прийнято виміру Ерланг (Ерл) на честь датського вченого-математика, засновника теорії телетрафіка А.К. Ерланга (1878-1929 рр.) Один Ерланг - це навантаження в одне годино-зайняття за одну годину
(
).
Для заданої якості обслуговування абонентів розрахунок комутаційного обладнання проводиться виходячи із значення інтенсивності навантаження в ті години, коли це навантаження є максимальним. Цей час називають годинами найбільшого навантаження (ГНН) - це неперервний інтервал час тривалістю 1 годину, в межах якого спостерігається найбільша інтенсивність навантаження.
У Розділі 1 наведено розрахунок навантаження на КС від абонентської лінії різних категорій абонентів, навантаження від групи абонентів та навантаження на КС в цілому.
У даному розділі приведені розрахунки навантаження на комутаційну систему від різних категорій абонентів на одну АЛ, навантаження від групи абонентів та навантаження на КС в цілому.
1.1 Розрахунок навантаження від абонентської лінії кожної категорії абонентів
При визначенні навантаження від одної АЛ розраховуємо наступні параметри:
середній час зайняття одним абонентом кожної категорії;
питоме навантаження від одного абонента;
навантаження від всіх абонентів кожної категорії.
1.1.1 Визначення середньої тривалості одного заняття абонентом і-ої категорії
Середня тривалість одного зайняття АЛ і-ої категорії визначається за формулою:
, сек., (1.1)
де а = 1,1 - коефіцієнт, що враховує виклики, що не закінчились розмовами.
Кр = 0,9 - доля викликів, що закінчились розмовами.
= 10 сек. - середня тривалість посилки виклику при відповіді абонента.
- задана тривалість розмови абонента кожної групи (подана
в таблиці вихідних даних).
= 5 сек. - середній час встановлення з'єднання.
Отже, для кожної категорії абонентів, розрахуємо значення середньої тривалості одного зайняття:
для індивідуальних ТА:
tзі інд =1,1*0,9*(10+200+5) =212,85 сек
для колективних ТА:
tзі кол =1,1*0,9*(10+200+5) = 212,85 сек
для підприємницьких ТА:
tзі підп =1,1*0,9*(10+170+5) =183,15 сек
для таксофонних ТА:
tзі такс =1,1*0,9*(10+210+5) =222,75 сек
1.1.2 Визначення питомого навантаження від одного абонента і-ої категорії
Питоме навантаження визначається як навантаження створене одним абонентом за одну годину і обчислюється за формулою:
, Ерл, (1.2)
де
- середня тривалість одного зайняття АЛ і-ої категорії.
- середня кількість викликів від одного абонента і-тої категорії в ГНН.
для індивідуальних ТА:
![]()
для колективних ТА:
![]()
для підприємницьких ТА:
![]()
для таксофонних ТА:
![]()
1.1.3 Визначення навантаження від всіх абонентів і-ої категорії
Навантаження від всіх абонентів і-ої категорії визначається за формулою:
, Ерл, (1.3)
де
- кількість телефонних апаратів і-ої категорії.
- питоме навантаження від одного абонента і-ої категорії.
для індивідуальних ТА:
![]()
для колективних ТА:
![]()
для підприємницьких ТА:
![]()
для таксофонних ТА:
![]()
1.2 Визначення сумарного навантаження від абонентів всіх категорій
Сумарне навантаження - це загальне навантаження, яке створене всіма абонентами і-тої категорії:
, Ерл, (1.4)
де
, - навантаження від всіх абонентів і-ої категорії.
![]()
1.3 Визначення сумарного навантаження, яке обслуговує комутаційна система
При розрахунку сумарного навантаження, що обслуговує комутаційна система, слід врахувати навантаження від інших станцій, що становить близько 15%, і навантаження від АМТС, що становить 5% і отримуємо вираз:
, Ерл, (1.5)
де
- сумарне навантаження від абонентів всіх категорій
Y = 6349 + 0,15×6349 + 0,05×6349 = 7618 Ерл.
1.4 Визначення ємності КС, якщо навантаження на одну з’єднувальну лінію дорівнює 0,6 Ерл
Визначення ємності КС зводиться до визначення кількості ліній необхідних для обслуговування розрахованого в п.1.3 сумарного навантаження із заданими втратами. Цей спосіб є наближеним і розраховується для ГНН. Отже,
, (1.6)
де
- сумарне навантаження, що обслуговує комутаційна система
Ерл - середнє навантаження на одну абонентську лінію.
У зв’язку з тим, що для реалізації з’єднання через цифрове комутаційне поле необхідно два часові канали, то ємність КС збільшується в два рази, тобто:
, каналів
(1.7)
Де Y - сумарне навантаження, що обслуговує комутаційна система
а=0.6 ЕРЛ - середнє навантаження на одну абонентську лінію
У зв’язку з тим, що для реалізації, зєднання через цифрове комутаційне поле необхідно два часові канали, то ємність КС збільшується в два рази, тобто
![]()
Nц = Мц= 2×6926=13850, кнл(1.7)
Розділ 2. Розробка цифрових комутаційних систем
Комутаційна система - це сукупність технічних заходів, призначених для здійснення оперативної комутації, вона відображає принципи внутрішньої побудови комутаційної станції [8]. В залежності від типу комутаційних приладів і керуючих пристроїв розрізняють системи: декадно-крокові (ДК), координатні (К), квазіелектронні (КЕ), електронні (Е). Комутаційна система, котра реалізує функцію цифрової комутації називається цифровою системою комутації (ЦСК). В ЦСК функцію комутацію реалізує цифрове комутаційне поле (ЦКП). Керування всіма процесами в системі комутації здійснює керуючий комплекс.
У Розділі 2 наведені приклади синтезу одно - чотирьохланкових цифрових комутаційних систем реалізованих на комутаційних блоках „час” і „простір”.
2.1 Переваги та особливості цифрових АТСЕ
Цифрові комутаційні системи мають наступні переваги:
Зменшення затрат праці на виробництво електронного комутаційного обладнання за рахунок автоматизації процесу його виготовлення.
Зменшення габаритних розмірів і підвищення надійності обладнання за рахунок використання елементної бази високого рівня інтеграції.
Зменшення об’єму робіт при монтажі та налагодження електронного обладнання на об’єктах зв’язку.
Зменшення площ для встановлення цифрового комутаційного обладнання.
Суттєве зменшення обслуговуючого персоналу за рахунок автоматизації процесу експлуатації.
Підвищення якості обслуговування.
Збільшення додаткових видів обслуговування (ДВО) та додаткових видів зв’язку (ДВЗ).
Можливість створення на базі цифрових АТС і цифрових систем передачі даних цифрових мереж з інтеграцією послуг (ISDN).
Особливості цифрових систем комутації:
Модульність побудови, яка дозволяє забезпечити легке пристосування системи до зміни ємності, забезпечити зручність і простоту реалізації, технологічність виробництва за рахунок зменшення кількості різнотипних блоків.
Симетричність структури відносно середньої лінії, яка поділяє комутаційне поле на дві частини. Властивість симетричності дозволяє побудувати КП найбільш раціонально з точки зору об’єму обладнання і керування.
Чотирипровідність КП, яка пояснюється особливостями передачі ущільнених в часі сигналів.
2.2 Розрахунок концентраторів
У цифрових АТС широко використовуються концентратори, які є функціональною частиною міських цифрових комутаційних систем і дозволяють здійснювати попередню концентрацію абонентського навантаження з метою більш раціонального використання з’єднувальних ліній між концентратором і станцією.
2.2.1 Структурна схема і вихідні дані
Абонентський концентратор дозволяє підключити максимально 768 АЛ до комутаційного поля опорної станції МТ20/25 через групові тракти (ГТ) ІКМ ліній.
Схема концентратора (рис.2.1) включає наступні функціональні блоки [11]: абонентські комплекти (АК); блок просторово-часової комутації (ПЧК); кодек (кодуючий і декодуючий пристрої); цифровий концентратор (ЦК); систему керування, що складається з керуючого пристрою (КП), маркера, визначника (В) і обладнання сигналізацій (ЗКС).
Абонентський комплекс складає інтерфейс з комутаційною системою і виконує наступні основні функції: живлення мікрофона ТА, перехід з двопровідної АЛ на чотирьохпровідну, контроль стану шлейфу АЛ для виявлення моменту зняття абонентом телефонної трубки й відбою. Блок ПЧК здійснює перетворення аналогового розмовного сигналу в сигнал амплітудно-імпульсної модуляції (АІМ), концентрацію і комутації 64 АЛ на одну ІКМ лінію. Кодека виконує аналого-цифрове перетворення сигналу АІМ в ІКМ і навпаки. Блок ЦК здійснює концентрацію 12-ти ІКМ ліній на (2-6) ГТ ІКМ ліній комутаційного поля. Число групових трактів ІКМ між концентратором і комутаційним обладнанням станції визначається шляхом розрахунку залежно від величини навантаження і ймовірності втрат.

Рис.2.1 Структурна схема концентратора
Вихідні дані для розрахунку концентратора:
кількість вхідних абонентських ліній (NАЛК = 768)
ймовірність втрат комутаційної системи (рв = 0,2).
2.2.2 Розрахунок кількості концентраторів
Згідно заданої кількості АЛ на один концентратор NАЛК та розрахованої у Розділі 1 загальної кількості абонентів
визначаємо кількість концентраторів k:
(2.1)
![]()
2.2.3 Визначення кількості трактів ІКМ-30/32, необхідних для підключення до одного концентратора
Знаходимо величину навантаження (Yk) на один концентратор:
(2.2)
де
- сумарне навантаження від всіх абонентів станції,
k - кількість концентраторів.
За першою формулою Ерланга розрахуємо кількість каналів Nk необхідних для обслуговування навантаження Yk при заданих втратах рв.
Yk = 60.467 Ерл
Рв =1% → Nk = 52 каналів
Маючи Nk то кількість трактів ІКМ-30/32 необхідних для їх реалізації:
![]()
2.3 Розробка і опис структурних схем комутаційних полів „час” та „час-простір-простір-час” на базі заданого цифрового модуля
Вхідні дані для синтезу цифрових комутаційних полів:
Ємність цифрового комутаційного модуля:
![]()
Ємність комутаційної системи:
Nц =Mц= 13850 канали
2.3.1 Розрахунок та побудова модуля типу „час”
Блок або модуль ЦКП, який здійснює функцію часової комутації цифрового сигналу називається блоком „час” (від англ. time - час) [7].

Рис.2.2 Ілюстрація принципу часової комутації
Блоки „час” синтезовані на цифрових запам’ятовуючих пристроях (ЦЗП) і являють собою повнодоступну неблокуючу схему, що комутує будь-який вхідний канал, на будь-який вихідний. ЦЗП блоку „час” працюють в двох режимах: ациклічного записування / циклічного зчитування; циклічного записування / ациклічного зчитування [6]. Завдяки простоті виконання і низькій вартості реалізації, боки „час” є основою для побудови ЦКС АТСЕ малої і середньої ємності (до 30 тис. абонентів).
Кількість цифрових модулів необхідних для побудови комутаційного поля ємністю
визначаємо як:
, (2.3)
![]()
Якщо N>M, то заданий ЦМ працює на стискання з коефіцієнтом стискання
і стоїть на вході КС. Кількість каналів в одному тракті на вході становить 32 канали, а на виході - (32xk). У випадку коли N<M, заданий ЦМ працює на розширення з коефіцієнтом розширення
і стоїть на виході КС. Кількість каналів в одному тракті на виході становить 32 канали, а на вході - (32xk).
Одноланкова схема ЦКП типу „час” (рис 2.3) включає наступні функціональні блоки: на вході і виході схеми - перетворювачі відповідно послідовного коду в паралельний (пс/пр) і паралельного коду в послідовний (пр/пс), запам’ятовуючі пристрої: інформаційна память (ІП), керуюча память (КП).

Рис.2.3 Структурна схема комутаційного поля типу „ЧАС”
Розрахуємо кількість еквівалентних точок комутації для даного комутаційного поля:
, (2.4)
Де
ТІП, ТКП - кількість екв. т.к інформаційної та керуючої пам’яті відповідно.
(2.5)
(2.6)
Де
- кількість каналів заданого цифрового модуля;
r - розрядність інформаційного каналу, Біт;
- кількість цифрових модулів.
![]()
![]()
Отже,
![]()

Рис.2.3(а) Структурна схема еквівалентного часового комутаційного поля
Розрахуємо кількість точок комутації просторового еквівалента:
T = 13850*13850 = 191822500;
2.3.2 Розрахунок та побудова модуля типу „час-простір-простір-час”
Блок або модуль ЦКП, який здійснює просторову комутацію цифрового сигналу називається блоком „простір” (від англ. space - простір - „S”) [7].
Рис.2.4 Ілюстрація принципу просторової комутації
Блоки „простір” комутують однойменні канали будь-яких трактів і можуть бути легко реалізовані на: електронних ключах; інтегральних схемах середнього ступеня інтеграції - мультиплексорах і демультиплексорах або на програмованих логічних матрицях (ПЛМ). Завдяки простій і недорогій реалізації цих схем, ЦКС синтезовані на блоках „простір” широко використовувались на перших етапах створення цифрових АТС. Однак недолік цих блоків - внутрішні блокування при з’єднанні різнойменних призвів до того, що на сьогодні модулі „простір” використовуються в парі з ЦМ інших видів, зокрема, блоками „час”.
Рекомендації для синтезу модуля „час-простір-простір-час” (ЧППЧ).
Основною задачею при побудові модуля типу ЧППЧ є вибір кількості та ємності блоків часової комутації (БЧК), від структури якого залежить загальна кількість точок комутації. При побудові БЧК рекомендується брати відношення кількості модулів БЧК (k) до кількості блоків БЧК (NБЧК) рівнем 1; 2;
3. Також необхідно врахувати умову вибору кількості модулів (k): кількість модулів має бути цілим числом (кратним 2) і у всіх БЧК має бути однакова кількість цифрових модулів. Для зменшення внутрішнього блокування і кількості (NБЧК) зв’язність вибирається f=2.
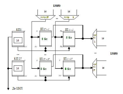
На рис.2.5 побудована чотирьохланкова схема ЦКП типу ЧППЧ.
=27
X=9 кількість цифрових мадулів
Y=3 кількість БЧХ
X*Y=27
X/Y = 3

Рис.2.5 Структурна схема комутаційного поля типу ЧППЧ.
2.4 Розрахунок кількості еквівалентних точок комутації цифрового модуля і цифрових комутаційних полів з п.2.3
Оцінка економічності синтезованих цифрових комутаційних полів „час” і „час-простір-простір-час” проводиться по кількості точок комутації. Згідно [5], 100 біт пам’яті ЦЗП еквівалентні одній просторовій точні комутації.
Загальна кількість еквівалентних точок комутації блоку „час-простір-простір-час” (див. рис.2.5) дорівнює сумі екв. т.к часового (БЧК) і просторового (БПК) блоків, тобто:
, (2.7)
де
- кількість екв. т.к блоків часової і просторової комутації відповідно.
Кількість екв. т.к блоку часової комутації (БЧК) становить:
(2.8)
де
- кількість цифрових модулів в одному БЧК;
- кількість блоків часової комутації.
Кількість екв. т.к блоку просторової комутації БПК дорівнює:
, (2.9)
де ТПР - кількість т.к просторових комутаторів;
ТКП - кількість екв. т.к керуючих пристроїв просторових комутаторів.
Отже,
(2.10)
(2.11)
де n - кількість входів одного комутатора;
m - кількість виходів одного комутатора;
k - кількість комутаторів в одній ланці блоку БПК;
z - кількість ланок;
- кількість каналів проміжного тракту;
- кількість комутаторів в одній ланці БПК.
Tчппч = 2*Tч + Тп;


![]()
Висновок: Із вище приведених розрахунків видно, що для побудови комутаційної системи краще вибрати цифровий модуль типу ″ ЧАС - ПРОСТІР-ПРОСТІР-ЧАС ″, тому що він більш економний по еквівалентних точках комутації ніж модуль типу ″ ЧАС ″.
2.5 Розрахунок кількості точок комутації просторових комутаційних полів такої ж структури та ємності, як цифрові комутаційні поля в п.2.4
Структурна схема просторового еквіваленту чотирьохланкового комутаційного поля зображена на рис.2.6

Рис.2.6 Структурна схема еквівалентного просторового комутаційного поля
Кількість точок комутації визначається як:
(2.11)
![]()
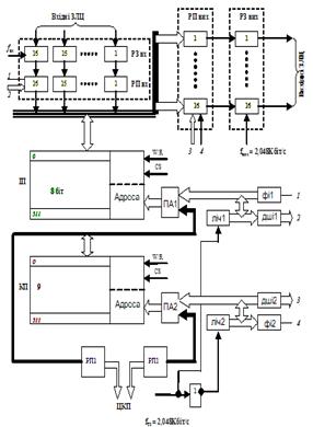
2.6 Розробка і опис функціональної схеми заданого просторово-часового цифрового модуля
Функціональна схема цифрового модуля зображена на рис. 2.7
Вхідні тракти із швидкістю потоку 2,048 Мбіт/с поступають на вхідні регістри зсуву РЗвх. Після чого відбувається перетворення вхідних канальних повідомлень з послідовного коду у паралельний. Відбувається це у регістрах РПвх.
Вхідний перетворювач виконаний на регістрах зсуву РЗвх та паралельних регістрах РПвх В РЗвх послідовно, розряд за розрядом, заносяться кодові слова (8 біт), під дією тактових імпульсів з частотою fвх.
В кінці канального інтервалу під дією сигнала 1, який створюється формувачем імпульсів ФІ1, кодові комбінації з РЗвх одночасно по 8 проводах переписуються в РПвх.
В наступний канальний інтервал в РЗвх записуються кодові слова наступних каналів. За той самий канальний інтервал під дією сигналів 2, що виробляються дешифратором ДШ1, кодові слова перших каналів всіх вхідних ЗЛЦ з РПвх послідовно переписуються в комірки пам’яті ІП.
Адреси комірок ІП формуються лічильником Л1, через перемикач адрес ПА1 подаються на адресні входи ІП. За цикл роботи 125 мкс кодові комбінації всіх вхідних каналів запишуться в ІП. В комірці ІП кодові слова зберігаються протягом циклу і потім замінюються наступним словом того самого каналу. Такий режим роботи цифрового модуля називається керуванням по виходу або циклічний запис/ациклічне зчитування [6].
Комутація вхідних і вихідних каналів здійснюється за допомогою керуючої пам’яті КП. Номери комірок КП відповідають вихідним каналам, а інформація в комірках КП - номерам вхідних каналів (у випадку, коли N>M).
Інформація в комірки керуючої пам’яті записується через паралельний регістр РП1 з ЦКП за адресою, яка також подається з ЦКП і через РП2 і перемикач адрес ПА2 поступає на адресні входи КП.
Зчитуванням інформації з комірок КП керують адреси, які формуються Л2 і через перемикач ПА2 подаються на адресні входи КП. Лічильники Л1 і Л2 працюють у протифазі. За адресами лічильника Л2 послідовно відкриваються комірки КП, з яких зчитуються адреси комірок ІП.
З комірок ІП зчитуються кодові комбінації (мовний сигнал), який по 8-ми розрядній паралельній шині переписується у вихідні паралельні регістри. Керування вихідними паралельними регістрами відбувається імпульсами 3, які формуються дешифратором ДШ2.
Коли кодові комбінації запишуться у всі регістри РПвих, вони швидко перезаписуються у вихідні регістри зсуву РЗвих під дією імпульсу 4, який виробляється ФІ2. Після перезапису кодових слів з РПвих в РЗвих, вони починають зчитуватися послідовно у вихідні ЗЛЦ під дією імпульсів тактової частоти fвих.
Таким чином РПвих і РЗвих виконують функції перетворювача паралельного коду в послідовний.
2.7 Розрахунок тактових частот і побудова часових діаграм функціонування цифрового модуля
Частота тактових імпульсів визначається за формулою:
![]()
![]()
Де
- кількість каналів цифрового модуля.
![]()
- тривалість одного часового каналу, сек.
![]()
Частота трактів на виході цифрового модуля, у випадку, коли N=M
![]()
N,M - кількість вхідних (вихідних) групових трактів;
- частота вхідного тракту ІКМ-30/32.
![]()
Період запису-зчитування:

Де
- частота тактових імпульсів.
![]()
На рис.2.8 зображені часові діаграми роботи цифрового модуля [16х16] ГТ.

Рис.2.7 Функціональна схема цифрового модуля
![]() |
На основі синтезованих цифрових комутаційних полів „час” і „час-простір-простір-час” зробимо висновки.
Рисунок 2.8 Часові діграми роботи часового модуля

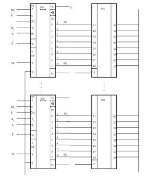
Рисунок 2.9 Фрагмент функціональної схеми ЦМ на базі мікросхеми 531ИР24
Висновки
При проектуванні комутаційних систем враховують багато параметрів: наприклад потрібну ймовірність блокування, зв’язність, кількість абонентів, ефективність (тобто ціну). Ціна комутаційного поля прямо пропорційно пов’язана з кількістю точок комутації (для цифрових полів - кількість еквівалентних точок комутації).
В даній курсовій роботі ми розраховували різні комутаційні поля: одноланкові і багатоланкові. Порівнявши системи можемо сказати, що найменше точок комутації в багатоланкових комутаційних полях при чому з використанням часової комутації.
Якщо застосовувати комутаційні поля тільки з просторовою комутацією, то кількість точок комутації різко зростає і відповідно ціна.
1. Порівняємо кількість точок комутації чотирьохланкового комутаційного поля з просторовим еквівалентом
254800000/ 6683 = 38130
2. Порівняємо між собою комутаційні поля одно ланкове і чотирьох ланкове
31800/6683=4,759
3. Порівняємо одноланкову схему з її просторовим еквівалентом.
191800000/31800 = 6031
Як бачимо в просторовому еквіваленті набагато більше точок комутації ніж в самій схемі.
Як бачимо найкраще будувати комутаційні поля багатоланкові з використанням як часової так і просторової комутації. Це набагато знижує ціну і відповідно ефективність комутаційного поля.
Список рекомендованої літератури
1. Лившиц Б.С. и др. Теория телетрафика. - М.: Связь. 1979. - 224 с., ил.
2. Шнепс М.А. Теория распределения информации. Методы расчета. - М.: Связь. 1979. - 124 с.
3. Аваков Р.А.; Шилов О.С. Основы автоматической коммутации. - М.: Радио и связь. 1981. - 288 с., ил.
4. Иванова О.Н. и др. Автоматическая коммутация. - М.: Радио и связь. 1988. - 624 с., ил.
5. Дж. Беллами. Цифровая телефония: пер. с англ. - М.: Радио и связь. 1986. - 544 с.
6. Ершова Э.Б., Ершов В.А. Цифровые системы распределения информации. - М.: Радио и связь. 1983. - 216 с., ил.
7. Баркун М.А. Ходасевич О.Р. Цифровые системы синхронной коммутации. - М.: Эко-Тренс. 2001. - 187 с.
8. Корнышев Ю.М., Чумак М.А. Проектирование городских телефонных сетей на базе оборудования ЭАТС-200. - Одесса. 1991. - 50 с.
9. Кожанов Ю.Ф. Расчет и проектирование электронных АТС. - М.: Радио и связь. 1991. - 288 с., ил.
10. Побудова та проектування цифрової системи комутації з полем третього класу. Частина 1 і 2. / Уклад. Коноплянко З.Д., Чаплига В.М. - Львів, ЛПІ, 1992. - 72 c
