| Скачать .docx |
Реферат: Элементы оптоэлектронных устройств
Министерство образования Республики Беларусь
Учреждение образования
“Белорусский государственный университет
информатики и радиоэлектроники”
кафедра ЭВС
РЕФЕРАТ
На тему:
«Элементы оптоэлектронных устройств»
МИНСК, 2008
1. Оптоэлектронный переключатель представляет гибридную микросхему, содержащую оптоэлектронную пару и усилитель. В переключателе используются высокоэффективные светодиоды на основе apceнида галлия, легированного кремнием, и быстродействующие кремниевые p - i - n -фотодиоды. Иммерсионной средой является халькогенидное стекло с показателем преломления 2,7. Коэффициент передачи тока в оптоэлектронной паре составляет 3—5 при нормальной температуре, времена включения (сумма времен задержка и нарастания фронта) 100—250 пс, гальваническая развязка цепи светодиода и фотоприемника по постоянному току 109 Ом. Микросхема выполнена в круглом металлостеклянном корпусе типа ТО-5.
2. Оптоэлектронный ключ предназначен для коммутации высоковольтных цепей переменного и постоянного токов. Он имеет четыре независимых канала, каждый из которых содержит две оптоэлектронные пары, состоящие из светодиода и высоковольтного p - i - n - фотодиода. Фотодиоды соединены встречно-последовательно, поэтому сопротивление ключа в запертом состоянии (в отсутствие тока через светодиоды) независимо от полярности приложенного напряжения определяется темновым сопротивлением смещенного в обратном направлении p - i - n -фотодиода; значение его составляет примерно 109 Ом.
3. Транзисторный ключ предназначен для коммутации постоянных напряженийдо 50 В. Прибор имеет два независимых канала, каждый из которых содержит оптоэлектронную пару, состоящую из арсенидгаллиевого светодиода и кремниевого n - p - i - n -фототранзистора. Оптоэлектронная пара имеет коэффициент передачи тока 2, номинальный рабочий ток 10 мА, быстродействие в режиме усиления 100—300 нс.
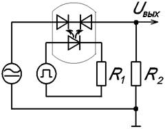
4.Коммутатор аналоговых сигналов предназначен для применения в системах селективной обработки аналоговых сигналов. Электрическая схема одного канала коммутатора приведена на рис. 1. Канал содержит оптоэлектронную пару, состоящую из арсенидгаллиевого светодиода и двух встречно включенных n - i - n -фотодиодов, выполненных в одном монокристалле.

Рис. 1. Электрическая схема оптоэлектронного коммутатора аналоговых сигналов
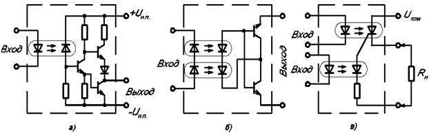
На рис. 2 показаны электрические схемы некоторых других типов оптоэлектронных микросхем. Ключевая микросхема (рис. 2, а ) включает в себя быстродействующую диодную оптоэлектронную пару, согласованную с монолитным кремниевым усилителем. Она предназначена для замены трансформаторных и релейных связей в логических устройствах ЭВМ и дискретной автоматики. Аналоговый ключ (рис. 2, б ) относится к линейным схемам с оптоэлектронным управлением. При мощности управляющего сигнала 60—80 мВт параметры прерывателя достигают значений, необходимых для стандартных полупроводниковых микросхем. Оптоэлектронные маломощные реле постоянного тока (рис.2, в) предназначены для замены аналоговых электромеханических реле с быстродействием в миллисекундном диапазоне и гарантируемым числом срабатываний 104 —107 .

Рис. 2. Электрические схемы некоторых типов оптоэлектронных микросхем: а – ключевая микросхема; б – аналоговый ключ; в – реле постоянного тока.

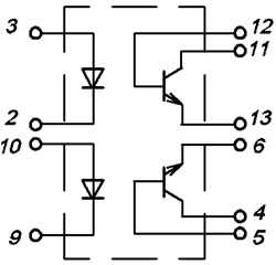
Рис. 3. Электрическая схема оптоэлектронных микросхем серии 249
Представляют интерес оптоэлектронные микросхемы серии 249, в которую входят четыре группы приборов, представляющих собой электронные ключи на основе электролюминесцентных диодов и транзисторов. Электрическая схема всех группприборов одинакова (рис. 3). Конструктивно микросхемы оформлены в прямоугольном плоском корпусе интегральных микросхем с 14 выводами и имеют два изолированных канала, что уменьшает габариты и массу аппаратуры, а также расширяет функциональные возможности микросхем. Светодиоды выполнены на основе кремния и имеют п+ - p - ni - n + - структуру.Наличие двух каналов в ключе позволяет использовать егов качестве интегрального прерывателя аналоговых сигналов и получать высокий коэффициент передачи сигнала (10—100) при включении фототранзисторов по схеме составного транзистора.
Оптоэлектронные приборы
Работа оптоэлектронных приборов основана на электронно-фотонных процессах получения, передачи и хранения информации.
Простейшим оптоэлектронным прибором является оптоэлектронная пара, или оптрон. Принцип действия оптрона, состоящего из источника излучения, иммерсионной среды (световода) и фотоприемника, основан на преобразовании электрического сигнала в оптический, а затем снова в электрический.
Оптроны как функциональные приборы обладают следующими преимуществами перед обычными радиоэлементами:
полной гальванической развязкой «вход – выход» (сопротивление изоляции превышает 1012 – 1014 Ом);
абсолютной помехозащищенностью в канале передачи информации (носителями информации являются электрически нейтральные частицы – фотоны);
однонаправленностью потока информации, которая связана с особенностями распространения света;
широкополосностью из-за высокой частоты оптических колебаний,
достаточным быстродействием (единицы наносекунд);
высоким пробивным напряжением (десятки киловольт);
малым уровнем шумов;
хорошей механической прочностью.
По выполняемым функциям оптрон можно сравнивать с трансформатором (элементом связи) при реле (ключом).
В оптронных приборах применяют полупроводниковые источники излучения – светоизлучающие диоды, изготовляемые из материалов соединений группы А III B V , среди которых наиболее перспективны фосфид и арсенид галлия. Спектр их излучения лежит в области видимого и ближнего инфракрасного излучения (0,5 – 0,98 мкм). Светоизлучающие диоды на основе фосфида галлия имеют красный и зеленый цвет свечения. Перспективны светодиоды из карбида кремния, обладающие желтым цветом свечения и работающие при повышенных температурах, влажности и в агрессивных средах.
Светодиоды, излучающие свет в видимом диапазоне спектра, используют в электронных часах и микрокалькуляторах.
Светоизлучающие диоды характеризуются спектральным составом излучения, который достаточно широк, диаграммой направленности; квантовой эффективностью, определяемой отношением числа испускаемых квантов света к количеству прошедших через p -n -переход электронов; мощностью (при невидимом излучении) и яркостью (при видимом излучении); вольт-амперными, люмен-амперными и ватт-амперными характеристиками; быстродействием (нарастанием и спадом электролюминесценции при импульсном возбуждении), рабочим диапазоном температур. При повышении рабочей температуры яркость светодиода падает и снижается мощность излучения.
Основные характеристики светоизлучающих диодов видимого диапазона приведены в табл. 1, а инфракрасного диапазона – в табл. 2.
Таблица 1 Основные характеристики светоизлучающих диодов видимого диапазона
| Тип диода | Яркость, кд/м2 , или сила света, мккд | Постоянное прямое напряжение, В | Цвет свечения | Постоянный прямой ток, мА | Масса, г | |
КЛ101 А – В АЛ102 А – Г АЛ307 А – Г |
10 – 20 кд/м2 40 – 250 мккд 150 – 1500 мккд |
5,5 2,8 2,0 – 2,8 |
Желтый Красный, зеленый Красный, зеленый |
10 – 40 5 – 20 10 – 20 |
0,03 0,25 0,25 |
|
Светоизлучающие диоды в оптоэлектронных приборах соединяются с фотоприемниками иммерсионной средой, основным требованием к которой является передача сигнала с минимальными потерями и искажениями. В оптоэлектронных приборах используют твердые иммерсионные среды – полимерные органические соединения (оптические клеи и лаки), халькогенидные среды и волоконные световоды. В зависимости от длины оптического канала между излучателем и фотоприемником оптоэлектронные приборы можно подразделить на оптопары (длина канала 100 – 300 мкм), оптоизоляторы (до 1 м) и волоконно-оптические линии связи – ВОЛС (до десятков километров).
Таблица 2. Основные характеристики светоизлучающих диодов инфракрасного диапазона
| Тип диода | Полная мощность излучения, мВт | Постоянное прямое напряжение, В | Длина волны излучения, мкм | Время нарастания импульса излучения, нс | Время спада импульса излучения, нс | Масса, г |
АЛ103 А, Б АЛ106 А – Д АЛ107 А, Б АЛ108 А АЛ109 А АЛ115 А |
0,6 – 1 (при токе 50 мА) 0,2 – 1,5 (при токе 100 мА) 6 – 10 (при токе 100 мА) 1,5 (при токе 100 мА) 0,2 (при токе 20 мА) 10 (при токе 50 м А) |
1,6 1,7 – 1,9 2 1,35 1,2 2,0 |
0,95 0,92 – 0,935 0,95 0,94 0,94 0,9 – 1 |
200 – 300 10 – 400 – 300 |
500 20 – 1000 – 500 |
0,1 0,5 0,2 0,15 0,006 0,2 |
К фотоприемникам, используемым в оптронных приборах, предъявляют требования по согласованию спектральных характеристик с излучателем, минимуму потерь при преобразовании светового сигнала в электрический, фоточувствительности, быстродействию, размерам фоточувствительной площадки, надежности и уровню шумов.
Для оптронов наиболее перспективны фотоприемники с внутренним фотоэффектом, когда взаимодействие фотонов с электронами внутри материалов с определенными физическими свойствами приводит к переходам электронов в объеме кристаллической решетки этих материалов.
Внутренний фотоэффект проявляется двояко: в изменении сопротивления фотоприемника под действием света (фоторезисторы) либо в появлении фото-эдс на границе раздела двух материалов – полупроводник-полупроводник, металл-полупроводник (вентильные фотоэлементы, фотодиоды, фототранзисторы).
Фотоприемники с внутренним фотоэффектом подразделяют на фотодиоды (с p -n -переходом, МДП-структурой, барьером Шоттки), фоторезисторы, фотоприемники с внутренним усилением (фототранзисторы, составные фототранзисторы, фототиристоры, полевые фототранзисторы).
Фотодиоды выполняют на основе кремния и германия. Максимальная спектральная чувствительность кремния 0,8 мкм, а германия – до 1,8 мкм. Они работают при обратном смещении на p -n -переходе, что позволяет повысить их быстродействие, стабильность и линейность характеристик.
Наиболее часто в качестве фотоприемников оптоэлектронных приборов различной сложности применяют фотодиоды p - i -n -структуры, где i – обедненная область высокого электрического поля. Меняя толщину этой области, можно получить хорошие характеристики по быстродействию и чувствительности за счет малой емкости и времени пролета носителей.
Повышенными чувствительностью и быстродействием обладают лавинные фотодиоды, использующие усиление фототока при умножении носителей заряда. Однако у этих фотодиодов недостаточно стабильны параметры в диапазоне температур и требуются источники питания высокого напряжения. Перспективны для использования в определенных диапазонах длин волн фотодиоды с барьером Шоттки и с МДП-структурой.
Фоторезисторы изготовляют в основном из поликристаллических полупроводниковых пленок на основе соединения (кадмия с серой и селеном). Максимальная спектральная чувствительность фоторезисторов 0,5 – 0,7мкм. Фоторезисторы, как правило, применяют при малой освещенности; по чувствительности они сравнимы с фотоэлектронными умножителями – приборами с внешним фотоэффектом, но требуют низковольтного питания. Недостатками фоторезисторов являются низкое быстродействие и высокий уровень шумов.
Наиболее распространенными фотоприемниками с внутренним усилением являются фототранзисторы и фототиристоры. Фототранзисторы чувствительнее фотодиодов, но менее быстродействующие. Для большего повышения чувствительности фотоприемника применяют составной фототранзистор, представляющий сочетание фото- и усилительного транзисторов, однако он обладает невысоким быстродействием.
В оптронах в качестве фотоприемника можно использовать фототиристор (полупроводниковый прибор с тремя p - n -переходами, переключающийся при освещении), который обладает высокими чувствительностью и уровнем выходного сигнала, но недостаточным быстродействием.
Многообразие типов оптронов определяется в основном свойствами и характеристиками фотоприемников. Одно из основных применений оптронов – эффективная гальваническая развязка передатчиков и приемников цифровых и аналоговых сигналов. В этом случае оптрон можно использовать в режиме преобразователя или коммутатора сигналов. Оптрон характеризуется допустимым входным сигналом (током управления), коэффициентом передачи тока, быстродействием (временем переключения) и нагрузочной способностью.
Отношение коэффициента передачи тока к времени переключения называется добротностью оптрона и составляет 105 – 106 для фотодиодных и фототранзисторных оптронов. Широко используют оптроны на основе фототиристоров. Оптроны на фоторезисторах не получили широкого распространения из-за низкой временной и температурной стабильности. Схемы некоторых оптронов приведены на рис. 4, а – г.

В качестве когерентных источников излучения применяют лазеры, обладающие высокой стабильностью, хорошими энергетическими характеристиками и эффективностью. В оптоэлектронике для конструирования компактных устройств используют полупроводниковые лазеры – лазерные диоды, применяемые, например, в волоконно-оптических линиях связи вместо традиционных линий передачи информации – кабельных и проводных. Они обладают высокой пропускной способностью (полоса пропускания единицы гигагерц), устойчивостью к воздействию электромагнитных помех, малой массой и габаритами, полной электрической изоляцией от входа к выходу, взрыво- и пожаробезопасностью. Особенностью ВОЛС является использование специального волоконно-оптического кабеля, структура которого представлена на рис. 5. Промышленные образцы таких кабелей имеют затухание 1 – 3 дБ/км и ниже. Волоконно-оптические линии связи используют для построения телефонных и вычислительных сетей, систем кабельного телевидения с высоким качеством передаваемого изображения. Эти линии допускают одновременную передачу десятков тысяч телефонных разговоров и нескольких программ телевидения.

В последнее время интенсивно разрабатываются и получают распространение оптические интегральные схемы (ОИС), все элементы которых формируются осаждением на подложку необходимых материалов.
Перспективными в оптоэлектронике являются приборы на основе жидких кристаллов, широко используемые в качестве индикаторов в электронных часах. Жидкие кристаллы представляют собой органическое вещество (жидкость) со свойствами кристалла и находятся в переходном состоянии между кристаллической фазой и жидкостью.
Индикаторы на жидких кристаллах имеют высокую разрешающую способность, сравнительно дешевы, потребляют малую мощность и работают при больших уровнях освещенности.
Жидкие кристаллы со свойствами, схожими с монокристаллами (нематики, наиболее часто используют в световых индикаторах и устройствах оптической памяти. Разработаны и широко применяются жидкие кристаллы, изменяющие цвет при нагревании (холестерики). Другие типы жидких кристаллов (смектики) используют для термооптической записи информации.
Оптоэлектронные приборы, разработанные сравнительно недавно, получили широкое распространение в различных областях науки и техники, благодаря своим уникальным свойствам. Многие из них не имеют аналогов в вакуумной и полупроводниковой технике. Однако существует еще много нерешенных проблем, связанных с разработкой новых материалов, улучшением электрических и эксплуатационных характеристик этих приборов и развитием технологических методов их изготовления.
ЛИТЕРАТУРА
1. Петров К.С. Радиоматериалы, радиокомпоненты и электроника: Учебное пособие для вузов. – СПб: Питер, 2003. – 512 с.
2. Опадчий Ю.Ф. и др. Аналоговая и цифровая электроника: Учебник для вузов / Ю.Ф.Опадчий, О.П.Глудкин, А.И.Гуров; Под.ред. О.П.Глудкина. М.: Горячая Линия – Телеком, 2002. – 768 с.
3. Акимов Н.Н. и др. Резисторы, конденсаторы, трансформаторы, дроссели, коммутационные устройства РЭА: Справочник / Н.Н.Акимов, Е.П.Ващуков, В.А.Прохоренко, Ю.П.Ходоренок. Мн.: Беларусь, 2005.–591 с.