| Скачать .docx |
Курсовая работа: Расчет трехфазного управляемого выпрямителя схема Миткевича
![]()
Министерство образования и науки Украины
Национальный технический университет Украины
"Киевский политехнический институт"
Факультет электроники
Кафедра промышленной электроники
Курсовая работа
по курсу
"Электронные системы управления и регулирования"
на тему
"Расчет трехфазного управляемого выпрямителя (схема Миткевича)"
2006
Содержание
Введение
1. Разработка схемы устройства, краткое описание принципа действия системы управления
2. Расчет силовой части и выходных каскадов системы управления
3. Расчет пускового режима
4. Расчет устойчивости системы в "малом" для установившегося режима
Вывод
Литература
Приложения
Введение
Проектирование схем вентильных преобразователей является одним из важных направлений в силовой преобразовательной схемотехнике.
Основа проектирования современных силовых преобразователей – методы расчета процессов в силовых цепях с вентилями, которые по своей математической модели являются удобными для анализа и синтеза преобразовательных схем.
1. Разработка схемы устройства, краткое описание принципа действия системы управления
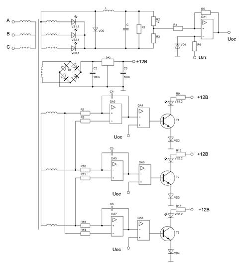
Разработанная схема устройства приведена в приложении 1.
Трехфазные выпрямители
Схемы выпрямителей трехфазного питания применяются в основном для питания потребителей средней и большой мощности. Первичная обмотка трансформаторов таких выпрямителей состоит из трех фаз и соединяется либо в звезду, либо в треугольник. Вторичные обмотки трансформатора (их может быть несколько) также трехфазные. С помощью специальных схем соединения вторичных обмоток и всего выпрямителя можно получить выпрямление напряжение с числом пульсаций за период
, кратным трем. С увеличением числа пульсаций в выпрямленном напряжении значительно сокращаются габаритные размеры сглаживающих электрических фильтров либо вообще отпадает необходимость в них.
Выпрямители трехфазного питания равномерно нагружают сеть трехфазного тока и отличаются высоким коэффициентом использования трансформатора.
Схемы выпрямителей трехфазного питания используются для питания статических нагрузок активного и активно-индуктивного характера, статических нагрузок с противо-э.д.с., а также динамических нагрузок в виде электродвигателей постоянного тока. Последний вид нагрузки следует рассматривать как противо-э.д.с. с индуктивностью.
Схема с нулевым выводом (схема Миткевича)
Составным элементом сложных схем выпрямителей трехфазного питания является простая трехфазная схема с нулевым выводом, предложенная Миткевичем (рис. 1). Работа схемы описывается далее.

Рис.1
Основные особенности импульсного метода регулирования
Регулирование напряжения потребителя посредством импульсных преобразователей (ИП) называют импульсным регулированием.
С помощью импульсного преобразователя источник постоянного или переменного напряжения периодически подключается к нагрузке.
Преобразователи, позволяющие осуществлять широтно-импульсное регулирование напряжения на нагрузке, называют широтно-импульсными преобразователями (ШИП).
ШИП находят широкое применение для регулирования и стабилизации напряжения различных потребителей (электротранспорт, электропривод металлообрабатывающих станков, в бортовых системах и т.д.), что объясняется рядом их преимуществ:
высокий к.п.д., так как потери мощности на регулирующем элементе преобразователя незначительны по сравнению с потерями мощности в случае непрерывного регулирования;
малая чувствительность к изменениям температуры окружающей среды, поскольку регулирующим фактором является время проводимости ключа, а не величина внутреннего сопротивления регулирующего элемента, что имеет место при непрерывном регулировании;
малые габариты и масса;
постоянная готовность к работе.
Вместе с тем широтно-импульсным преобразователям присущи и недостатки:
импульсный режим работы регулирующего элемента приводит к необходимости устанавливать выходные фильтры, что вызывает инерционность процесса регулирования в замкнутых системах;
высокие скорости включения и выключения тока в силовой цепи ШИП приводит к возникновению радиопомех.
Несмотря на указанные недостатки, применение импульсных преобразователей перспективно в тех случаях, когда на первое место выдвигаются требования высокой экономичности, надежности, малых габаритов, малой чувствительности к колебаниям температуры, высокой гибкости и точности регулирования.
Выходные каскады ШИП наиболее просто выполнять на полностью управляемых вентилях — транзисторах и двухоперационных тиристорах, отпирание и запирание которых производится по базовым цепям.
Описание работы схемы.
Электрические параметры определяются в общем виде для многофазного выпрямителя с числом пульсаций выпрямленного напряжения за период
, для схемы Миткевича
.
При активно-индуктивной нагрузке (
;
;
) схема может работать в двух режимах. Прерывистость тока в цепи нагрузки зависит не только от диапазона изменения угла регулирования
, но и от соотношения параметров нагрузки
и
. Так же, как и в однофазных схемах, кривая выпрямленного напряжения может иметь отрицательные значения, что объясняется возможностью вентиля пропускать ток при отрицательном напряжении на обмотке данной фазы за счет накопленной энергии в магнитном поле дросселя
. При
непрерывный режим тока имеет место при любых соотношениях
и
и ничем не отличается от случая активной нагрузки при
. При дальнейшем увеличении угла управления непрерывный режим тока сохраняется только при значительном преобладании индуктивности ![]()
. Для
без больших погрешностей можно считать ток нагрузки идеально сглаженным (рис. 2).
При учете индуктивностей рассеяния обмоток трансформатора
так же, как и в однофазном выпрямителе, имеются интервалы, соответствующие работе одного и двух вентилей.

Рис.2
Рассмотрим режим, соответствующий двум интервалам периода — интервалу одиночной работы вентиля, когда ток в вентиле равен току нагрузки ![]()
, и интервалу одновременной работы двух смежных по фазе вентилей, называемому интервалом коммутации. В течении интервала коммутации ток в одном вентиле уменьшается от значения
до нуля, в другом увеличивается от нуля до значения
.
В период коммутации анализ схемы удобно производить методом наложения действий источников синусоидальных э.д.с. вторичных обмоток трансформатора и источника постоянного тока
, действующего за счет энергии, накопленной в магнитном поле сглаживающего дросселя
к началу коммутации.
Временные диаграммы токов и напряжений в трехфазном управляемом выпрямителе с нулевым выводом при активно-индуктивной нагрузке (
;
;
) приведены на рис. 2.
2. Расчет силовой части и выходных каскадов системы управления
Зададим падением напряжения на элементах схемы:
- на активном сопротивлении трансформатора:
;
- на вентилях:
В;
- на активном сопротивлении дросселя:
.
Определим максимальное и минимальное требуемое выпрямленное напряжение
,
, учитывая нестабильность и диапазон регулирования выходного напряжения, а также потери в элементах схемы:
,
,
.
где
В;
В;
В;
В;
В.
тогда
В,
В,
В.
Определим максимальные и минимальные токи нагрузки:

Определим максимальное и минимальное напряжение сети:
![]()
Рассчитаем минимальное и максимальное значение токов в первичной стороне трансформатора.

Зададим минимальный угол регулирования amin
=
и определим
:
![]()
![]()
Найдем
и коэффициент трансформации n.

![]()
тогда
![]()
Рассчитаем максимальные значения тока и напряжения на тиристорах.

Выбираем следующие тиристоры:
ТО 132-40-3 , паспортные данные которого приведены в приложении 3.
Определим максимальный угол регулирования amax .
![]()
![]()
Минимальное напряжение на выходе выпрямителя
находится из выражения:
(1)
(2)
Из (1) и (2) определяем
.
![]()

Зная
, находим максимальный угол регулирования amax
.
![]()
Определим параметры нулевого диода:
Максимальный ток через нулевой диод:
А.
Максимальное обратное напряжение на нулевом диоде:
В.
Выбираем следующий нулевой диод:
HER303, 3А, 200 В DO-27, паспортные данные которого приведены в приложении 3.
Произведем расчет трансформатора.
Определяем габаритную мощность трансформатора:
ВА.
Определяем тип магнитопровода: ТЛ20х32-54.
Определяем активное сопротивление трансформатора
и индуктивность рассеяния
обмоток трансформатора:
;
.
где
— плотность тока в обмотках трансформатора, А/мм2
;
— амплитуда магнитной индукции, Т.
Определяем
,
из [3]:
А/мм2
,
Т.
Определяем
,
:
Ом;
Гн.
Определим
:
Ом.
Максимальное значение тока вторичной обмотки трансформатора:
А;
Произведем расчет фильтра:
Определим необходимый коэффициент сглаживания индуктивно-емкостного фильтра по формуле
.
Для нашего случая
, тогда получим
.
При коэффициенте сглаживания
рекомендуется применять однозвенный фильтр, при
— двухзвенный, а трехзвенный — при
. Поскольку полученный нами коэффициент
лежит в пределах от 22 до 220 то, в соответствии с рекомендациями, применим двухзвенный фильтр.
Поскольку у нас
то достаточно фильтр с одного звена.
Коэффициент сглаживания индуктивно-емкостного фильтра можно определить как:
.
Определим произведение
:
.
Подставим числовые значения:
ФГн.
Индуктивность дросселя определим из условия непрерывности тока в нем:
.
Подставим числовые значения:
мГн.
Выбираем дроссель PV275-10,
со следующими параметрами: L=0.018 Гн, r = 0.2Ом, I = 20 A.
Падение напряжения на дросселе:
В.
Емкость конденсатора фильтра:
Ф.
Выбираем конденсатор КМ5Б-М47-1800мкф, 10%-"5, паспортные данные которого приведены в приложении 3.
3. Расчет пускового режима
Поскольку происходит коммутация тиристоров, то для расчета переходного процесса, заменяем нашу схему двумя эквивалентными, которые соответствуют двум интервалам работы схемы:
и
.
Элементы: трансформатор, тиристоры и диод заменяем моделями.
Эквивалентные схемы для двух периодов имеют вид:
1)
- период
:

Где:
— сопротивление тиристора;
— сопротивление дросселя.
Представим сумму сопротивлений
и
сопротивлением
.
Схема примет вид:

2) ![]()

Где:
— сопротивление тиристора;
— сопротивление трансформатора;
— сопротивление дросселя.
Представим сумму сопротивлений
,
и
сопротивлением
.
Схема примет вид:

Определим функции описывающие переходной процесс
Определим функции описывающие переходной процесс для двух период.
Используем операторный метод.
Определим значение
:
![]()
Определим значение
:
![]()
Для закона ома в операторной форме справедлива запись:
![]()
Но эта запись закона Ома справедлива для расчета переходного процесса в цепи при нулевых начальных условиях. Если же начальные условия не нулевые, форма записи закона Ома в операторной форме будет иметь вид:

где
— начальные условия токов в индуктивностях и напряжений на емкостях.
Составим схемы замещения и запишем уравнения описывающие переходной процесс с учетом начальных условиях (при нулевых начальных условиях
).
Для периода
:

Используя метод контурных токов, составим систему уравнений:
(1)
Представим это в виде:
(2)
где ![]()
![]()
![]()
![]()
Нахождение выражения для тока ![]()
Определим
через
:
![]()
Подставляем полученное выражение в первое уравнение системы (2):
![]()
![]()

Получаем выражение
через
,
,
и
:
(3)
Поскольку
и
, то:
![]()
![]()
Подставляя найденные выражения в (3), получим выражение тока
:

(4)
Нахождение выражения для тока ![]()
Определим
через
:
![]()
Подставляем полученное выражение в первое уравнение системы (2):
![]()
![]()
![]()

Получаем выражение
через
,
,
и
:
(5)
Поскольку
и
, то:
![]()
![]()
Подставляя найденные выражения в (5), получим выражение тока
:

(6)
Определяем значения токов в ветвях
![]()
![]()
![]()

![]()
![]()
![]()
Определим напряжение на емкости


Обратные изображения для Лапласа
Обратные изображения Лапласа для
и
находим в MathCad как функции от
,
:


Для периода
:

в операторной форме можно представить как ![]()
(1)
Представим это в виде:
(2), где ![]()
![]()
![]()
![]()
Нахождение выражения для тока
. Определим
через
:
![]()
Подставляем полученное выражение в первое уравнение системы (2):
![]()
![]()

Получаем выражение
через
,
,
и
:
(3)
Поскольку
и
, то:
![]()
![]()
Подставляя найденные выражения в (3), получим выражение тока
:

(4)
Нахождение выражения для тока ![]()
Определим
через
:
![]()
Подставляем полученное выражение в первое уравнение системы (2):
![]()
![]()
![]()

Получаем выражение
через
,
,
и
:
(5)
Поскольку
и
, то:
![]()
![]()
Подставляя найденные выражения в (5), получим выражение тока
:

(6)
Определяем значения токов в ветвях
![]()
![]()
![]()

![]()
![]()
![]()
Определим напряжение на емкости


Обратные изображения для Лапласа
Обратные изображения Лапласа для
и
находим в MathCad как функции от
,
:


Построим графики этих функция для при нулевых начальных условиях
с углом управления
:

Определяя значения функций в точке
и подставляя в те же формулы, методом припасовки строим график переходного процесса:


Первые три такта переходного процесса:


Первые девять тактов переходного процесса:


При установившемся режиме:


Составим таблицу (табл.. №1) значений токов (ток в дросселе) и напряжений (напряжение в конденсаторе) при номинальном угле регулирования
.
Таблица №1
| ti [c] | α [град] | I [A] | U [B] |
| 0.00112 | 0 | 3.458 | 12.13 |
| 0.00195 | 3.2 | 4.586 | 29.14 |
| 0.00278 | 12.5 | 7.23 | 51.7 |
| 0.00362 | 35.3 | 9.245 | 79.56 |
| 0.00445 | 43.6 | 10.25 | 104.21 |
| 0.00528 | 34.6 | 12.122 | 122.16 |
| 0.00612 | 34.0 | 12.895 | 137.78 |
| 0.00695 | 30.6 | 13.821 | 138.24 |
| 0.00778 | 28.9 | 12.456 | 148.7 |
| 0.00862 | 29.5 | 10.35 | 138.42 |
| 0.00945 | 30.1 | 8.523 | 135.13 |
| 0.01028 | 34.6 | 7.482 | 122.17 |
| 0.01112 | 39.1 | 7.121 | 112.48 |
| 0.01195 | 41.3 | 5.46 | 103.5 |
| 0.01278 | 44.7 | 4.158 | 97.29 |
| 0.01362 | 46.4 | 4.254 | 87.15 |
| 0.01445 | 47.0 | 4.341 | 86.11 |
| 0.01528 | 45.8 | 4.356 | 86.11 |
| 0.01612 | 44.7 | 4.598 | 86.56 |
| 0.01778 | 43.6 | 4.645 | 97.89 |
| 0.01862 | 41.3 | 4.832 | 102.45 |
| 0.01945 | 40.2 | 5.012 | 104.1 |
| 0.02028 | 39.1 | 5.124 | 105.26 |
| 0.02112 | 38.0 | 5.265 | 112.35 |
| 0.02195 | 36.8 | 5.345 | 114.87 |
| 0.02278 | 38.0 | 5.721 | 117.85 |
| 0.02362 | 36.8 | 5.864 | 105.21 |
| 0.02445 | 38.0 | 6.262 | 104.5 |
| 0.02528 | 39.1 | 6.441 | 104.12 |
| 0.02612 | 39.1 | 6.521 | 103.85 |
| 0.02695 | 40.2 | 6.247 | 103.33 |
| 0.02778 | 40.0 | 6.23 | 103.33 |
| 0.02862 | 41.2 | 6.286 | 103.21 |
| 0.02945 | 41.3 | 6.264 | 103.2 |
| 0.03028 | 41.3 | 6.245 | 103.2 |
Как видим, процесс стал полностью периодичен 35 такта, то есть получаем установившийся режим за 0.0291с.
С учетом ОС, идет стабилизация выходного напряжения. Стабилизированное напряжение при номинальном угле регулирования. Получаем формы напряжения на емкости и тока в индуктивности:


4. Расчет устойчивости системы в "малом" для установившегося режима
Принимаем следующие допущения: в открытом состоянии диод и тиристоры заменяются активными сопротивлениями, в закрытом — сопротивление этих ключей бесконечно большое (т.е. цепь разомкнута), индуктивность дросселя постоянна и не зависит от протекающего через него тока, емкость конденсатора не зависит от приложенного к нему напряжения. Эквивалентная схема управляемого выпрямителя показана на рис. 5, где
— сумма сопротивлений тиристора в открытом состоянии, обмоток трансформатора,
— активного сопротивление дросселя;
— сопротивление диода в открытом состоянии.

Рис. 5
На интервале
ключ
замкнут, ключи
,
,
разомкнуты, установившийся процесс описывается дифференциальными уравнениями:
(1)
где
;
,
— начальные значения соответственно тока и напряжения для установившегося процесса в момент
;
— период;
—
функция. Вентиль
включается в момент равенства напряжения на генераторе и напряжения сигнала ошибки
, напряжение
фиксируется в тактовые моменты времени; где
— коэффициент усиления сигнала ошибки
;
— напряжение опорного элемента. На интервале
ключ
замкнут,
, остальные ключи разомкнуты и система уравнений имеет вид:

Такую же систему (с заменой
на
и начальных значений тока и напряжения на
и
) можно получить на интервале
,
. Объединяя эти системы и используя вспомогательные функции
,
,
, получаем:
(2)
где
,
,
— функции принимающие значения 0 и 1,
.
Функции
,
,
изменяют свое соотношение с 0 на 1 при
(в момент равенства
), а с 1 на 0 — при
(в момент, когда ток, протекающий через тиристор, станет равным нулю).
При больших углах управления наступает режим когда включается диод
,
замкнут, а остальные разомкнуты. Дифференциальные уравнения примут вид:

где
— сопротивление диода
.
На интервале
ключ
размыкается, а
замыкается. Дифференциальные уравнения соответствуют (1) с начальными значениями тока и напряжения
,
. Аналогично можно записать уравнения на всех последующих интервалах постоянства структуры. Объединяя эти уравнения, получаем:
(3)
При уменьшении угла управления система (3) переходит в систему (2).
Устойчивость данной нелинейной системы рассчитываем в окрестности установившегося режима с помощью первого метода Ляпунова. Представим полученную систему в матричной форме:
(4)
где
![]()


(диод работает):
На интервале
дифференциальное уравнение:
, для
:
, где
;
; ![]()

Поскольку на всех последующих интервалах процесс повторяется с периодом
, устойчивость системы рассматриваем лишь на одном периоде. На интервале
происходит запирание тиристора
током
,а не в результате сравнения
. По этому
и
.
Решение системы для интервала
имеет вид:
,
где
— матричная экспонента.
.
;
;
;
.
На интервале
:
;
.
;
;
.
.
.
Определим значение матрицы
:

Следовательно, матрица
равна:
![]()
Решение системы для интервала
имеет вид:
,
где
— матричная экспонента.
.
;
;
.
Определим матрицу
:
.
.
Определим матрицу
:

Сделаем замену
:
.
Определим корни многочлена:
.
.
Поскольку корни многочлена
находятся внутри окружности единичного радиуса, то система является устойчивой.
Вывод
Данная курсовая работа позволяет сделать ряд выводов о методике расчета и характере процессов, протекающих в управляемом выпрямителе.
Использованные методы расчета и анализа являются достаточно эффективными, что видно по полученным данным. Высокая точность вычислений получена благодаря использования прикладной программы на ЭВМ, такой как MathCad2001.
Список использованной литературы
1. Руденко В.С., Сенько В.И., Чиженко И.М. — 2-е изд., пере раб. и доп. — Вища школа. Головное изд-во, 1983. — 431с.
2. В.Е. Китаев, А.А. Бокуеяев. — Расчет источников электропитания устройств связи. — М.: Связь, 1979. —216с.
3. Ромашко В.Я. — Основи аналізу дискретно-лінійних ланцюгів: Навч. Посібник. — К.: Либідь, 1993. — 120с.
4. Белопольский И.И. и др. Расчет трансформаторов и дросселей малой мощности. - М.; Энергия, 1973. - 400 с.
5. Источники электропитания на полупроводниковых приборах. Проектирование и расчет /Под ред.С.Д. Додика и Е.И.Гальперина. - М; Сов.радио, 1969. - 448 с.
6. Справочник по цифровой схемотехнике / В.И. Зубчук, В.П. Сигорский, А.Н. Шкурко. — К.: Техника, 1990. — 448 с.
Приложение 1

Приложение 2

Д – датчик
ИОН – источник опорного напряжения
И – интегратор
ГПН – генератор пилообразного напряжения
УСО – усилитель сигнала ошибки
Приложение 3
HER303, диод 3А, 200 В DO-27 нулевой диод
| Технические параметры | |
| Материал | кремний |
| Максимальное постоянное обратное напряже | 200 |
| Максимальное импульсное обратное напряже | 240 |
| Максимальный прямой (выпрямленный за пол | 3 |
| Максимально допустимый прямой импульсный | 150 |
| Максимальный обратный ток,мкА 25гр | 10 |
| Максимальное прямое напряжение,В при 25г | 1 |
| при Iпр.,А | 3 |
| Рабочая частота,кГц | - |
| Максимальное время обратного восстановле | 0.050 |
| Общая емкость Сд,пФ | - |
| Рабочая температура,С | -65…150 |
| Способ монтажа | В отверст. |
| Корпус | DO201AD |
КМ5Б-М47-1800пф, 10%-"5" конденсатор
| Технические параметры | |
| Тип | КМ5Б |
| Рабочее напряжение,В | 160 |
| Номинальная емкость | 1800 |
| Допуск номинала,% | 10 |
| Температурный коеффициент емкости | М47 |
| Рабочая температура,С | -60...125 |
| Выводы/корпус | Рад.пров. |
| Длина корпуса L,мм | 7.1 |
| Ширина корпуса W,мм | 5 |
ТО 132-40-3 тиристор
| Технические параметры | |
| Тип тиристора | оптронный |
| Повторяющееся имп. обр. напряжение(Urrm) | 300 |
| Повторяющийся имп. обр. ток(Irrm) и повт | 3 |
| Макс. допустимый сред. ток в откр. сост. | 40 |
| при температуре корпуса, C | 70 |
| Макс. допустимый действ. ток в откр. сос | - |
| Ударный ток в откр. сост., кА | 0.75 |
| при синус. однополупериодном импульсе т | 10 |
| Имп. напряжение в откр. сост., В | 1.75 |
| Пороговое напряжение, В | - |
| Крит. скорость нарастания тока в откр. с | - |
| Макс. крит. скорость нарастания напряжен | - |
| Отпирающее пост. напряжение упр., В | 2.5 |
| Отпирающий пост. ток упр., мА | 250 |
| Тепловое сопротивление переход-корпус, С | 0.47 |
| Температура перехода, С | - |
| Время включения, мкс, не более | 160 |
| Время выключения, мкс | - |
| Масса прибора, г | 25.5 |
| Конструктивное исполнение | штыревой c жестким выводом |