| Скачать .docx |
Курсовая работа: Радиоприемное устройство для приема сигналов типа F3EH
МГТУ ГА
Пояснительная записка
к курсовой работе
по теме:
“Радиоприемное устройство для приема сигналов типа F3EH”
Студент ХХХ
Руководитель проекта
Подпись
Минск 2000г.
Содержание.
Введение
1. Выбор и обоснование технических требований к устройству
2. Выбор и расчет структурной схемы РПрУ
2.1 Определение ширины полосы пропускания ВЧ тракта
2.2 Разбивка рабочего диапазона на поддиапазоны
2.3 Расчет параметров АРУ
2.4 Выбор транзисторов и расчет их параметров
2.5 Выбор промежуточной частоты
2.6 Определение типа, параметров и числа избирательных систем настроенных на частоту принимаемого сигнала
2.7 Определение типа, параметров и числа избирательных систем настроенных на промежуточную частоту
2.8 Выбор числа и типов усилительных каскадов
2.9 Анализ предварительного расчета
3. Электрический расчет
3.1 Расчет одноконтурной входной цепи в режиме удлинения
3.2 Расчет усилителя радиочастоты
3.3 Расчет преобразователя частоты
3.4 Расчет тракта промежуточной частоты
3.5 Расчет частотного детектора
3.6 Пасчет системы АРУ
3.7Расчет стереодекодера
3.8 Расчет системы частотной автоподстройки частоты
3.9 Конструктивный расчет
Введение
Радиоприемное устройство состоит из приемной антенны, радиоприемника и оконечного устройства предназначенного для воспроизведения сигналов. Радиоприемники можно классифицировать по ряду признаков, из которых основными являются: тип схемы, вид принимаемых сигналов, назначение приемника, диапазон частот, вид активных элементов, используемых в приемника, тип конструкции приемника.
По типу схем различают приемники детекторные, прямого усиления (без регенерации и с регенерацией), схерхрегенеративные и супергетеродинные приемники, обладающие существенными преимуществами перед приемниками других типов и широко применяемые на всех диапазонах приемников.
Принимаемые сигналы служат для передачи сообщений или измерения положения и параметров относительного движения объектов. Сигналы могут передавать сообщения от одного источника или нескольких. Для передачи информации используется изменение одного из параметров сигнала по закону изменения информационного сигнала. Используются: непрерывные колебания с изменяемой (модулированной) амплитудой, частотой или фазой; колебания, скачкообразно изменяемые (манипулированные) по амплитуде, частоте, или разности фаз; колебания с изменяемой амплитудой, частотой или фазой, которые обусловлены видеоимпульсами с амплитудной, широтной, временной, или дельта-модуляцией, а также кодовыми группами видеоимпульсов.
По назначению различают приемники связные, радиовещательные, телевизионные, радиорелейных и телеметрических линий, радиолокационные, радионавигационные и другие. Связные радиоприемники чаще всего служат для приема одноканальных непрерывных сигналов с АМ (с несущей и боковыми полосами), ОБП (однополосной) и ЧМ или дискретных сигналов с амплитудной манипуляцией, частотной или фазовой. Радиовещательные приемники (монофонические) принимают одноканальные непрерывные сигналы с АМ на длинных, средних и коротких волнах и с ЧМ на ультракоротких волнах. Приемники черно-белых телевизионных программ принимают непрерывные сигналы с АМ и частичным подавлением одной боковой полосы частот и звуковые сигналы с ЧМ. Приемники цветных телевизионных программ принимают также сигналы, создающие цветное изображение. Приемники оконечных станций радиорелейных и телеметрических линий обычно предназначены для приема и разделения каналов многоканальнальных сигналов с частотным и временным уплотнением.
Приемники промежуточных станций радиорелейных линий (наземных и спутниковых) отличаются от приемников оконечных станций тем, что в них не происходит разделения многоканальных сигналов.
Импульсные радиолокационные приемо-передающие станции обычно излучают зондирующие радиоимпульсы с фиксированными периодами следования, длительностью импульсов, амплитудой и несущей частотой. Приемники таких станций служат для приема части энергии зондирующих сигналов, отраженной от целей. Отраженные сигналы могут быть импульсными или непрерывными, причем информация о целях может содержаться в изменении во времени амплитуды (или отношения амплитуд) и частоты (или спектре) сигналов.
Согласно рекомендации МККР (Международного консультативного комитета по радио) спектр радиосвязи делится на диапазоны. Наиболее широко распространенные приемники работают в диапазоне 30кГц – 300ГГц (на волнах 10км – 1мм).
В качестве активных элементов каскадов приемников, работающих на частотах 30кГц – 300МГц, используются полупроводниковые приборы и электронные лампы. Предпочтение отдается полупроводниковым приборам благодаря их преимуществам (малые габаритные размеры и масса; низкие напряжения и токи питания; большой срок службы и механическая прочность). Состояние отечественной полупроводниковой и радиоприемной техники позволяет успешно преодолеть недостатки транзисторов (большой разброс и зависимость параметров от частоты, режима и температуры; низкие входные и выходные сопротивления; наличие внутренней обратной связи) и использовать их во всех каскадах приемников упомянутого диапазона без ухудшения работы приемников. Лампы применяются лишь в некоторых специальных приемниках и на более высоких частотах.
Приемники конструктивно выполняются из отдельных (навесных) активных и пассивных элементов с печатным или объемным монтажом или из готовых интегральных микросхем, представляющих собой каскады, узлы приемников и даже целые приемники.
Проектирование радиоприемников выполняется согласно техническому заданию. Обычно в техническом задании указываются: общие требования, требования к электрических характеристикам (диапазон принимаемых частот, чувствительность, избирательность, качество воспроизведения сигналов, определяемое частотными, нелинейными и фазовыми искажениями, а также искажениями импульсных сигналов; данные входов и выходов радиоприемника; параметры ручных и автоматических регулировок; излучение напряжения гетеродина в антенну, которое характеризует электромагнитную совместимость и так далее), конструктивные, механические, климатические, экономические, эксплуатационные требования (надежность). Приводится также методика измерения электрических характеристик, климатических и механических испытаний.
1. Выбор и обоснование технических требований к устройсву.
F – излучение с частотной модуляцией
3 – один канал аналоговой информации
Е – телефония (включая звуковое вещание)
Н – звук радиовещательного качества (стереофонический или квадрофонический).
Реальная чувствительность – 25 мкВ.
Избирательность по соседнему каналу – 90 дБ.
Избирательность по зеркальному каналу – 50 дБ.
Коэффициент регулирования АРУ – 60 дБ.
По данным коэффициента регулирования g выберем параметры АРУ а и р, где
(дБ) (1.1)
(дБ) (1.2)
(дБ) (1.3)
Выберем а=70дБ, тогда по формуле (3) р=10дБ.
Частотная модуляция используется как правило при передаче сигнала на УКВ. Исходя из этого возьмем для расчета диапазон УКВ с частотами [65.8 - 108] МГц.
ГОСТ накладывает требования к стереосигналу, они приведены в таблице:
| Диапазон воспроизводимых частот, Гц |
31,5… 15000 |
| Частота поднесущей, кГц |
31,25 |
| Коэффициент подавления несущей |
5 |
| Переходной затухание между стереоканалами, дБ |
>30 |
| Полоса частот, занимаемая передачей в эфире, кГц |
190 |
| Минимально допустимая ширина полосы пропускания , кГц |
165 |
| Ухудшение шумовых свойств по сравнению с моноприемом, дБ |
25 |
| Возможность использования в телевидении |
Есть |
Таб. 1.
Примечание: Характеристики даны при девиации несущей +(-)50кГц.
Такие параметры, как: мах модулирующая частота, полоса частот, занимаемая радиосигналом в эфире принимаем из таб.1.
Исходя из приведенных данных получаем технические требования к устройству.
2. Выбор и расчет структурной схемы РПрУ.
Проектирование приемника осуществляют по техническому заданию, в котором отражены его основные показатели. Однако в техническом задании отсутствует ряд требований, относящихся к отдельным каскадам и цепям приемника. Эти дополнительные требования можно получить на основе предварительного расчета, которому должен предшествовать выбор транзисторов.
При выборе структурной схемы нашего приемника будем основываться на требованиях задания по курсовому проектированию и требованиям ГОСТов.
Структурные схемы приемников различаются построением тракта радиочастоты, в котором может осуществляться прямое усиление входных сигналов и усиление их с преобразованием частоты.
В приемниках прямого усиления тракт радиочастоты содержит входную цепь (ВЦ) и усилитель поступающего с антенны радиосигнала – так называемый усилитель радиосигнала (УРС). В этом случае все резонансные цепи настроены на частоту принимаемого радиосигнала, на которой и осуществляется усиление. Входная цепь обеспечивает предварительную частотную селекцию до первого каскада УРС, а сам УРС – основную частотную селекцию и додетекторное усиление сигналов. Резонансные контуры ВЦ и УРЧ перестраиваются в пределах нужного диапазона рабочих частот. Так как обычно необходимы высокая избирательность и усиление, то может потребоваться несколько усилительных каскадов и резонансных контуров. Из-за конструктивной сложности реализации перестройки число контуров редко превышает 3...4. При этом усиление на радиочастоте может оказаться неустойчивым, а селективность недостаточной.
Для уменьшения числа усилительных каскадов и упрощения конструкции в тракте радиочастоты приемников прямого усиления используются регенеративные и суперрегенеративные усилители. В приемнике с регенеративным усилителем за счет положительной обратной связи в резонансный контур вносится отрицательное сопротивление, частично компенсирующее потери в нем, что увеличивает коэффициент усиления. Однако такие приемники обладают невысокой устойчивостью, так как работают в режиме близком к самовозбуждению. При этом возможно проникновение генерируемых колебаний в антенну, а их излучение ведет к усилению помех другим приемником, что крайне нежелательно с точки зрения электромагнитной совместимости.
В суперрегенеративном приемнике положительная обратная связь с УРС периодически изменяется с некоторой вспомогательной частотой, значительно превышающей частоту модуляции сигнала. Суперрегенеративному приемнику, как и регенеративному, свойственны искажения сигналов и интенсивные паразитные излучения, что не отвечает требованиям электромагнитной совместимости. Их достоинством является малая мощность источников питания при минимальных размерах и массе. Поэтому подобная структура используется для портативных приемников, допускающих большой уровень искажений.
Наибольшее распространение для подавляющего большинства радиосистем различного назначения получила супергетеродинная структура приемника с одно- или многократным преобразованием частоты (рис.2.1).
Часть приемника – преселектор, включающий ВЦ и УРС, подобен структуре приемника прямого усиления и обеспечивает чувствительность и предварительную селекцию по частоте. С выхода преселектора напряжение сигналов и помех поступает на преобразователь частоты (ПЧ), где происходит изменение несущей частоты сигнала ![]()
![]() |
Рис.2.1. Структурная схема приемника супергетеродинного типа
Для этого сигнал и колебания местного генератора - гетеродина (Г) одновременно воздействуют на смеситель (См), представляющий собой нелинейный или параметрический элемент.
В результате на выходе смесителя возникает колебание, содержащие
составляющие с частотой сигнала
и его гармоник, гетеродина
и его гармоник и большое число комбинационных составляющих с частотами
(n
,m
=0,1,2
...- целые числа). Одна из этих комбинационных частот и используется в качестве новой несущей частоты выходного сигнала, называется промежуточной частотой:
(2.1)
Поскольку сигнал несет в себе полезную информацию, в процессе преобразования частоты эта информация должна сохраняться, то есть ПЧ должен быть линейным. Таким образом, в процессе преобразования частоты происходит перенос спектра сигнала в область промежуточной частоты без нарушения амплитудных и фазовых соотношений его составляющих. Частотно-избирательные блоки, расположенные за смесителем, настроены на частоту
и называются усилителями сигналов промежуточной частоты (УСПЧ). Промежуточная частота
всегда фиксирована, не зависит от частоты принимаемого сигнала
и выбирается намного ниже частоты сигнала. Поэтому на частоте
легко обеспечить требуемое устойчивое усиление. Так как УСПЧ не перестраивается по частоте, то это позволяет получить в супергетеродинном приемнике высокую частотную избирательность при неизменной полосе пропускания, а также реализовать оптимальную фильтрацию сигнала от помех, применяя согласованные фильтры на промежуточной частоте. Таким образом, в супергетеродинном приемнике устраняются основные недостатки приемника прямого усиления.
Наиболее часто, ввиду своих достоинств, применяется супергетеродинная схема.
Разрабатываемый приемник работает в диапазоне УКВ, с частотной модуляцией.
2.1. Определение ширины полосы пропускания ВЧ тракта.
Полоса пропускания высокочастотного тракта без системы АПЧ определяется формулой:
, (2.2)
где
- ширина спектра принимаемого сигнала, Dfсп
=190 кГц,
dс ,dг - относительная нестабильность несущей частоты сигнала dс =0 и частоты гетеродина,dг =10-3 (гетеродина по схеме с общим эмиттером, без кварцевой стабилизации),
dпр =10-3 , относительная нестабильность собственной частоты контуров тракта ПЧ приемника,
dн =10-3 , относительная погрешность установки при беспоисковой настройке,
Fд мах =0, мах доплеровский сдвиг частоты (считаем приемник не передвигается с большой скоростью).
Fпр =10.7 МГц, промежуточная частота. Она будет определена и выбрана ниже, также будет доказано, что достаточно одного преобразователя частоты для обеспечения требований связанных с избирательностью по зеркальному каналу.
Подставляя приведенные данные в (4) получим,
Пf »400кГц
Для решения вопроса о необходимости применения АПЧ вводим коэффициент расширения полосы пропускания:
(2.3)
Так как
, то целесообразно применение системы АПЧ. В этом случае необходимую полосу пропускания приемника находим по следующей формуле:
(2.4)
где КЧАП – коэффициент подстройки системы ЧАП, КЧАП =15,
![]()
2.2 разбивка рабочего диапазона на поддиапазоны
Выбор способа разбивки диапазона частот приемника на поддиапазоны определяется следующими факторами:
А) классом приемника, назначением, условиями экспулатации;
Б) диапазоном рабочих частот и способом перестройки приемника поддиапазоне;
В) видом системы установки и индикации частоты настройки.
В целях унификации аппаратуры примем предопределенные решением ГКРЧ от 27.06.95 Протокола №6 поддиапазоны принимаемых частот таб.1. На вопрос о практической реализуемости КД =1.22, с помощью варикапов можно обеспечить КД порядка 1.2 – 1.6.
Название поддиапазона |
Диапазон частот, МГц |
КД |
УКВ-1 |
65.8 – 74 |
1.109 |
| УКВ-2 |
88 – 108 |
1.22 |
Таб.1
2.3 Расчет параметров АРУ
Принимаем схему АРУ, в которой регулировка усиления производится путем изменения тока эмиттера.
Принимаем степень изменения коэффициента усиления одного регулируемого каскада Л=10 раз.
Требуемое изменение коэффициента усиления приемника под действием АРУ нам задано Лм =60 дБ
Необходимое число регулируемых каскадов
(2.5)
Количество регулируемых каскадов принимаем равным 3.
2.4 Выбор транзисторов и расчет их параметров
Выбор транзисторов для высокочастотного тракта приемника необходимо производить из следующих соображений:
1) превышение предельной частоты усиления fг в несколько раз (5 - 10) по сравнению с максимальной рабочей частотой транзистора в данной конструкции:
2) наличие параметров обеспечивающих выполнение заданных требований;
3) минимальная стоимость.
В качестве усилительного элемента пригоден транзистор КТ399, его параметры приведены в таб.2.
| Ск , пФ |
tк , пс |
h21э |
fг ,ГГц |
Uэрли ,В |
Кш ,дБ |
| 1.7 |
8 |
100 |
1.8 |
100 |
2 |
Таб.2.
Выбираем режим работы транзистора, при котором Ik =3.5мА, при данном значении оптимальный коэффициент шума.
Дифференциальное сопротивление базы
(2.6)
Входное сопротивление БТ по схеме с ОБ
(2.7)
Определяем активные и реактивные составляющие Y параметров на частоте fmax =108 МГц.
Для этого предварительно находим вспомогательные коэффициенты
(2.8)
(2.9)
(2.10)
Выходная полная проводимость в режиме полного сигнала (в схеме с ОБ)
(2.11)
Активная составляющая выходной полной проводимости Y22
(2.12)
Полная проводимость прямой передачи
(2.13)
где jк =0.26 мВ – температурный потенциал.
Поскольку транзистор работает с большим запасом по частоте, то за коэффициент усиления на рабочей частоте можно принять
, докажем это
(2.14)
Выходная емкость
(2.15)
Полная проводимость обратной передачи
(2.16)
Емкость обратной связи
(2.17)
Поскольку транзистор работает с большим запасом по частоте, то входную емкость определим по формуле
(2.18)
Расчет параметров на ПЧ производим по формулам 2.8 – 2.18, результаты расчета приведены ниже.
![]()
![]()
![]()
![]()
![]()
![]()
![]()
![]()
![]()
В параметры транзистора в режиме преобразования
(2.19)
(2.21)
(2.22)
![]()
![]()
2.5 Выбор промежуточной частоты
Величина промежуточной частоты (ПЧ) выбирается из следующих соображений:
1) ПЧ не должна находиться в диапазоне частот приемника или близко от границ этого диапазона;
2) ПЧ не должна совпадать с частотой какого либо мощного передатчика;
3) Для получения хорошей фильтрации ПЧ на выходе детектора должно выполняться следующее условие:
(2.23)
4) С увеличением fпр :
- увеличивается избирательность по зеркальному каналу (ЗК);
- уменьшается избирательность по соседнему каналу (СК);
- уменьшаются входное и выходное сопротивление электронных приборов, что приводит к шунтированию контуров, а также понижается крутизна характеристики транзисторов;
- ухудшается устойчивость УПЧ;
- уменьшается вредное влияние шумов гетеродина на чувствительность приемника;
- облегчается разделение трактов ПЧ и НЧ;
- увеличивается надежность работы АПЧ и так далее.
С уменьшением fпч свойства описанные в п. 4, становятся диаметрально противоположными.
Применение двукратного преобразования частоты позволяет использовать достоинства высокой и низкой ПЧ, однако при этом происходит значительное усложнение схемы.
Исходя из выше сказанного, выбираем схему с однократным преобразованием частоты, причем ПЧ ниже минимальной частоты принимаемого сигнала – нижнее преобразование.
МСЭ – Р рекомендуются несколько значений fпр , нам подходит одна из них fпр =10.7МГц, докажем это.
Наихудшая избирательность по зеркальному каналу будет на верхней частоте диапазона поэтому произведем доказательство только для нее.
Реализация схемы с одним преобразованием частоты возможна при выполнении условия
(2.24)
Оно выполняется 526.829<3229
Выбираем fпч исходя из следующего условия:
(2.25) где
(2.26)
(2.27)
Исходя из полученного и получаем fпч =10.7 (МГц)
2.6 Определение типа, параметров и числа избирательных систем настроенных на частоту принимаемого сигнала
В приемниках супергетеродинного типа ТРЧ обеспечивает:
- избирательность по ЗК;
- избирательность по ПЧ;
- ослабление помех станций способных вызвать появление в преобразователе перекрестной модуляции
Определяем максимально допустимую добротность контуров, обеспечивающую заданное ослабление на краях полосы пропускания
(2.28)
где f’ min - минимальная частота поддиапазона, кГц;
П – ширина полосы пропускания, кГц;
nc – число одиночных избирательных систем настроенных на частоту принимаемого сигнала, возьмем nc =2;
sП – ослабление на краях полосы пропускания, sП =2 (6дБ).
Необходимая добротность Qи обеспечивающая заданную избирательность по зеркальному каналу при применении индуктивной связи с антенной
(2.29)
где fзмах =f’ max -2fпр – максимальная частота зеркального канала;
f’ max – максимальная частота поддиапазона, кГц;
fпр – промежуточная частота, кГц;
sз – избирательность по зеркальному каналу, sз =316.22;
Возможная эквивалентная конструктивная добротность контура (с учетом шунтирования контура транзистором y=0.8)
(2.30)
где Qk – конструктивная добротность контура, Qk =150.
Проверяем выполнение условия:
![]()
Из полученных ранее значений видно, что оно выполняется, в этом случае примем эквивалентную добротность контура немного больше Qu . Принимаем число контуров nc =2 (одноконтурная входная цепь и резонансный УРЧ), и эквивалентное качество контура Qэмах =65 (на максимальной частоте поддиапазона), при этом обеспечивается требуемое ослабление на краях полосы пропускания и избирательность по ЗК лутше заданной.
Находим эквивалентную добротность контура на нижней частоте поддиапазона.
(2.31)
Так как Qэ min =83.48<QП =338 расчет произведен верно и окончательно принимаем: nc =2; Qэ max =65; Qэ min =83.48.
Для крайних точек поддиапазона f’ min , f’ max определяем:
a) вспомогательные коэффициенты:
(2.32)
где Δfс – растройка, прн которой задана избирательность по соседнему каналу, Δfс =300кГц.
(2.33)
(2.34)
(2.35)
б) зеркальные частоты
(2.36)
(2.37)
в) избирательность по соседнему каналу на максимальной частоте
(2.38)
на минимальной частоте
(2.39)
г) ослабление на краях полосы
(2.40)
(2.41)
д) избирательность по зеркальному каналу
(2.42)
(2.43)
Так как σз min =69.72> σз max =56.62> σз =50 дБ, исходные данные выполнены.
е) избирательность по промежуточной частоте
(2.44)
2.7 определение типа и числа избирательных систем настроенных на промежуточную частоту
Избирательность по соседним каналам в основном реализуется в тракте промежуточной частоты, с помощью сложных избирательных систем. В качестве избирательных систем в ТПЧ будем применять пьезокерамические фильтры (ПКФ) типа ФП1П-049Б (полоса пропускания по уровню 6дБ – (200-280)кГц), обладающие по сравнению с ФСС следующими достоинствами:
- малая критичность к изменению нагрузочных сопротивлений позволяет подключать их к базе транзисторов непосредственно;
- постоянство ЧХ;
- небольшие размеры, вес;
- технологичность изготовления.
Определим ослабление на краях полосы пропускания σпу и избирательность по соседнему каналу σcу , которые должен обеспечить ТПЧ:
(2.45)
(2.46)
где σп и σс – ослабление и избирательность, заданная для ВЧ тракта приемника;
σп max , σcmin – ослабление на краях полосы пропускания и избирательность по соседнему каналу ТПЧ в наихудших точках всех поддиапазонов приемника.
Поскольку фильтр ФП1П-049Б обеспечивает избирательность 26дБ, то для получения требуемой селекции СК будем использовать 3 таких фильтра. Общая избирательность 72 дБ. Недостающие 16 дБ способны дать широкополосные колебательные контура согласующие преобразователь частоты и ПКФ, УПЧ и ПКФ.
Определяем требования по избирательности σсш и ослабление на краях полосы пропускания σпш для широкополосного контура
(2.47)
(2.48)
где σфп =4дБ – ослабление на краях полосы пропускания ПКФ;
σфс =72дБ – избирательность по соседнему каналу обеспечиваемая ПКФ.
Допустимая добротность контуров обеспечивающая заданное ослабление на краях полосы пропускания
(2.49)
Необходимая добротность
(2.50)
Возможную эквивалентную добротность определим по формуле (2.30), приняв Qk =75, Ψ=0.17
![]()
Эквивалентную добротность контура принимаем равной Qэкв
max
=50 (чтобы выполнялось условие
).
Находим вспомогательные коэффициенты
(2.52)
(2.53)
Избирательность по соседнему каналу
(2.54)
Ослабление на краях полосы пропускания
(2.55)
Ослабление на краях полосы пропускания ВЧ тракта приемника
(2.56)
Избирательность по соседнему каналу
(2.57)
2.8 Выбор числа и типов усилительных каскадов
Определим требования к коэффициенту шума первого усилительного каскада преселектора, остальными мы пренебрегаем виду малого оказываемого ими влияния.
(2.58)
где
- входное отношение сигнал помеха, его нужно иметь таким для обеспечения работы частотного детектора в надпороговом режиме и получения выигрыша;
Е – реальная чувствительность заданная в единицах напряженности вТЗ;
К=1.38·10-23 Дж/град – постоянная Больцмана;
Пш »1.1·П=225.5кГц – шумовая полоса линейного тракта;
Т0 =293 К – стандартная температура приемника;
RA »50 Om;
EП =1мкВ/м – средний уровень помех днем;
Из справочника по графикам для КТ399 находим Кш @ 0.1(дБ)=1.012.
Требуемое усиление линейного тракта находим как
(2.59)
где Uупч =0.1 В, напряжение на выходе последнего каскада УПЧ;
Еа =25мкВ/м – заданная по ТЗ чувствительность;
hд – действующая высота антенны, находится по формуле для несимметричного вибратора
(2.60)
где l=4.68 м – длинна волны сигнала;
l=1 м – длинна телескопической антенны.
Поскольку коэффициент усиления каскада, с точки зрения устойчивой работы, не может быть больше устойчивого коэффициента усиления, то коэффициент усиления каскада примем равным устойчивому коэффициенту усиления на максимальной рабочей частоте.
При использовании транзистора КТ399, он нам подходит по коэффициенту шума, в УРЧ его коэффициент усиления составит
(2.61)
где S – крутизна ВАХ, мА/В;
f’ max – максимальная рабочая частота, МГц;
Ск – емкость перехода коллектор-база, пФ.
Коэффициент усиления ПЧ рассчитываем по (2.61).
![]()
Для каскада УПЧ коэффициент усиления так же рассчитываем по (2.61).
![]()
Общее усиление до детектора
(2.62)
где Квц =0.5 – коэффициент передачи входной цепи;
nурч =1, nупч =3 – количество каскадов в УРЧ и УПЧ соответственно, для начала зададимся приведенными цифрами.
Поскольку К0 min <Kобщ , то расчет произведен верно и принимается схема с одним УРЧ и тремя УПЧ.
Коэффициент усиления выбран с запасом по следующим причинам:
1. Уменьшение коэффициента усиления в результате старения элементов;
2. В предварительном расчете не учитывались затухания вносимые избирательными системами, стоящими в тракте ПЧ;
3. Уменьшения напряжения источника питания питания в результате эксплуатации;
4. Необходимость учесть расстройку контуров.
2.9 Анализ предварительного расчета
На основании предварительного расчета составляем структурную схему рис.2.2. Результаты расчета сведены в таб.3, там же приведены параметры которые должен обеспечить приемник.
| Параметр |
Заданный в задании |
Полученный в результате расчета |
|
| Чувствительность мкВ/м |
25 |
||
| Избира-тельность |
СК |
50 |
69.72 |
| ЗК |
90 |
90.51 |
|
| ПЧ |
92.17 |
||
| Диапаз. приним. частот |
65.8 – 108 |
||
| Количество каскадов |
УРЧ |
1 |
|
| УПЧ |
3 |
||
| Охв. АРУ |
3 |
||
Таб3.
![]() |
Рис2.2.
3. Электрический расчет.
3.1 Расчет одноконтурной входной цепи в режиме удлинения
Принципиальная схема приведена на рис3.1.

Рис3.1.
Особенностью данной схемы является встречно-последовательное включение варикапов 2В105А и применение в качестве коммутирующего элемента p-i-n диода типа 2А510.
Параметры варикапа приведены в таблице 3.1.
| Тип варикапа |
Сmax пФ |
Сmin пФ |
Qv |
| 2В105А |
600 |
400 |
500 |
Таб.3.1
За счет встречно-последовательного включения средняя емкость варикапов изменяется значительно меньше, чем при использовании одного варикапа, к тому же обеспечивается компенсация четных гармоник.
С помощью p-i-n диода происходит подключение конденсатора С2 , который обеспечивает переключение диапазона частот.
Схема работает в режиме удлинения, это обеспечивается путем подключения параллельно Lсв “удлиняющей емкости”, в нашем случае это паразитная емкость антенны. При этом обеспечивается более равномерный коэффициент передачи по диапазону.
Находим минимальную емкость контура
(3.1)
где Сmin – минимальная емкость варикапа;
Сm =8 пФ – емкость монтажа;
C1 =2 пФ – межвитковая емкость катушки;
Cвхсл =11.8 пФ – входная емкость следующего каскада;
м=0.5 – коэффициент включения первого усилительного каскада в контур.
При последовательном включении варикапов общую емкость находим как
(3.2)
(3.3)
Найдем для проверки выполнения условий предварительного расчета коэффициент перекрытия диапазона
(3.4)
По формуле 3.1 получим ![]()
Индуктивность контура
(3.5)
где f0 max =108 МГц – максимальная частота принимаемого сигнала;
Частота антенного контура
(3.6)
где Кудл =0.5 – коэффициент удлинения;
f0 min =65.8 МГц – минимальная частота принимаемого сигнала.
Индуктивность катушки связи
(3.7)
где Са =28пФ – емкость антенны.
Далее расчет будем вести для шести частот (65.8, 69.4, 72.5, 89, 98, 108), результаты сведем в таблицу 3.2.
Находим емкость контура необходимую для настройки на приведенные частоты.
(3.8)
Величину емкости С2 найдем как (472.7-213)пФ=259.7пФ.
Конденсатора такой емкости нет, для получения необходимой емкости соединяем параллельно конденсаторы 240 и 20пФ.
Трансформирующий множитель
(3.9)
Сопротивление потерь катушки связи
(3.10)
где QL 1 =30 – добротность катушки связи.
Сопротивление потерь антенной цепи
(3.11)
где Rа =73 Ом – сопротивление антенны.
Волновое сопротивление контура
(3.12)
Сопротивление потерь контура
(3.13)
где Qкк =150 – конструктивная добротность контура
Показатель связи антенны с контуром
(3.14)
Коэффициент расширения полосы пропускания
(3.15)
Эквивалентная добротность контура
(3.16)
Коэффициент передачи входной цепи
(3.17)
Избирательность по зеркальному каналу
(3.18)
где
- абсолютная растройка;
- частота зеркального канала.
Избирательность по каналу прямого прохождения
(3.19)
Недостающую избирательность по зеркальному каналу обеспечит УРЧ.
| F МГц |
65.8 |
69.4 |
72.5 |
89 |
98 |
108 |
| Cк пФ |
573.8 |
515.9 |
472.7 |
313 |
258.7 |
213 |
| аа |
0.01 |
0.01 |
0.0097 |
0.009 |
0.0087 |
0.0085 |
| RL1 Ом |
11.3 |
11.9 |
12.52 |
15.37 |
16.93 |
18.05 |
| Rац Ом |
84.3 |
84.9 |
85.52 |
88.37 |
89.93 |
91.65 |
| r Ом |
4.21 |
4.44 |
4.63 |
5.69 |
6.27 |
6.91 |
| Rk Ом |
0.036 |
0.038 |
0.04 |
0.049 |
0.054 |
0.06 |
| Аа |
4.02 |
4.49 |
4.9 |
6.88 |
7.86 |
8.89 |
| Da |
1.24 |
1.22 |
1.204 |
1.145 |
1.127 |
1.112 |
| Qэ |
92.47 |
94.4 |
95.82 |
100.74 |
102.36 |
103.71 |
| К0 |
0.479 |
0.474 |
0.469 |
0.454 |
0.449 |
0.445 |
| Sзк дБ |
37.45 |
37.05 |
36.7 |
34.98 |
34.145 |
33.29 |
| Sпч дБ |
54.85 |
55.53 |
56.05 |
58.33 |
59.33 |
60.31 |
Таб 3.2
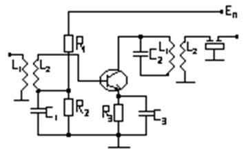
3.2 Расчет усилителя радиочастоты
принципиальная схема приведена на рис3.2.

Рис3.2. Принципиальная схема УРЧ
Комбинированная связь позволяет выровнять коэффициент передачи в пределах поддиапазона.
В контуре УРЧ так же применяем встречно-последовательное соединение варикапов. Как и в предыдущем случае Сvmin =200пФ, Сvmax =300пФ.
Находим минимальную емкость контура
(3.20)
где м1, м2 – коэффициенты включения предыдущего и последующего каскадов в контур соответственно м1=м2=0.23;
Спосл =11пФ – входная емкость преобразователя частоты;
Спред =2.79пФ – выходная емкость УРЧ;
С6 =5.1пФ – добавочная емкость, служащая для выравнивания величин катушек индукцивности контуров ВЦ и УРЧ;
См =8пФ – емкость монтажа.
Индуктивность контура
(3.21)
Находим собственную частоту коллекторной цепи
(3.22)
где n=2 – коэффициент удлинения.
Определяем индуктивность катушки связи
(3.23)
Значение С3 выбираем так, чтобы индуктивности L1 , одного порядка с L2 , С3 =1нФ.
Найдем емкость контура необходимую для настройки УРЧ на частоты приведенные в таб 3.2. Так же как и в предыдущем пункте, результаты расчетов сведем в таб 3.3
(3.24)
Величину емкости С8 найдем как 476.7-214.8=261.9 пФ.
Поскольку конденсатора такой величины нет, то для получения необходимой емкости соединяем параллельно конденсаторы 240 и 20 пФ.
Параметр связи р0 выбираем из следующих условий:
1) Обеспечение устойчивой работы каскада;
2) Увеличение затухания колебательного контура не более чем на 25%;
3) Смещение настройки контура не более чем на половину полосы пропускания;
4) Обеспечение требуемого коэффициента усиления.
Согласно первому условию параметр связи:
(3.25)
где Gпосл =0.96мСм – входная проводимость преобразователя частоты;
Cпр =1.7пФ – проходная емкость транзистора;
Согласно второму условию
(3.26)
где Gкэ =43.7мСм – внутренняя проводимость транзистора;
Поскольку коэффициенты включения малы, а необходимое изменение емкости контура, нужное для перестройки по частоте, значительно больше возможного значения входных и выходных емкостей транзисторов, то третье условие можно опустить.
Согласно четвертому условию
(3.27)
где Gпред =57.6мкСм – выходная проводимость УРЧ;
к0 =5.38 – требуемый от УРЧ коэффициент усиления.
Из всех полученных значений выбираем наименьшее, р0 =0.216.
Находим проводимость нагрузки
(3.28)
Рассчитываем коэффициент взаимоиндукции М и емкость связи С5 , обеспечивающие постоянства коэффициента усиления на крайних частотах поддиапазона.
Вспомогательные коэффициенты
(3.29)
где Gн max , Gн min – проводимость нагрузки в конце и в начале поддиапазона соответсвенно.
(3.30)
(3.31)
где f – значение частоты, при которой определено значение параметра р.
(3.32)
Принимаем С5 =300пФ.
Находим коэффициент связи
(3.33)
Коэффициент усиления по напряжению
(3.34)
Устойчивый коэффициент усиления транзистора по схеме с ОЭ
(3.35)
В любой точке поддиапазона, для предотвращения самовозбуждения, коэффициент устойчивого усиления должен быть больше коэффициента усиления, обеспечиваемого УК, проверим выполнение этого условия на верхней частоте диапазона
![]()
Условие выполняется следовательно усилитель будет работать устойчиво.
Находим эквивалентную добротность контура
(3.36)
Рассчитываем избирательность усилителя.
Для одноконтурного усилителя величину избирательности можно определить по следующей формуле
(3.36)
где f0 – частота принимаемого сигнала;
f – частота помехи, для зеркального канала f=f0 -2·fпр , для канала прямого прохождения f=fпр .
Определим избирательность по побочным каналам, обеспечиваемую ВЦ и УРЧ.
(3.37)
Поскольку рассчитанная избирательность больше чем заданная ТЗ, то расчет произведен верно.
| f0 ,МГц |
65.8 |
69.4 |
72.5 |
89 |
98 |
108 |
| Сk ,пФ |
578.7 |
520.3 |
476.7 |
316.3 |
260 |
214.8 |
| р01 |
0.216 |
0.236 |
0.253 |
0.34 |
0.385 |
0.436 |
| р02 |
3.313 |
3.72 |
4.061 |
6.024 |
7.165 |
8.49 |
| р04 |
1.119 |
1.222 |
1.309 |
1.758 |
1.996 |
2.258 |
| Gk ,мСм |
2.134 |
2.026 |
1.941 |
1.591 |
1.449 |
1.32 |
| Qэ |
112.1 |
111.94 |
111.81 |
111.11 |
110.7 |
110.31 |
| Dзк , дБ |
34.86 |
38.73 |
41.322 |
50 |
53.06 |
55.169 |
| Dпч , дБ |
61.07 |
60.76 |
60.54 |
59.76 |
59.49 |
59.169 |
| Dобзк , дБ |
72.31 |
75.78 |
78.02 |
84.98 |
87.205 |
89.094 |
| Dобпч ,дБ |
115.92 |
116.3 |
116.59 |
118.09 |
118.82 |
119.479 |
Таб 3.3
Определяем элементы схемы питания и цепей фильтрации.
Сопротивление термокомпенсации R3
(3.38)
где R4 =910(Ом) – сопротивление фильтра (этим значением мы задаемся);
Uк =8В – напряжение Uкэ в выбранной рабочей точке.
Принимаем R3 =240(Ом).
Находим величину сопротивления резистора R1
(3.39)
где V=3 – коэффициент нестабильности схемы;
Принимаем R1 =2.7кОм
Находим величину сопротивления резистора R2
(3.40)
Принимаем R2 =620(Ом)
Емкость в цепи эмиттера С2 равна
(3.41)
Принимаем С2 =820пФ.
Определяем входное сопротивление УРЧ
(3.42)
Разделительную емкость С1 найдем как
(3.43)
Принимаем С1 =62пФ.
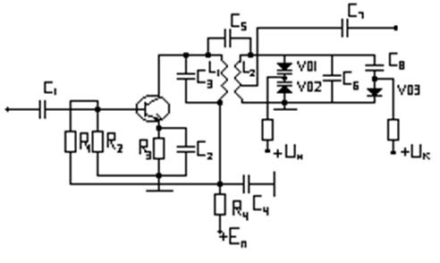
3.3 Расчет преобразователя частоты
Выбираем схему с отдельным гетеродином и общим эмитером, принимаемый сигнал будем подавать на базу, а колебание гетеродина в эмиттер.
Этим достигается обеспечение меньшей взаимной связи между цепями гетеродина и сигнала, а также обеспечивается более высокая стабильность частоты. Связь гетеродина и смесителя – трансформаторная. Нагрузкой преобразователя является ПКФ. Согласование транзистора смесителя с ПКФ осуществляется через широкополосный контур С2 , L1 . Дроссель L5 создает протекание тока через p-i-n диод VD3. Принципиальная схема приведена на рис3.3.

Рис 3.3
Определяем коэффициент шунтирования контура выходным сопротивлением транзистора и входным сопротивлением фильтра, допустимый из условия обеспечения требуемого коэффициента усиления:
(3.44)
где кт =3.2 – требуемое усиление;
Sпр =55мА/В – крутизна ВАХ транзистора VT1;
Rвыхпр =30.8кОм – выходное сопротивление VT1;
sвн =3.16 раз – затухание вносимое фильтром.
Определяем конструктивное и эквивалентное затухание широкополосного контура
(3.45)
где Qэ =28 – добротность широкополосного контура, Qэш =28
(3.46)
Определяем характеристическое сопротивление контура, принимая коэффициент включения в цепи коллектора m1 =1
(3.47)
Определяем коэффициент включения в контур со стороны фильтра
(3.48)
где Rвхф =330 Ом – входное сопротивление ПКФ.
Эквивалентная емкость схемы
(3.49)
Емкость контура
(3.50)
где Свыхпр =2.79пФ – выходная емкость транзистора преобразователя частоты.
Принимаем С2 =220пФ.
Определяем действительную эквивалентную емкость схемы
(3.51)
Индуктивность контура
(3.52)
Действительное характеристическое сопротивление
(3.53)
Резонансный коэффициент усиления преобразователя
(3.54)
Индуктивность катушки связи с фильтром, приняв Ксв =0.4
(3.55)
Рассчитываем элементы, определяющие режим работы транзистора и фильтров в цепи питания.
Положим рабочая точка преобразователя та же, что и в УРС, расчет производим по формулам 3.38 – 3.40, 3.42, 3.43.
R1 =2.7(кОм)
R2 =620(Ом)
R3 =240(Ом)
R7 =910(Ом)
Определяем входное сопротивление УРЧ
(3.56)
Разделительную емкость С1 найдем как
(3.57)
Принимаем С1 =56пФ.
Расчет гетеродинной части.
Частоту гетеродина принимаем ниже частоты сигнала. Покольку диапазон узок, а полоса приемника довольно большая, то будем производить сопряжение только в одной точке, на средней частоте поддиапазона.
(3.58)
В связи с тем что контур гетеродина будет работать в двух поддиапазонах, то в дальнейшем будем производить расчет для двух поддиапазонов отдельно.
![]()
![]()
Эквивалентная емкость варикапа на средней частоте
(3.59)
(3.60)
где Сmin , Cmax – минимальная, максимальная емкости варикапов;
Cl =2пФ – емкость катушки индуктивности;
Cm =8пФ – емкость монтажа;
M3 =0.2 – коэффициент включения транзистора VT2 в контур гетеродина;
C10 =315.5 пФ – емкость, служащая для переключения контура на другой поддиапазон.
Индуктивность контура гетеродина
(3.61)
где fгср =fср -fпч – средняя частота гетеродина
fсгр1 =58.7(МГц)
fсгр1 =83.3(МГц)
Величина сопротивления стабилизирующего эмиттерный ток, принимая Umemin =60мВ и Iэнач =1мА
(3.62)
Принимаем R6 =680 Ом.
Полное сопротивление контура гетеродина при резонансе на максимальной частоте
(3.63)
![]()
![]()
Принимаем коэффициент обратной связи ксв =0.4, уточняем коэффициент связи м3
(3.64)
![]()
![]()
Определяем величины емкостей контура на максимальной частоте поддиапазона.
а) вспомогательные емкости
С1в =10(пФ)
(3.65)
(3.66)
(3.67)
б) действительные емкости контура
(3.68)
Принимаем С7 =1.8нФ.
(3.67)
Принимаем С3 =4.3нФ.
(3.68)
Принимаем С4 =10пФ.
Задавшись коэффициентами связи между катушками L3 и L4 , m34 =0.1 и kтк =0.3, получим
(3.67)
Определяем номиналы резисторов
(3.68)
Принимаем R4 =10кОм.
(3.69)
Принимаем R5 =1.1кОм.
(3.70)
Принимаем С9 =С11 =430пФ.
Величины конденсаторов С6 , С8 , стоящие для предотвращения смещения рабочей точки варикапов, выбираем из условия минимального сопротивления переменному току на самой низкой частоте.
С6 =С8 =0.1мкФ.
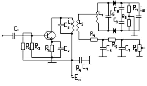
3.4 Расчет тракта промежуточной частоты
Принципиальная схема усилителя промежуточной частоты представлена на рис3.4. В тракте промежуточной частоты будут использованы три полностью аналогичных каскада.

Рис3.4
Находим величины элементов связи.
(3.71)
где к2 =0.8 – коэффициент связи
Wб =330 Ом – выходное сопротивление ПКФ.
(3.72)
Расчет элементов С2 , L3 ,L4 можно произвести по формулам 3.44 – 3.45.
Результаты расчета сведены в таблицу 3.4.
| y |
r Ом |
м2 |
С2 пФ |
L3 мкГн |
К0 |
L4 мкГн |
| 0.663 |
112.36 |
0.138 |
130 |
1.66 |
17.019 |
0.19 |
Сопротивление термокомпенсации R3
(3.73)
Uк =8В – напряжение Uкэ в выбранной рабочей точке.
Принимаем R3 =1(кОм).
Находим величину сопротивления резистора R1
(3.74)
где V=3 – коэффициент нестабильности схемы;
Принимаем R1 =5.7кОм
Находим величину сопротивления резистора R2
(3.75)
Принимаем R2 =3(кОм)
Емкость в цепи эмиттера С3 равна
(3.76)
Принимаем С3 =620пФ.
Емкость С1 =0.1 мкФ из соображений минимального сопротивления на рабочей частоте.
3.5 Расчет частотного детектора
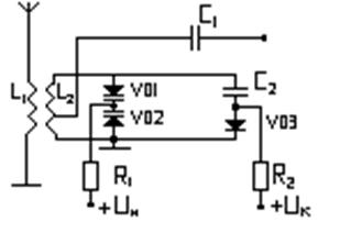
Особенностью детектора отношений (дробного детектора), приведенного на рис 3.5, является его способность к подавлению паразитной амплитудной модуляции, что позволяет использовать этот тип детектора без предварительного ограничения амплитуды входного сигнала. К тому же дробный детектор более чувствителен и требует на входе напряжения порядка 0.05 – 0.1 В. Благодаря этим свойствам детектор отношений нашел широкое применение в технике радиоприемных устройств.

Рис 3.5
Определяем индуктивность катушки L3 , при условии, что L1 =0.849мкГн.
(3.77)
Находим конструктивные коэффициенты связи между индуктивностями L1 и L2 , а также L3 и L1 .
(3.78)
где Qэ – эквивалентная добротность контуров.
(3.79)
где Q3 =50 – добротность катушки L3 .
Вычисляем собственное резонансное сопротивление первичного контура.
(3.80)
где f0 – промежуточная частота, f0 =10.7МГц;
Qk =150 – добротность контура L1 ,C1 .
Рассчитываем коэффициент включения первичного контура в коллекторную цепь транзистора VT1
(3.81)
где R22 , R11 – соответственно выходное и входное сопротивление транзистора, R22 =17.3кОм, R11 =728Ом.
Находим емкости конденсаторов контуров
(3.82)
Принимаем С3 =240пФ.
(3.83)
где Сd =0.5пФ – емкость диода.
Принимаем С6 =240пФ.
Определяем величины емкостей нагрузки диодов
(3.84)
где Fв =47кГц – верхняя частота низкочастотного сигнала;
R6 =R7 =6.2кОм.
Принимаем С8 =С9 =С5 =6.2нФ.
Находим емкость электролитического конденсатора С10
(3.85)
Принимаем С10 =33мкФ.
Вычисляем емкость конденсатора С7 низкочастотного фильтра предыскажений
(3.86)
где tп =75мкс – постоянная цепи предыскажений;
Rвхсд =485 Ом – входное сопротивление стереодетектора;
Cвхсд @0 – входная емкость стереодетектора;
Принимаем С7 =370 нФ.
Максимальное изменение постоянной времени цепи коррекции предыскажений при движении потенциометра R8 определяем следующим образом
(3.87)
где Rвхсд =970/2=485 Ом, Свхсд @0
Рассчитываем величину Uд0
(3.88)
где U1 – напряжение на контуре L2 , C6 , U1 =0.1В
Определяем угол отсечки токов в режиме отсутствия частотно модулированного сигнала
(3.89)
где Sд =13мА/В – крутизна ВАХ диода.
Определяем величину напряжения на конденсаторе С10
(3.90)
Находим величину параметра А
(3.91)
где
- максимальная девиация частоты.
Вычисляем максимальное значение Uд1 max
(3.92) Определяем q1
min
(3.93)
где R5 =R8 =10 кОм;
xq @1.6 – поправочный множитель, согласно графику рис.6.4 [4], при Rн =0.5 кОм.
Находим выходное напряжение при максимальном отклонении f от fпч
(3.94)
Рассчитываем напряжение на входе транзистора VT1
(3.95)
Находим коэффициент передачи всей схемы от входа транзистора VT1 до входа СД
(3.96)
Величину емкости С1 найдем по формулам 3.42, 3.43, где Gпосл =1/Rвхсд = Ом;
![]()
![]()
Принимаем С1 =470 пФ.
3.6 Расчет системы АРУ
На рис 3.6 приведена принципиальная схема АРУ.

Рис3.6
Необходимые пределы регулирования системы АРУ, приведенной на рис3.6
(3.97)
Задаемся максимальной величиной тока коллектора регулируемых каскадов
![]()
и величиной
![]()
Коэффициент усиления регулируемых каскадов
(3.98)
при q=1(0дБ) – Крег max =73.71(дБ);
при q=0.1(-20дБ) – Крег min =13.71(дБ);
Пределы регулировки
(3.99)
Принимая R3 =16 кОм определяем коэффициент управления.
(3.100)
В качестве детектора системы АРУ будем использовать транзисторный амплитудный детектор, расчет которого приведен ниже.
Определяем крутизну детектирования
(3.101)
Выбираем сопротивление нагрузки детектора
(3.102)
Поскольку входное сопротивление операционного усилителя достаточно большая величина (100кОм), то согласно формуле 3.102, Rк должен иметь сопротивление порядка 500 кОм, при этом коэффициент передачи будет иметь огромную величину. Поэтому для предотвращения самовозбуждения амплитудного детектора, шунтируем выход АД сопротивлением R7 =Rвхн =300 Ом.
(3.103)
Коэффициент передачи детектора
![]()
Входное сопротивление амплитудного детектора
(3.104)
где а=4, b=0.25 – вспомогательные коэффициенты.
Определяем сопротивление делителя R5 задавшись R4 =1кОм и Uб0 =0.4 В
(3.105)
Принимаем R5 равным 30 кОм.
Емкость С3 найдем по формулам 3.56, 3.57.
![]()
Принимаем С3 =0.2 мкФ.
Необходимый коэффициент усиления ОУ
(3.106)
Так как кус >1, то будем применять усиленную АРУ. В качестве УПТ примем ОУ типа К104УД1.
Для обеспечения времени замедления работы АРУ выбираем конденсатор
(3.107)
где tа =0.1 сек – постоянная времени цепи АРУ.
Выбираем С2 =6.2 мкФ.
Сопротивления R1 , R2 выбираем из условия обеспечения нужного коэффициента усиления ОУ. Зададимся величиной сопротивления R2 =1 кОм, а R1 найдем из следующего соотношения
(3.108)
Поскольку такого номинала нет, то соединяем последовательно резисторы номиналов 620 Ом, 10 Ом.
Дроссели и емкость С1 предназначены для предотвращения возможных обратных связей между каскадами, поэтому, не производя расчета принимаем Др1=Др2=Др3=0.1Гн, С1 =0.1мкФ.
3.7 Расчет стереодекодера
Ввиду специфического вида стереосигнала (положительная огибающая повторяет правый канал, отрицательная левый) его можно декодировать с помощью двух амплитудных детекторов, один из которых декодирует положительные полупериоды стереосигнала, а второй отрицательные. Произведем расчет диодного одного амплитудного детектора, расчет второго будет полностью аналогичным, единственное их отличие заключается во включении диодов в схеме. Принципиальная схема стереодекодера приведена на рис 3.7

Рис3.7
Выбираем тип диода так, чтобы его граничная частота намного превышала частоту детектируемого сигнала и обратное сопротивление было по возможности большим. Этим условиям удовлетворяет диод Д9Е.
Исходя из отсутствия нелиней ных искажений за счет разных сопротивлений нагрузки по переменному и постоянному току, вычисляем величину сопротивления R1
(3.109)
где м=0.8 – коэффициент глубины модуляции
Rн =10 кОм –входное сопротивление усилителя низкой частоты.
Из характеристик выпрямления по известным величинам Uвхд , R2 находим рабочую точку и в ней определяем S=10-2 мА/В, Rд =100 Ом, mд =1.
Вычисляем вспомогательные коэффициенты
(3.110)
(3.111)
Из условия отсутствия нелинейных искажений и допустимых частотных на высших частотах модуляции находим допустимую величину емкости конденсатора С1 шунтирующего нагрузку детектора R1
(3.112)
где Сн =10-9 Ф входная емкость УНЧ.
(3.113)
где Мв =1.2.
Так же должно выполняться условие
(3.114)
370·10-9 >10·10-12
где Сд =1 пФ проходная емкость диода.
Выбираем С1 =С2 =2 нФ, чтобы она не превышала минимальной из рассчитанных.
Находим коэффициент передачи детектора по напряжению
(3.115)
Определяем величину входного сопротивления детектора
(3.116)
Определяем емкость разделительного конденсатора, исходя из допустимых частотных искажений в области низких звуковых частот
(3.117)
Принимаем Ср =3 мкФ.
3.8 Расчет системы частотной автоподстройки частоты (ЧАП)
Эта система приемного устройства на данный момент практически рассчитана. В систему ЧАП входят: частотный дискриминатор или частотный детектор, фильтр нижних частот ФНЧ, при необходимость усилитель постоянного тока и управляемый элемент. В качестве частотного детектора системы ЧАП будем использовать рассчитанный ранее частотный детектор. В качестве управляемого элемента (управителя частоты) в контуре гетеродина приемника используем соединение варикапов, см. принципиальную схему приведенную на рис3.5.
Исходя из особенностей дробного детектора и нашего управляемого элемента можно сказать, что для того чтобы система ЧАП работала, достаточно в схеме поставить ФНЧ.
Так как в ТЗ на систему ЧАП нам не заданны никакие требования, нам осталось рассчитать только ФНЧ. Он нужен чтобы отфильтровать постоянную составляющую, которая образуется при образовании расхождения между промежуточной частотой полученной и той на которую рассчитан приемник на выходе частотного дискриминатора. Эти расхождения могут возникнуть в результате: нестабильности частоты гетеродина (физически невозможно построить бесконечно стабильные генераторы), нестабильности частоты передатчика, если данная схема используется в автомобильном приемнике то из-за движения автомобиля (Доплеровский эффект)
Упрощенная структурная схема используемой в разрабатываемом приемнике ЧАП приведена на рис 3.8.
Рис3.8.
Полосу ФНЧ можно выбрать из следующего соображения. Нижняя частота спектра нашего сигнала fн =31.5 Гц, нужно чтобы эта частота, как самая низкая из всех возможных не прошла с выхода ЧД на управляемый элемент, иначе, даже при правильной настройке гетеродина приемника, то есть когда ошибка настройки равна 0, контур гетеродина будет постоянно перестраиваться. Возьмем это значение частоты за граничную частоту ФНЧ по уровню –3дБ.
Рассчитаем ФНЧ принципиальная схема которого приведена на рис 3.9

Рис 3.9.
Дроссель в схеме стоит для предотвращения попадания ВЧ составляющей в ЧД.
Выберем R1 =105 Ом, его значение нужно выбирать большим, для того чтобы ЧД шунтировался как можно меньше.
Исходя из выбранного R1 находим емкость С1
(3.118)
Выбираем С1 =3.3 мкФ.
Дроссель не рассчитываем, принимаем Др1=0.1 Гн.
3.9 Конструктивный расчет
Современные радиоприемные устройства выполняются на печатных платах, часто с применением поверхностного монтажа и бескорпусных элементов. Наиболее ответственными конструктивными элементами являются катушки индуктивности, так как от их исполнения напрямую зависит добротность контуров, а следовательно и полоса пропускания. Поэтому применяют специальные типы намотки, вжигание провода в каркас, покрытие хорошо проводящими материалами и многое другое. Далее сделан расчет цилиндрической экранированной катушки, применяемой во входной цепи, с однослойной сплошной намоткой.
Важную роль играет размещение элементов на плате и трассировка соединений. От этого зависит устойчивость работы, отсутствие паразитных излучений и самовозбуждения. Можно выполнить приемник в виде отдельных экранированных блоков. Кроме всего прочего такое построение облегчает ремонт.
Наиболее важным параметром приемника является надежность. Высокая надежность достигается применением качественных компонентов и качественной сборкой.
Расчет катушки индуктивности.
Определяем индуктивность катушки без экрана, принимая коэффициент, зависящий от соотношения размеров катушки h=0.6.
(4.1)
где Lэ =10.1 нГн – индуктивность катушки стоящей в ВЦ,
D=3 мм – диаметр каркаса катушки,
Dэ =2·D – диаметр экрана.
Выбираем для намотки провод ПЭВ-2, диаметром без изоляции d=1мм, для которого диаметр провода катушки d0 =1.11 мм, коэффициент неплотности намотки a=1.5.
Число витков на один сантиметр длинны намотки
(4.2)
Вспомогательный параметр
(4.3)
По графику приведенному в [5], находим отношение
Длинна намотки
(4.4)
Число витков намотки
(4.5)
Длинна каркаса
(4.6)
Высота экрана
(4.7)
Заключение
Цель поставленная в задании достигнута. Разработанное радиоприемное устройство отвечает условиям задания и обеспечивает необходимую чувствительность и избирательность. В разработанном устройстве применена современная элементная база (перестройка частоты варикапами, использованы фильтры ПКФ, p-i-n диоды и так далее).

