| Скачать .docx |
Реферат: Схемотехніка транзисторних ключів
Схемотехніка транзисторних ключів (ТК)
Ключовий режим роботи НЕ характеризується тільки двома його станами: " включено " і " виключено ".
Електричні схеми ,в яких використовується ключовий режим НЕ, називаються ключами . В ключах, в якості НЕ можуть використовуватися діоди, біполярні та польові транзистори, лампи з різними схемами включення їх електродів.
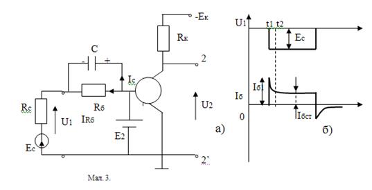
Розглянемо схему і фізпроцеси в ключі на біполярному транзисторі , який включений зі спільним емітером (мал. 1.)

В даній схемі опір Rk нагружає коло колектора, джерело Е0 забезпечує закритий (виключений) стан транзистора VT при відсутності вхідного сигналу U1, опір Rб, обмежує величину вхідного струму Іб при заданому значенні напруги U1.
На відміну від схем лінійних підсилювачів, де транзистор весь час знаходиться в активній області, в ключах він знаходиться або в стані відсічки, або в стані насичення. При зміні стану ключа, його транзистор на деякий час переходить в активну область. Ключі з такими режимами роботи називаються насиченими ключами і характеризуються високою стабільністю рівнів вихідної напруги U2 як у виключеному так і у включеному стані.
Існують також ключі, в яких транзистор у відкритому стані знаходиться в активній області поблизу границі насичення, так звані ненасичені ключі. В них необхідно приймати міри по стабілізації вихідної напруги у включеному стані.
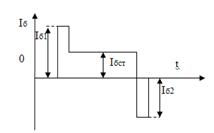
Розглянемо фізпроцеси в ключі (мал. 1.), вважаючи його насиченим.
У вихідному стані транзистор ключа закритий позитивною напругою Е0, його теплові струми Іб0 і Ік0 малі і ними можна знехтувати, напруга на колекторі U2≈-Ek.
Включення ключа.
При подачі на вхід ключа імпульса від'ємної полярності (мал.6.1.а.) в момент часу t1 струм бази практично миттєво досягне значення
(опором відкритого перехода Б-Е можна знехтувати т.к. rбе<< Rб). Під дією цього струма транзистор ключа переходить з режима відсічки в активну область,починається заряд бар'єрної ємності колекторного перехода і накопичення в базі заряда неосновних носіїв. Процес накопичення заряда в базі супроводжується пропорційним йому збільшенням струма колектора і зменшенням від'ємної напруги на колекторі (мал1.г.д.)
В момент часу t2 заряд в базі досягає граничного значення,напруга на колекторі приблизно дорівнює 0,а струм колектора стає рівним струму насичення
Колекторний перехід в прямому напрямі (тобто зникає).Починаючи з цього момента величина струма колектора і напруга на колекторі перестають змінюватись і ключ переходить в стан "включений".Починаючи з t2 в базі продовжує збільшуватись вище рівня граничного заряду
|
|

(мал.1.в.),наближаючись до свого стаціонарного значення Qст.
Qст=Іб1 * rн , де
rн-час життя неосновних носіїв заряда в базі в режимі насичення, а
r – в активній області
Т.о. включення ключа,тобто перехід його транзистора зі стану відсічки в стан насичення відбувається не миттєво,а з деякою затримкою в часі tвкл=tф (6.1.в.),яка рівна часу накопичення в базі граничного заряду.
Виключення ключа. Процес виключення ключа починається в момент t3 закінчення від'ємного імпульса,підведеного до його входу (мал.6.1.а.).Під дією напруги Е2 в колі бази виникає струм зворотнього напрямку:
![]()
![]()
Під дією цього струма і в наслідок рекомбінації носіїв починається розсасування заряда в базі і транзистор послідовно переходить з області насичення в активну область,а з неї в область відсічки.
Ключ залишається у включеному стані після закінчення імпульса на його вході ще деякий час,необхідний для розсмоктування надлишкового заряда в його базі до рівня Qгр. При цьому напруга на його колекторі залишається рівна нулю,а струм колектора рівним струму насичення Ікн. В момент t4 заряд в базі граничного значення,транзистор переходить в активну область,в якій струми іб і ік починають зменшуватись,а разом з цим починає збільшуватись від'ємна напруга на колекторі. Процес розсмоктування заряда закінчується переходом транзистора в область відсічки.
Таким чином маємо,що перехід ключа і стан "виключено" в стані "включено"відбувається не миттєво,а за час t=tф ,необхідний для накопичення в базі заряда,рівного граничному,а зворотній перехід в стані "виключено" - за час t=tp+tc (сумарний час спада і розсмоктування),необхідний для розсмоктування заряда в базі. В практичних схемах,які використовують ключі,необхідно приймати спеціальні схемотехнічні міри для зменшення часу перехідних процесів,тобто для підвищення швидкодії ключів.
Для скорочення перехідних процесів в ключі необхідно підвищити швидкість накопичення і розсмоктування заряда в базі і одночасно знизити рівень граничного заряду,не допускаючи при цьому накопичення в базі надлишкового заряду. Вирішення цієї задачі досягається збільшенням прямого(при включенні)і зворотнього (при виключенні) струмів бази зменшенням струма колектора в режимі насичення ,а також введення в схему ключа зворотнього звязку, запобігає перехід транзистора при включенні в стані насичення.
Аналіз показує,що змінення того чи іншого параметра ключа на БТ не може привести до одночасного скорочення тривалості tф,tp,і tc ,так як умови їх зменшення є заперечливими. Так,наприклад,збільшення прямого струма бази Іб1 для зменшення tф,приведе до збільшення надлишкового заряда в базі,і відповідно до збільшення часу tp розсмоктування.
Для скорочення перехідних процесів в транзисторному ключі на БТ необхідно,щоб струм бази мав форму,яка зображена на мал.2.
Дійсно короткі викиди прямого та оберненого струму бази сприяють більш швидкому накопиченню заряду в базі (при включенні ключа) та його розсасуванню при виключенні, що призводить до зменшення часу tф і tc фронту і спаду. А величина струму бази Ібст повинна бути такою, щоб у стаціонарному стані транзистор знаходився на грані насичення, а збитковий заряд в базі або був відсутній, або мав незначну величину, достатню
![]()

Мал.2
для попередження оберненого переходу транзистора при включенні з області насичення в активну область при зміні зовнішніх умов.
Задача забезпечення форми струму бази, близької до показанної на малюнку 6.2., вирішується введенням в схему ключа прискорюючого конденсатора С, який включається паралельно опору Rб (мал. 6.3.)
Робота прискорюючого конденсатора С заключається в слідуючому. Для перепаду напруги U1 розряжений конденсатор представляє коротке замикання, яке виключає з схеми опір Rб. В момент часу t1 (3.б) починається заряд ємності С під дією ЕРС вхідного сигналу Ес струмом Іб1 при цьому Іrб=0
![]()

По мірі заряджання ємності С струм заряджання зменшується, а струм в опорі Rб зростає і в момент закінчення заряджання прискорюючого конденсатора t2=(3-4,6)С(Rc+τбе) досягає свого стаціонарного значення ![]()
.Величина Ібст вибирається такою, щоб у базі при включенні ключа не накопичувався надлишковий заряд.
При виключенні ключа створюється зворотній струм бази, який протікає під дією ЕРС джерела зміщення Е2 і напруги зарядженого прискорюючого конденсатора. По мірі розряджання конденсатора струм бази спадає до нуля. Форма струму бази показана на малюнку3.б. і близька до тієї, що показана на малюнку 6.2.
Величина ємності прискорюючого конденсатора повинна вибиратися строго визначеною. Основним критерієм її вибору є величина заряду, який накопичується в її електричному полі, яка повинна бути рівна граничному заряду в базі транзистора.
Критичне значення ємності прискорюючого конденсатора визначається виразом ![]()
Скр=τα / Rк,
тут τα – постійна часу транзистора в схемі ОБ, чисельно дорівнює середньому часу прольоту неосновних носіїв в базі транзистора.
На практиці величину ємності прискорюючого конденсатора вибирають рівною
С=(2...4) Скр.
При більшій величині її ємності при включенні ключа та малою тривалістю вхідного імпульсу, заряджання прискорюючого конденсатора не встигає закінчитися до моменту переходу транзистора в область насичення і в базу струм заряду вводиться заряд більший за граничний, тому час розсмоктування
.
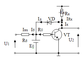
Тривалість перехідних в транзисторному ключі на БТ може бути суттєво зменшена за рахунок введення в його схему кола нелінійного від’ємного зворотнього зв’язку. Варіант схеми такого ключа, який відноситься до класу ненасичених ключів, зображений на мал.4.
Дійсно короткі викиди прямого та оберненого струму бази сприяють більш швидкому накопиченню заряду в базі (при включенні ключа) та його розсасуванню при виключенні, що призводить до зменшення часу tф і tc фронту і спаду. А величина струму бази Ібст повинна бути такою, щоб у стаціонарному стані транзистор знаходився на грані насичення, а збитковий заряд в базі або був відсутній, або мав незначну величину, достатню так як Rб››R0 .Величина струму бази вибором U1 та Rб встановлюється набагато більша величини струму бази насичення і в базі починає швидко накопичуватися заряд, який прямує до величини Qгр. Потенціал колектора швидко зростає і в момент часу t1 (мал. 6.5.б.) діод VD відкривається і струм , який протікає через опір Rк (IRк), зменшується на величину струму діода. В момент часу t2 діод повністю відкривається і величина струму IRк=Iк- Ід закінчує змінюватися, що призводить до фіксації потенціалу колектора на рівні : Uк=Ек-(Ік-Ід)Rк. Одночасно струм відкритого діода зменшує струм бази, так як віднімається з нього, тобто в схемі ключа починає діяти від’ємний зворотній зв'язок по напрузі, який зменшує коефіцієнт передачі струму, і значення струму бази знижується до рівня І=Ібст . Значення цього струму обирається таким, щоб заряд, який накопичується у базі, був дещо нижче граничного рівня. Вибором опору R0падіння напруги на ньому, яке створюється струмом Іб=Ібст, встановлюється дещо більше падіння
|
.
напруги на відкритому діоді VD. В результаті потенціал бази опиняється вище потенціала колектора і колекторний перехід залишається зміщеним в зворотньому напрямку, а транзистор ключа не заходить в область насичення. Так як транзистор збиткового заряду в базі відсутній, час розсіювання в схемі насиченого ключа відсутній, а тривалість фронту може бути зроблена дуже маленькою, шляхом збільшення струму Іб1. Завдяки наявності від’ємного зворотнього зв’язку, залишкова напруга на колекторі відкритого транзистора, хоч і не дорівнює нул., але досить стабільна.
На практиці замість резистора R0 ставиться зміщуючий діод VD2 (мал. 6.6.а.) з більшим ніж на діоді VD1 падінням напруги на відкритому переході. Інший варіант ключа з нелінійним зворотнім зв’язком показаний на малюнку 6.6.б., де від’ємний зворотній зв’язок утворений діодом Шоткі, який має меньше падіння напруги на відкритому переході, ніж падіння напруги на р-n переході кремнієвого транзистора. Тому колекторний перехід транзистора ключа при відкритому діоді Шоткі повністю не відкривається, не допускаючи його перехода в область насичення.
Особливості МДН-транзисторних ключів
Відомі три схеми ключів на МДН-транзисторах: з резистивною навантаженням (мал.6.в.), з динамічною навантаженням (мал.6.г.) і комплементарні ключі, які виконані на комплементарних транзисторах, тобто транзисторах з каналами протилежного типу провідності (мал.6.д.)

Найважливішою перевагою ключів на МДН-транзисторах є те,що величину залишкової напруги на виході включеного ключа можна зробити як завгодно малою,збільшуючи опір в колі стока і величину вхідної напруги,яка подається на затвор транзистора Uвх (в резистивному ключі).
В ключі з динамічною навантаженням(мал..6.6.г.) для зменшення залишкової напруги необхідно зменшити відношення:
,де b1 і b2 – удільна крутизна ВАХ транзисторів VT1і
<<1 VT2 .
Тобто в ключах з динамічною загрузкою транзистори VT1(активний транзистор) і VT2 (навантажувальний) повинні бути значно різними.
Найважливішою особливістю комплементарних ключів є те,що вони практично не потребляють енергію від джерела живлення Ес ,як у відкритому так и закритому стані.
Відповідно два цих стани можна називати "закритим" і "відкритим" чисто умовно – по відношенню до одного з транзисторівVT1чиVT2 .Дійсно,величина потужності,яка потребляється від джерела Ес ,визначається величиною струма,який протікає в схемі ключа ,а він в обох станах ключа один і той же і дуже маленький і рівний зворотньому струму закритого транзистора. В даній схемі при відкритому ключі відкритий VT1,а закритийVT2.,а величина ,яка потребляє від джерела Ес струм,залишається незмінною і рівною струму закритого транзистора.
Вихідні рівні ключа на комплементарних транзисторах розрізняються по напрузі і досить чітко.
Величина залишкової напруги в МДН-ключах може досягати досить малих значень, які вимірюються одиницями мікровольт і менше .
Швидкодія МДН-ключів обмежена головним чином перезарядом бар’єрних ємностей,які при аналізі процесів,при включенні (заряджанні ємності) та виключенні (розряджанні ємності) заміняються однією сумарною ємністю Сс:
Сс = Сз + Ссп + Спар + Сзі + КСзс ,
де відповідно
Сз - ємність затвора, Ссп – ємність між затвором і підложкою,
Спар – паразитна ємність монтажних зєднань відносно підложки (в ІМС – це ємність металевої розводки),
Сзі , Сзс – ємності металевого затвора відносно областей істока і стока,
К – від декількох одиниць до декількох десятків,коефіцієнт Міллера.
Для всіх типів ключів головним шляхом підвищення швидкодії є зменшення сумарної ємності Сс .При заданій її величині швидкодія підвищується зі збільшенням струмів заряда і розряда,в частності – зі збільшенням живлячої напруги.
Автоколивальний мультивібратор
Мультивібратор представляє собою одну з різновидів більш широкого класу так званих спускових пристроїв,які мають різні стани рівноваги,як стійкого так і не стійкого .
Рівновагою електричної схеми називають такий її стан,при якому струми і напруги будь-якому її елементі залишаються незмінними.
Стійкою рівновагою називається стан системи,при якому після зовнішнього малого поштовху система повертається у вихідний стан,тобто струми і напруги вній приймають вихідні постійні значення.
Нестійкою рівновагою називається стан системи,при якому,після як завгодно малого зовнішнього поштовху система виходить з вихідного стану і не повертається в нього.
Стан системи,при якому струми і напруги в ній повільно змінюються в часі і приводять систему в певний критичний стан,який приводить до стрибкоподібного виходу системи з цього стану,називається квазірівновагою. Цей стан тільки подібний стану рівноваги і є ніби рівновагою.
Мультивібратори призначені для генерування імпульсів,близьких до прямокутних і можуть працювати в одному з трьох режимів:чекаючому, автоколивальному і синхронізації.
Їх ще називають релаксаційними генераторами або релаксаторами.
В чекаю чому режимі , мультивібратор представляє собою двух каскадний підсилювач ,замкнутий в два кола позитивного зворотнього зв’язку,має один стан стійкої рівноваги і один стан квазірівноваги .Перехід зі стійкого стану в стан квазірівноваги відбувається внаслідок зовнішнього запускаю чого імпульса.А повернення в стан стійкої рівноваги відбувається самостійно по збігу деякого часу,який визначається параметрами схеми.
В режимі автоколивань стану стійкої рівноваги немає,а є два стани квазірівноваги які чергуються. Перехід одного з них в другій відбувається автоматично через час,який називається періодом коливань,який також визначається параметрами схеми.
В режимі синхронізації в мультивібраторі існує два стани квазірівноваги,але період коливань визначається періодом повторень синхронізуючої напруги і рівний їй або кратний.При відсутності синхронізуючої напруги мультивібратор працює в автоколивальному режимі.
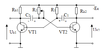
Схема мультивібратора в автоколивальному режимі і часові діаграми,які пояснюють фізичні процеси в ньому показані на мал.6.
Схема автоколивального мультивібратора складається з двох ключів, зібраних на біполярних транзисторах VT1 і VT2 р-п-р структури,включених по схемі зі спільним емітером. Rк1 і Rк2 – опори навантаження в колах колекторів VT1 і VT2 , R1C1 і R2C2 – елементи часозадаючих кіл ,які визначають тривалість генеруючих імпульсів (tі) і час їх повторення Т (мал.6.7.б.)
Конденсатори С1 та С2- елементи кіл позитивного зворотнього зв’язку, який з’єднує відповідно вихід ключа на VT2 з входом ключа на VT1 і вихід першого ключа із входом другого. Таким чином в автоколивальному мультивібратори кола постійного зворотнього зв’язку являються чисто ємнісними, що і визначає відсутність в його схемі, стану стійкої рівноваги.
Відсутність в схемі стаціонарного стану дозволяє почати аналіз фізпроцесів в схемі з довільного стану, і якщо в результаті їх аналізу буде показано, що через певний час мультивібратор знову опиниться в тому ж стані , то тим самим буде встановлена наявність в ньому періодичних автоколивань.
Нехай, наприклад, в момент часу t1 транзистор VT1 відкрився і знаходиться в стані насичення, а транзистор VT2 закритий, так як до його бази відносно емітера прикладена напруга з конденсатора С2 (зарядженого раніше до величини Ек полярністю(+) справа, (-) –зліва) через малий опір насиченого транзистора VT1.В момент часу t1 конденсатор С1


практично розряджений до нуля (величиною напруги Uб1 на базі раніше закритого VT1, до якої був заряджений С1 на момент t1, в виду його малості можна знехтувати).
В розглядаємий момент t1 в схемі мультивібратора створюються умови для розряджання і перезаряджання конденсатора С2 і заряджання С1. Розряджання-перезаряджання С2 відбувається по колу : +Ек→ЕБКVT1→C2→R2→-Eк. Після розряджання С2 починається його перезаряджання з полярністю: (+) на лівій обкладці, (-) на правій.
Заряджання С1 відбувається по колу: +Е→ЕБКVT1→C1→Rk2→-Ек. В процесі перезаряджання С2 в певний момент часу напруга на ньому полярності справа (+), (-) зліва,яка через відкритий транзистор VT1 прикладена до ділянки Б-Е VT2.Відкривання транзистора VT2 приводить до запирання VT1 напругою з конденсатора С1 через малий опір VT2 який відкрився. Процес відпирання VT2 і запирання VT1 відбувається стрибкоподібно. В цей момент перший стан квазірівноваги,тривалість якого визначається часом перезаряджання конденсатора С2 через резистор R2,і рівний t02
R2
C2, закінчується і мультивібратор переходить в стан другої квазірівноваги,при цьому конденсатор С1 буде зарядженим до величини Ек. Час заряда С1 значно менший часу заряда С2,так як при рівності С1 і С2 зарядження С1 відбувається через Rk2<<R2.
Час існування другого стану квазірівноваги визначається часом перезаряджання конденсатора С1 через R1 і насичений транзистор VT2: t01
R1
C1
В момент часу, який відповідає закінченню другого стану квазірівноваги знову відбудеться стрибкоподібне опрокидання схеми, при якому транзистор VT1 відкритий і насичений, а VT2 – закритий. Таким чином в схемі яку розглядаємо,фізпроцеси приводять до автоматичного і періодичного повторення змінень її станів відносно стану, прийнятого за вихідний ,що свідчить про автоколивальний режим її роботи.
Період автоколивань в мультивібраторі, нехтуючи тривалістю процесу опрокидування схеми, можна прийняти рівним сумарній тривалості часу двох його квазістаціонарних станів
Т0=t01+t02=0,7(R1C1+R2C2)
Регулювання тривалості імпульсу мультивібратора.
Якщо вихідним імпульсом є напруга, яка знімається з колектора транзистора VT2, то його тривалість можна регулювати зміною постійної часу кола R2C2 за допомогою змінного резистора R2 (мал.6.8.). Однак такий спосіб регулювання краще використовувати при невеликих межах зміни тривалості вихідного імпульсу, так як регулювання R2 у великих межах може порушити нормальний режим роботи транзистора VT2.
При збільшенні R2 транзистор VT2 може вийти з режиму насичення, якщо Iб2
ЕК / R2< Iбн стане менше його значення в режимі насичення. При зменшенні R2 транзистор VT2, навпаки може увійти в дуже глибоке насичення, а при дуже малих R2 може відбутися небезпечне для транзистора збільшення струму бази.
Інший спосіб регулювання показаний на малюнку 6.8..Тут у часозадаюче коло крім R2C2 входить частина змінного опору Rк1,обмежена положенням його движка, а R2 не змінюється.
Зміна змінного Rк1, не змінює режим транзистора VT1, так як при будь-якому положенні його движка воно повністю включено в коло його колектора.
В даній схемі регулювання тривалості імпульсу в основному досягається зміною величини напруги на конденсаторі С2, який стримує транзистор VT2 в закритому стані під час квазірівноваги. (мал. 6.9.)Дійсно, в момент запирання VT1 напруга, до якої заряджений конденсатор С2 залежить від положення движка Rк1 і дорівнює
Uc2=Uб2
Ek-Ik1*R’k
При переміщенні движка потенціометра з крайнього нижнього положення вверх величина Uc2 зменшується, експонента Uб2 опускається вниз (мал.6.9.) і тривалість імпульса ti спада

Одним з суттєвих недоліків розглянутої схеми автоколивального мультивібратора є не прямокутна форма генеруючих імпульсів обумовлена зарядом відповідного часозадаючого конденсатора через резистор колекторного кола.
Цей недолік значно зменшений в схемі мультивібратора, показаного на мал.6.10.а.
В розглядаємій схемі конденсатор С1 під час закритого стану транзистора VT1 відключений від його колектора закритим діодом VD2 і на потенціал колектора не впливає.

Заряд С1 відбувається не через Rк2, а через допоміжний резистор R’к2, а конденсатора С2 при закритому VT1, через R’к1.
При насиченні транзисторів діоди VD1 і VD2 відкриваються і резистори Rк1 і Rк2,
Зменшує величину еквівалентного опору кола колекторів VT1 і VT2. Для збільшення загрузочної здатності мультивібратора величини допоміжних резисторів R’к1 і R’к2 необхідно вибирати більше,ніж Rк1 і Rк2. Але, надмірне збільшення R’к1 і R’к2 і часу заряда С1 С2 не повинні перевищувати часу існування режиму квазірівноваги в схемі (при симетричній схемі половини періода повторення генеруючих імпульсів).
