| Скачать .docx |
Реферат: Методы расчета в цепи синусоидального тока
Содержание
1. Применение символического метода
2. Фазовые соотношения между напряжением и током на элементах R , L , C
3. Векторные и топографические диаграммы
4. Мощности в цепях синусоидального тока. Баланс мощностей
5. Передача мощности от активного двухполюсника в нагрузку в цепи синусоидального тока
Список литературы
1. Применение символического метода
Полученные законы Ома и Кирхгофа в символической форме позволяют рассчитать режим в цепи синусоидального тока. Так как все методы расчета режима выводят из законов Кирхгофа, то они справедливы и для цепей синусоидального тока, но только в символической форме.
Примерный порядок расчета режима в цепи синусоидального тока.
1. Осуществляют переход от мгновенных значений источников энергии к комплексу амплитудных или комплексу действующих значений, что определяется точностью расчета.
2. Вычисляют комплексные сопротивления элементов схемы.
3. Рациональным методом находят токи в ветвях и напряжения на элементах.
4. Осуществляют переход от комплексов амплитудных или комплексов действующих значений к мгновенным значениям искомых величин.
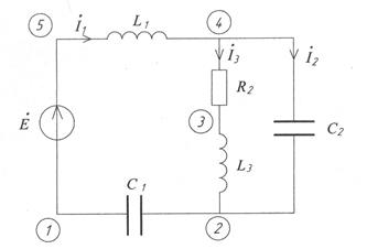
Пример:
Дано:
,
,
,
. Найти: ток в цепи и напряжения на элементах.

,
, ![]()
, ![]()
![]()
![]()
![]()
Перейдем к мгновенным значениям:
![]()
![]()
![]()
![]()
2. Фазовые соотношения между напряжением и током на элементах R , L , C
Комплексы амплитуд напряжения и тока на элементах R , L , C связаны между собой.
Для R :
![]()
,
, где Um
=RIm,
,
j
u
=
j
i
Перейдем к проекциям вращающихся векторов:
,
=> Так как
,
![]()
.
Тогда
: 
Для L :
![]()
,
.
,
j u = j i + 900 .
:
- комплексное сопротивление индуктивности.
Для C :
,
![]()
j
u
=
j
i
- 900
.
:
- комплексное сопротивление емкости.
Таким образом, для любого элемента в цепи синусоидального тока
- некоторое комплексное число по размерности оно соответствует сопротивлению, и поэтому его называют комплексом полного сопротивления и обозначают
. Тогда:
,
,
.
представляет закон Ома в символической форме.
Комплекс полного сопротивления участка пассивной цепи синусоидального тока рассчитывают так же, как в цепи постоянного тока, если вместо элементов участка использовать комплексные сопротивления этих элементов.
,
где:
- коэффициент пропорциональности между амплитудными или действующими значениями напряжения и тока на данном элементе;
показывает на сколько фаза напряжения больше фазы тока на данном элементе.
Иногда строят треугольник сопротивлений. Фактически это и есть изображение комплекса полного сопротивления на комплексной плоскости.

Величина
, как любое комплексное число, может быть представлена в показательной, тригонометрической или алгебраической форме:
,
где
- вещественная часть комплекса полного сопротивления, ее называют активной составляющей комплекса полного сопротивления;
- мнимая часть комплекса полного сопротивления, ее называют реактивной составляющей комплекса полного сопротивления;
- модуль комплекса полного сопротивления;
- фаза комплекса полного сопротивления, изменяется в пределах
.
Величину обратную комплексу полного сопротивления называют комплексом полной проводимости (КПП):
, где
.
Для получения в «буквах» активной и реактивной составляющих комплекса полной проводимости по заданным в «буквах» активной и реактивной составляющим комплекса полного сопротивления:
![]()

3. Векторные и топографические диаграммы
Эти диаграммы применяют:
- для визуального представления фазовых соотношений между комплексными величинами;
- для проверки правильности расчета;
- правильно построенная диаграмма позволяет по известным значениям найти неизвестные.
Векторные диаграммы
Векторные диаграммы – это изображение на комплексной плоскости некоторой совокупности векторов соответствующих комплексных величин, например:

Если вектора построены в масштабе, то можно упростить некоторые вычисления. Например, если построены векторы
и
, то по правилу параллелограмма можно получить их сумму
.

После построения транспортиром и линейкой определяют величину
результата.
Векторные диаграммы напряжений строят по направлению тока.
Топографические диаграммы.
Топографические диаграммы – это изображение на комплексной плоскости точек, соответствующих концам векторов комплексных потенциалов точек схемы. Такая картинка позволяет начертить комплексные напряжения между точками, не загромождая чертёж. Такую диаграмму строят либо по результатам расчёта, либо качественно.
Построения количественной топографической диаграммы

Примерный порядок построения количественной топографической диаграммы.
1. Выбирают масштаб для тока.
2. На комплексной плоскости из начала координат откладывают векторы токов.
3. Правильность расчета токов схемы проверяют геометрически по первому закону Кирхгофа.
4. Выбирают масштаб для напряжения.
5. Схему разбивают на участки, содержащие один элемент. Точки, соответствующие концам этих участков, обозначают цифрами (номера узлов не меняют).
6. Для схемы с одним источником энергии принимают равным нулю потенциал узла, в который входит ток самой удаленной от источника и нагруженной ветви. В общем случае принимают равным нулю потенциал любого узла схемы. Точку с нулевым потенциалом располагают в начале координат, с нее и начинают построение диаграммы.
7. Последовательно обходят все элементы каждого контура. Обход контура ведут по возможности против направления тока, так как это направление возрастания потенциала. В этом случае для получения потенциалов соседних точек схемы необходимо прибавлять напряжение на элементах, что проще, чем вычитать. На диаграмме последовательно откладывают и обозначают векторы напряжений на всех элементах контура. Указывают номер потенциала соответствующей точки схемы.
8. Проверяют правильность расчета напряжений на элементах схемы геометрически по второму закону Кирхгофа.
9. Правильность расчета режима схемы проверяется по топографической диаграмме - диаграмма должна быть замкнутой.

![]()
Построение диаграммы качественно
Качественное построение производят только в сравнительно простых цепях, в которых, как правило, есть один источник энергии.
Построение производят в следующем порядке.
1. Выбирают направление тока ветвей так, чтобы удобно вести построение против направления тока.
2. Схему разбивают на участки, включающие один элемент.
3. Задают на комплексной плоскости направление вектора тока в самой дальней от источника и нагруженной ветви и помещают вектор в начало комплексной плоскости.
4. Потенциал узла, в который ток этой ветви входит, принимают за ноль. Эту точку располагают в начале комплексной плоскости.
5. Находят с помощью закона Ома и первого закона Кирхгофа потенциалы соседних точек и токи соседних ветвей. Процесс продолжают до тех пор, пока ни получены все токи ветвей и все потенциалы узлов схемы.
6. Проверка - диаграмма должна быть замкнутой.

Задают направление вектор
и помещают вектор в начало комплексной плоскости.
Принимают
(в этом случае для получения большинства потенциалов точек схемы надо будет прибавлять напряжение на элементах схемы, что проще, чем вычитать их). Точку 4 располагают в начале комплексной плоскости.



4. Мощности в цепях синусоидального тока
Всего различают 5 видов мощностей: мгновенная, активная, полная, комплекс полной мощности, реактивная.

![]()
,
, U
=
IZ
,
j
U
=
j
i
+
j
, ![]()
1. Мгновенная мощность
[Вт]

содержит постоянную составляющую и косинусоидальную с двойной частотой. Постоянная составляющая зависит от амплитуд напряжения и тока и фазы комплексного сопротивления.
2. Активная мощность
[Вт]

Интеграл от косинусоидальной функции за период равен нулю, поэтому

Вещественную часть комплексного сопротивления называют активной составляющей сопротивления. Именно она определяет активную мощность.
3. Полная мощность S[ВА]
.
Эту мощность ещё называют габаритной, т. к. она фактически определяет размеры электротехнического устройства.
Из выражения для активной и полной мощностей видно, что
- коэффициент мощности,
в энергетике он играет большую роль.
Для лучшего использования электрических машин и аппаратов желательно иметь возможно более высокий коэффициент мощности или возможно меньший сдвиг по фазе тока относительно напряжения, то есть стремятся получить
= 1. Так, например, для питания приёмника мощностью 10 000 кВт при
= 0,7 источник питания должен быть рассчитан на мощность 14 300
, а при
= 1 – на 10 000
.
Высокий коэффициент мощности желателен также для уменьшения потерь при передаче энергии по линиям. При данной активной мощности P
приёмника ток в линии тем меньше, чем больше значение
.
Для увеличения коэффициента мощности
приёмника необходимо уменьшить его реактивную мощность
.
4. Комплекс полной мощности
[ВА]
,
где
- комплексно сопряженное с
.

5.
[Вар] - реактивная мощность
.
В цепи синусоидального тока выполняется баланс мощностей:
.
Генерируемые и потребляемые мощности считают по те же правилам, что и в цепях постоянного токе. В любой отдельно взятой схеме должен выполняться баланс мощностей.
Это выражение
распадается на два других:
и
.
Пример:
,
, ![]()

![]()
![]()




![]()
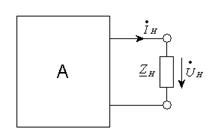
5. Передача мощности от активного двухполюсника в нагрузку в цепи синусоидального тока
Как и в цепях постоянного тока возникает вопрос, как выбрать сопротивление нагрузки, чтобы от заданного активного двухполюсника в нагрузку поступала максимальная активная мощность.

Менять можно только сопротивление
.
Активный двухполюсник заменим эквивалентным генератором с параметрами:
.

Где
,
,

,

![]()
![]()
Видно, что при любом значении R Н , если подобрать Хн = - Хвх , мощность нагрузки будет больше, чем при других значениях Хн .
-выражение совпадает с тем, что было на постоянном токе. Найдя dP
Н
/
dR
Н
и приравняв производную к нулю, получают тот же результат: мощность станет максимальной, если R
Н
=
R
ВХ
и Хн
= - Хвх
, тогда
.
Такой режим работы называют режимом сопряжённого согласования. К сожалению, в цепях с реактивными элементами можно его достигнуть только на определенной частоте, так как с изменением частоты меняется сопротивления реактивных элементов.
В энергетических устройствах режим передачи максимальной мощности невыгоден вследствие значительных потерь энергии. В различного рода устройствах автоматики, электроники и связи мощности сигналов весьма малы, поэтому часто приходится специально создавать условия передачи приёмнику максимально возможной мощности. Снижение К.П.Д. часто никакого значения не имеет, так как передаваемая энергия мала.
Список литературы
1. Теория электрических цепей: Методические указания к лабораторным работам / Рязан. гос. радиотехн. акад.; Сост.: С.М. Милюков, В.П. Рынин; Под ред. В.П. Рынина. Рязань, 2002. 16 с.,2004. 20 с. (№3282, №3624)
2. Теоретические основы электротехники. / Г.И. Атабеков, С.Д. Купалян, А.В. Тимофеев, С.С. Хухриков.-М.: Энергия, 1979. 424 с.
3. Основы теории цепей. Учебник для вузов./ Г.В.Зевеке, П.А.Ионкин, А.В. Нетушил, С.В. Страхов.-5-е изд. перераб.-М.: Энергоатомиздат, 1989. 528 с.
4. М.Р. Шебес. Теория линейных электрических цепей в упражнениях и задачах. М.: Высшая школа, 1990. 528 с.
5. Основы теории цепей: Методические указания к курсовой работе / Рязан. гос. радиотехн. акад.; Сост.: В.Н. Зуб, С.М. Милюков. Рязань, 2005. 16 с.