| Скачать .docx |
Реферат: Расчет переходных процессов в линейных цепях с сосредоточенными параметрами
Министерство транспорта Российской Федерации
Федеральное Государственное Образовательное Учреждение
Государственная Морская Академия имени адмирала С.О. Макарова
Кафедра ТОЭ
Курсовая работа №6
“ Расчет переходных процессов в линейных цепях с сосредоточенными параметрами”.
Вариант № 21
Выполнил: к-т гр. Э-232
Попаденко Н.С.
Проверил: доцент, к.т.н
Попов Ю.В.
Санкт-Петербург
2005
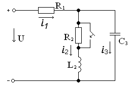
Задана электрическая цепь, изображенная на рисунке 1:

Требуется:
1) Определить выражения для всех токов в цепи в переходном режиме, решив задачу классическим и операторным методами.
2) Определить выражения для напряжений на емкости и индуктивности, решив задачу классическим и операторным методами.
3) Построить кривые напряжения токов во всех ветвях и напряжений на емкости и индуктивности в функции времени.
Заданные параметры цепи:
|
|
|
|
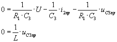
1) Для t≥0 получим систему уравнений метода переменных состояния. Используя законы Кирхгофа, составим систему уравнений:
|
|
|
В качестве переменных состояния рассмотрим
и
, подставим уравнения (2,3,4) в систему (1), сведя ее к системе из двух уравнений:
|
|
Приведем систему уравнений (5) к нормальной форме.
|
![]()
(6)
2)
При
определим принужденные составляющие. Учтем, что в установившемся режиме
(В/с);
(А/с).
Тогда система (6) примет вид:

|
|
(В) |
|
| (А); |
||
3)
Корни характеристического уравнения можно найти из выражения входного комплексного сопротивления схемы переменному синусоидальному току, т.е для t≥0
;
заменяем на р и выражение приравниваем к нулю:
![]()
![]()
![]()
(1/с);
(рад/с).
4)
С помощью законов коммутации находим начальные условия переходного процесса:
(А);
(В).
Подставляя эти значения в систему (6) при t=0, получаем:
(В/с)
(А/с)
5)
Определим постоянные интегрирования, для этого составим систему уравнений. Первое уравнение системы – это уравнение искомой величины. Оно записывается в виде суммы принужденной и свободной составляющих. Принужденная составляющая найдена выше. Свободная составляющая записывается в соответствии с видом корней характеристического уравнения. При двух комплексных сопряженных корнях свободная составляющая представляет собой затухающую синусоиду, которая содержит две постоянных интегрирования А и
. Для их определения необходимо второе уравнение. Его получают дифференцированием первого:
![]()
![]()
При t=0 система сведется к виду:
![]()
![]()
Решение системы дает:
; А= 37,79 (В);
Искомое решение для напряжения на емкости принимает вид:
(В).
Аналогичным образом находим решение для тока второй ветви:

При t=0:
0.075= 0.0857+![]()
50= ![]()
![]()
Искомое выражение для тока второй ветви:
(А);
Определение
:
Согласно уравнению (3)
,
(В);
Из системы (1): ![]()

![]()
![]()
![]()
II. Операторный метод расчета
1)
Составляется операторная схема замещения исходной электрической цепи (Рис.1) для времени
. При этом все известные и неизвестные функции заменяются изображениями. Для нахождения параметров дополнительных источников операторной схемы замещения с помощью законов коммутации определяются независимые начальные условия (НУ):

(А);
(В).
2) Находится изображение искомого тока. Операторная схема замещения содержит 3 источника в разных ветвях: основной и два дополнительных. Поэтому для нахождения изображения тока второй ветви воспользуемся законами Кирхгофа в операторной форме:
![]()
(7)
Подставим выражения для начальных условий в систему (7). Первое уравнение системы подставим во второе, выразим ток
и подставим его в третье уравнение системы, в результате получили одно уравнение с одним неизвестным
.
![]()


3)
По найденному изображению определяется оригинал. Для нахождения корней приравнивается к нулю выражение
:
;
;
;
(1/с);
(рад/с).
![]()
;
;
; где
![]()
;
(А).
Искомое выражение для тока
:
(А).
4)
Аналогично найдем ток в первой
из системы уравнений (7).
Подставим выражения для начальных условий в систему (7). Найденное выражение для тока
в пункте (3) подставим во второе уравнение системы (7):
;

;
;
;
(1/с);
(рад/с).
![]()
![]()
;
; где
;


;
Искомое выражение для тока
:
5)
Найдем напряжения
:
;

;
;
;
(1/с);
(рад/с).
![]()
![]()
![]()
;
; где
;

![]()
Искомое выражение:
(В);
6)
Найдем ток третьей ветви
:

;
;
;
;
(1/с);
(рад/с).
![]()
![]()
;
; где
![]()
![]()
![]()
Искомое выражение для тока:
![]()
;
В методе переменных состояния было получено выражение для тока:
![]()
Покажем, что это одно и тоже значение:
![]()
![]()
7) В случае колебательного процесса рассчитать логарифмический декремент затухания.
![]()


![]()

(А).

![]()


![]()

(1)
(5)