| Скачать .docx |
Курсовая работа: Приемники непрерывных сигналов
Эскизный расчет курсового проекта
Приемники непрерывных сигналов
1. Разбиение диапазона частот на поддиапазоны
1.Коэффициент перекрытия диапазона (показывает во сколько раз максимальная несущая частота входного сигнала больше минимальной ):
(1)
где
- максимальная и минимальная несущая частота входного сигнала.
2.Выбор элементов перестройки контуров приемника
Для контуров с сосредоточенными параметрами перестройку по частоте можно осуществлять:
конденсатором переменной емкости
=2,5-3
катушкой переменной индуктивности
=1,4-3
варикапом
=2,3-2,7
где
- максимальные значения коэффициентов перекрытия диапазона различными реактивными элементами контуров.
3.Так как
>
, то приемник однодиапазонный.
2.Полоса пропускания линейного тракта приемника
Полоса пропускания линейного тракта приемника:
=
+
(2)
где
- ширина спектра полезного сигнала, равная:
(3)
(
- верхняя частота модуляции),
- запас по полосе, обусловленный нестабильностью передатчика, равный:
(4)
(
- относительная нестабильность частоты передатчика)
(5)
Если
/
<1,2 , то расширение полосы пропускания приемника за счет нестабильности частоты передатчика незначительно и принимаем полосу пропускания линейного тракта приемника равной П. Если же
/
>1,2 расширение полосы существенно и требует введения системы ЧАП. В этом случае:
(6)
где
=10-35 –коэффициент передачи системы ЧАП.
(7)
Так как
/
<1,2, то останавливаемся на введение системы ЧАП
3. Выбор структуры преселектора для обеспечения требуемой избирательности
В данном разделе выбираются фильтры преселектора, позволяющие обеспечить требуемое подавление двух основных паразитных каналов приемника - зеркального и канала прямого прохождения.
Приводимый расчет предполагает знание промежуточной частоты приемника. Задаемся промежуточной частотой проектируемого приемника:
(8)
(
- средняя несущая частота входного сигнала) для КВ диапазона (3МГц - 30МГц) и УКВ диапазона (30МГц - 300МГц);
(9)
Далее последовательно для каждого из паразитных каналов находим структуру преселектора.
А) Определение структуры преселектора, обеспечивающей подавление зеркального канала.
Находим обобщенную расстройку зеркального канала:
(10)
где
- частота зеркального канала.
(11)
Эквивалентное затухание контуров тракта сигнальной (высокой) частоты dэсч выбирается из таблицы 1.
(12)
Таблица 1

Для наименьшего из полученных в многодиапазонных приемниках
(худший вариант) и требуемого подавления зеркального канала
находим по рис.1, вид избирательной системы, подавляющей паразитный зеркальный канал. На этом рисунке номер кривой соответствует виду фильтровой системы преселектора:
1 – ОКК (одиночный колебательный контур),
2 – ДПФ (двойной полосовой фильтр),
3 – два ОКК,
4 – ДПФ и ОКК,
5 – три ОКК,
6 – два ДПФ,
7 – ДПФ и два ОКК,
8 – два ДПФ и один ОКК,
9 – три ДПФ,
10 – ДПФ при
и ОКК с ![]()

Рис.1
Б) Определение структуры преселектора, обеспечивающей подавление канала прямого прохождения.
Находим обобщенную расстройку канала прямого прохождения:
(13)
Обычно обобщенная расстройка канала прямого прохождения много больше обобщенной расстройки зеркального канала, то есть
<<
. Это говорит о том, что паразитный канал прямого прохождения расстроен относительно полезного сигнала гораздо сильнее по сравнению с зеркальным каналом. В этом случае можно утверждать, что выбранная ранее избирательная система для подавления зеркального канала надежно подавит и паразитный канал прямого прохождения.
4. Выбор структуры УПЧ
В данном разделе выбираются фильтры УПЧ, позволяющие обеспечить требуемое подавление соседнего канала.
Для выбора фильтров необходимо выяснить по техническому заданию величину требуемого подавления
и рассчитать коэффициент прямоугольности требуемой АЧХ УПЧ:
(14)
где
- расстройка по соседнему каналу
Наиболее широкое распространение в каскадах УПЧ получили ФСС (фильтры сосредоточенной селекции), параметры которых приведены в таблице 2.
Выбирая ФСС надо учитывать, что его подавление должно быть не меньше требуемого по ТЗ, а коэффициент прямоугольности - не больше требуемого. Выбрав фильтр и определив по таблице 2 его коэффициент
, определяем частоту, на которой ФСС будет работать:
(15)
где
- эквивалентное затухание контуров на первой промежуточной частоте (Таблица 1).
(16)
Таблица 2
| Вид фильтра | Число LC контуров | Коэффициент | Число каскадов | |
| 1 | 2 | |||
| ФСС | ЧетыреLC контура | 2,2 | 1,3 | |
| 3,7 | 1,7 | |||
| 0,35 | 0,385 | |||
| ФСС | ПятьLC контуров | 1,8 | 1,2 | |
| 2.7 | 1.5 | |||
| 0,35 | 0.385 | |||
| ФСС | ШестьLC контуров | 1,52 | 1,15 | |
| 2,2 | 1,3 | |||
| 0.35 | 0,385 | |||
5.Выбор количества преобразований частоты в приемнике
При выборе структуры преселектора в третьем разделе была выбрана первая промежуточная частота приемника, при выборе структуры УПЧ – вторая. Так как
, приемник выполняется с двойным преобразованием частоты с
.
6. Допустимый коэффициент шума приемника
Нахождение максимально допустимого коэффициента шума приемника производится по формуле (17):
![]()
где
- чувствительность приемника,
к =1,39
дж/град – постоянная Больцмана,
=293
К – температура по Кельвину,
=1,1П – шумовая температура приемника,
(18)
- сопротивление антенны.
- отношение сигнал/шум на входе детектора, производится по формуле (19):

где
- отношение сигнал/шум на выходе детектора. В формулу (19)
подставляется в разах по напряжению;
- пик-фактор сигнала;
- максимальный индекс Ам сигнала;
- полоса пропускания УНЧ;
(20)
7. Коэффициент шума приемника
Коэффициент шума приемника определяется через коэффициенты шума отдельных каскадов приемника по формуле:
(21)
где
- коэффициенты шума входной цепи , усилителя сигнальной частоты и преобразователя частоты соответственно,
- коэффициенты передачи по мощности входной цепи и усилителя сигнальной частоты.
Коэффициенты шума и коэффициенты передачи по мощности отдельных каскадов приемника приведены в таблице 3.
Таблица 3
| Вид каскада | Коэффициент шума | Максимальный коэффициент усиления по мощности |
| Одноконтурная входная цепь | 1/(1+а) | |
Усилитель на транзисторе: с общим эмиттером с общей базой - по каскодной схеме |
|
|
Преобразователь частоты: на транзисторе с общим эмиттером на транзисторе с общей базой - на тунельном диоде |
5…12 |
10…30 |
В Таблице 3:
а – коэффициент, который равен для диапазонных приемников а=0,5;
- коэффициент шума выбранного транзистора, который в справочниках задается в дБ, а в формулу (12) подставляется в разах по мощности;
- параметры транзистора.
В Приложении 1 приведены некоторые наиболее широко используемые транзисторы. В приложении 2 – формулы для расчета параметром этих транзисторов. В Приложении 3 перевод дБ в разы.
Проверкой правильности выбора транзистора служит выполнение условия:
(22)
Выбираем транзистор КТ3127А с параметрами:
Параметры биполярных транзисторов
| Тип транзистора | Шт (дБ) | ||||||
| КТ3127А | 600 | 6 | 150 | 1 | 10 | 5 | 5 10 |
Шт=5дБ=3,2раз ;
Найдем коэффициенты шума входной цепи , усилителя сигнальной частоты и преобразователя частоты соответствен:
![]()
=1/0,5=2 (23)
2 Шт=2∙3,2=6,4 (24)
4 Шт=4∙3,2=12,8 (25)
Найдём коэффициенты передачи по мощности входной цепи и усилителя сигнальной частоты:
1/(1+а)= 1/(1+0,5)=0,67 (26)
![]()
=
(27)
Обратная проводимость транзистора определяется по формуле:
![]()
=
????? (28)
Найдём прямую проводимость (крутизну) транзистора:
=
=
(29)
=
(30)
Коэффициент шума приемника по формуле (31):
=![]()
условие выполнено, транзистор выбран правильно.
8. Расчет коэффициента усиления приемника и распределение усиления по каскадам
Обобщенная структурная схема приемника приведена на рис.3

Рис.3
1.Расчет числа каскадов тракта сигнальной частоты
Для этого вычисляется требуемое усиление:
(32)
где
- чувствительность проектируемого приемнока,
- напряжение на входе первого преобразователя частоты, равное 30…40мкВ для биполярных транзисторов (БТ).
Определим необходимое число каскадов N в тракте сигнальной частоты, обеспечивающее требуемое усиление:
(33)
где
- уточненный коэффициент передачи входной цепи (
- коэффициент, определяемый по таблице 4)
=
(34)
- коэффициент усиления усилителя сигнальной частоты равняется коэффициенту устойчивого усиления транзистора. Формулы для расчета
приведены в таблице 5.
=
=17,33 (35)
Таблица 4
| Вид входной цепи | Тип транзистора в УСЧ | |
ОКК ОКК |
Полевой транзистов Биполярный транзистор |
10 100 |
ДПФ ДПФ |
Полевой транзистов Биполярный транзистор |
|
В таблице 4
- параметр связи между контурами ДПФ.
Таблица 5
| Вид усилительного каскада | Тип транзистора | Схема включения транзистора | |
| На одном транзисторе | Биполярный | С общим эмиттером С общей базой |
|
| На одном транзисторе | Полевой |
С общим истоком С общим затвором |
|
| Каскодная схема | Биполярные | -- | |
| Каскодная схема | Полевые | -- | ![]() |
=> неверно, поэтому перехожу на каскадную схему включения, у которого:
Или же можно взять 2 каскада на одном транзисторе
40<270
=
(36)
Выходная проводимость транзистора:
(37)
Тогда коэффициент усиления усилителя сигнальной частоты равняется:
(38)
N=1
2. Определить число каскадов тракта первой промежуточной частоты.
Число каскадов тракта первой промежуточной частоты N определяется по аналогии с первым пунктом данного раздела: сначала определяется необходимое усиление в этом тракте, а уже затем необходимое число каскадов. Обобщенная формула вычислений:
(39)
где
напряжение на входе второго преобразователя частоты, равное 300…400мкВ для биполярных транзисторов (БТ).
![]()
=
(40)
Найдём прямую и обратную проводимости транзистора:
=
=
(41)
![]()
=
(42)
коэффициент усиления усилителя сигнальной частоты равняется:
![]()
(43)
N=1
Необходимо отметить, что чем ниже частота , тем выше коэффициент устойчивого усиления транзисторов.
3. Определить число каскадов тракта второй промежуточной частоты.
Вычисления проводятся по формуле:
(44)
где
- напряжение на входе детектора, равное (0.5…1)В для АД, СД, ЧД (с настроенными или расстроенными контурами ) и (30…50)мВ для дробного ЧД;
=5…10 – коэффициент запаса.
![]()
Берем транзистор КТ 342 В
=
(45)
Найдём прямую и обратную проводимости транзистора:
=
=
(46)
![]()
=
(47)
коэффициент усиления усилителя сигнальной частоты равняется:
![]()
(48)
N=4
4.Определить усиление в тракте низкой частоты.
Коэффициент усиления в тракте низкой частоты равняется:
(49)
где
=2…5 – коэффициент запаса,
=(0,8…0,9) ![]()
=
(50)
Определяем напряжение в нагрузке:
=
В (51)
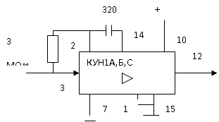
В тракте низкой частоты для обеспечения необходимого усиления целесообразно использование микросхем, некоторые из которых приведены в Приложении 4.
Параметры и схемы включения микросхем серии К226, предназначенные для усиления низкой частоты.
Таблица 4.
| Серии МС | |||||
| К 226 УН1А,Б,С | 250…350 | 0, 2…100 | +12,-6 |
Входная емкость микросхемы не 226 превышает 20пФ.

9. Определение числа каскадов приемника, охватываемых АРУ
В ТЗ приведен коэффициент регулирования АРУ, показывающий динамический диапазон изменения входного и выходного сигнала. Для проведения дальнейших расчетов эти динамические диапазоны надо перевести дБ по напряжению и вычислить динамический диапазон АРУ:
(52)
![]()
![]()
Число охватываемых каскадов N равняется:
(53)
где
- динамический диапазон регулировки одного каскада
![]()
(54)
- число охватываемых каскадов АРУ
10.Составление структурной схемы проектируемого приемника
Обобщенная структурная схема приемника приведена на рис.4

Рис.4
Особенности построения структурной схемы приемника следующие:
в диапазонном приемнике необходимо показать сопряженную перестройку каскадов ВЦ, УСЧ и Г приемника;
около каждого вида устройства показать их количество N=? и тип фильтров (ОКК; ДПФ, ФСС), а также тип микросхемы;
ввести АРУ и показать какое количество усилительных каскадов охватывает система АРУ;
показать ЧАП или ФАП промежуточной частоты, уменьшающий запас по полосе приемника, если расчеты показали, что он необходим;
вместо Д, показанного на рис.4, необходимо ввести конкретный вид этого детектора:
для АТ сигналов – АД,
для ЧТ сигналов – ЧД ( перед «обычным» ЧД необходим ограничитель),
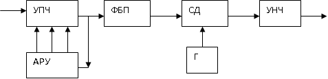
для сигналов с ОМ – СД (синхронный детектор). Обычно СД – это ФД, который формирует выходной сигнал с учетом не только разности фаз входных колебаний, но и их амплитуд. Для работы любого ФД необходимо опорное колебание. Для ОМ колебаний с остатком несущей опорное колебание выделяется в ФОН (фильтр остатка несущей) и поддерживается системой ФАП (рис.5). Для ОМ колебаний с полностью подавленной несущей опорное колебание формируется в высокостабильном генераторе (рис.6). Как следует из рисунков, перед СД ставится ФБП (фильтр боковой полосы), выделяющий спектр полезного сигнала, содержащийся в боковой полосе.

Рис. 5

Рис.6
Приложение 1
Параметры биполярных транзисторов
| Тип транзистора | Шт (дБ) | ||||||
| КТ 342 В | 300 | 200 | 400 | 4 | 700 | 7 | 5 50 |
| КТ 306 А | 500 | 30 | 30 | 5 | 500 | 15 | 30 100 |
| КТ 306 Б | 650 | 30 | 60 | 5 | 500 | 15 | 30 100 |
| КТ 3126 А | 500 | 7 | 100 | 2,5 | 15 | 8 | 5 6 |
| КТ 3127 А | 600 | 6 | 150 | 1 | 10 | 5 | 5 10 |
| КТ 316 А | 600 | 17 | 60 | 3 | 50 | 10 | 15 16,7 |
| КТ 316 Б,В | 800 | 17 | 120 | 3 | 50 | 10 | 15 16,7 |
| КТ 316 Г | 600 | 17 | 100 | 3 | 150 | 10 | 15 50 |
| КТ 316 Д | 800 | 17 | 300 | 3 | 150 | 10 | 15 50 |
| КТ 3128 А | 800 | 7 | 150 | 1 | 5 | 5 | 6 5 |
| КТ 397 А | 800 | 25 | 300 | 1,3 | 40 | 6 | 20 30,8 |
| КТ 3109 А | 800 | 8 | 15 | 1 | 10 | 6 | 7 10 |
| ГТ 311 А | 770 | 8 | 70 | 1,8 | 50 | 8 | 8 27,8 |
| ГТ 311 Б | 1500 | 8 | 80 | 1,5 | 100 | 5,1 | 8 66,7 |
| ГТ 311 Г | 1500 | 8 | 60 | 1,5 | 75 | 5,1 | 8 50 |
| ГТ 311 Д | 1500 | 7 | 110 | 1,5 | 75 | 5,1 | 8 50 |
| ГТ 329 А | 1200 | 22 | 100 | 2 | 15 | 4 | 10 7,5 |
| Т 341 А | 1950 | 60 | 60 | 1 | 10 | 4,5 | 30 10 |
| КТ 382 А | 2250 | 3 | 330 | 2 | 6 | 3 | 3 3 |
| КТ 382 Б | 2250 | 3 | 330 | 0,7 | 5,5 | 4,5 | 3 2,8 |
| КТ 372 А | 2400 | 20 | 10 | 1 | 9 | 3,5 | 8 9 |
| КТ 372 Б | 3000 | 20 | 10 | 1 | 9 | 3,5 | 8 9 |
| КТ 371 А | 3600 | 10 | 200 | 1,2 | 10 | 5 | 8 8,3 |
| Т 362 | 4800 | 5 | 200 | 1 | 10 | 4 | 8 10 |
| ГТ 362 Б | 4800 | 5 | 200 | 0,5 | 30 | 4 | 8 6 |
| КТ 391 А | 7000 | 8 | 150 | 0,7 | 3,7 | 4,5 | 7 5,3 |
| КТ 391 Б | 7000 | 8 | 150 | 1 | 3,7 | 4,5 | 7 5,3 |
| КТ 368 А | 7000 | 6 | 300 | 1,7 | 15 | 3,3 | 5 2,8 |
| КТ 368 Б | 7000 | 6 | 300 | 1,7 | 15 | 2,8 | 5 2,8 |
| КТ 3115 А-2 | 7500 | 9 | 20 | 0,6 | 9 | 5 | 7 15 |
| КТ 3124 А-2 | 8000 | 6 | 200 | 0,6 | 2,5 | 5 | 5 4,2 |
| КТ 610 А | 10000 | 12 | 300 | 4,1 | 55 | 6 | 10 13,4 |
| КТ 610 Б | 7000 | 12 | 300 | 4,1 | 22 | 6 | 5,4 |
Приложение 2
Параметры транзисторов на частотах ниже 500 МГц.
При включении транзисторов в усилительный каскад по схеме с общим эмиттером параметры транзистора приведены в таблице 1, где:
- прямая проводимость (крутизна) транзистора,
- обратная проводимость транзистора,
- выходная проводимость транзистора,
- входная проводимость транзистора.
Таблица 1
| Параметры транзистора | Расчетные формулы |
|
|
|
|
|
|
|
|
где
,
![]()
При включении транзисторов в усилительный каскад по каскадной схеме (ОЭ-ОБ) параметры транзисторов приведены в таблице 2.
Таблица 2
| Параметры транзистора в схеме с ОЭ | Параметры транзистора в схеме с ОЭ ОБ |
![]() |
|
Приложение 3
Таблица отношений напряжений и мощностей
| N (дБ) | N (дБ) | N (дБ) | ||||||
| 0 | 1,0 | 1,0 | 2,1 | 1,27 | 1,62 | 7,0 | 2,2 | 5,02 |
| 0,1 | 1,012 | 1,024 | 2,2 | 1,29 | 1,66 | 8,0 | 2,5 | 6,31 |
| 0,2 | 1,024 | 1,048 | 2,3 | 1,31 | 1,7 | 9,0 | 2,8 | 8,0 |
| 0,3 | 1,035 | 1,07 | 2,4 | 1,32 | 1,74 | 10,0 | 3,2 | 10,0 |
| 0,4 | 1,047 | 1,09 | 2,5 | 1,34 | 1,8 | 11,0 | 3,58 | 13,0 |
| 0,5 | 1,06 | 1,12 | 2,6 | 1,35 | 1,82 | 12,0 | 4,0 | 16,0 |
| 0,6 | 1,07 | 1,14 | 2,7 | 1,365 | 1,86 | 13,0 | 4,5 | 20,0 |
| 0,7 | 1,085 | 1,17 | 2,8 | 1,38 | 1,9 | 14,0 | 5,02 | 25,1 |
| 0,8 | 1,097 | 1,2 | 2,9 | 1,4 | 1,95 | 15,0 | 5,67 | 31,0 |
| 0,9 | 1,11 | 1,23 | 3,0 | 1,42 | 2,0 | 16,0 | 6,31 | 40,0 |
| 1,0 | 1,12 | 1,26 | 3,1 | 1,437 | 2,048 | 17,0 | 7,1 | 51,0 |
| 1,1 | 1,135 | 1,29 | 3,2 | 1,45 | 2,096 | 18,0 | 8,0 | 64,0 |
| 1,2 | 1,148 | 1,3 | 3,3 | 1,47 | 2,14 | 19,0 | 8,96 | 80,0 |
| 1,3 | 1,161 | 1,3 | 3,4 | 1,486 | 2,18 | 20,0 | 10 | 100 |
| 1,4 | 1,17 | 1,3 | 3,5 | 1,5 | 2,24 | 30,0 | 32 | |
| 1,5 | 1,19 | 1,4 | 3,6 | 1,52 | 2,28 | 40,0 | 100 | |
| 1,6 | 1,2 | 1,4 | 3,7 | 1,54 | 2,34 | 50,0 | 320 | |
| 1,7 | 1,22 | 1,48 | 3,8 | 1,557 | 2,4 | 60,0 | ||
| 1,8 | 1,23 | 1,52 | 3,9 | 1,57 | 2,46 | 70,0 | ||
| 1,9 | 1,245 | 1,55 | 4,0 | 1,6 | 2,5 | 80,0 | ||
| 2,0 | 1,26 | 1,6 | 5,0 | 1,8 | 3,2 | 90,0 | ||
| 6,0 | 2,0 | 4,0 | 100.0 |
Приложение 4
Параметры и схемы включения микросхем серии К 226, предназначенные для усиления низкой частоты
| Серии МС | |||||
| К 226 УН1А,Б,С | 250…350 | 0,2…100 | +12,-6 | ||
| К 226 УН2А,Б,С | 25…35 | 0,02…100 | +12,-6 | ||
| К 226 УН3А,Б,С | 270…330 | 0,02…100 | +6,-9 | ||
| К 226 УН4А,Б,С | 9…11 | 0,02…100 | +6,-9 | ||
| К 226 УН5А,Б,С | 90…100 | 0,02…100 | +12,-6 |
Входные емкости вышеперечисленных микросхем не превышают 20пФ.




