| Скачать .docx |
Курсовая работа: Разработка стереовидеокамеры
Введение
Стереовидеокамера применяется для анализа различных трехмерных объектов. Различают стереосистемы пассивного и активного типов. Пассивный принцип стереоанализа дает несомненные преимущества устройствам этого типа, но требует более сложных алгоритмов обработки принятых сигналов и подвержен воздействию помех, которые снижают достоверность получаемой информации. Активные стереосистемы в значительной степени свободны от этого недостатка. Но использование стереосистем пассивного типа позволяет вести наблюдение скрытно от объекта, т.е. не может быть обнаружено.
Основной проблемой стереоскопических систем при определении дальности является нахождение сопряженных точек в изображениях, формируемых каждой из стереоскопических пар. Особенно остро эта проблема стоит при анализе неизвестных образов объектов. Вследствие этого снижается эффективность алгоритмов определения сопряженных точек, и нужно разрабатывать более сложные алгоритмы. Чтобы преодолеть трудности, возникающие при автоматической обработке и интерпретации трехмерной информации, формируемой в стереосистеме телевизионного типа, используют специальную подсветку. Стереоскопические системы телевизионного типа с использованием различных типов структурированной подсветки относят к активным стереоанализаторам. В настоящее время созданы бинокулярные системы со сканированием лазерным пучком, совершающим строчно-кадровое сканирование пространства предметов, со сканирующим лазерным плоским пучком, совершающим одномерное сканирование.
Стереоскопические системы телевизионного типа находят применение в автоматических системах навигации подвижных роботов, а также в железнодорожных вагонах-лабораториях для испытания контактной сети, а также измерения расстояния от стенки вагона до внешних объектов (стенок тоннеля, стен домов, столбов и т.д.). Это расстояние не должно быть меньше допустимого, поэтому на пути следования поезда проводятся измерения этого расстояния. Именно для решения этой проблемы и будет разрабатываться пассивная стереоскопическая оптическая система, описанная в данной работе. Тем же способом проводят измерения высот подвески, зигзага и выноса группы контактных проводов, высоты и отклонения в плане отходящих проводов.
Восстановление трехмерной структуры сцены (ТСС) является одной из важных задач технического зрения, ставшей особенно актуальной с созданием робототехнических устройств, способных ориентироваться в трехмерном пространстве и систем безопасности, использующих трехмерные образы объектов.
В обычном изображении трехмерного пространства информация о расстоянии до различных элементов сцены проявляется только в виде косвенных признаков: через относительные размеры объектов, затенение одних объектов другими, различной освещенностью и т.д. Один из способов получения информации о глубине состоит в регистрации нескольких изображений сцены под различными ракурсами. В этом случае точки сцены дают изображения, относительное положение которых зависит от расстояния до точки наблюдения, сопоставляя которые, можно реконструировать ТСС.
Систему, предназначенную для регистрации нескольких изображений сцены под различными ракурсами, называют стереоскопической системой. Простейшим примером стереоскопической системы являются две одинаковые камеры, расположенные так, что их оптические оси параллельны, а прямая, проходящая через оптические центры, перпендикулярны оптическим осям. Эта прямая называется базовой линией, а ее отрезок, заключенный между оптическими центрами – базой b .

Рис. 1

Рис. 2
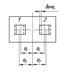
Принцип получения стереоизображения можно рассмотреть на рис. 2. О величине расстояния до объекта можно судить по смещению изображения на величину а1 от оптической оси матрицы. При наличии каких-либо неровностей или выступов в плоскости объекта изображение на матрице смещается относительно первоначального на величину da и составляет а2 от оптической оси матрицы. Таким образом, по величине смещения da можно судить о поперечном размере выступа или неровности в плоскости объекта.
1. Теоретическая часть
a. Оптическая схема
Оптическая схема стереовидеокамеры показана на рис. 3

Рис. 3
Основными элементами стереовидеокамеры являются:
- Входное окно 1
- Наклонные плоские зеркала 2 и 3
- Сферические зеркала 4 и 5, (наклонные плоские и сферические зеркала служат для увеличения оптического пути с целью сопряжения входного и выходного зрачков)
- Оптическая система 6
- Камера, состоящая из приемного объектива 7 и ПЗС-матрицы
Изображение регистрируется через две различные зоны входного зрачка. Далее происходит отражение излучения на зеркалах 2, 3, 4 и 5, после чего излучение попадает в передающую оптическую систему 6 и переносится на плоскость ПИ регистрирующей приемной системой 7. Расстояние между центрами зеркал 2 называется базой B. Расстояние от последнего элемента приемной оптической системы 7 до приемника излучения юстируется в пределах 0,1 мм с погрешностью 0,01 мм, а расстояние между двумя зеркалами юстируется в пределах 1 мм с погрешностью 0,1 мм.
Предельная дальность измерения составляет 1500 мм.
Основные характеристики оптической системы:
– входной зрачок системы
– угловое поле
– фокусное расстояние
b. Параметры источника излучения [5, 6]
Источником излучения для нашей системы является излучение, отраженное от объекта, чаще всего солнечное. Т.к. у нас пассивная система, то подсветка объекта не требуется.
Минимальная освещенность объекта составляет
лк (измерена для диффузного объекта с коэффициентом отражения
)
Разрабатываемая система работает при следующих условиях:
- дальность обнаружения объектов
м,
- коэффициент пропускания атмосферы
,
- объекты – диффузные, с коэффициентами отражения от
до
.
Излучатель конечной площади занимает часть углового поля оптической системы. Энергетическая характеристика такого излучателя служит яркость Le . Можно воспользоваться известной формулой для определения потока, приходящего на входной зрачок от элемента с площадью ΔА.

Для круглого зрачка пределы интегрирования по σ составляют от 0 до σа , по ψ они равны от 0 до 2π. При косинусном излучателе Le = const и тогда
![]()
На выходе оптической системы
![]()
Где τ0 – коэффициент пропускания оптической системы
Если учесть, что sin2 σa =D2 /4l2 , где l – расстояние до излучателя, то получим

Облученность входного зрачка для этого случая определяется следующим образом
![]()
Расчет коэффициента пропускания оптической системы.
В оптической системе основными обычно являются потери из-за отражения на границах оптических сред, из-за поглощения в материалах оптических деталей, а также за счет виньетирования и диафрагмирования оптических пучков. Общая формула для коэффициента пропускания оптической системы, учитывающий потери на поглощение и отражение записывается следующим образом

Где
N – число поверхностей раздела,
ρk – коэффициент отражения на k-ой поверхности раздела оптических сред,
p – число оптических сред, проходимых излучением,
аm – коэффициент поглощения на единицу пути лучей в m-ой оптической среде,
lm – длина пути излучения в m-ой среде,
ρz – коэффициент отражения на n-ой зеркальной поверхности
Nz – число зеркальных поверхностей
c. Параметры приемника излучения [5,6]
В качестве приемника излучения используется ПЗС-матрица HamamatsuS10140–1007 со следующими характеристиками
Формат матрицы 1/3’’
размер
мм2
,
количество пикселей – 0.4 млн.
разрешение
,
размер элемента
мм.
Пороговая освещенность, поступающая на вход приемника E = 0,01 лк
Частота кадров f=25 Гц
На рис. 4 показана зависимость чувствительности ПИ от длины волны.
Рис. 4
2. Габаритный расчет оптической системы
Для построения и оптимизации оптической системы использовалась компьютерная программа «Zemax»

Рис. 5
На рисунке 5 в таблице представлены значения конструктивных элементов оптической системы – радиусы кривизны, толщины, световые диаметры, показатели преломления стекол.

Рис. 6
В данной таблице посчитаны значения световых диаметров, стрелок, толщин по оптической оси, фокусных расстояний, передних и задних фокальных отрезков различных элементов оптической системы.
На рис. 7 представлены графики поперечных и волновых аберраций оптической системы. Как видно, полностью избавить систему от аберраций не удалось, в частности наибольшую проблему представляет хроматизм увеличения. Но в целом, результаты можно признать приемлемыми.
Главным критерием аберрационного расчета является вписывание пятна рассеяния в размер элемента матрицы. На графике изображено геометрическое распределение энергии в зависимости от радиуса кружка. Пятно рассеяния определяется по уровню энергии 0,7. По графику радиус кружка рассеяния составляет около 5 мм. Результаты можно считать приемлемыми.


Рис. 7

Рис. 8
3. Светоэнергетический расчет
a. Расчет коэффициента пропускания [4, 5, 6]
Общая формула для коэффициента пропускания оптической системы, учитывающий потери на поглощение и отражение записывается следующим образом

Где
N – число поверхностей раздела: N=9
ρk – коэффициент отражения на k-ой поверхности раздела оптических сред,; примем ρk = 0,98 (соответствует двойному просветлению)
p – число оптических сред, проходимых излучением, p=5
аm – коэффициент поглощения на единицу пути лучей в m-ой оптической среде, примем аm =0,01 на 1 см длины
lm – длина пути излучения в m-ой среде, общая длина пути 2,5 см
ρz – коэффициент отражения на n-ой зеркальной поверхности, примем ρz =0,9
Nz – число зеркальных поверхностей, Nz=4
Итого получаем, что коэффициент пропускания оптической системы
.
С учетом коэффициента пропускании атмосферы 0,9 общий коэффициент пропускания всей системы ![]()
b. Расчет отношения сигнал-шум [4, 5, 7]
Итак, проводим расчет для коэффициента отражения объекта 0,1 и минимальной освещенности объекта 0,01 лк
Светимость объекта
![]()
Яркость объекта (с учетом допущения про Ламбертов источник)
![]()
Сила света объекта
![]()
Световой поток, попадающий на входной зрачок
![]()
![]()
![]()
![]()
![]()
![]()
![]()
Определение коэффициентов использования излучения глазом и приемником излучения.
![]()
![]()
– приводятся в справочнике


![]()
![]()
Пороговая освещенность для коэффициента отражения 0,7
лк
=0,03
Итого отношение сигнал-шум
=10
c. Определение временного спектра сигнала [4, 7]
Тест – объект шпальная мира с частотой Tx линии/мм.

Рис. 9
Яркость тест-объекта в пространстве предметов описывается выражением:



Рис. 10
где Tx – период тест-объекта
m, n – геометрические размеры тест-объекта
L0 – спектральная плотность распределения яркости тест-объекта
Спектр яркости объекта


После преобразований получим

График спектра яркости

Рис. 11
Оптическая система
Объектив сканирующей ОЭС имеет следующие характеристики:
– фокусное расстояние 20 мм
– диаметр входного зрачка 10 мм
– интегральный коэффициент пропускания τ=0.9
– радиус кружка рассеяния rкр = 5 мкм
Оптическая передаточная функция оптической системы аппроксимируется двумерной гауссоидой.
![]()

Рис. 12
Освещенность площадки ПИ на выходе из ОС

Где τа – коэффициент пропускания атмосферы
τос – коэффициент пропускания ОС
σ’a – апертурный угол на выходе из ОС
Спектр освещенности на выходе из ОС

После преобразований получим

![]()
График спектра освещенности

Рис. 13
Геометрический растр ФПЗС представляет собой тонкий транспарант с набором прямоугольных отверстий, положение каждого из которых соответствует положению и размерам соответствующих фоточувствительных элементов реальной матрицы.

Рис. 14
Геометрический растр ФПЗС преобразует непрерывное распределение освещенности в дискретные отсчеты потока, распределенные по пространству. Фотодетектор, представляющий собой матрицу конденсаторов, преобразует дискретные отсчеты потока в дискретные отсчеты заряда (т.е. накопленных зарядовых пакетов), также распределенные по пространству и образующие скрытое точечное матричное изображение у поверхности полупроводниковой подложки. При переносе зарядовых пакетов к выходному регистру и их преобразованию в соответствующие отсчеты напряжения U(t), формируется последовательный дискретный видеосигнал с нелинейными искажениями, обусловленными выборкой. Выходным сигналом ФПЗС является аналоговое напряжение видеосигнала. Рассмотрим подробнее процесс преобразования оптического сигнала геометрическим растром ФПЗС. Геометрический растр ФПЗС, представленный как тонкий транспарант, выполняет две функции:
1. Пространственное усреднение освещенности в пределах апертуры каждого элемента ФПЗС.
2. Выборку (дискретизацию) сигнала Е (x', y') с конечным шагом dх , dy .
3. ПЧ – фильтрацию, определяемую размерами одного элемента ФПЗС.
Пусть ФПЗС – матрица состоит из одинаковых прямоугольных элементов размером ах х ау , и расстояниями между их центрами dх и dy
Усредняющая выборка представляется в виде

При этом ограниченность размеров ПЗС-матрицы (количества элементов) не учитывается, т. к. размер ФЧЭ много меньше длины строки: ![]()
Спектр пространственной выборки
![]()
Спектр представляет собой последовательность дельта-функций с амплитудами, умноженными на модуляционную функцию ПЗС-матрицы.

Частота элементов (частота дискретизации изображения)
.
Распределение освещенности содержит только нечетные гармоники ![]()

Рис. 15
Рассмотрим произвольный случай, когда
![]()
Тогда коэффициент передачи модуляции

при k=1 m=0.935
при k=3 m=0.505
при k=5 m=0
Осуществим модуляцию по третьей гармонике
Выражение для пространственного распределения выборочного потока излучения запишется в виде:


Рис. 16
Рассмотрим предельный случай, когда
![]()
Тогда коэффициент передачи модуляции

при k=1 
Таким образом, коэффициент передачи модуляции на первой гармонике равен 0,64.
Выражение для пространственного распределения выборочного потока излучения запишется в виде:

Построим пространственное распределение выборочных значений потоков излучения

Рис. 17
Яркость видеоконтрольного устройства высчитывается по формуле

Для произвольного случая

Рис. 18
Для предельного случая

Рис. 19
d. Расчет требуемого отношения сигнал шум [4,7]
Поскольку в ТЗ заданы величины
и
, то в проектируемой ОЭС предполагается использовать правило решения на основе критерия Неймана – Пирсона. В этом случае требуемое ОСШ определяется следующим образом:
![]()
![]()
![]()
![]()
![]()
4. Описание конструкции
Все основные элементы конструкции устанавливаются на основание 1 и крепятся к нему с помощью винтов. В основании предусмотрены пазы для установки прибора в другое рабочее место.
Перископная насадка соединяется с основным блоком стойкой 9. Входное окно 1 клеится к прижимным планкам 7, которые соединяются со стенками 2 и 3. Юстировка наклона зеркала 1 осуществляется поворотом оправы 5 при помощи трех винтов 16, наклоняющих винт 15 с шаровой головкой на нужный угол относительно неподвижной крышки корпуса 4. Величина наклона ограничивается величиной зазора между винтом и отверстием в крышке.
Похожим образом осуществлено крепление сферического зеркала. Юстировка наклона осуществляется поворотом оправы 3 при помощи трех винтов 8, наклоняющих винт 10 с шаровой головкой на нужный угол относительно неподвижной крышки корпуса 2. Величина наклона ограничивается величиной зазора между винтом и отверстием в крышке. Крышка корпуса с помощью винтов 9 устанавливается на основании 4, которое в свою очередь привинчивается к стойке 11. С помощью юстировочных винтов на стойке можно регулировать положение сборочного узла по двум осям. Стойка устанавливается на основании корпуса прибора.
Плоское зеркало прижимается к прокладке 11 винтами 7 и 9, благодаря зазору можно регулировать положение зеркала в плоскости, перпендикулярной оптической оси. Оправа 3 крепится к крышке 2 четырьмя винтами 8. Вся конструкциями винтами 10 устанавливается на стойке, где с помощью юстировочных винтов можно регулировать положение сборочного узла по двум осям. Стойка устанавливается на основании корпуса прибора.
Похожая конструкция крепления осуществлена в случае двух сферических зеркал. Разница лишь в том, что они наклеиваются на оправу 3. Между крышкой корпуса 2 и оправой 3 есть прокладка 5. С помощью винтов 8 можно регулировать положение зеркал вдоль оптической оси. Вся конструкциями винтами 9 устанавливается на стойке 6, где с помощью юстировочных винтов можно регулировать положение сборочного узла по двум осям. Стойка устанавливается на основании корпуса прибора.
Оптическая система удерживается в оправе тонкой кромкой, которая приобретает свою конечную форму в результате пластического деформирования металла во время завальцовки. В корпус 8 помимо оправы 1 также вкручивается втулка 7. Благодаря зазорам можно перемещать оптическую систему в плоскости, перпендикулярной оптической оси. После центрировки конструкция блокируется зажимным кольцом 2 и винтами 9. Вдоль оптической оси объектив передвигается по резьбе и стопорится винтами через корпус 4.
После сборки и юстировки все винты замазываются эмалью, а конструкция контролируется по инструкции И-1.
Заключение
В данном курсовом проекте была разработана стереовидеокамера. Выбрана наиболее подходящая оптическая схема для получения требуемых результатов измерения. В ходе габаритного и светоэнергетического расчетов определены ее основные параметры и характеристики системы. Спроектированная система удовлетворяет требованиям, сформулированным в ТЗ и предоставляет широкие возможности по вариации рабочих параметров. Данный прибор будет в дальнейшем усовершенствоваться.