| Скачать .docx |
Курсовая работа: Электропривод с вентильной машиной
Министерство образования и науки Российской Федерации
Московский государственный университет информатики и приборостроения
Кафедра «Системы автоматического управления»
Курсовая работа по дисциплине
«Системы автоматического управления»
Выполнил: студент гр. 120311
Елисеев А.А.
Проверил: преподаватель
Бакунин А.С.
Москва 2009.
Введение
Электроприводом называется электромеханическое устройство, посредством которого приводятся в движение рабочие органы машин и обеспечивается управление энергией, преобразованной из электрической в механическую. Значение автоматизированных электроприводов различного типа в современной технике трудно переоценить и с каждым годом оно всё более возрастает.
Современные электроприводы выполняют на базе асинхронных и синхронных машин, коллекторных двигателей постоянного и переменного тока, бесконтактных двигателей постоянного тока (БДПТ). Каждый из представленных электроприводов имеет свои достоинства и недостатки.
Асинхронные приводы просты по конструкции, имеют низкую стоимость и высокую надёжность, просты в управлении (изменением частоты питающего напряжения), но скорость вращения ротора у них зависит от момента нагрузки и, естественно, частоты питающего напряжения.
Синхронные приводы используются в системах с высокими требованиями к постоянству частоты вращения ротора. Их основным недостатком является необходимость применения специальных пусковых обмоток, а также трудности с регулированием частоты вращения ротора.
Электроприводы на базе коллекторных двигателей имеют высокий КПД, возможность плавного регулирования скорости в весьма широком диапазоне, высокий пусковой момент при малом пусковом токе. Их основным недостатком является наличие щёточно-коллекторного узла, который вызывает радиопомехи в большом диапазоне частот, пожаро и взрывоопасен.
Электропривод на базе бесконтактных двигателей постоянного тока не имеют щёточно-коллекторного узла. Он заменён полупроводниковой схемой, управляемой сигналами бесконтактного датчика положения ротора.
В последние годы БДПТ находят самое широкое применение в технике. Интерес к этому классу электрических машин обусловлен их высокой надежностью, способностью работать бесшумно при высоких частотах вращения, во взрывоопасных средах, на больших высотах и т.п. Эти двигатели имеют также хорошие статические и динамические характеристики, приближающиеся к характеристикам коллекторных двигателей постоянного тока.
БДПТ малой и средней мощности выполняются чаще всего на базе синхронной машины с постоянными магнитами на роторе. Обмотки якоря располагаются неподвижно на статоре и подключаются к источнику постоянного тока по средствам полупроводникового инвертора – коммутатора. Силовые ключи коммутатора, коммутирующие обмотку, управляются по сигналу, поступающего с датчика положения ротора (ДПР). ДПР выполняется в одном корпусе с двигателем.
Введение позиционной обратной связи превращает синхронную машину с инверторами в бесконтактный аналог машины постоянного тока, имеющий падающие механические характеристики. В настоящее время находят применения две разновидности БДПТ, отличающие типом обратной связи по положению. В первой разновидности обратная связь осуществляется с помощью параметрических датчиков положения, находящихся в чувствительных элементах (ЧЭ), которые меняют некоторые свои параметры под воздействием какого-либо физического фактора: магнитного поля, излучения и т. д. Такие датчики фиксируют лишь положения ротора, равные числу силовых ключей коммутатора и чаще всего называются дискретными.
Двигатели, выполняемые по другой схеме, в отличие от обычных дискретных БДПТ, имеют аналоговые датчики положения ротора (вращающиеся трансформаторы, сельсины и т. д.). С помощью аналоговых датчиков положения ротора силовые ключи коммутатора коммутируются по закону близкому к синусоидальному. В идеальном случае это позволяет исключить пульсацию момента и расширить диапазон регулирования двигателя. Эти двигатели можно рекомендовать для применения в системах с особо строгими требованиями к постоянству частоты вращения ротора, например: в системах стабилизации и т.п.
БДПТ по сравнению с коллекторным двигателем имеют обращенную конструкцию, то есть обмотка якоря расположена на статоре, а индуктор - на роторе.
Индуктор представляет собой постоянный магнит. Двигатели большой мощности в отличие от двигателей малой и средней мощности называются «вентильными» и выполняются с электромагнитным возбуждением.
Для получения наиболее высоких характеристик двигателей в них используют постоянный магниты из редкоземельных материалов.
Эти магниты исключительно стойкие к размагничиванию и способны запасать магнитную энергию больше той, которая могла быть создана обмоткой, выполненная в том же объеме, что и постоянный магнит.
В БДПТ с редкоземельным индуктором практически можно не учитывать реакцию якоря и можно получить значительную индукцию при больших магнитных зазорах, что позволяет в ряде случаев использовать бес пазовую конструкцию якорной обмотки, выполненную в виде втулки, и применить провод большего сечения, не увеличивая объем машины. Но для полного использования магнитных свойств редкоземельного материала конструкция ротора должна выполняться в виде коллекторной конструкции, представленной на рис. 1.
![]() |
Рис. 1. Коллекторная конструкция ротора БДПТ.
Ротор набирается из призматических постоянных магнитов 1, намагниченных по короткой оси. Магниты устанавливаются на немагнитную втулку 2, таким образом, чтобы оси намагничивания магниты были направлены тангенциально. Между магнитами устанавливаются концентраторы немагнитного потока 3.Для обеспечения механической прочности на магниты сверху накладываются вставки из немагнитного материала 4, которые привариваются в местах стыка 5. Магнитный поток, созданный постоянными магнитами, концентрируются в полюсах 3, что обеспечивает высокое значение магнитной индукции в рабочем зазоре, причем концентрация магнитного потока может быть большой и определяться отношением
, где:
- ширина магнита,
- полюсное деление,
- коэффициент полюсного перекрытия.
Наибольший эффект дает коллекторная конструкция при большом числе полюсов, при котором удается обеспечить большую величину отношения
.
К недостаткам вентильных машин следует отнести сложность изготовления как самого двигателя, а это, как правило, сложный ротор из постоянных магнитов с большим трудом подвергающихся обработке, так и вопросы намагничивания ротора; низкую механическую прочность ротора, ограничивающую верхний предел частоты вращения. Кроме этого, им присуще относительно низкая индукция в воздушном зазоре при использовании дешевых магнитотвердых материалов и большая стоимость высокоэнергетических постоянных магнитов типа "Самарий - Кобальт". Еще одна, неприятная особенность вентильных приводов - это наличие встроенного датчика положения ротора и обеспечение его надежной работы.
Несмотря на все перечисленные выше недостатки, ветвь синхронных электрических машин наиболее перспективна и ближайшее время сулит существенный технологический скачок. Уже сегодня имеются разработки синхронных машин, обладающие улучшенными на порядок массогабаритными показателями. Эти машины имеют совершенно новую нетрадиционную конструкцию и очень широкие возможности.
Следовательно, вентильная машина, обладая многими достоинствами коллекторного двигателя, избавлена от его главного недостатка – щёточно-коллекторного узла и связанных с ним проблем. Из всех типов синхронных машин, в управляемых системах наиболее перспективными считаются именно вентильные машины.
Математическое описание вентильной машины
Электропривод на основе вентильной машины представляет собой синхронный двигатель в замкнутой системе (рис. 2) реализованный с использованием датчика положения ротора (ДПР), преобразователя координат (ПК) и силового полупроводникового преобразователя (СПП).



![]()
![]()
![]()
![]()
![]()
![]()
![]()
![]()


![]()
Рис. 2. Функциональная схема БДПТ и ВМ.
В случае БДПТ на обмотках машины формируется импульсное напряжение (ток), а в случае вентильной машины на выходе СПП формируется синусоидальное или квазисинусоидальное напряжение (ток).
Принцип управления вентильной машиной поясняет рис. 3. Датчик положения ротора (ДПР), преобразователь координат (ПК) и силовой полупроводниковый преобразователь (СПП) совместно формируют на обмотках статора машины напряжения
,
,
таким образом, чтобы результирующий вектор напряжений
всегда был сдвинут на угол
и неподвижен относительно оси магнитного поля ротора.

Рис. 3. Физическая модель вентильной машины.
В этом случае и результирующий вектор тока будет сдвинут и неподвижен относительно потока ротора
, что и создаёт момент на валу машины.
Ось магнитного поля в синхронной машине принято обозначать
, а перпендикулярную ось – буквой
(рис. 3). При анализе машины ось
считается вещественной осью, а ось
– мнимой.
Уравнения равновесия ЭДС на обмотках статора в неподвижной системе координат базируются на втором законе Кирхгофа (ротор не имеет обмоток).
(1)
где
,
,
![]()
Преобразовав уравнения в мгновенных значениях к уравнениям в пространственных векторах, получим:
(2)
где
– индуктивность статора,
– потокосцепление статора в неподвижной системе координат.
Электромагнитный момент, развиваемый машиной, равен:
(3)
Уравнение равновесия моментов на валу машины:
(4)
где
,
– число пар полюсов.
Модель вентильной машины в неподвижной системе координат
Уравнения машины в неподвижной системе координат находятся на основании уравнений (1 – 4) с учётом того, что
:
(5)
Разложим уравнения (5) по неподвижным осям.
(6)
В уравнениях (6) значения проекций потока и напряжения на неподвижные оси координат
связаны между собой за счёт датчика положения ротора (ДПР, рис. 1). В реверсивных электроприводах ДПР устанавливается таким образом, чтобы пространственный вектор напряжения был сдвинут на 90 электрических градусов относительно пространственного вектора потока. В этом случае проекции пространственных векторов
на оси
запишутся в виде:
(7)
При анализе обычно вводятся относительные переменные. В качестве базовых величин принимаются:
,
,
, ![]()
где
- напряжение на фазе двигателя;
- сопротивление фазы двигателя;
- число пар полюсов двигателя;
- магнитный поток ротора;
- скорость вращения холостого хода.
В относительных величинах уравнения (6) с учётом (7) запишутся в виде:
(8)
где относительные переменные и параметры определены выражениями:
,
,
,
,
,
, ![]()
Модель вентильной машины, составленная по уравнению (8) в пакете MATLAB 6.5, представлена на рис. 4. Базовые значения переменных и относительные параметры машины приведены в таблице 2 приложения.

Рис. 4. Модель вентильной машины в неподвижной системе координат (модель двигателя ДБМ150-4-1,5-2).
Моделирование осуществляем для двигателей ДБМ150-4-1,5-2 и ДБМ185-6-0,2-2. Данные двигателей приведены в таблице 1 приложения. Результаты моделирования представлены на рис. 5 и рис. 6.
Блоком Step задавался скачок относительно входного сигнала равным единице. Исходя из полученных результатов моделирования, можно сделать вывод, что с точки зрения динамического звена ВМ близка по своим характеристикам к машине постоянного тока.

Рис. 5. Переходные процессы в ВМ по моменту и скорости в двигателе ДБМ150-4-1,5-2.

Рис. 6. Переходные процессы в ВМ по моменту и скорости в двигателе ДБМ185-6-0,2-2.
Модель вентильной машины во вращающейся системе координат
При анализе вентильной машины обычно используется вращающаяся со скоростью ротора система координат.
Связь между вращающейся и неподвижной системами координат рассмотрена ниже.
,
, ![]()
(9)
,
, ![]()
При переходе к вращающимся координатам уравнение электрического равновесия (первое уравнение системы 5) преобразуется к виду:
(10)
Разложив результирующие вектора электромагнитных переменных состояния по осям
и
, получим скалярное описание машины. При этом ось
совмещается с осью потока ротора (см. рис. 2).
(11)
где принято
,
,
.
При анализе снова вводятся относительные переменные. В качестве базовых величин принимаются:
,
,
, ![]()
В относительных величинах уравнения (10) запишутся в виде:
(12)
где относительные переменные и параметры определены выражениями:
,
,
,
,
,
, ![]()
Значения базовых величин, относительных переменных и параметров приведены в таблице 3 приложения.
Модель вентильной машины (двигатель ДБМ150-4-1,5-2) во вращающейся системе координат, построенная по уравнениям (12) и собранная в пакете MATLAB 6.5 имеет вид (см. рис. 7).

Рис. 7. Модель вентильной машины во вращающейся системе координат.
Результаты моделирования для двигателей ДБМ150-4-1,5-2 и ДБМ185-6-0,2-2 представлены на рис. 8 и рис. 9. На вход модели подано единичное ступенчатое воздействие.

Рис. 8. Переходные процессы по моменту, скорости и продольной составляющей тока в двигателе ДБМ150-4-1,5-2.

Рис. 9. Переходные процессы по моменту, скорости и продольной составляющей тока в двигателе ДБМ185-6-0,2-2.
Переходные процессы в машине по скорости и моменту во многом совпадают с результатами моделирования в неподвижной системе координат. На рис. 7 и рис. 8 показан процесс по току
. Наличием этого тока объясняется специфика процессов в ВМ в переходных и установившихся режимах работы.
Ток
является током по продольной оси, он не создаёт момента, но в достаточной степени влияет на поток и соответственно на скорость и на общий ток потребления машины. Причиной появления этого тока является относительная электромагнитная постоянная времени
в цепи статора машины и взаимные перекрёстные связи между каналами.
Модель вентильной машины во вращающейся системе координат с учётом запаздывания в канале вращающийся трансформатор – демодулятор – фильтр
При рассмотрении характеристик вентильной машины необходимо учитывать не только параметры самого двигателя, но и параметры канала с датчиком положения ротора.
Если рассматривать двигатели типа ДБМ, то в них используются датчики положения ротора типа вращающийся трансформатор. Эти датчики по существу являются многополюсными ВТ число полюсов которых согласовано с числом полюсов ДБМ. В системах электропривода датчики ВТ используются обычно в режимах с амплитудной либо фазовой модуляцией.
В данном случае также применяются генератор несущей частоты, демодуляторы, фильтры и умножители. Напряжение с генератора несущей частоты подаётся на обмотку возбуждения ВТ. Напряжения на вторичных обмотках ВТ являются синусоидальной и косинусоидальной функцией угла поворота двигателя. Демодуляторы совместно с фильтрами отфильтровывают несущую частоту, а умножители выполняют роль преобразователей координат, преобразуя вращающуюся систему координат в неподвижную в соответствии с выражениями (9).
Полученные выше уравнения (12) не учитывают влияния запаздывания в канале ВТ-ДМ-Ф. Для учёта этого влияния определим напряжения
,
в системе координат
,
, тогда в относительных величинах получим:
,
(13)
где
,
- постоянная апериодического фильтра на выходе двухполупериодного демодулятора.
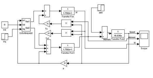
Модель вентильной машины представлена на рис. 10. Модель содержит собственно синхронный двигатель и блок Uchetzapazd, учитывающий запаздывание в канале ВТ-ДМ-Ф. Содержание этого блока представлено на рис. 11. Моделирование осуществлено для двигателей ДБМ150-4-1,5-2 и ДБМ185-6-0,2-2 и датчика положения ротора типа ВТ60.

Рис. 10. Модель вентильной машины во вращающейся системе координат с учётом запаздывания в канале ВТ-ДМ-Ф на примере двигателя ДБМ150-4-1,5-2.

Рис. 11. Блок Subsystem.
Результаты моделирования двигателей ДБМ150-4-1,5-2 и ДБМ185-6-0,2-2 для задающих сигналов
,
представлены на рис. 12, 13,14,15,16,17.
Следует отметить две принципиальные особенности вентильной машины, о которых уже говорилось выше:
1) Скорость вращения при
меньше заданной скорости холостого хода.
2) Значительный ток по продольной оси «d» несмотря на то, что напряжение
. Эти особенности при наличии дополнительного запаздывания в канале ВТ-ДМ-Ф здесь выражены в большей степени по сравнению с обычной электрической машиной.
Они объясняются наличием перекрёстных связей в самой машине, наличием постоянной времени в цепи якоря и наличием запаздывания в канале ВТ-ДМ-Ф. динамика и статика ВМ в сильной степени зависят от значения постоянной времени
. На рис. 12 и рис. 13 показаны переходные процессы при
.

Рис. 12. Переходные процессы в двигателе ДБМ150-4-1,5-2 при
.

Рис. 13. Переходные процессы в двигателе ДБМ185-6-0,2-2 при
.
Эти процессы точно повторяют аналогичные, представленные на рис. 8 и рис. 9. Результаты моделирования при
представлены на рис. 14 и рис. 15, а для
- на рис. 16 и рис. 17.

Рис. 14. Переходные процессы в двигателе ДБМ150-4-1,5-2 при
.

Рис. 15. Переходные процессы в двигателе ДБМ185-6-0,2-2 при
.

Рис. 16. Переходные процессы в двигателе ДБМ150-4-1,5-2 при
.

Рис. 17. Переходные процессы в двигателе ДБМ185-6-0,2-2 при
.
Из рис. 11-16 видно, что запаздывание в канале ВТ-ДМ-Ф влияет на статические и динамические процессы в ВМ.
Если сравнивать вентильную машину с машиной постоянного тока, то её особенности проявляются главным образом в установившемся режиме в виде ухудшения механических, регулировочных и энергетических характеристик. Что касается динамических характеристик, то результаты моделирования показывают, что вентильная машина практически аналогична машине постоянного тока.
Механические и электромагнитные характеристики вентильной машины
В установившемся режиме при такой установке ДПР, чтобы обеспечить
из уравнений (12) и (13) определяют установившиеся токи и момент:
Токи в осях
, ![]()
(14)
(15)
Ток, потребляемый машиной
(16)
Если не учитывать постоянную фильтра
, то из уравнений (13) – (15) получаются уравнения классической вентильной машины.
,
(17)
При
характеристики вентильной машины становятся аналогичными машине постоянного тока.
Уменьшение скорости холостого хода с одновременным ростом тока холостого хода из-за наличия постоянных
и
приводит к ухудшению энергетических характеристик. Поэтому при построении электропривода на базе вентильной машины принимаются меры по устранению этого недостатка.
Для устранения этой нелинейности следует осуществлять управление с обратной связью по току и поддержанием
.
Электропривод с вентильной машиной
При синтезе регулятора в электроприводе с вентильной машиной внутренний контур тока с постоянными
и
целесообразно заменить одним апериодическим звеном с постоянной времени
. При построении электропривода на базе вентильной машины одним из основных требований является наличие замкнутых контуров регулирования токов
,
. Это позволяет поддерживать в переходных и установившихся режимах
и, тем самым, существенно улучшить энергетические характеристики.
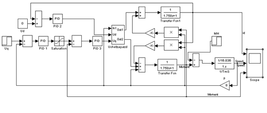
Модель электропривода, в которой использована математическая модель вентильной машины (рис. 10) показана на рис. 18. Результаты моделирования при использовании в электроприводе двигателей ДБМ150-4-1,5-2 и ДБМ185-6-0,2-2 приведены на рис. 19 и 20.

Рис. 18. Модель электропривода с вентильной машиной.

Рис. 19. Переходные процессы в электроприводе при использовании двигателя ДБМ150-4-1,5-2.

Рис. 20. Переходные процессы в электроприводе при использовании двигателя ДБМ185-6-0,2-2.
В модели, рассмотренной выше регуляторы тока реализованы во вращающейся системе координат. При этом обратная связь охватывает оба инерционные звена с постоянными времени
и
. Существует иной вариант построения контура тока, когда обратная связь осуществляется в неподвижной системе координат. При этом в системе автономный инвертор-машина реализуется «токовый коридор», а инерционное звено с постоянной времени
не охватывается отрицательной обратной связью по току. В итоге в канале регулирования скорости остаются апериодическое звено с постоянной
и интегрирующее звено с постоянной
. При синтезе скоростного контура на оптимум по модулю передаточная функция регулятора соответствует пропорциональному звену с коэффициентом усиления
.
Регулятор PID 2 представляет собой пропорционально-интегральный регулятор с передаточной функцией
![]()
Таким образом, получаем передаточную функцию разомкнутого контура по току ![]()
![]()
Соответственно, после замыкания получаем апериодическое звено с постоянной времени ![]()
![]()
Регулятор PID 3 также представляет собой пропорционально-интегральный регулятор с передаточной функцией
![]()
Аналогично предыдущему случаю, получаем передаточную функцию разомкнутого контура по току ![]()
![]()
Соответственно, после замыкания получаем апериодическое звено с постоянной времени ![]()
![]()
Модель электропривода с вентильной машиной, выполненная с использованием виртуальных блоков из библиотеки Power System Blockset представлена на рис. 21.

Рис. 21. Модель электропривода с вентильной машиной.
Блоки, относящиеся к системе управления: преобразователь вращающихся координат
,
в неподвижные А, В, С (блок dq – А,В,С), гистерезисный регулятор тока (блок Current Regulator). Трехфазный автономный инвертор здесь реализован на MOSFET транзисторах, окно настройки магнитоэлектрического синхронного двигателя показано на рис. 22. в качестве двигателя взят ДБМ150-4-1,5-2.

Рис. 22. Окно настройки магнитоэлектрического синхронного двигателя.
Датчик положения ротора реализован в преобразователе координат, на вход Teta которого подаётся угол поворота ротора, умноженный на число пар полюсов плюс начальный угол установки, равный 90 электрических градусов. Таким образом, смонтирована установка ДПР, в которой
.
Приложение 1
Паспортные данные двигателей ДБМ150-4-1,5-2 и ДБМ185-6-0,2-2
| Тип машины | Момент номинальный (Н·м) | Число пар полюсов | Число фаз | Сопротивление фазы (Ом) | Электромагнитная постоянная времени (мс) | Ток короткого замыкания (А) |
Момент короткого замыкания (Н·м) |
Скорость холостого хода (об/мин) | Тепловое сопротивление (град/Вт) |
Момент инерции (кг·м2 ) |
Масса (кг) |
ДБМ150-4-1,5-2 ДБМ185-6-0,2-2 |
4 4 |
8 8 |
3 2 |
0,05 2,64 |
1,2 1,4 |
340 10,2 |
47,3 11,5 |
1750 195 |
0,2 0,15 |
3е-3 9е-3 |
3,0 5,4 |
Приложение 2
Расчёт относительных переменных и параметров для двигателя ДБМ150-4-1,5-2
Базовые величины определяем по зависимостям:
![]()
![]()
![]()
![]()
![]()
Относительные параметры:
![]()
![]()
Приложение 3
Расчёт относительных переменных и параметров для двигателя ДБМ185-6-0,2-2
Базовые величины определяем по зависимостям:
![]()
![]()
![]()
![]()
![]()
Относительные параметры:
![]()
![]()
Приложение 4
Общее описание двигателей серии ДБМ
ДБМ - двигатели бесконтактные моментные. Двигатель состоит из синхронного двигателя, выполненного в виде плоской, встраиваемой конструкции с многополюсным ротором коллекторного типа, содержащей редкоземельный магнит и двухфазные или трёхфазные обмотки статора. Существуют два вида статора: гладкий и пазовый статор (см. рис. 1 а,б).
![]() |
Рис. 1. Конструктивные схемы двигателей ДБМ: а) с пазовым статором, б) с гладким статором.
Серия двигателей имеет 26 типоразмеров, номинальное напряжение питания 27 В. Пульсации момента по углу поворота для двигателей с гладким статором 3-5%, а с пазовым ротором 10%.

