| Скачать .docx |
Реферат: Шифраторы и дешифраторы
Пензенский государственный университет
Кафедра «Автоматика и телемеханика»
Отчёт
о выполнении лабораторной работы
«Шифраторы и дешифраторы»
Выполнил:
Ревунов М.С.
Проверил:
Пащенко В. В.
Пенза, 2011
Цель работы: исследование схем шифраторов и дешифраторов.
Программа работы:
1.Проанализировать работу шифратора.

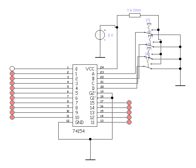
Рисунок 1 - схема шифратора.
Составить таблицу соответствия нажатой клавиши и прямого двоичного кода на выходе микросхемы.
| Цифра |
Нажатая клавиша |
Двоичный код |
|||||||||
| 0 |
1 |
2 |
3 |
4 |
5 |
6 |
7 |
||||
| 0 |
0 |
1 |
1 |
1 |
1 |
1 |
1 |
1 |
0 |
0 |
0 |
| 1 |
1 |
0 |
1 |
1 |
1 |
1 |
1 |
1 |
0 |
0 |
1 |
| 2 |
1 |
1 |
0 |
1 |
1 |
1 |
1 |
1 |
0 |
1 |
0 |
| 3 |
1 |
1 |
1 |
0 |
1 |
1 |
1 |
1 |
0 |
1 |
1 |
| 4 |
1 |
1 |
1 |
1 |
0 |
1 |
1 |
1 |
1 |
0 |
0 |
| 5 |
1 |
1 |
1 |
1 |
1 |
0 |
1 |
1 |
1 |
0 |
1 |
| 6 |
1 |
1 |
1 |
1 |
1 |
1 |
0 |
1 |
1 |
1 |
0 |
| 7 |
1 |
1 |
1 |
1 |
1 |
1 |
1 |
0 |
1 |
1 |
1 |
2. Составить таблицу истинности работы дешифратора.

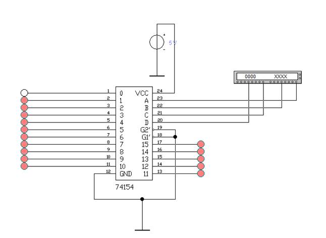
Рисунок 2 – дешифратор.
| Двоичный код |
Десятичный |
|||
| Ключ4 |
Ключ3 |
Ключ2 |
Ключ1 |
Выход (№) |
| 0 |
0 |
0 |
0 |
0 |
| 0 |
0 |
0 |
1 |
1 |
| 0 |
0 |
1 |
0 |
2 |
| 0 |
0 |
1 |
1 |
3 |
| 0 |
1 |
0 |
0 |
4 |
| 0 |
1 |
0 |
1 |
5 |
| 0 |
1 |
1 |
0 |
6 |
| 0 |
1 |
1 |
1 |
7 |
| 1 |
0 |
0 |
0 |
8 |
| 1 |
0 |
0 |
1 |
9 |
| 1 |
0 |
1 |
0 |
10 |
| 1 |
0 |
1 |
1 |
11 |
| 1 |
1 |
0 |
0 |
12 |
| 1 |
1 |
0 |
1 |
13 |
| 1 |
1 |
1 |
0 |
14 |
| 1 |
1 |
1 |
1 |
15 |
3. Подключить к адресным входам дешифратора генератор слова и настроить его выходные комбинации таким образом, чтобы обеспечить поочередное зажигание светоиндикаторов на выходе дешифратора, начиная с 0 (обеспечить режим работы «бегущий огонь»).

Последовательность заполнения генератора слова.
