| Скачать .docx |
Курсовая работа: Автомобильная сигнализация
Министерство образования РФ
Уральский государственный технический университет
Кафедра РЭИС
Пояснительная записка
к курсовой работе
автомобильная сигнализация
По предмету «Цифровые устройства и микропроцессоры»
Екатеринбург 2005
Задание на проектирование
В данной курсовой работе предлагается разработать авто сигнализацию на микроконтроллере КР1816ВЕ51. Основные требования к системе:
Система должна обрабатывать показания следующих датчиков: капота, багажника, дверей и двух уровневого датчика удара (сильного и слабого ударов), так же система должна выполнять блокировку зажигания при включении на охрану и содержать устройство сигнализации (сирену). Авто сигнализация должна работать в двух режимах. Первый режим – полная постановка на охрану с опросом всех датчиков, при втором режиме датчики удара и багажника игнорируются, т. е. можно без проблем открыть багажник, не включив сигнализацию, потом по желанию вернуться в первый режим.
Кроме выше указанных обязательных функций системы разработчику предлагается усложнить систему по своему усмотрению. Функции, предложенные разработчиком, указаны ниже.
Оглавление
Задание на проектирование
Введение
Функции и принцип работы устройства
Разработка схемы устройства
Описание прикладной программы
Заключение
Библиографический список
Приложение 1. Схема электрическая принципиальная
Приложение 2. Блок-схема основной программы
Приложение 3. Блок-схемы подпрограмм
Приложение 4. Программа устройства на языке Assembler
Приложение 5. Листинг программы отлаженной в ProView 32
Введение
Некоторое время назад в микропроцессорной технике выделился самостоятельный класс интегральных схем – микроконтроллеры, которые предназначены для применения в приборах различного назначения.
Использование микроконтроллеров в различных изделиях не только приводит к улучшению всех показателей (стоимость, надежность, потребляемая мощность, габариты) и позволяет многократно сократить сроки разработки и придаёт изделиям принципиально новые потребительские качества, такие как расширенные функциональные возможности и д.р.
Однокристальные (однокорпусные) микроконтроллеры представляют собой приборы, конструктивно выполненные в виде БИС и включающие в себя следующие составные части: микропроцессор, память программ и память данных, а также программируемые интерфейсные схемы для связи с внешней средой.
Цель курсовой работы состоит в развитии навыков проектирования специализированных цифровых радиоэлектронных систем с применением микропроцессорных комплектов. Изучить архитектуру однокристальных микроконтроллеров популярного семейства INTEL8051, а также структуру одного из клонов семейства – микроконтроллера КМ1816ВЕ51, его функциональные узлы и особенности их работы. Изучение основ языка Ассемблер и интегрированной среды ProView фирмы FranklinSoftwareInc., которая предназначена для разработки программного обеспечения микроконтроллеров этого семейства.
Функции и принцип работы устройства
Данная система будет содержать пять двоичных датчиков: сильного и слабого удара, капота, багажника и дверей. Постановка на охрану осуществляется с радиопульта, имеющего две кнопки: первая кнопка осуществляет постановку/снятие системы с охраны и выключение сирены при срабатывании системы (последняя функция осуществляется следующим образом: нажатие кнопки выключает сигнализацию, а автомобиль остаётся на охране, для снятия с которой надо еще раз нажать кнопку 1); вторая кнопка осуществляет постановку в режим 2 (датчики багажника и оба датчика удара игнорируются, блокировка багажника снимается) или снятие с него, в режиме 2 выключение сирены так же осуществляется с помощью кнопки 1.
При включении охраны автоматически происходит блокировка стартера, закрытие дверей и багажника, но если багажник, капот или одна из дверей открыты, то постановки на охрану не происходит, сирена дает 3 характерных звуковых сигнала (сигналы подаются примерно через 0.2 секунды, с таким же интервалом происходят все сигналы сирены и габаритами, описанные ниже), а микроконтроллер переходит в ожидание включения системы. Если все закрыто, то система переходит в режим охраны, символизируя об этом 1 сигналом сирены и габаритами.
При срабатывании датчика слабого удара система дает 5 сигналов сирены. При срабатывание любого из других датчиков происходит включение сирены, сопровождающееся миганием габаритов в течении одной минуты. Отключение сирены можно произвести с пульта кнопкой 1 или с помощью сигнала с Valet’а, который установлен в салоне автомобиля (Valet должен располагаться в потайном месте, что бы взломщики не могли его обнаружить, и возможно может быть защищен паролем, но это уже отдельное устройство, не относящееся к данному курсовому, поэтому мы будем учитывать только сигнал приходящий с него). Если датчик капота, багажника или дверей срабатывает больше пяти раз подряд (скажем, дверь была открыта), то после 5 циклов сирены по 1 минуте, система встает на охрану игнорируя цепь (датчик), которая вызвала срабатывание.
В салоне автомобиля устанавливается светодиод, который при нормальной работе системы мигает приблизительно с интервалом в 1 секунду, а при срабатывании любого датчика, кроме датчика слабого удара, включается на постоянное свечение, символизируя нам, что было вторжение. Так же при выключении системы о вторжении нам говорят 4 сигнала сирены и 4 габаритами, а если не было вторжения, то при выключении будет 2 сигнала сирены и 2 габаритами.
При включении режима 2 система оповещает нас 3 сигналами сирены и 3 габаритами, а система автомобиль остается на полной охране.
При выключении системы происходит разблокировка стартера, дверей и багажника.
Разработка схемы устройства
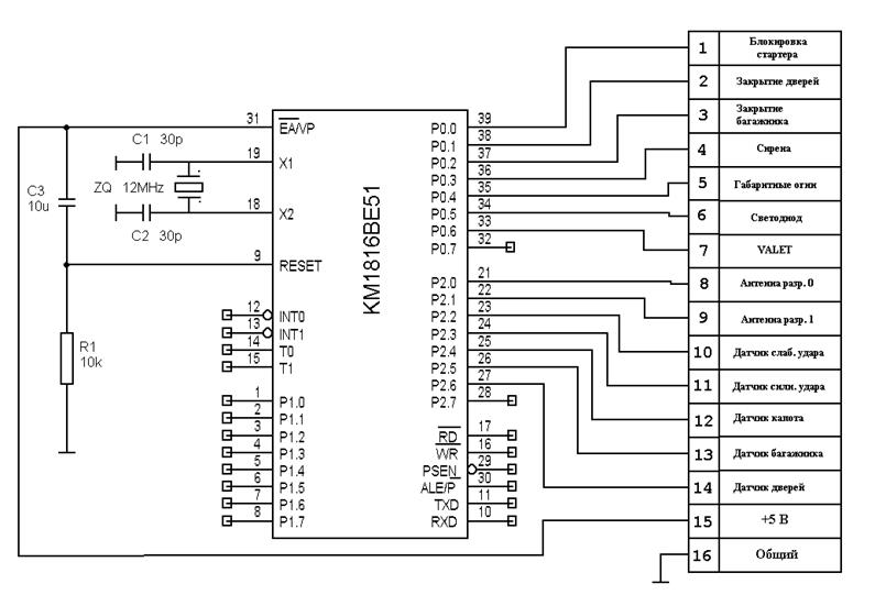
Схема микроконтроллера электрическая принципиальная представлена в приложении 1. Она содержит RC-цепь для формирования сигнала сброса при включении питания и кварцевый резонатор 12 МГц(ZQ). На вход ЕА подается уровень 1 (+5В).
Связь микроконтроллера с датчиками и исполнительными механизмами обеспечивается через порты (Р0 и Р2), а незадействованные порты могут быть в последствии использованы для расширения функциональных возможностей системы.
Включение/выключение системы, а так же постановка и снятие режима 2, отключение сирены осуществляется с пульта, сигналы с которого принимаются антенной и в виде двоичного кода поступают на входы порта Р0 (Р0.0 и Р0.1):
Таблица 1
| P0.0 | P0.1 | Режим системы |
| 0 | 0 | Режим 2 |
| 0 | 1 | Режим 1 |
| 1 | 0 | Выключение сирены в режиме 2 или снятие с охраны |
| 1 | 1 | Выключение сирены в режиме 1 или снятие с охраны |
Расшифровка таблицы: сигнал 0 на Р0.0 включает систему, до этого Р0.0=1 (система не включена). При включении сирены её можно выключить если нажать на кнопку 1, в результате чего антенна пошлет сигнал Р0.0=1, который сразу после выключения сирены программно сбрасывается Р0.0=0. Аналогично с режимом 2 и Р0.1. Кнопки 1 и 2 на пульте инвертируют сигнал соответственно на входах Р0.0 и Р0.1 микроконтроллера.
Исполнительные механизмы подключены к выходам порта Р0 (Р0.0÷Р0.6). Из-за низкой нагрузочной способности выходов микропроцессора для всех исполнительных механизмов потребуются усилители мощности.
Датчики в системе подключены ко входам порта Р2 (Р2.2÷Р2.6). Пример подключения датчика представлен на рис.1. О срабатывании датчика сообщает низкий уровень на входе порта.

Рис.1. Подключение двоичного датчика
Описание прикладной программы
Блок-схема алгоритма программы была составлена исходя из функций и принципа действия охранной системы, изложенных выше. Текст программы составлен в точности, основываясь на алгоритме в блок-схеме. Программа оперирует с портами Р0 и Р2, регистры R0÷R4 используются в подпрограммах задержки, регистры R5÷R7 являются счетчиками числа срабатывания датчиков капота, багажника и дверей, что бы потом можно было их игнорировать. В программе создается байтовая константа FLAGS внутри сегмента перемещаемого внутрь битовой адресуемой памяти данных. В этой константе используются пять битов, каждый из которых является флагом, использующимся в программе: флаги игнорирования датчиков (капота, багажника и дверей), флаг режима 2 и флаг попытки вторжения. Подпрограммы, начинающиеся с метки SIGNAL** производят сигналы сиреной (число сигналов = первой звездочке) и габаритами (число сигналов = второй звездочке).
В ходе выполнения данной курсовой работы была разработана автомобильная охранная система на однокристальном микроконтроллере КР1816ВЕ51. В процессе выполнения курсовой работы система была немного усовершенствована по сравнению с техническим заданием, был разработан алгоритм её работы и составлена блок-схема рабочей программы. Текст программы мы составили на языке assembler и провели её тестирование и отладку в интегрированной среде ProView фирмы FranklinSoftwareInc.
Библиографический список
1. Микропроцессоры. В 3 кн. Кн. 1. Архитектура и проектирование микро-ЭВМ. Организация вычислительных процессов: Учебник для втузов / П.В. Нестеров, В.Ф. Шаньгин, В.Л. Горбунов и др.; Под ред. Л.Н. Преснухина. М.: Высшая школа, 1986. 495 с.
2. Ваша первая программа для микроконтроллера Intel 8051: Методические указания к лабораторной работе №1 по курсу “Микропроцессоры и вычислительные устройства”/ Добряк В.А. Екатеринбург: УГТУ, 1999. 32 с.
3. Система команд микроконтроллера Intel 8051: Методические указания к лабораторной работе №2 по курсу “Цифровые устройства и микропроцессоры”/Добряк В.А., Рагозин В.К. Екатеринбург: УГТУ, 1999. 32 с.
4. Программирование микроконтроллера Intel 8051 на языке ассемблера: Методические указания к лабораторной работе №3 по курсу “ Цифровые устройства и микропроцессоры”/ Добряк В.А., Рагозин В.К.. Екатеринбург: УГТУ, 1999. 26 с.
5. Взаимодействие микроконтроллера Intel 8051 с объектами управления: Методические указания к лабораторной работе №4 по курсу “ Цифровые устройства и микропроцессоры”/Добряк. В.А. Екатеринбург: Изд-во УГТУ, 2001. 24 с.
Приложение 1. Схема электрическая принципиальная

Приложение. Программа устройства на языке Assembler
BEGIN: JMP START ; переход к программе START
USING 0 ; выбор 0 банка регистров
ORG 30H ; директива размещения программы с адреса ; 30H
SEG_FLAG SEGMENT DATA BITADDRESSABLE ; объявляем сегмент перемещаемый ; внутрь битовой адресуемой памяти ; данных
SEG_PROG SEGMENT CODE ; объявляем сегмент перемещаемый в ; пространство кода программы
OVER_K SET R5 ; назначаем символические
OVER_D SET R6 ; имена регистрам
OVER_B SET R7 ; R5,R6,R7
RSEG SEG_FLAG ; выбор сегмента
FLAGS: DS 1 ; однобайтовая переменная (FLAGS)
FDOOR BIT FLAGS.0 ; флаг игнорирования (да(1) / нет(0)) датчика дверей
FBOX BIT FLAGS.1 ; -------------------- багажника
FKAPOT BIT FLAGS.2 ; ---------------------------------- капота
FMODE2 BIT FLAGS.3 ; флаг режима 2 (да(1)/нет(0))
FALARM BIT FLAGS.4 ; флаг попытки вторжения (да(1)/нет(0))
RSEG SEG_PROG ; выбор сегмента
START: ; установка начальных значений параметров
MOV FLAGS,#00H ; сброс флагов
MOV P0,#00H ; установка режимов портов
MOV P2,#0FFH ;
MOV R0,#00H ; обнуление регистров
MOV R1,#00H ;
MOV R2,#00H ;
MOV R3,#00H ;
MOV R4,#00H ;
MOV OVER_B,#00H ;
MOV OVER_K,#00H ;
MOV OVER_D,#00H ;
CLR A ; обнуление аккумулятора
WAIT: JB P2.0,WAIT ; ждем сигнала постановки на охрану
JNB P2.4,SIGNAL3 ; переходим на метку SIGNAL3,
JNB P2.5,SIGNAL3 ; если открыты двери, капот
JNB P2.6,SIGNAL3 ; или багажник
JMP BLOCKING ; переход к п/п блокировки
SIGNAL3: MOV R0,#3 ; программа
LOOP3: CALL SIGNAL1 ; реализации трех
CALL DELAY ; сигналов сиреной
DJNZ R0,LOOP3 ; с последующим переходом
JMP BEGIN ; в начало
SIGNAL5: MOV R0,#5 ; программа
LOOP5: CALL SIGNAL1 ; реализациипяти
CALL DELAY ; сигналовсиреной
DJNZR0,LOOP 5 ; с последующим переходом
JMPGAUGE _ L ; к опросу датчиков GAUGE_L
BLOCKING : SETBP0.0 ; блокировка стартера
SETB P0.1 ; закрытие дверей
SETB P0.2 ; закрытие багажника
CALL SIGNAL11 ; сигнал сирены и габаритов - СИСТЕМА НА ОХРАНЕ!
GAUGE_L: JNB P2.2,SIGNAL5 ; 5 сигналов сирены, если сработал датчик ; слабого удара
GAUGE_S: JNB P2.3,LABELB ; переход на метку LABELB, если ; сработал датчик сильного удара
IGN_BOX: JB FBOX,IGN_KAPOT ; переход к IGN_KAPOT, если датчик ; багажника игнорируется
BOX : JBP2.5,IGN _ KAPOT ; переход к IGN_KAPOT, если датчик ; багажника не срабатывает
INC OVER_B; если датчик багажника сработал, то +1 к ; константе хранящей число срабатываний ; этого датчика
JMP LABELB ; переход на метку LABELB, включающую ; сирену
IGN _ KAPOT : JBFKAPOT,IGN _ DOOR ; 8 ниже следующих строк выполняют ; аналогичную функцию,
KAPOT : JBP2.4,IGN _ DOOR ; как при опросе датчика багажника (выше),
INCOVER_K; только для датчиков капота и дверей!
JMP LABELB ;
IGN_DOOR: JB FDOOR,CHECK_ALARM ;
DOOR: JB P2.6,CHECK_ALARM ;
INC OVER_D;
JMP LABELB ;
CHECK _ ALARM : JBFALARM,CHECK _ MODE 2 ; проверка на вторжение, если да, то ; переходим на метку CHECK_MODE2
LIGHT _ DIOD : MOVR4,#5 ; программа обеспечивающая мигание светодиода
D_CYCLE: CALL DELAY ; мигание светодиода примерно
DJNZ R4,D_CYCLE ; с интервалом в 1 секунду
CPL P0.5 ;
CHECK_MODE2: JNB P2.1,LABELA ; если происходит постановка в режим 2, то ; переходим на метку LABELA
CLR FMODE2 ; сброс флага режима 2
MOV OVER_B,#00H ; и констант
MOV OVER_K,#00H ;
MOV OVER_D,#00H ;
SETB P0.2; закрытие багажника на случай если включался ; режим 2
JNB P2.0,GAUGE_L ; если система не выключается, то переход к ; опросу датчиков
JNB FALARM,EXIT ; если не было вторжения в процессе работы, ; то переход на EXIT
CALL SIGNAL44 ; если было вторжение, то 4 сигнала сирены и ; габаритов
ANTIBLOKING : CLRP0.0 ; разблокирование стартера
CLRP0.1 ; открытие дверей
CLRP0.2 ; открытие багажника
JMPBEGIN ; переход в начало
LABELA: JB FMODE2,IGN_KAPOT ; если режим 2 уже установлен, то переход ; на IGN_KAPOT, если нет, то:
SETB FMODE2 ; уст. флага режима 2
CALL SIGNAL22 ; 2 сигнала сирены и габаритов при постановке в ; режим 2
CALL DELAY ;
CALL SIGNAL11 ;
CLRP0.2 ; открытие багажника
JMPIGN _ KAPOT ; переход к проверке датчиков
LABELB : SETBP0.3 ; включение сирены
MOVR0,#3 ; загрузка регистров для
LOOP1: MOV R4,#100 ; цикла в 60 секунд
LOOP0: JB P2.0,STOP_PULT ; переход если сирена отключается с пульта
JB P0.6,STOP_VALET ; переход если сирена отключается с Valet`а
CALL DELAY ; задержка 0.2 секунды
CPL P0.4 ; мигание габаритов
DJNZ R4,LOOP0 ; внутренний цикл
DJNZ R0,LOOP1 ; внешний цикл
JMP SHUTDOWN ; пропускаем 2 строки
STOP_PULT: CLR P2.0 ; сброс отключения с пульта
STOP_VALET: CLR P0.6 ; сброс отключения с Valet`а
SHUTDOWN: CLR P0.3 ; выключение сирены
CLR P0.4 ; выключение габаритов
CJNE OVER_B,#5,SET_FKAPOT ; установка флагов для
SETB FBOX ; игнорирования датчиков
SET_FKAPOT: CJNE OVER_K,#5,SET_FDOOR ; если воздействие было
SETBFKAPOT ; 5 раз
SET_FDOOR: CJNE OVER_D,#5,SET_FALARM ;
SETB FDOOR ;
SET_FALARM: SETB FALARM ; запомнилиБЫЛАПОПЫТКАВТОРЖЕНИЯ!!!
SETBP0.5 ; включаем светодиод на постоянное свечение
JNBP2.1,TO _ IGN _ KAPOT ; переход если режим 2 на TO_IGN_KAPOT
JMP GAUGE_S ; переход к опросу датчиков GAUGE_S
TO_IGN_KAPOT: JMP IGN_KAPOT ; переходна IGN_KAPOT
SIGNAL11: SETB P0.3 ; вкл. сирены
SETB P0.4 ; вкл. габаритов
CALL DELAY ; задержка 0.2 секунды
CLR P0.3 ; выкл. сирены
CLR P0.4 ; выкл. габаритов
RET ; возврат
SIGNAL22: CALL SIGNAL11 ; 1 сигнал сирены и габаритами
CALL DELAY ; задержка 0.2 секунды
CALL SIGNAL11 ; 1 сигнал сирены и габаритами
RET ; возврат
SIGNAL44: CALL SIGNAL22 ; 2 сигнала сирены и габаритами
CALL DELAY ; задерка 0.2 секунды
CALL SIGNAL22 ; 2 сигнала сирены и габаритами
RET ; возврат
EXIT: CALL SIGNAL22 ; 2 сигнала сирены и габаритами
JMP BEGIN ; переход в начало
SIGNAL1: SETB P0.3 ; вкл. сирены
CALL DELAY ; задержка 0.2 секунды
CLR P0.3 ; выкл. сирены
RET ; возврат
DELAY: MOV R3,#2 ; задержка приблизительно 0.2 секунды
CYCLE2: MOV R2,#200 ; с помощь вложенных циклов
CYCLE0: MOV R1,#248 ;
CYCLE1: DJNZ R1,CYCLE1 ;
NOP ;
DJNZ R2,CYCLE0 ;
DJNZ R3,CYCLE2 ;
RET ; возвраты
END; конец