| Скачать .docx |
Реферат: Радиоволновые радиационные методы контроля РЭСИ Методы электронной микроскопии
Министерство образования Республики Беларусь
Белорусский государственный университет информатики и
радиоэлектроники
кафедра РЭС
РЕФЕРАТ
на тему:
«Радиоволновые, радиационные методы контроля РЭСИ. Методы электронной микроскопии»
МИНСК, 2008
Радиоволновый метод
Радиоволновые методы основаны на взаимодействии электромагнитного поля в диапазоне длин волн от 1 до 100 мм с объектом контроля, преобразовании параметров поля в параметры электрического сигнала и передаче на регистрирующий прибор или средства обработки информации.
По первичному информативному параметру различают следующие СВЧ-методы: амплитудный, фазовый, амплитудно-фазовый, геометрический, временной, спектральный, поляризационный, голографический. Область применения СВЧ-методов радиоволнового вида неразрушающего контроля приведен в таблице 1 и в ГОСТ 23480-79.
Табл. 1 –
Радиоволновые методы неразрушающего контроля
| Название метода | Область применения | Факторы, ограничивающие область применения | Контролируемые параметры | Чувствительность | Погрешность | |||||||||
| Ампли- тудный | Толщинометрия полуфабрикатов, изделий из радиопрозрачных материалов | Сложная конфигурация. Изменение зазора между антеной преобразователя и поверхностью конт-роля. |
Толщина до 100 мм | 1 – 3 мм | 5% | |||||||||
| Дефектоскопия полуфабрикатов, изделий и конструкций из диэлектрика | Дефекты: трещины, расслоения, недопрес-совки | Трещины более 0,1 – 1 мм | ||||||||||||
| Фазовый | Толщинометрия листовых материалов и полуфабрикатов, слоистых изделий и конструкций из диэлектрика. | Волнистость профиля или поверхности объекта контроля при шаге менее 10L. Отстройка от влияния амплитуды сигнала | Толщина до 0,5 мм | 5 – 3 мм | 1% | |||||||||
| Контроль «электрической» (фазовой) толщины | Толщина до 0,5 мм | 0,1 мм | ||||||||||||
| Ампли-тудно -фазовый | Толщинометрия материалов, полуфабрикатов, изделий и конструкций из диэлектриков, контроль изменения толщины. | Неоднозначность отсчета при изменении толщины более 0,5А,Е Изменение диэлектрических свойств материала объек-тов контроля величиной более 2%. Толщина более 50 мм. | Толщина 0 – 50 мм |
0,05 мм | ±0,1 мм | |||||||||
| Ампли-тудно -фазовый | Дефектоскопия слоистых материалов и изделий из диэлектрика и полупроводника толщиной до 50 мм | Изменение зазора между антенной преобразователя и поверхностью объекта контроля. | Расслоения, включения, трещины, изменения плотности, неравномер-ное распре-деление составных компонентов | Включения порядка 0,05А,Е. Трещины с раскрывом порядка 0,05 мм.Разноплот-ность порядка 0,05 г/см3 | ||||||||||
| Геометрический | Толщинометря изделий и конструкций из диэлектриков: контроль абсолютных значений толщины, остаточной толщины | Сложная конфигурация объектов контроля; непараллельность поверхностей. Толщина более 500 мм | Толщина 0 -500 мм | 1,0 мм | 3-5 % |
|||||||||
| Дефектоскопия полуфабрикатов и изделий: контроль раковин, расслоений, инородных включений в изделиях из диэлектрических материалов | Сложная конфигурация объектов контроля | Определение глубины залегания дефектов в пределах до 500 мм | 1,0 мм | 1 –3% | ||||||||||
| Времен- | Толщинометрия конструкций и сред, являющихся диэлектриками | Наличие «мертвой» зоны. На-носекундная техника. При- | Толщина более 500 мм | 5—10 мм | 5% | |||||||||
| ной | Дефектоскопия сред из диэлектриков | менение генераторов мощностью более 100 мВт | Определение глубины залегания дефектов в пределах до 500 мм | 5 — 10 мм | 5% | |||||||||
| Спектральный | Дефектоскопия полуфабрикатов и изделий из радиопрозрачных материалов | Стабильность частоты генератора более 10-6 . Наличие источника магнитного поля. Сложность создания чувствительного тракта в диапазоне перестройки частоты более 10% | Изменения в структуре и физико-химических свойствах материалов объектов контроля, включения | Микродефекты и микронеоднород-ности значительно меньшие рабочей длины волны. | - | |||||||||
| 1 | 2 | 3 | 4 | 5 | 6 | |||||||||
| Поляризационный | Дефектоскопия полуфабрикатов, изделий и конструкций из диэлектрических материалов. | Сложная конфигурация. Толщина более 100 мм. | Дефекты структуры и технологии, вызывающие анизотропию свойств материалов (анизотропия, механические и термические напряжения, технологические нарушения упорядоченности структуры) | Дефекты площадью более 0,5 – 1,0 см2 . | - | |||||||||
| Гологра-фичес-кий | Дефектоскопия полуфабрикатов, изделий и конструкций из диэлектрических и полупроводниковых материалов с созданием видимого (объемного) изображения | Стабильность частоты генератора более 10-6 . Сложность создания опорного пучка или поля с равномерными амплитудно -фазовыми характеристиками. Сложность и высокая стоимость аппаратуры. | Включения, расслоения, разнотолщин-ность. Изменения формы объектов. | Трещины с раскрывом 0,05 мм |
- | |||||||||
Примечание: λ – длина волны в контролируемом объект; L – размер раскрыва антенны в направлении волнистости.
Необходимым условием применения СВЧ-методов является соблюдение следующих требований:
- отношение наименьшего размера (кроме толщины) контролируемого объекта к наибольшему размеру раскрыва антенны преобразователя должно быть не менее единицы;
- наименьший размер минимально выявляемых дефектов должен не менее чем в три раза превышать величину шероховатости поверхности контролируемых объектов;
- резонансные частоты спектра отраженного (рассеянного) излучения или напряженности магнитных полей материалов объекта и дефекта должны иметь различие, определяемое выбором конкретных типов регистрирующих устройств.
Варианты схем расположения антенн преобразователя по отношению к объекту контроля приведены в таблице 1.
Методы этого вида контроля позволяют определять толщину и обнаружить внутренние и поверхностные дефекты в изделиях преимущественно из неметаллических материалов. Радиоволновая дефектоскопия дает возможность с высокой точностью и производительностью измерять толщину диэлектрических покрытий на металлической подложке. В этом случае амплитуда зондирующего сигнала представляет собой основной информационный параметр. Амплитуда проходящего через материал излучения уменьшается из-за многих причин, в том числе из-за наличия дефектов. Кроме этого, изменяются длина волны и ее фаза.
Существуют три группы методов радиоволновой дефектоскопии: на прохождение, отражение и на рассеяние.
Аппаратура радиоволнового метода обычно содержит генератор, работающий в непрерывном или импульсном режиме, рупорные антенны, предназначенные для ввода энергии в изделие и прием прошедший или отраженной волны, усилитель принятых сигналов и устройства для выработки командных сигналов, управляющих различного рода механизмами.
При контроле фольгированных диэлектриков производят сканирование поверхности проверяемого образца направленным пучком микроволн с длиной волны 2 мм.
В зависимости от информационно используемого параметра микроволн дефектоскопы подразделяют на фазовые, амплитудно-фазовые, геометрические, поляризационные.
Изменение относительно амплитуды волны отсчитывается на эталонном изделии. Амплитудные дефектоскопы наиболее просты с точки зрения настройки и эксплуатации, но их применяют только для обнаружения достаточно больших дефектов, значительно влияющих на уровень принятого сигнала.
Амплитудно-фазовые дефектоскопы позволяют обнаруживать дефекты, изменяющие как амплитуду волны, так и ее фазу. Такие дефектоскопы способны давать достаточно полную информацию, например, о качестве заготовок фольгированных диэлектриков, предназначенных для изготовления отдельных слоев многослойных печатных плат.
В поляризационных дефектоскопах фиксируют изменение плоскости поляризации волны при ее взаимодействии с различными неоднородностями. Эти дефектоскопы могут быть использованы для обнаружения скрытых дефектов в самих различных материалах, например, для исследования диэлектрической анизотропии и внутренних напряжений в диэлектрических материалах.
Радиационные методы
Под радиационными методами неразрушающего контроля понимается вид неразрушающего контроля, основанный на регистрации и анализе проникающего ионизирующего излучения после взаимодействия с контролируемым объектом. В основе радиационных методов лежит получение дефектоскопической информации об объекте с помощью ионизирующего излучения, прохождение которого через вещество сопровождается ионизацией атомов и молекул среды. Результаты контроля определяются природой и свойствами используемого ионизирующего излучения, физико-химическими характеристиками контролируемых изделий, типом и свойствами детектора (регистратора), технологией контроля и квалификацией дефектоскопистов.
Радиационные методы неразрушающего контроля предназначены для обнаружения микроскопических нарушений сплошности материала контролируемых объектов, возникающих при их изготовлении (трещины, овалы, включения, раковины и др.)
Классификация радиационных МНК представлена на рис1.
Методы электронной микроскопии (ЭМ)
Электронная микроскопия основывается на взаимодействии электронов с энергиями 0,5 - 50 кэВ с веществом, при этом они претерпевают упругие и неупругие столкновения.
Рассмотрим основные способы использования электронов при контроле тонкопленочных структур (см. рис.2)
Таблица 1 –
Схемы расположения антенн преобразователей по отношению к объекту контроля.
| Схема расположения антенн преобразователя | Возможный метод контроля | Примечание |
| 1 | 2 | 3 |
![]() |
Амплитудный, спектральный, поляризационный | - |
![]() |
Фазовый, амплитудно-фазовый, временной, спектральный | - |
![]() |
Амплитудный, геометрический, спектральный, поляризационный | - |
![]() |
Фазовый, амплитудно-фазовый, геометрический, временной, спектральный | - |
![]() |
Амплитудный, спектральный, поляризационный. | - |
![]() |
Амплитудный, поляризационный, голо-графический. | В качестве приемной используется моноэлементная антенна. |
![]() |
Амплитудный, голо-графический. | В качестве приемной используется многоэлементная антенна. |
![]() |
Амплитудный, амплитудно-фазовый , временной, поляризационный | - |
![]() |
Амплитудный, фазовый, амплитудно-фазовый, спектральный. | Функции передающей (излучающей) и при- емнои антенн совмещены в одной антенне. |
|
Обозначения: - антенна преобразователя;
- нагрузка.
1 – СВЧ-генератор; 2 – объект контроля; 3 – СВЧ-приемник; 4 – линза для создания (квази) плоского фронта волны; 5 – линза для формирования радио-изображения; 6 – опорное (эталонное) плечо мостовых схем.
Примечание: допускается применение комбинаций схем расположения антенн преобразователя по отношению к объекту контроля.
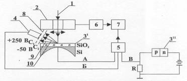
Растровая электронная микроскопия (РЭМ). Сфокусированный пучок электронов 1 (рис. 2) диаметром 2-10 нм с помощью отклоняющей системы 2 перемещается по поверхности образца, (либо диэлектрической пленки З1, либо полупроводника З-11.) Синхронно с этим пучком электронный пучок перемещается по экрану электронно-лучевой трубки. Интенсивность электронного луча моделируется сигналом, поступающим с образца. Строчная и кадровая развертка пучка электронов позволяют наблюдать на экране ЭЛТ определенную площадь исследуемого образца. В качестве модулирующего сигнала можно использовать вторичные и отражательные электроны.

Рисунок 1 – Классификация радиационных методов

Рисунок 2 – Режимы работы растровой электронной микроскопии
а) контраст в прошедших электронах; б) контраст во вторичных и отраженных электронах; в) контраст в наведенном токе (З11 - условно вынесен за пределы прибора). 1 – сфокусированный луч; 2 – отклоняющая система; 3 – объект исследования - диэлектрическая пленка; 4 - детектор вторичных и отраженных электронов; 5 -усилитель; 6 - генератор развертки; 7 - ЭЛТ; 8 - сетка детектора; 9 -отраженные электроны; 10 - вторичные электроны.
Просвечивающая электронная микроскопия (ПЭМ) основана на поглощении, дифракции электронов взаимодействия с атомами вещества. При этом прошедший через пленку сигнал снимается с сопротивления, включаемого последовательно с образцом З1. Для получения изображения на экране используются мощные линзы, располагаемые за образцом. Стороны образца должны быть плоскопараллельными, чистыми. Толщина образца должна быть много меньше длины свободного пробега электронов и должна составлять 10.. 100 нм.
ПЭМ позволяет определить: формы и размеры дислокаций, толщину образцов и профиль пленок. В настоящее время существуют ПЭ микроскопы до 3 МэВ.
Сканирующая электронная микроскопия (СЭМ).
Изображение формируется как за счет вторичных электронов, так и за счет отраженных электронов (рис. 2). Вторичные электроны позволяют определить химический состав образца, а отраженные – морфологию его поверхности. При подаче отрицательного потенциала - 50 В происходит запирание малоэнергетичных вторичных электронов и изображение на экране становится контрастным, поскольку грани, расположенные под отрицательным углом к детектору, не просматриваются вообще. Если на сетку детектора подать положительный потенциал (+250 В), то вторичные электроны собираются с поверхности всего образца, что смягчает контрастность изображения. Метод позволяет получить информацию о:
- топологии исследуемой поверхности;
- геометрическом рельефе;
- структуре исследуемой поверхности;
- коэффициенте вторичной эмиссии;
- об изменении проводимости;
- о местоположении и высоте потенциальных барьеров;
- о распределении потенциала по поверхности и в поверхности (за счет заряда по поверхности при облучении электронами) при попадании сканирующего луча на поверхность полупроводниковых приборов в ней наводятся токи и напряжения, которые изменяют траектории вторичных электронов. Элементы ИМС с положительным потенциалом по сравнению с участками, имеющими более низкий потенциал, выглядят темными. Это обуславливается наличием замедляющих по лей над участками образца с положительным потенциалом, которые приводят к уменьшению сигнала вторичных электронов. Потенциально-контрастные измерения дают только качественные результаты из-за того, что замедляющие поля зависят не только от геометрии и напряжения пятна, но и от распределения напряжения по всей поверхности образца;
- большого разброса скоростей вторичных электронов;
- потенциальный контраст накладывается на топографический и на кон траст, связанный с неоднородностью состава материала образца.
Режим наведенного (индуцированного электронно-лучевого тока).
Электронный луч с большой энергией фокусируется на маленькой площади микросхемы и проникает через несколько слоев ее структуры, в результате в полупроводнике генерируются электронно-дырочные пары. Схема включения образца представлена на (рис.2, в). При соответствующих внешних напряжениях, приложенных к ИМС, измеряются токи обусловленные вновь рожденными носителями заряда. Этот метод позволяет:
- определить периметр р-n перехода. Форма периметра оказывает влияние на пробивные напряжения и токи утечки. Первичный электронный луч (2) (рис. 3 и 4) движется по поверхности образца (1) в направлениях х, и в зависимости от направления перемещения меняется значение индуцированного тока в р-n переходе. По фотографиям р-n перехода можно определить искажения периметра р-n перехода (рис.5).
- определить места локального пробоя р-n перехода. При образовании локального пробоя р-n перехода в месте пробоя образуется лавинное умножение носителей тока (рис.6) Если первичный пучок электронов (1) попадает в эту область (3), то генерированные первичными электронами электронно-дырочные пары также умножаются в р-n переходе, в результате чего в данной точке будет зафиксировано увеличение сигнала и соответственно появление светлого пятна на изображении. Изменяя обратное смещение на р-n переходе, можно выявить момент образования пробоя, а проведя выявление структурных дефектов например с помощью селективного травления или с ПЭМ, можно сопоставить область пробоя с тем или иным дефектом.

Рисунок 3 – Схема прохождения электронного луча

Рисунок 4 – Изображение торцевого р-п-перехода с целью
определения его периметра
1 – торцевой р-n переход; 2 – электронный луч;
3 – область генерации электронно-дырочных пар.


Рисунок 4 – Изображение планарного р-п-перехода с целью
определения его периметра
1 - планарный р-n переход; 2 - электронный луч;
3 - область генерации электронно-дырочных пар.

Рисунок 5 – Искажения периметра планарного p-n-перехода сверху
- наблюдать дефекты. Если в области р-n перехода находится дефект (4) (рис. 6), то при попадании первичного пучка электронов в область дефекта некоторая часть генерированных пар рекомбинирует на дефекте, и соответственно до границы р-n перехода дойдет меньшее число носителей, что уменьшит ток во внешней цепи. На фотографии р-n перехода эта область будет выглядеть более темной, чем остальной фон. Изменяя соотношение между глубиной залегания р-n перехода и проникновением первичных электронов можно зондировать электрическую активность дефектов, располагающихся на разной глубине. Наблюдение дефектов можно проводить при обратных и прямых смещениях р-n перехода.
Электронная оже-спектроскопия (ЭОС).
Она состоит в получении и анализе спектра электронов, испускаемых атомами поверхностей при воздействии на него электронным лучом. Такие спектры несут информацию:
- о химическом (элементном) составе и состоянии атомов поверхностных слоев;
- о кристаллической структуре вещества;
- о распределении примесей по поверхности и диффузионных слоях; Установка для оже-спектроскопии состоит из электронной пушки, энергоанализатора оже-электронов регистрирующей аппаратуры и вакуумной системы.


Рисунок 6 – Изображение планарного p-n-перехода с целью определения пробоя и выявления дефекта.
1 – эелектронный луч; 2 – планарный р-п-переход; 3 – металлическая примесь; 4 – дефект.
Электронная пушка обеспечивает фокусировку электрического пучка на образце и его сканирование. Диаметр пучка в установках с локальным оже-анализом составляет 0,07... 1 мкм. Энергия первичных электронов изменяется пределах 0,5... 30 кэВ. В установках оже-спектроскопии обычно в качестве энергоанализатора употребляется анализатор типа цилиндрического зеркала.
Регистрирующее устройство с помощью двухкоординатного самописца фиксирует зависимость
, где: N
– число электронов, попадающих на коллектор;
Ек – кинетическая энергия оже-электронов.
Вакуумная система установки ЭОС должна обеспечивать давление не более 107 – 108 Па. При худшем вакууме остаточные газы взаимодействуют с поверхностью образца и искажают анализ.
Из отечественных установок ЭОС следует отметить растровый оже-спекто-рометр 09 ИОС - 10 - 005 Оже-локальностью в растровом режиме 10 мкм.
На (рис. 7) показан оже-спектр загрязненной поверхности GaAs из которого видно, что наряду с основными спектрами GaAs, в пленке присутствуют примесные атомы S, О и С. Регистрируя значения энергий оже-электронов, эмитируемыми атомами при их возбуждении и сравнивая эти значения с табулированными, определяют химическую природу атомов, из которых эти электроны были эмитированы.

Рисунок 7 – Оже-спектр загрязненной поверхности GaAs
Примечание: метод получил свое название по имени французского физика Пьера Оже, который в 1925 г. открыл эффект испускания электронов атомами вещества в результате возбуждения их внутреннего уровня рентгеновскими квантами. Эти электроны получили название оже-электронов.
Эмиссионная электронная микроскопия (ЭЭМ).
При специальных условиях поверхность образца может испускать электроны, т.е. являться катодом: при приложении сильного электрического поля к поверхности (автоэлектронная эмиссия) или под действием бомбардировки поверхности частицами.
В эмиссионном микроскопе показанном на рис. 8, поверхность образца является электродом системы, образующей с анодом электронную линзу.
Применение ЭЭМ возможно для материалов, которые имеют малую работу выхода. Исследуемое изделие является как бы составной частью электронно-оптической системы ЭЭМ, и в этом его принципиальное отличие от РЭМ.
ЭЭМ используют для визуализации микрополей. Если р-п-переход (1) (рис. 9) поместить в однородное электрическое поле (2) и подать на него запирающее напряжение, то поле, создаваемое р-п-переходом (3) (при больших токах утечки), будет искривлять линии основного поля.
Искривление линий позволяет определить распределение потенциала по поверхности образца.
Электронно-отражательная спектроскопия (ЭОС).
В ЭОС поверхность наблюдаемого образца поддерживается при таком потенциале, что все или большая часть облучающих электронов не попадают на поверхность образца.
Принцип его работы показан на рис. 10. Коллимированный электронный луч направлен на поверхность образца перпендикулярно к ней. Электроны,

Рисунок 8 – Принцип работы эмиссионного микроскопа

Рисунок 9 – Визуализация p-n-перехода с помощью ЭЭМ
- p-n-переход, включенный в обратном направлении;- электронные
траектории поля р-п-перехода.
Пролетевшие через последнюю апертуру линз, быстро замедляются и поворачиваются обратно в точке, определяемой потенциалом поверхности образца относительно катода и напряженностью электрического поля на поверхности образца. После поворота электроны вновь ускоряются, пролетая обратно через линзы, и увеличенное изображение проецируется на катодолюминесцентный экран. Дополнительное увеличение можно получить, отделяя выходящий пучок от входящего в слабом магнитном поле и используя дополнительные увеличительные линзы на пути выходящего пучка.
Контрастность в выходящем пучке определяется топологией поверхности и изменениями электрического потенциала и магнитных полей на ней.
Напряжение на образце

Рисунок 10 – Принцип работы электронного отражательного микроскопа
ЛИТЕРАТУРА
1. Глудкин О.П. Методы и устройства испытания РЭС и ЭВС. – М.: Высш. школа., 2001 – 335 с
2. Испытания радиоэлектронной, электронно-вычислительной аппаратуры и испытательное оборудование/ под ред. А.И.Коробова М.: Радио и связь, 2002 – 272 с.
3. Млицкий В.Д., Беглария В.Х., Дубицкий Л.Г. Испытание аппаратуры и средства измерений на воздействие внешних факторов. М.: Машиностроение, 2003 – 567 с
4. Национальная система сертификации Республики Беларусь. Мн.: Госстандарт, 2007
5. Федоров В., Сергеев Н., Кондрашин А. Контроль и испытания в проектировании и производстве радиоэлектронных средств – Техносфера, 2005. – 504с.












