| Скачать .docx |
Дипломная работа: Розробка інформаційно-вимірювальної системи для перевірки гідромоторів
Міністерство освіти і науки України
Вінницький національний технічний університет
Інститут автоматики,електроніки та комп’ютерних систем управління
Пояснювальна запискидо бакалаврської роботи
Метрологія та вимірювальна техніка
Розробка інформаційно-вимірювальної системи для провірки гідромоторів
Керівник к.т.н. доцент Кучерук В. Ю.
Розробив студент гр. 1АМ-01
Балтак К. В.
Вінниця 2005
Зміст
Анотація
Вступ
1. Загальні відомості про гідромашини
1.1 Класифікація гідромашин
1.2 Основні параметри гідромашин
1.3 Енергетичні характеристики гідромашин
1.4 Гідромотори
2.Методика повірки
2.1 Загальні вимоги до повірки
2.2 Проведення повірки
2.3 Оформлення результатів повірки
3. Розробка структурної схеми
4. Розробка інформаційно-вимірюваної системи для повірки параметрів гідромоторів
4.1 Вибір мікроконтролера
4.2 Вбудований аналого-цифровий перетворювач
4.3Вибір перетворювача рівнів сигналу
4.4 Розробка принципової схеми
Висновок
Література
Додаток А.Структурна схема
Додаток Б.Схема принципова електрична
Анотація
В даній бакалаврській роботі наведена класифікація гідромашин та їх характеристики, що таке гідромотор і його параметри, розписані вимоги до повірки гідромоторів та порядок повірки, спроектована інформаційно-вимірювальна система для повірки гідромоторів, наведена її електрична, структурна схема. В додатках наведена електрична принципова схема та структурна.
Вступ
Інформаційно-вимірювальні системи – це сукупність апаратних, програмних та інших засобів, призначених для отримання і обробки вимірювальної інформації, керування потоками інформації, її перетворення та представлення у необхідному для користувача вигляді.
Інформаційно-вимірювальні системи, як правило, входить до складу системи автоматичного керування процесом і не здійснює керування процесом. Задачі керування покладені на системи автоматичного керування.
Інформаційно-вимірювальні системи поділяються на чотири групи:
- вимірювальні системи – це системи, призначені для отримання, обробки та представлення у необхідному вигляді вимірювальної інформації;
- системи технічної діагностики – такі системи, які призначені для знаходження місця і причини виникнення несправності об’єкту;
- системи розпізнавання образів – такі системи, які встановлюють належність об’єкту до заданого класу;
- системи контролю – системи, які визначають відповідає об’єкт заданим нормам чи не відповідає.
В даній бакалаврській роботі проведено загальний огляд гідромашин та гідромоторів і їх характеристики та спроектована інформаційно-вимірювальна система для повірки гідромоторів.
1. Загальні відомості про гідромашини
1.1 Класифікація гідромашин
Гідравлічні машини — це машини, які створюють або використовують потік рідини під тиском, їх класифікують за різними ознаками. Залежно від напрямку передачі енергії виділяють дві основні групи: насоси, які сприймають енергію через приводний вал або шток і віддають її рідині, та гідродвигуни, які сприймаютьенергію від потоку рідини під тиском і віддають її на вихідний вал або шток. Більшість гідромашин може працювати як у режимі насоса, так і в режимі гідродвигуна.

Рис. 1. Класифікація гідромашин
За принципом дії насоси та гідродвигуни бувають двох класів: об'ємні та динамічні (рис. 1).
Об'ємні гідромашини працюють за рахунок зміни об'єму робо чих камер, які періодично з'єднуються з входом і виходом. До цьо го класу належать зворотно-поступальні та роторні машини, які мають декілька різновидів. Об'ємні насоси самовсмоктувальні. З об'ємних гідродвигунів використовують поршневі, які називають гідроциліндрами, роторні (гідромотори) і зворотно-обертальні (поворотні гідродвигуни). Останні мають обмежений, менше 360°, кут повороту вала, а гідромотори — необмежений, тобто їхні вали виконують обертальний рух.
Робота поршневих та діафрагмових гідромашин забезпечується або закінчується зворотно-поступальним рухом, а робота роторних — обертальним.
До динамічних гідромашин належать лопатеві насоси, насоси тертя і лопатеві гідродвигуни, які називаються турбінами.
У лопатевих машинах робочим органом є колесо з лопатями. Енергія від робочого колеса до рідини (у насосі) або від рідини до робочого колеса (у турбіні) передається шляхом динамічної взаємодії лопатей з рідиною, що їх обтікає. Лопатеві насоси не-самовсмоктувальні. Відцентровим насосам відповідають радіальні турбіни.
Відомі гідроагрегати, в яких лопатеві машини працюють у зворотних режимах. Такі гідромашини, зв'язані з електромашинами, встановлені на гідроакумулюючих електростанціях. ГАЕС має два водоймища — верхнє і нижнє. Ранком і ввечері під час піку споживання електроенергії воду зливають з верхнього водоймища, гідромашина працює як гідротурбіна, а електромашина — як електрогенератор. Уночі і вдень електромашина працює як мотор, а гідромашина — як насос, унаслідок чого вода перекачується з нижнього водоймища у верхнє.
У відцентрових насосах рідина рухається від центра робочого колеса до периферії, в осьових — переміщується робочим колесом уздовж осі вала. У насосах тертя рідина рухається за рахунок тертя між нею і робочим органом, у вихрових — по каналу, розташованому в корпусі вздовж зовнішнього кола робочого колеса, у шнекових — уздовж осі шнека, у струминних переміщується потоком іншої рідини.
До гідромашин належать також гідропередачі — системи, що мають насос, гідродвнгун та інші гідравлічні пристрої і призначені для надання дії механізмам та машинам за допомогою рідини.
Гідродинамічні передачі складаються з лопатевих насоса і турбіни, розташованих співвісно в одному корпусі й наближених один до одного, їхня дія грунтується на використанні швидкісного напору робочої рідини, що циркулює.
Об'ємний гідропривод (гідростатична передача) — це сукуп-ність об'ємних насоса і гідромотора, трубопроводів та інших гідравлічних пристроїв. У цьому приводі використовується тиск рідини.
Гідропередачі застосовують на транспортних засобах, вантажно-підіймальному устаткуванні, у різноманітних верстатах. Для буріння свердловин використовують гідросистему, яка складається з встановленого на поверхні землі поршневого насоса, трубопроводу та осьової турбіни або гвинтового гідромотора, розташованих у свердловині на глибині до 5 ... 6 км.
1.2 Основні параметри гідромашин
Основні гідравлічні та енергетичні параметри гідромашин наступні.
Подача насоса Q — витрата рідини через його напірний патрубок. Розмірність подачі в СІ — м3 /с. Використовують також розмірності л/с, см3 /с, л/хв, м3 /год.
Напір насоса Н — це різниця енергій одиниці ваги рідини, або повних напорів після насоса і перед ним:
(1.1)
Індексом н позначені параметри напірного патрубка, тобто на виході з насоса; індексом в — параметри всмоктувального патрубка, тобто на вході в насос.
Тиск насоса
(1.2)
Корисна, або гідравлічна, потужність насоса Nг — це робота, яка передається насосом рідині за одиницю часу:
. (1.3)
Потужність у СІ вимірюється у ватах.
Від двигуна насос обертального типу споживає потужність на валу:
, (1.4)
де М — крутний момент на валу насоса;
— кутова швидкість обертання вала.
Насос зворотно-поступального типу має потужність на штоці
, (1.5)
де
— зусилля на штоці;
— швидкість штока. Коефіцієнт корисної дії насоса
. (1.6)
Втрати потужності в насосах розподіляються на, три види: механічні — втрати потужності на тертя в підшипниках, ущільненнях; їм відповідає механічний ККД ηм ; об'ємні — втрати потужності на перетікання частини рідини через зазори між робочим органом і корпусом. Об'ємним втратам відповідає об'ємний ККД
, (1.7)
де Qк — подача робочого органа
гідравлічні — втрати потужності за рахунок втрат напору h під час руху рідини через елементи насоса, їм відповідає гідравлічний ККД
, (1.8)
де Hт — теоретичний напір, тобто напір, який створює робочий орган.
ККД гідромашини — це добуток часткових ККД
. (1.9)
Пдродвигун є машиною, зворотною насосу. Корисна потужність гідромотора
. (1.10)
а силового гідроциліндра
(1.11)
Споживана гідродвигуном потужність (на вході)
(1.12)
де
- різниця тисків на вході й виході двигуна. Отже, для гідромотора
(1.13)
для силового гідроциліндра
(1.14)
Ще один параметр гідромашин — частота обертання робочого колеса n, с-1 , або кількість подвійних ходів штока за секунду, яку позначають також n.
Для об'ємних гідромашин важливим параметром є робочий об'єм V0 — різниця найбільшого і найменшого об'ємів робочих камер, через які рідина протікає за один оберт або один подвійний хід робочого органа.[1]
1.3 Енергетичні характеристики гідромашин
У реальних гідромашинах мають місце об'ємні втрати, внаслідок чого фактична кількість рідини, що проходить через робочі камери за одиницю часу, буде менша за геометричну подачу. Під об'ємними втратами розуміють втрати енергії внаслідок витоку рідини через зазори між деталями гідромашин, що переміщуються одна відносно одної, та втрати на лінії всмоктування. Сума подачі та об'ємних втрат
називається ідеальною (теоретичною) подачею об'ємної гідромашини і визначається за формулою
QT
=
(1.15)
де n - частота обертання приводного вала.
Фактична подача Qн насоса завжди менша від теоретичної на величину об'ємних втрат Qвт :
(1.16)
де QВ — витік рідини по зазорах у робочих камерах і розподільному механізмі; QВС - втрати на всмоктуванні.
Об'ємні втрати на всмоктуванні QВС обумовлені стисливістю рідини, присутністю бульбашок нерозчиненого повітря, дією на рідину відцентрових сил, а також недостатнім заповненням робочих камер у зоні всмоктування внаслідок гідравлічного опору трубопроводів та каналів розподільних вузлів.
Витік рідини через зазори відбувається під дією перепаду тисків із зони високого в зону низького тиску. Оскільки зазори в робочих елементах гідромашин при змінюванні частоти обертання практично не змінюються, а швидкість течії рідини в зазорах значно більша за швидкість відносного переміщення елементів пар, які утворюють ці зазори, витік практично не залежить від частоти обертання.
Досвід експлуатації гідромашин показує, що витік через зазори практично змінюється прямо пропорційно перепаду тисків, як при ламінарному режимі течії рідини,
(1.17)
де Δp —перепад тисків на щілині; с — коефіцієнт пропорційності, що враховує форму і параметри щілини; μд — динамічна в'язкість рідини.
Об'ємним ККД насоса ηо.н називають відношення корисної потужності Nк насоса до суми корисної потужності Nк та потужності Nвт , втраченої через витік рідини:
(1.18)
Коефіцієнт подачі Кп насоса — це відношення подачі Qн до його теоретичної подачі Qт :
Кп =Qн /Qт (1.19)
Враховуючи, що тиск нагнітання об'ємних насосів значно більший за тиск усмоктування, витік Qв рідини визначають за формулою (1.17), а втрати на всмоктуванні при відсутності кавітаційного режиму незначні, тому можна вважати, що потужність Nвт прямо пропорційна перепаду тисків Δp і об'ємний ККД. можна визначити за формулою (1.19), підставляючи вирази (1.15) ... (1.17),
(1.20)
Витік рідини прямо пропорційний перепаду тисків, тому при сталій частоті обертання приводного вала і безкавітаційному режимі роботи насоса залежність об'ємного ККД від перепаду тисків лінійна (рис. 1.1, а). При зростанні перепаду тисків і зменшенні параметра регулювання е об'ємний ККД насоса знижується. Витік Qв рідини в насосі відбувається з порожнини нагнітання з тиском рн у порожнину всмоктування з тиском рвс , тобто спрямований проти основного потоку рідини, створюваного насосом.
Оскільки теоретична подача насоса прямо пропорційна частоті обертання його вала, а витік Qв
рідини залежить від перепаду тисків і практично не залежить від частоти обертання, то при змінюванні частоти обертання від
втрати на всмоктуванні незначні і об'ємний ККД
збільшується (рис. 1.1, б). Подальше збільшення частоти обертання викликає зростання втрат на всмоктуванні. Об'ємний ККД при
змінюється мало, а потім при
>
зменшується, тому що в лінії всмоктування виникає кавітація - розрив потоку рідини, що супроводжується пульсацією тиску на виході і підвищеним шумом. Кавітація може призвести до руйнування поверхонь деталей, біля яких мають місце кавітаційні явища. Таким чином, максимальна частота обертання насоса визначається, крім міцності деталей, також надійністю заповнення робочих камер насоса. Змістити кавітаційну точку
праворуч можна створенням підпору в порожнині всмоктування або надлишкового тиску на поверхні рідини в гідробаці, чи застосуванням спеціального підживлюючого насоса
Насоси, подача яких залежить від частоти обертання (рис. 1.1, б) або параметра регулювання (рис.1.1, в), мають зону нечутливості
, пов'язану з наявністю витоку рідини в насосі. Фактична подача насоса в цій зоні, а отже і його об'ємний ККД, дорівнює нулю, тому що вся подача насоса витрачається на компенсацію витоку, тобто Qт
Qв
. При зростанні перепаду тисків Δp насоса збільшуються витік рідини і зона нечутливості. Значення
або
можна знайти з виразу (1.20), якщо підставити в нього ηо.н
= 0.
Мінімальна частота обертання вала насоса визначається герметичністю його робочих камер (витоком рідини).
Об'ємний ККД у значній мірі залежить від зазорів у робочих елементах насоса. Насос більшого розміру серед насосів однієї конструктивної схеми матиме більші зазори і подачу, але в зв'язку з тім, що зазори збільшуються не прямо пропорційно теоретичній подачі, він матиме вищий ККД.
Кількість рідини, що проходить через гідромотор, так само як і через насос, за одиницю часу визначається за формулою (1.15). У гідромоторі втрати всмоктування Qвс відсутні, тому що рідина до робочих камер подається під високим тиском pн , а витік рідини через зазори спрямовується з напірної порожнини з тиском pн до зливної лінії з тиском , тобто співпадає з напрямом основного потоку рідини.

рис 1.1 Залежність обємного ККД насоса від перепаду тисків (а), частотиобертання (б), параметра регулювання(в)
Тому фактична витрата рідини в гідромоторі більша за теоретичну і визначається за формулою
(1.21)
Об'ємним ККД гідромотора називають відношення його теоретичної подачі Qт до фактичної Qм :
(1.22)
При збільшенні перепаду тисків на гідромоторі до максимально допустимого для підтримання заданої частоти обертання треба збільшити подачу Qм
рідини в гідромотор для компенсації збільшеного в зв'язку з цим витоку рідини. Максимально допустимий перепад тисків визначається міцністю деталей, насамперед роботоспроможністю підшипників. При Qм
Qв
вся подача витрачається на компенсацію витоку, а частота обертання вала гідромотора дорівнює нулю. В регульованому гідромоторі зменшення параметра
регулювання може призвести до необмеженого зростання частоти обертання вала гідромотора і до зниження крутного моменту на його валу. Тому діапазон зміни параметра регулювання гідромоторів вибирається в межах
, де звичайно
. Втрати енергії на подолання сил тертя механічних частин і рідини в кінематичних парах гідромашин називають механічними. Причинами механічних втрат, що виникають при подоланні опору рухові деталей та вузлів гідромашин, можуть бути: а) обертання блока циліндрів у корпусі, заповненому рідиною; б) відносне ковзання деталей в опорах валів, ущільненнях, шарнірних з'єднаннях, у парі поршень — циліндр; в) відносне кочення деталей, наприклад, у зубчастих парах, шарикопідшипниках. Найбільші механічні втрати мають місце в опорах, розподільних механізмах, підшипниках, циліндро-поршнєвих парах.
Крутний момент Мн прикладений до вала насоса для перетворення механічної енергії на енергію потоку рідини, більший за теоретичний момент Мт , що створюється перепадом тисків Δp у порожнинах насоса. Оскільки гідромотор споживає гідравлічну енергію, перетворюючи її на механічну, то Мт > Мм , де Мм -крутний момент на валу гідромотора. Враховуючи це, механічні втрати ΔМ насоса та гідромотора можна подати у вигляді
(1.23)
Механічні втрати при обертанні ротора у в'язкому середовищі
(1.24)
де
— довжина ротора;
— коефіцієнт динамічної в'язкості;
— кутова швидкість обертання ротора;
— зазор між ротором і корпусом;
— середній радіус дії сил тертя.
Теоретичний (індикаторний) момент об'ємної гідромашини з урахуванням виразу (1.15)
(1.25)
де — теоретична потужність (потужність на виході насоса або на вході гідромотора).
Механічні втрати в об'ємних гідромашинах характеризуються механічним ККД. Механічний ККД [див. вирази (1.23), (1.25)] насоса
(1.26)
Механічний ККД гідромотора
(1.27)
При зростанні перепаду тисків (від 0 до Δp1 ) механічний ККД насоса зростає, тому що механічні втрати ΔМ зростають значно повільніше, ніж момент Мн на валу насоса (рис. 1.2, а). В діапазоні зміни перепаду тисків від Δp1 до Δp2 механічний ККД практично не змінюється, тому що втрати збільшуються так само, як момент Мн . Подальше зростання тиску нагнітання призводить до зниження ККД, що зумовлено зростанням механічних втрат через зміну характеру тертя деталей насоса. Чисто рідинне тертя переходить в сухе через вичавлювання мастильної плівки в зоні взаємодії рухомих деталей, що зумовлено зростанням контактного тиску в ущільненнях.
Залежність механічного ККД гідромотора від перепаду тисків Δр (рис. 1.2, б) характеризується зоною нечутливості 0...Δр0 . Перепад тисків Δp0 створює необхідний момент для зрушення вала гідромотора при подоланні опору тертя без зовнішнього навантаження. Для гідромоторів з регульованим робочим об'ємом Δp0 матиме більше значення при зменшенні робочого об'єму.

рис 1.2 Залежність механічного ККД насоса (а) та гідромотора(б) перепаду тисків.
Втрати на подолання сил тертя між частинками в'язкої рідини, яка рухається в каналах гідромашини, називають гідравлічними, а втрати моменту, викликані зменшенням тиску в напорній лінії через втрати по довжині каналів і в місцевих опорах об'ємної гідромашини, враховують гідравлічним ККД. Через складність вимірювання втрат напору, обумовлених гідравлічним опором, гідравлічні втрати окремо не обчислюють, а всі втрати на подолання сил тертя (контактних і між частинками рідини) враховують механічним ККД.
Загальним ККД гідромашини називають відношення корисної потужності (на виході) до витраченої потужності (на вході), враховуючи при цьому як об'ємні, так і механічні втрати енергії. Значення цього ККД обчислюється як добуток об'ємного і механічного ККД. Якщо через N позначити потужність на валу насоса або гідромотора, то з урахуванням (1.20), (1.22), (1.26), (1.27) загальні ККД насоса ηн та гідромотора ηм такі:
(1.28)
(1.29)
Для забезпечення високого значення загального ККД суттєву роль відіграє вибір рідини з відповідною динамічною в'язкістю. Застосування рідини з підвищеною динамічною в'язкістю позитивно впливає на об'ємний ККД гідромашини, зменшуючи витік. Однак підвищення в'язкості збільшує втрати на подолання сил тертя, зменшуючи механічний ККД. Вибір в'язкості, яка забезпечує в сумі найменші об'ємні та механічні втрати, дає можливість експлуатувати гідромашину з найбільшим загальним ККД.[2]
1.4 Гідромотори
Гідромотор — це об'ємний гідродвигун обертального руху.
Завдяки властивості оборотності роторних насосів, кожної з них у принципі може бути використаний як гідромотор, тому гідромотори класифікують так само, як і роторні насоси, тобто розділяють на шестеренні, гвинтові, шиберні (пластинчасті) і поршневі (радіальні й аксіальні). У конструкції гідромоторів однак можна помітити деякі відмінності від відповідних роторних насосів, обумовлені різним функціональним призначенням цих гідромашин. Так, пластинчастий гідромотор на відміну від насоса має пружини, що виштовхують пластини з прорізів ротора і тим забезпечують пуск гідромотора. В аксіально-поршневих гідромоторах установлюється кут нахилу блоку циліндрів (до 40°) більший, ніж у таких же насосів (до 30°).
Найбільше поширення в гідроприводах літаків, тракторів, будівельно-дорожніх машин, верстатів і інших машин одержали роторно-поршневі гідромотори.
Так само як і роторний насос, гідромотор характеризується насамперед робочим обсягом, тобто ідеальною витратою рідини через гідромотор за один оберт ротора
Qи = V0 n = Vк zkn (1.30)
Дійсна витрата через гідромотор більше, ніж ідеальний тому, що на відміну від насоса витоку в гідромоторі спрямовані в ту ж сторону, що й основний потік. Тому об'ємний ККД гідромотора виражається не так, як для насоса, а саме
(1.31)
Частота обертання вала гідромотора з обліком об'ємного ККД
(1.32)
Перепад тиску на гідромоторі визначається різницею між тисками на вході і на виході, тобто
pг.м. =p1 -p2 (1.33)
Корисна потужність гідромотора дорівнює добуткові моменту, що крутить, на його валові на кутову швидкість вала:
(1.34)
Потужність, споживана гідромотором,
N=Q·pг.м (1.35)
Відношення Nп /N визначає загальний ККД гідромотора, що так само, як і у випадку роторного насоса, дорівнює добуткові Двох часток ККД — об'ємного на механічний, тобто
(1.36)
Переписавши останнє вираження у виді
(1.37)
і замінивши
з урахуванням попередніх формул після скорочення на n і η0
, одержимо вираження для моменту на валові гідромотора називають ідеальним моментом, споживаним насосом або гідромотором, що розвивається, без обліку втрат енергії.
(1.38)
У цій формулі вираження
Ми = р0 /2π(1.39)
ККД гідромоторів так само, як і роторних насосів, визначаються по теорії подоби роторних гідромашин як функції критерію подоби о. При цьому як і для насосів можна виявити оптимальні значення про, яким відповідають максимальні ККД. [3]
2.Методика повірки
2.1 Загальні вимоги до повірки
Похибка виміру параметрів при попередніх, приймальних, періодичних і типової повірки в не повинна перевищувати:
±0,5 % — робочого об’єму ;
±1,5 % — тиску;
±0,5'% — частоти обертання;
±1,0% —обертальний момент;
±1,5 % — витрати робочої рідини;
±2,0 % — маси;
± 1 °С — температури;
±3 % — частоти реверса;
±0,02 з — часу реверса;
±5 % — кутової швидкості;
±0,1 з — часу (крім часу реверса);
Похибка виміру параметрів при приймально-здавальної повірки не повинна перевищувати:
±2,5 % — тиску;
±2,5 % — витрати робочої рідини;
±2,0 % — частоти обертання;
±2,0 % —обертального моменту;
±2 С — температури.
При усіх видах повірка гідромоторів за схемою з рекуперацією енергій похибка виміру параметрів повинна бути зазначена в стандартах або технічних умовах на гідромотори конкретного типу.
Повірку гідромоторів варто починати з перевірки функціонування, міцності і герметичності.
Параметри варто вимірювати при сталому тепловому режимі. Відхилення температури робочої рідини в гідробаці від зазначеної в стандартах або технічних умовах на гідромотори конкретного типу при проведенні вимірів не повинні перевищувати:
±2°С — при попередніх, приймальних, типових і періодичної повірки ;
±4°С — при приймально-здавальних повірках .
Повірку варто проводити на робочій рідині, марка і клас чистоти якій зазначені в стандартах або технічних умовах на гідромашини конкретного типу. Перед повіркою гідромотори варто піддавати обкатуванню в обсязі і на режимах, установлених стандартами або технічними умовами на гідромотори конкретного типу. Допускається сполучати обкатування з перевіркою функціонування і герметичності.
Повірку варто проводити на стендах, що повинні бути атестовані. Допускаються інші схеми повірки , технічно й економічно обґрунтовані конкретним виробництвом гідромоторів і задовольняючих вимог похибки виміру параметрів.
Через 500 ч роботи стенда, але не рідше одного разу в шість місяців, варто перевіряти в'язкість робочої рідини і клас її чистоти за ДСТ 17216—71.
2.2 Проведення повірки
Параметри гідромоторів і насосів-моторів при усіх видах приймально-здавальних випробувань, варто перевіряти при номінальному значенні перепаду тисків. При випробуванні гідромоторів на стендах з рекуперацією потужності допускається перевіряти параметри, узагальнені для двох одночасно випробовуваних гідромоторів.
Параметри при приймально-здавальної повірки варто перевіряти при номінальній частоті обертання і максимальному значенні робочого об’єму (для гідромоторів з регульованим робочим об’ємом ).
Допускається перевіряти параметри при тиску і частоті обертання, менше номінальних значень: для гідромоторів номінальною потужністю від 75 до 200 квт — на 20 %, більш 200 квт — на 40 % з наступним розрахунковим приведенням параметрів до номінального режиму.
Тиск на вході в гідромотор, на виході з нього і тиск дренажу варто вимірювати манометрами, встановленими в напірній, зливальній і дренажній гідролініях на мінімально можливій відстані від гідромотора.
При проведенні повірки манометр для грубого виміру повинний бути включений постійно, а манометр для точного виміру тільки на період виміру.
При вимірі тиску методом осцилографування варто здійснювати манометрами одночасний візуальний контроль тиску.
Зовнішній вигляд гідромоторів і насосів-моторів (огляд зовнішнього виконання, покрить, маркірування) варто перевіряти на відповідність вимогам ДСТ 17411-81, ДСТ 13823-78, ДСТ 15108—80.
Перевірку габаритних і приєднувальних розмірів варто проводити засобами вимірів лінійних і кутових величин.
Масу варто перевіряти зважуванням, при цьому порожнина гідромотора повинні бути вільними від робочої рідини.
Перевірку матеріалів деталей варто проводити по сертифікатах.
При перевірці функціонування варто перевіряти:
- здійснення обертання вихідної ланки гідромотора шляхом підведення робочої рідини до робочих порожнин гідромотора;
- зміна частоти обертання вихідної ланки гідромотора шляхом підведення робочої рідини перемінної витрати до робочих порожнин гідромотора;
- зміна напрямку обертання вихідної ланки гідромотора при зміні підведення робочої рідини до робочих порожнин гідромотора (при іспитах реверсивних гідромоторів);
- відсутність підвищеної вібрації, ударів, стукотів, різкого шуму, поштовхів тиску в магістралях, підвищеного нагрівання;
- характер виходу робочої рідини з дренажного трубопроводу (рівномірність, наявність повітряних пухирців і т.п.); витік робочої рідини з-під пробок, кришок, фланців по валі і т.п.;
Перевірку функціонування варто проводити в два етапи: на початку повірки без навантаження не менш двох короткочасних включень гідромотора на 5—10 с, а потім під навантаженням до максимального значення тиску.
Гідромотори повинні функціонувати зі збереженням заданих параметрів після випробувань тиском до максимального включно при тривалості випробувань, встановленої в стандартах або. технічних умовах на вироби конкретного типу.
При попередніх, приймальних, періодичних і типової повірки функціонування варто перевіряти при максимальній температурі робочої рідини, а також при інших температурах, зазначених у стандартах або технічних умовах на гідромотори конкретного типу.
Перевірці на міцність варто піддавати всі порожнини, у яких під час роботи гідромотора може бути створений робочий тиск.
Міцність гідромоторів варто перевіряти шляхом підведення робочої рідини до порожнини гідромотора при тиску 1,5 номінального, (але не менш максимального) з витримкою не менш 3 хв.
При повірці потіння зовнішніх поверхонь, текти по різьбленнях і стикам не допускаються.
Перевірці на зовнішню герметичність варто піддавати всі порожнини, у яких під час роботи гідромотора може бути створений робочий тиск.
Зовнішню герметичність варто перевіряти візуально при підведенні робочої рідини в робочі порожнини гідромотора під тиском до максимального, але не нижче 1,25 номінального, при максимальній температурі робочої рідини і максимальному тиску дренажу.
При повірці потіння зовнішніх поверхонь, текти робочої рідини через нерухомі з'єднання й ущільнення, стінки, стики, зварені і нарізні сполучення не допускаються.
Не допускається витік робочої рідини через рухливі з'єднання, якщо в стандартах або технічних умовах на гідромотори конкретного типу не встановлене значення витоку.
Примітка. Допускається при приймально-здавальній повірці перевіряти гідромотори на зовнішню герметичність при температурі робочої рідини, при якій визначають основні параметри гідромоторів, і при тиску дренажу не вище максимального.
Робочий обсяг варто вимірювати за ДСТ 17108—79.
Номінального, максимального і максимального і мінімальну частоты обертання варто перевіряти при номінальному перепаді тисків або при перепадах тиску, зазначених у стандартах або технічних умовах на гідромотори конкретного типу.
Максимальну частоту обертання варто визначати як граничну частоту обертання вихідного, ланки гідромотора, при якому гідромотор нормально функціонує. Критерії нормального функціонування необхідно встановлювати в стандартах або технічних умовах на паромотори конкретного типу.
Примітка. Критеріями нормального функціонування можуть бути: відсутність неприпустимого шуму, вібрацій і перегріву безвідривний рух робочих ланок; відсутність збільшення або коливання перепаду тиску при збереженні сталості навантаження на вихідній ланці гідромотора і т.д.
Для гідромоторів, що не допускають роботу з потужністю вище номінальної, максимальну частоту обертання варто перевіряти при перепаді тисків, при якому потужність не перевищує номінальної.
Критерієм оцінки мінімальної частоти обертання гідромотора є коефіцієнт нерівномірності обертання при заданому моменті інерції навантаження, визначаться по формулі
(2.1)
де
—відповідно максимальні і мінімальна кутові швидкості протягом
одного обороту вихідної ланки гідромотора, рад/с.
Значення моменту інерції навантаження на вихідній ланці гідромотора необхідно встановлювати в стандартах або технічних умовах на гідромотори конкретного типу.
Дані для розрахунку визначають осцилографірованіем сигналу аналогового вимірювального приладу кутової швидкості або інших методів, що забезпечують необхідну точність виміру. При цьому варто здійснювати одночасний візуальний контроль частоти обертання тахометром.
Номінальну частоту обертання варто визначати як частоту обертання при номінальній витраті,
Гідромеханічний ККД при повірці гідромоторів варто розраховувати по формулі:
(2.2)
де
— гідромеханічний ККД гідромотора;
М — дійсний (ефективний) обертальний момент гідромотора, Н·м;
МТ —теоретичний обертальний момент гідромотора, Н·м;
Δр- перепад тисків, МПа;
V0 -дійсний робочій об’єм гідромотора, см3 .
При гідромоторів за рекуперативною схемою навантажень необхідно визначати середнє значення гідромеханічного ККД випробовуваних гідромоторів. Середнє наближене значення гідромеханічного ККД одного гідромотора при випробуванні за рекуперативною схемою з взаємним навантаженям з твердим з'єднанням вихідних ланок випробуваних гідромоторів варто розраховувати по формулі:
(2.3)
де р - тиск нагнітання на вході у випробуваний гідромотор, МПа;
рвх - тиск на вході в гідромотор, використовуваний як навантажувальний пристрій, МПа; -
pвих — тиск на виході випробуваного гідромотора, МПа.
Примітка. При повірці гідромоторів по інших схемах з рекуперацією потужності метод визначення гідромеханічного ККД випробуваного гідромотора необхідн установлювати відповідно до конкретної
схеми випробувань.
ККД гідромотора і насоса-мотора η варто розраховувати по формулі
(2.4)
де n —частота обертання, об/хв;
Δp — перепад тиску, МПа;
Qвих. — витрата, обмірювана витратоміром на виході з гідромотора, дм3 /хв; Qвит. ,— витоку з дренажного отвору гідромотора, дм3 /хв.
Примітки:
1. При приймально-здавальній повірці допускається значення ККД визначати побічно шляхом контролю значень параметрів, що характеризують ККД, і не підраховувати його по формулах.
2. При вимірі витрати на виході з гідромотора варто вводити виправлення на стискальність рідини при тиску на вході не менш 20 МПа.
При повіркі гідромоторів за рекуперативною схемою середнє значення ККД η варто розраховувати по формулі
(2.5)
де
—середнє значення гідромеханічного ККД, гідромотора;
—об'ємний ККД гідромотора, що представляє собою відношення корисної витрати до загальної витрати робочої рідини, що пройшла через гідромотор, і обумовлений по формулі
(2.6)
де Qм — геометрична витрата через гідромотор, обумовлена по формулі:
(2.7)
де V0 — робочій об’єм гідромотора, см3 ;
n - частота обертання вихідної ланки гідромотора, об/хв.Вимір витоків із дренажного отвору варто проводити при номінальному перепаді тисків, а також при інших тисках, зазначених у стандартах або технічних умовах на гідромотори конкретного типу.
Витоку варто вимірювати після пройденої 1 хв. із моменту досягнення заданого значення перепаду тисків.
При перевірці обертального моменту, як навантажувальні пристрої варто застосовувати навантажувальники типу електричних, механічних і гідродинамічних гальм, гідромоторів і насосів-моторів і інших пристроїв, що не викликають зміну параметрів випробуваного гідромотора зі швидкостями не більш 10 % номінального в 1 с.
Значення обертального моменту, М в Н·м повіря’ємих гідромоторів з рівними робочими обсягами за рекуперативною схемою з взаємним навантаженням і з твердим з'єднанням вихідних ланок варто встановлювати побічно шляхом обчислення по формулі
(2.8)
де V0 — робітник обсяг гідромотора, см3 ;
рн —тиск нагнітання на вході у випробуваний гідромотор, МПа;
рвх. — тиск на вході в гідромотор, використовуваний як навантажувальний пристрій, МПа;
рвих. — тиск на виході випробуваного гідромотора, МПа.
Обертальний момент страгіванія вихідної ланки гідромотора варто визначати шляхом настроювання переливного гідроклапана, установленого перед гідромотором, і плавного зниження навантаження на загальмованій вихідній ланці гідромотора.
При повірці вихідна ланка гідромотора, навантажена моментом, що перевищує номінальний, повинне бути зафіксоване (загальмовано) у визначеному положенні. Плавно знижуючи навантаження, варто визначити обертальний момент страгіванія, при якому починається обертання вихідної ланки гідромотора. Обертальний момент страгіванія варто вимірювати в діапазоні кутових положень вихідної ланки, що охоплюють кут 360°. Число і розташування крапок виміру встановлюють у стандартах або технічних умовах на гідромотори конкретного типу. За значення обертального моменту страгіванія гідромотора варто приймати середнє арифметичне значення виміру.
Допускаються інші методи визначення обертального моменту страгіванія, що задовольняють погрішність виміру.
Обертального момент страгіванія Мстр. у Н·м при випробуванні гідромоторів за рекуперативною схемою з взаємним навантаженям з твердим з'єднанням вихідних ланок випробуваних гідромоторів обчислюють по формулі
(2.9)
де pвх. —тиск на вході в гідромотор, використовуваний як навантажувальний пристрій, при якому нерухома система (випробуваний навантажувальний гідромотор) починає обертатися, МПа.
Частоту реверса варто визначати методом виміру числа циклів за ДСТ 17108-79.
Час реверса варто визначати за ДСТ 17108-79.
Рівні звукової потужності в октавних смугах частот варто визначати за ДСТ 12.1.026-80. Допускається визначення за ДСТ 12.1.024-81 або 12.1.025-81.
Перевірку наробітку до відмовлення і ресурсу варто проводити на стендах при максимальній температурі робочої рідини з припустимим зниженням на 15 %.
Допускається не більш 20 % ресурсу перевіряти при більш низьких температурах у межах, встановлених у стандартах або технічних умовах на гідромотори конкретного типу.
Наробіток до відмовлення і ресурс варто перевіряти по етапах при постійному і циклічному навантаженнях. Тривалість етапу повірки при постійному навантаженні не більш 500 ч. Тривалість етапу і характер циклічного навантаження встановлюють у стандартах або технічних умовах на гідромотори конкретного типу.
Після кожного етапу варто вимірити ККД, а до початку і після закінчення ресурсної повірки варто провести обмірювання основних деталей і визначити знос тертьових поверхонь.
При повірці гідромоторів у режимі постійного навантаження тривалість випробувань варто реєструвати лічильником моточасов.
При повірці гідромоторів у режимі циклічного навантаження схеми повірки варто передбачити реєстрацію числа циклів навантаження, параметри яких повинні бути зазначені в стандартах або технічних умовах на гідромотори конкретного типу.
Перевірку вібраційної характеристики варто робити за ДСТ 12.1.034-81 і ДСТ 17108-79. Залежність моменту, що крутить, від частоти обертання варто представляти у виді графіка:
, (2.10)
де М — поточне значення обертального моменту, Н·м; Мном. —номінальний обертальний момент, Н·м; n —поточне значення частоти обертання, об/хв; nном. — номінальна частота обертання, ою/хв.
Типова форма графіка залежності обертального моменту, від частоти обертання
наведена на рис. 2.1

1-
=0,5
; 2-
=
; 3-
=![]()
Рисунок 2.1 Залежність обертального моменту від частоти обертання
Допускається представляти залежність у виді M=f(n).
Для побудови графіка залежності обертального моменту від частоти обертання варто вимірювати момент, що крутить, при діапазоні частоти обертання від її мінімального до максимального значень при трьох значеннях перепаду тисків: 0,5 Δpном. ; Δpном. ; Δpmax . .
Для регульованих гідромоторів з безступінчастою зміною робочого об’єму, будувати графічні залежності випливає для чотирьох значень робочого обсягу з рівним інтервалом: V0 ; 0,75 V0 ; 0,5 V0 ; 0,25 V0 ,
де V0 — номінальний робочій об’єм.
Для ступінчато-регульованих гідромоторів графічні залежності варто будувати для кожної ступіні робочого обсягу.
Для гідромоторів з автоматичною зміною робочого обсягу інтервали встановлюваних, параметрів повинні бути зазначені в стандартах або технічних умовах на гідромотори конкретного типу.
Залежність гідромеханічного ККД від частоти обертання варто представляти у виді графіка
, (2.11)
де n — поточне значення частоти обертання, об/хв;
nном. — номінальна частота обертання, об/хв;
Типова форма графіка залежності гідромеханічного ККД, від частоти обертання
наведена на рис 2.2.
Допускається представляти залежність у виді ηг. м. =f(n)
Залежність ККД від частоти обертання n варто представляти у виді графіка:
![]()
де n — поточне значення частоти обертання, об/хв;
nном. — номінальна частота обертання, об/хв.

1-
=0,5
; 2-
=
; 3-
=![]()
Рисунок 2.2 Залежність гідромеханічного ККД, від частоти обертання
Типова форма залежності ККД від частоти обертання
наведена на рис. 2.3.
Допускається представляти залежність у виді η = f(n).
Залежність частоти обертання від витрати варто представляти у виді графіка.
![]()
де n- поточне значення частоти обертання, об/хв;
nном. —номінальна частота обертання, об/хв;
Q —поточне значення витрати робочої рідини, дм3 /с;
Qном. —номінальна витрата робочої рідини, дм3 /с.
Типова форма графіка залежності частоти обертання від витрати робочої рідини
наведена на рис. 2.4.

1-
=0,5
; 2-
=
; 3-
=![]()
Рисунок 2.3 Залежність ККД від частоти обертання

2-
=0,5
; 1-
=
; 3-
=![]()
Рисунок 2.4 Залежність частоти обертання від витрати робочої рідини
Допускається представляти залежність у виді n=f(Q).
Для побудови графіка залежності частоти обертання від витрати варто вимірювати частоту обертання при діапазоні витрати від його мінімального Qmin до номінального Qном. значень при трьох значеннях перепаду тисків (0,5 Δpном. ; Δpном. ; Δpmax . )
Залежність частоти обертання від перепаду тисків варто представляти у виді графіка:
![]()
де n — поточне значення частоти обертання, об/хв;
nном. — номінальна частота обертання, об/хв;
Δр —поточне значення перепаду тисків, МПа;
Δрном. — номінальний перепад тисків, МПа.
Типова форма графіка залежності частоти обертання від перепаду тисків
наведена на рис. 2.5.

1-
; 2-
; 3-
; 4-![]()
Рисунок 2.5 Залежність частоти обертання від перепаду тисків
Допускається представляти залежність у виді n=f(p).
Для побудови графіка залежності частоти обертання від перепаду тисків варто вимірювати параметри не менш чим при чотирьох значеннях витрати робочої рідини в діапазоні від його мінімального до номінального значення з рівним інтервалом: 0,25Qном ; 0,5 Qном ; 0,75 Qном ; Qном. .
Для регульованих гідромоторів з безступінчастою зміною робочого об’єму, графічні залежності варто представляти для чотирьох значень робочого обсягу з рівним інтервалом: V0 ; 0,75 V0 ; 0,5 V0 ; 0,25 V0 .
Для ступінчато-регульованих гідромоторів графічні залежності варто представляти для кожної ступіні робочого об’єму.
Для гідромоторів з автоматичною зміною робітничого об’єму інтервали встановлюваних параметрів вказують у стандартах або технічних умовах на гідромотори конкретного типу.
2.3Оформлення результатів повірки
Результати усіх видів випробувань, крім приймально-здавальних, варто оформляти за ДСТ 22976—78.
Результати приймально-здавальних випробувань варто оформляти у такий спосіб: у журнал приймально-здавальних випробувань щомісяця варто вносити запису про кількість випробуваних гідромоторів кожної моделі; про кількість гідромоторів, що не витримали випробувань, із указівкою моделі і показників, що не відповідають стандартові або технічним умовам на гідромотори конкретного типу; на кожен гідромотор або партію гідромоторів, що відправляються одному споживачеві, варто оформляти свідоцтво про приймання відповідно до ДСТ 2.601—68.
Допускається не оформляти свідоцтво про приймання гідродвигунів, що встановлюють на вироби, що випускаються підприємством-виготовлювачем цих гідромоторів. При цьому гідромотори повинні мати клеймо технічного контролю підприємства-виготовлювача.[4]
3. Розробка структурної схеми
Інформаційно-вимірювана система для повірки параметрів гідромоторів повинна виконувати наступні функції:
- вимірювати параметри тиску на вході та виході, різниці тиску і
температури;
- вибір відповідного вхідного каналу;
- аналого-цифрове перетворення вхідного сигналу з обраного аналогового каналу;
- передача отриманих даних по послідовному каналу;
- перетворення рівнів напруги, тобто узгодження вихідних сигналів мікроконтролера з рівнями напруги інтерфейсу RS-232.
Відповідно до визначених функцій, побудована структурна схеми інформаційно-вимірювана система для повірки параметрів гідромоторів, що представлена в додатку А.
Мікроконтролер (МК) має вбудований аналого-цифровий перетворювач на 8 каналів. Для вибору каналу використовується, аналоговий мультиплексор. Тобто номер каналу задається програмно, при цьому відповідний канал аналоговим мультиплексором комутується з входом аналого-цифрового перетворювача, який виконує перетворення вхідного аналогового сигналу у цифровий код. Отримане двійкове слово передається в лінію зв’язку вбудованим універсальним асинхронним приймачем-передавачем. Вихідний сигнал МК узгоджується з інтерфейсом RS-232 схемою узгодження рівнів. Отриманий сигнал через СОМ порт передається до ЕОМ.
4. Розробка інформаційно-вимірюваної системи для повірки параметрів гідромоторів
4.1 Вибір мікроконтролера
Для реалізації задач бакалаврської роботи використовується 8-розрядний мікроконтролер фірми Atmel серії AT90S8515.
КМОН мікроконтролери AT90S8515 реалізовані по AVR RISC архітектурі (Гарвардська архітектура з роздільною пам'яттю і роздільними шинами для пам'яті програм і даних). Виконуючи команди за один тактовий цикл, прилади забезпечують продуктивність, що наближається до 1 MIPS/МГЦ. AVR ядро об'єднує потужну систему команд з 32 8-розрядними регістрами загального призначення і конвеєрне звернення до пам'яті програм. Шість з 32 регістрів можуть використовуватися як три 16-розрядних регістра-покажчика при побічній адресації простору пам'яті. Виконання відносних переходів і команд виклика реалізується з прямою адресацією всього обсягу (4К) адресного простору. Адреси периферійних функцій містяться в просторі пам'яті вводу/виводу. Архітектура ефективно підтримує як мови високого рівня, так і програми на мовах асемблера.
Мікроконтролери містять: 4 Кбайт програмованого Flash, 128 байт СОЗП і 256 байт програмованого ЕСППЗП, 20 ліній вводу/виводу загального призначення, 32 регістри загального призначення, два таймера/лічильника з режимом захоплення і порівняння, 6-канальний 10-розрядний аналого-цифровий перетворювач, систему внутрішніх і зовнішніх переривань, програмований послідовний UART, програмований сторожовий таймер з внутрішнім генератором, послідовний порт з інтерфейсом SPI. Програмно управляються два режими енергозбереження. В пасивному режимі (idle) ЦПУ зупиняється, але СОЗУ, таймери/лічильники, порт SPI, сторожовий таймер і система переривань залишаються активними. В стоповому режимі (power down) зупиняється тактовий генератор і, отже зупиняються всі функції, доки не надійде сигнал зовнішнього переривання або апаратного скидання, але зберігається вміст регістрів.
Вбудована Flash пам'ять програм може перепрограмовуватися безпосередньо в системі шляхом інтерфейсу SPI (в послідовному низьковольтному режимі) або програмуватися стандартними програматорами енергонезалежної пам'яті (в 12-вольтовому паралельному режимі).
Максимальне споживання приладів в активному режимі складає 3.0 мА і в пасивному режимі 1.2 мА (при VCC =3 В і f = 4 МГЦ). В стоповому режимі, при працюючому сторожовому таймері, мікроконтролер споживає 15 мкА.
Об'єднання на одному кристалі вдосконаленого 8-розрядного RISC ЦПУ з Flash ПЗУ, яка завантажується дозволило фірмі створити потужний мікроконтролер, що забезпечує високу гнучкість і економічність в використанні приладу в якості вбудованого контролера.
Port B (PB5... PB0) 6-розрядний двонаправлений порт I/O із вбудованими навантажувальними резисторами. Вихідні буфери забезпечують втікаючий струм 20 мА. При використанні виводів порта в якості входів і установці зовнішнім сигналом в низький стан, струм буде витікати тільки при підключених вбудованих навантажувальних резисторах. Порт B використовується також при реалізації різноманітних спеціальних функцій.
Port C (PC5... PC0) 6-розрядний двунаправлений порт I/O із вбудованими навантажувальними резисторами. Вихідні буфери забезпечують втікаючий струм 20 мА. При використанні виводів порта в якості входів і установці зовнішнім сигналом в низький стан, струм буде витікати тільки при підключених вбудованих навантажувальних резисторах. Входи порта використовуються також як аналогові входи аналого-цифрового перетворювача.
Port D (PD7.. PD0) 8-розрядний двунаправлений порт I/O із вбудованими навантажувальними резисторами. Вихідні буфери забезпечують втікаючий струм 20 мА. При використанні виводів порта в якості входів і установці зовнішнім сигналом в низький стан, струм буде витікати тільки при підключених вбудованих навантажувальних резисторах. Порт D використовується також при реалізації різноманітних спеціальних функцій.
RESET Вхід скидання. Для виконання скидання необхідно утримувати низький рівень на вході протягом двох машинних циклів.
XTAL1 Вхід інвертуючого підсилювача генератора і вхід схеми вбудованого генератора тактової частоти.
XTAL2 Вихід інвертуючого підсилювача генератора.
AVCC Напруга живлення аналого-цифрового перетворювача. Вивод під’єднується до зовнішнього VCC через низькочастотний фільтр.
AREF Вхід аналогової напруги порівняння для аналого-цифрового перетворювача. На цей вивод, для забезпечення роботи аналого-цифрового перетворювача, подається напруга в діапазоні між AGND і AVCC.
AGND Цей вивод повинен бути під’єднаний до окремої аналогової землі, якщо плата оснащена нею. В іншому випадку вивод під’єднується до загальної землі.
Для живлення ADC використовуються два окремих входи: AVсс і AGND. Вхід AGND повинен бути приєднаний до GND в якомусь одному місці, а напруга AVсс не повинна відрізнятися від напруги Vсс більш ніж на 0,4 В. Зовнішня напруга порівняння подається на вхід AREF і повинна бути в діапазоні від 2,7 В до AVсс.
Схема включення мікроконтролера АТ90S8515 показана на рисунку 4.1.
Рисунок 4.1 – Схема включення мікроконтролера
Мікроконтролер АТ90S8515 має такі технічні характеристики:
- діапазон напруги живлення: від 2,7 до 6,0 В;
- діапазон тактової частоти: від 0 до 4 МГц;
- діапазон роботи АЦП: від 0 до 6 В;
- час перетворення АЦП: 70...280 мс;
- клас точності 0,05 [5]
4.2 Вбудований аналого-цифровий перетворювач
Мікроконтролери AT90S8515 оснащені 10-розрядним ADC послідовного наближення. ADC під’єднано до 6-розрядного аналогового мультиплексора, що дозволяє використати будь-який вивод порта С в якості входу ADC. ADC містить підсилювач вибірки/зберігання, що утримує напругу входу ADC під час перетворення на незмінному рівні. Блок-схема ADC представлена на рисунку 4.2. Для живлення ADC використовуються два окремих виводи: AVCC і AGND. Вивод AGND повинен бути під’єднаний до GND а напруга AVCC не повинна відрізнятися від напруги VCC більш ніж на 0.4 В.
Зовнішня напруга порівняння подається на вивод AREF і повинна бути в діапазоні від 2.7 В до AVCC.
Робота аналого-цифрового перетворювача
Аналого-цифровий перетворювач може працювати в двох режимах: режимі однократного перетворення і режимі циклічного перетворення. В режимі однократного перетворення кожне перетворення ініціюється користувачем. В режимі циклічного перетворення ADC здійснює вибірку і оновлення вмісту регістру даних ADC безупинно. Вибір режиму виробляється бітом ADFR регістру ADCSR.
Робота ADC дозволяється установкою в стан 1 біту ADEN в регістрі ADCSR. Першому перетворенню, що починається після дозволу ADC, передує порожнє ініціалізуюче перетворення. На користувачі це відбивається лише тим, що перше перетворення буде займати 27 тактових циклів, замість звичайних 14.
Перетворення починається з установки в стан 1 біта початку перетворення ADSC. Цей біт знаходиться в стані 1 протягом всього циклу перетворення і скидається, по завершенні перетворення, апаратно. Якщо в процесі виконання перетворення виконується зміна каналу даних, те ADC спочатку закінчить поточне перетворення і лише потім виконає перехід до іншого каналу.
Оскільки ADC формує 10-розрядний результат, то по завершенні перетворення результуючі дані розміщуються в двох регістрах даних ADCH і ADCL. Для забезпечення відповідності результуючих даних рівню, що зчитується використовується спеціальна логіка захисту.

Рисунок 4.2 – Блок-схема аналого-цифрового перетворювача
Цей механізм працює слідуючим чином: при зчитуванні даних першим повинен бути зчитаний регістр ADCL. Як тільки ADCL зчитаний звернення ADC до регістрів даних блокується. Таким Чином, якщо після зчитування стану ADCL, але до зчитування ADCH, буде завершене наступне перетворення, жоден з регістрів не буде оновлений і записаний раніше результат не буде викривлений. Звернення ADC до регістрів ADCH і ADCL дозволяється по завершенні зчитування вмісту регістру ADCH.
ADC має своє власне переривання, що може бути активоване по завершенню перетворення. Коли звернення ADC до регістрів заборонено, в процесі зчитування регістрів ADCL і ADCH, переривання буде активуватися, навіть якщо результат буде втрачений.
4.3 Вбудований універсальний асинхронний приймач-передавач
Мікроконтролери AT90S8515 оснащені полнодуплексними універсальними приймачами-передавачами (UART). Їхні основні можливості наступні:
- Генератор забезпечує будь-яку швидкість передачі інформації в бодах
- Висока швидкість передачі при низькій частоті XTAL
- 8-розрядний або 9-розрядний формати даних
- Фільтрація шуму
- Визначення переповнення
- Визначення помилок формування кадрів
- Детектування біта неправдивого старту
- Три окремих переривання: по завершенню передачі (TX Complete), по порожньому регістру даних, що передаються (TX Data Register Empty) і по завершенню прийому (RX Complete).
Передача даних
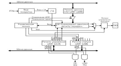
Блок-схема передавача UART показана на рисунку 4.3.
Передача даних ініціюється записом даних, що передаються, в регістр даних I/O UART (UDR). Дані пересилаються з UDR в зсувний регістр передачі в наступних випадках:
- Новий символ записаний в UDR після того як був виведений з регістру стоповый біт символу, що передував. Зсувний регістр завантажується негайно.
- Новий символ записаний в UDR раніше, ніж був виведений стоповий біт символу, що передував. Зсувний регістр завантажується після виходу стопового біту символу, що передається, який знаходиться в зсувному регістрі.
Якщо з 10 (11)-розрядного зсувного регістру передачі виведена вся інформація (зсувний регістр передачі порожній) дані з UDR пересилаються в зсувний регістр. В цей час встановлюється біт UDRE (UART Data Register Empty) регістру статусу UART (USR). При встановленому в стан 1 біті UDRE UART готов прийняти наступний символ. Запис в UDR очищає біт UDRE. В той самий час, коли дані пересилаються з UDR в 10 (11)-розрядний зсувний регістр, біт 0 зсувногорегістру скидається в стан 0 (стан 0 - стартовий біт) а біт 9 або 10 встановлюється в стан 1 (стан 1 - стоповий біт). Якщо в регістрі управління UART (UCR) встановлений біт CHR9 (тобтовибраний режим 9-розрядного слова даних), то біт TXB8 регістру UCR пересилається в біт 9 зсувногорегістру передачі.

Рисунок 4.3 – Передавач UART
Відразу після пересилання даних в зсувний регістр тактом бод-генератора стартовий біт зсувається на вивід TXD. За ним слідує LSB даних. Коли буде виданий стоповий біт зсувний регістр завантажується новою порцією даних, якщо вона була записана в UDR під час передачі. В процесі завантаження біт UDRE знаходиться в встановленому стані. Якщо ж нові дані не будуть завантажені в UDR до видачі стопового біту, прапор UDRE залишається встановленим. В цьому випадку, після того як стоповий біт буде знаходитись на виводі TXD протягом одного такту, в регістрі статусу UART (USR) встановлюється прапор завершення передачі TXC (TX Complete Flag).
Встановлений в стан 1 біт TXEN регістру UCR дозволяє передачу UART. При очищеному біті TXEN (скинутому в стан 0) вивод PD1 може бути використаний в якості виводу I/O загального призначення. При встановленому біті TXEN передавач UART підключається до PD1 і використає його в якості виводу виходу, незалежно від установки біту DDD1 в DDRD. Логіка відновлення даних виробляє вибірку станів виводу RXD з частотою в 16 раз більшою, ніж частота бодів. При знаходженні лінії в пасивному стані одиночна вибірка нульового логічного рівня буде інтерпретуватися як падаючий фронт стартового біту і буде запущена послідовність детектування стартового біту. Вважається, що перша вибірка виявила перший нульовий логічний рівень імовірного стартового біту. На вибірках 8, 9 і 10 приймач знову тестує вивод RXD на зміну логічних станів. Якщо дві або більш з цих трьох вибірок виявлять логічні 1, то даний імовірний стартовий біт відкидається як шумовий сплеск і приймач почне виявляти і аналізувати наступні переходи з 1 в 0.

Рисунок 4.4 – Приймач UART
Якщо ж був виявлений дійсний стартовий біт, то починає вироблятися вибірка наступних за стартовим бітом інформаційних бітів. Ці біти також тестуються на вибірках 8, 9 і 10. Логічний стан біту приймається по двом і більше (з трьох) однаковим станам вибірок. Всі біти вводяться в зсувний регістр приймача з тим значенням, що було визначене тестуванням вибірок. Тестування вибірок бітів символів, що приймаються показане на рисунку 4.5.

Рисунок 4.5 –Тестування виборок даних, що приймаються
При надходженні стопового біта необхідно щоб не менше двох вибірок з трьох підтвердили прийом стопового біта (показали високий рівень). Якщо ж дві або більш вибірок покажуть стан 0, то, при пересиланні прийнятого байта в UDR, в регістрі статусу UART (USR) встановлюється біт помилки кадру FE (Framing Error). Для відкриття помилки кадру користувач перед читанням регістру UDR повинен перевіряти стан біту FE. Прапор FE очищається при зчитуванні вмісту регістру даних UART (UDR). Незалежно від того прийнятий правильний стоповий біт або ні, дані пересилаються в регістр UDR і встановлюється прапор RXC в регістрі статусу UART (USR). Регістр UDR фактично є двома фізичними окремими регістрами, один з яких служить для передачі даних, а інший для прийому. При зчитуванні UDR звернення ведеться до регістру прийому даних, при записі звернення ведеться до регістру передачі. Якщо вибраний режим обміну 9-розрядними словами даних (встановлений біт CHR9 регістру UCR), при пересиланні даних в UDR біт RXB8 регістру UCR завантажується в біт 9 зсувного регістру передачі. Якщо після отримання символу до регістру UDR не було звернення, починаючи з останнього прийому, в регістрі UCR встановлюється прапор переповнення (OR). Це означає, що нові дані, що пересилаються в зсувний регістр не можуть бути передані в UDR і втрачені. Біт OR буферований і доступний тоді, коли в UDR читається байт вірогідних даних. Користувачу, для відкриття переповнення, необхідно завжди перевіряти прапор OR після зчитування вмісту регістру UDR.
При очищеному (скинутому в логічний стан 0) біті RXEN регістру UCR приймач заборонений. Це означає, що вивод PD0 може використовуватися в якості виводу I/O загального призначення. При встановленому біті RXEN, приймач UART підключається до виводу PD0, що працює як вивод входу, незалежно від установки біту DDD0 в DDRD.
При установці UART виводу PD0 на роботу в якості входу, біт PORTD0 може використовуватися для управління навантажувальним резистором виводу.[6]
4.3 Вибір перетворювача рівнів сигналу
За стандартною логікою одиниця представляється рівнем напруг від 2,4 до 5 В, а нуль – від 0 до 0,8 В. Проте, при передачі по каналу RS-232 нуль та одиниця кодуються однаковими за величиною(від 5 до 12 В), але різними за знаком сигналами.
Так як для передач по RS-232 стандартні логічні сигнали повинні бути перетворені в сигнали другого рівня, необхідно передбачити у схемі відповідні засоби перетворення. Десять років тому, для цієї мети використовувались спеціальні каскади з трьох-чотирьох транзисторів, пари діодів і майже десятка резисторів. Зараз ситуація значно змінилась: провідні виробники мікросхем повністю завершенні перетворювачі, які потребують мінімальної кількості додаткових елементів. До них відносяться МАХ202Е від МАХІМ і повністю їй ідентична AD232 від Analog Devices. Всередині обидві мікросхеми містять перетворювач напруги +5 В у ±10 В і каскади, що здійснюють перетворення логічних сигналів стандартного рівня у сигнали рівня по стандарту RS-232.
Кожна з цих мікросхем містить перетворювачі логічного рівня для двох приймачів та двох передатчиків.Кожна із перерахованих вище мікросхем містить перетворювачі логічного рівня для двох приймачів і двох передавачів. Ми використаємо мікросхему AD232 і тільки один її приймально-передавальний канал. Схема включення послідовного інтерфейсу RS232 показана на рисунку 4.6.
![]()
Рисунок 4.6 – Схема включення послідовного інтерфейсу RS232
Швидкість обміну інформацією може бути вибрана в межах: від 9600 бот до 115200 бот. Оскільки мікроконтролер при різних швидкостях і опорних частотах має різні помилки передачі, то при опорній частоті 4 МГц, яка використовується, ця помилка буде мінімальною при швидкості 19200 бот. Саме тому буде використовуватися така швидкість. Вона є достатньою для обміну інформацією між мікроконтролером і комп’ютером, а також дозволяє використовувати старі комп’ютери 386 типу.
Технічні характеристики послідовного інтерфейсу ADM232LIN:
- діапазон вхідної напруги низькргр рівня: від 0 до 0,8 В;
- діапазон вхідної напруги високого рівня: від 2,4 до 5 В;
- час установки вихідної напруги: 4 μс;
- діапазон вихідної напруги: ± 10 В;
- швидкість передачі даних: 19200 бот;
- максимальна помилка при передачі: 0,2 % .
Живлення всіх елементів має бути стабільним, щоб уникнути збоїв у роботі системи. Для забезпечення високої стабільності використаємо джерело опорної напруги. Найкращими джерелами, які випускаються в теперішній час є: REF-02, AD586, LM113, TL431. Одним з найкращих п’ятивольтних джерел опорної напруги є мікросхема TL431. Схема підключення опорного джерела живлення TL431 показана на рисунку 4.7
![]()
Рисунок 4.7 – Схема включення опорного джерела живлення
Джерело опорної напруги TL431 має такі технічні характеристики:
- відхилення напруги від опорного значення: ± 0,02 В;
- струм споживання 2 μА;
- діапазон струму навантаження: від 0 до 10 mА;
- температурний коефіцієнт вихідної напруги: 10-5 / ºС .
Для того щоб вхідний сигнал якомога менше спотворити, при його проходженні через резистори, які будемо використовуватися для ділення напруги та схем включення мікроелементів – будуть прецензійними.[7]
4.4 Розробка принципової схеми
Поєднавши перераховані вище компоненти схеми, розроблена принципова схема системи, представлена в графічній частині бакалаврській роботи. Працює вона таким чином.
На роз'єм ХР1 подаються сигнали від сенсорів, які проходять через фільтруючі RC-ланцюжки (R4-C2, R5-C3, R6-C4, R7-C5, R8-C6, R9-C7, R10-C8, R11-C9). Діоди VD2-VD17 використовуються для захисту від переполюсовки. Після проходження через ці ланцюжки сигнали від сенсорів подаються безпосередньо на входи (А0-А7) аналого-цифрового перетворювача мікроконтролераDD3. Елементи R1, R2, R3, VD1, C1, C10 утворюють джерело опорної напруги аналого-цифрового перетворювача, яка поступає на вхід AREF. Елементи DA1, C12 утворюють монітор скиду мікроконтролера DD3. Елементи DD1, DD2 представляють собою оптопари, призначені разом із R12, R13, R17, R18, C11, C16 для організації гальванічної розв’язки від персонального комп’ютера. Мікросхема DD4 – перетворювач рівнів сигналів для послідовного інтерфейсу RS-232C.
Після обробки сигналів сенсорів в мікроконтролері вони передаються через послідовний інтерфейс до персонального комп’ютеру. Схема наведена в додатку Б.
Висновки
В даній бакалаврській роботі викладено матеріали на тему: “Вимірювальна система для повірки гідромоторів”. Проведені теоретичні дослідження методів та засобів повірки гідромотора. Метою бакалаврської роботи було створення приладу, який би задовольняв потреби найсучаснішої вимірювальної техніки, а це, перш за все, швидкодія, наявність ергодичного інтерфейсу, простота та швидкість обробки інформації та наглядне її представлення. Тому в даній бакалаврській роботі створений сучасний вимірювальний прилад, який задовольняє вищеприведені вимоги, при цьому забезпечуючи достатній діапазон фізичної величини і порівняно невелику похибку.
В практичній частині на базі вибраної структурної схеми розроблена схема принципова, що представляє собою поєднання найсучасніших мікросхем, які спрощують задачу керування приладом і роблять його зручним у користуванні навіть для неспеціаліста..
Література
1. Осипов П. Е., Гидравлика, гидравлические машины и гидропривод. М., 1981.
2. Башта Т. М., Руднев С.С., Некрасов Б. Б. и др. Гидравлика, гидрошины и гидроприводы. М., 1982.
3. Бальшаков В. А., Попов В. Н. Гидравлика. Общий курс. К., 1989.
4. ГОСТ 20719-83. Гидромоторы. Правила приемки и методы паверки. 1984.
5. Проектирование микропроцесорных измерительных приборов и систем/В.Д. Циделко, Н.В. Нагаец, Ю.В. Хохлов и др.- К.: Техніка, 1984.-215 с.
6. Вострокнутов Н.Н. Цифровые измерительные устройства. Теория погрешностей, испытаний, поверка. –М.: Энергоатомиздат, 1990.-208 с.
7. Хазанов Б.И. Интерфейсы измерительных систем.- М.: Энергия, 1979. – 169с.
Додаток А.
Структурна схема

Додаток Б.
Схема принципова електрична
