| Скачать .docx |
Курсовая работа: Информационное микротабло
ЗАДАНИЕ НА КУРСОВОЙ ПРОЕКТ
по микросхемотехнике
Студент:
1. Тема: Информационное микротабло.
2. Срок представления курсового проекта к защите: .
3. Исходные данные для проектирования:
3.1. Размер матричного дисплея – 7 строк 32 столбца светодиодов.
3.2. Напряжение питания 5В.
3.3. Часы, индикация температуры в диапазоне 0 ÷ 59ºС, бегущая строка текстовая информация (7 программ)
4. Содержание пояснительной записки курсового проекта.
4.1. Структурная схема и принцип работы информационного микротабло.
4.2. Электрическая схема устройства.
4.3. Программы и карты прошивки микросхем - постоянных запоминающих устройств.
4.4. Конструкция микротабло.
4.4.1. Печатные платы.
4.4.2. Сборочный чертеж.
4.5. Особенности наладки.
5. Перечень графического материала.
5.1. Структурная схема.
5.2. Электрическая схема.
5.3. Печатные платы.
5.4. Сборочный чертеж.
РЕФЕРАТ
Пояснительная записка содержит 31 страницу печатного текста, 3 рисунка, 5 таблиц, 5 приложений, при написании использовалось 5 источников литературы.
Перечень ключевых слов: микротабло, “бегущая строка”, постоянное запоминающее устройство, счетчик, дешифратор, печатная плата.
Цель работы: синтез электрической схемы информационного микротабло и разработка её конструкции.
Объект разработки: информационное микротабло
Методы разработки: схемотехнический синтез и разработка конструкции.
Полученные результаты: разработана электрическая схема и печатные платы, составлены карты прошивки микросхем ПЗУ.
Степень внедрения: не рассматривалась.
Эффективность: не рассчитывалась.
Область применения: устройство может применяться для бытовых целей, особенно в общественных местах.
Основные конструкционные и эксплуатационные характеристики: информационное микротабло выполнено на двух печатных платах размерами 400 110 мм. и содержит 224 светодиода, 16 микросхем, 39 транзисторов, 14 резисторов, 5 диодов, 8 конденсаторов. Напряжение питания устройства 5В.
СОДЕРЖАНИЕ
Введение
1 Структурная схема и принцип работы информационного микротабло
2 Электрическая схема устройства
3 Программы и карты прошивки микросхем - постоянных запоминающих устройств
4 Конструкция микротабло
4.1 Печатные платы
4.2 Сборочный чертеж
5 Особенности наладки
Заключение
Список использованных источников литературы
Приложения
ВВЕДЕНИЕ
В последнее время все больше возникает необходимость в создании электронных устройств, функцией которых является доведение до широких масс населения различного рода информации. Особенное внимание при этом уделяется созданию таких устройств, которые подобную функцию осуществляют посредством автоматического вывода информации дисплеи различной модификации.
Целью данного курсового проекта является разработка электрической схемы устройства позволяющего отображать на матричном дисплее информацию о текущем времени, температуре и текстовую информацию в режиме “бегущая строка”. В ходе работы также необходимо разработать все конструкционные элементы, которые потребуются для сборки данного устройства.
Существует немало различных вариантов построения подобного рода устройств. В данной же работе рассмотрен такой вариант, при котором решение поставленной задачи будет наиболее выгодно как с практической, так и с экономической точки зрения. В связи с этим параметры разработанного устройства позволяют устанавливать его лишь в помещениях с небольшой площадью, чтобы обеспечить хорошее восприятие информации представленной на табл
1 СТРУКТУРНАЯ СХЕМА И ПРИНЦИП РАБОТЫ ИНФОРМАЦИОННОГО МИКРОТАБЛО
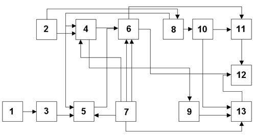
На основе изученной литературы приходим к выводу, что наилучшим вари-антом для решения поставленной задачи является схемное решение, подобное необходимому, представленное в литературе - [1]. После некоторых преобразо-ваний предложенной схемы приходим к варианту, который полностью подхо-дит для реализации схемы выполняющей необходимую функцию. Структурная схема данного устройства приведена на рис.1.
Структурная схема устройства.

Рис. 1.
1- Детектор температуры
2- Кварцевый генератор
3- Генератор импульсов
4- БИС часов
5- Счетчик
6- Дешифратор часов и температуры
7- Устройство управления
8- Счетчик адреса
9- Счетчик дней
10-Постоянное запоминающее устройство (ПЗУ) выполняющее функцию сдвига
11-Дешифратор
12- Индикатор
13- ПЗУ хранящее информацию о тексте, выводимом на табло
Рассмотрим принцип работы устройства на основе структурной схемы (рис.1). Знакомство с работой информационного микротабло начнем с кварце-вого генератора(2), частоту генерации которого задает кварц на 32768 Гц. Дан-ный генератор в сочетании с БИС часов(4) необходим для реализации часов. Для осуществления функции измерения температуры служат: детектор(1), ге-нератор(3) и счетчик(5). Основой детектора служит терморезистор, который изменяет свое сопротивление в зависимости от температуры. Сам же терморе-зистор включен в частотозадающую цепь генератора, таким образом, частота импульсов на выходе генератора зависит от температуры. Эти импульсы под-считывает счетчик, на выходе которого будет присутствовать двоичный код, зависящий от температуры. Выходы БИС часов и счетчика температуры под-ключены к единому дешифратору(6). С дешифратора информация идет на таб-ло. Для осуществления хранения текстовой информации служит ПЗУ(13), а для выдачи этой информации в режиме бегущая строка служит ПЗУ “сдвиг”(10). Счетчик адреса(8) управляет ПЗУ “сдвиг”. Счетчик дней(9) служит для привяз-ки определенной текстовой информации к определенному дню недели.
Управляет выводом информации устройство управления(7), которое пооче-редно подключает к табло блоки 6 и 13, таким образом, выводится информация то с дешифратора(6) то с ПЗУ(13). Также блок(7) управляет поочередным вы-водом (в момент, когда на табло выводится информация с блока 6) информации о времени и температуре.
Вся информация отображается на матричном дисплее(12), который состоит из 7 строк и 32 столбцов светодиодов. Для вывода одной буквы используется стандартное знакоместо 7 5 светодиодов (рис.2).
Стандартное знакоместо 7 5 светодиодов на примере символа «Ж»

Рис.2.
Режимы работы устройства построенного на основе описанной выше структурной схемы приведены в (ТАБ. 1).
ТАБЛИЦА 1
| РЕЖИМЫ РАБОТЫ ИНФОРМАЦИОННОГО МИКРОТАБЛО |
||||
| Номер программы |
Двоичный код (DD10) |
«Бегущая строка» |
«Две шторки» |
«Одна шторка» |
| 1 |
000 |
Кафедра микроэлектроники приветствует Вас |
Понед. |
Время |
| 2 |
001 |
Кафедре сорок лет |
Вторник |
Время |
| 3 |
010 |
Микроэлектроника-катализатор научно технического прогресса |
Среда |
Время |
| 4 |
011 |
Мы рады видеть способных учеников |
Четверг |
Время |
| 5 |
100 |
Никто не даст Вам больше чем Вы возьмёте сами |
Пятница |
Время |
| 6 |
101 |
No smoking - не курить |
Суббота |
Время |
| 7 |
110 |
Бегущая строка, термометр |
Воскр. |
Время |
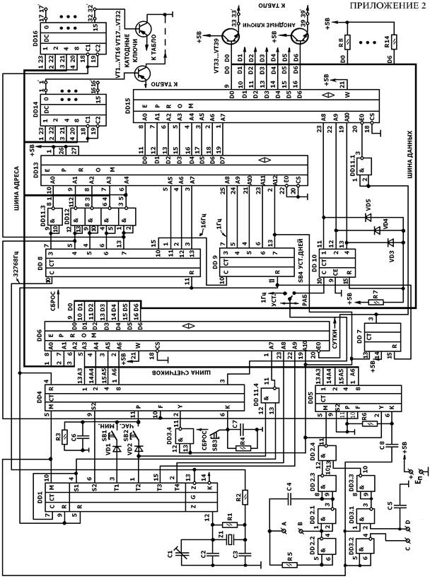
2 ЭЛЕКТРИЧЕСКАЯ СХЕМА ИНФОРМАЦИОННОГО МИКРОТАБЛО
Знакомство с работой принципиальной электрической схемы (Приложение 2) лучше всего начать с кварцевого генератора. Собран он на микросхеме DD1. Частоту генерации 32768 Гц задает кварц Z 1. Причем именно такое его вклю-чение при 5-вольтовом питании хорошо зарекомендовало себя на практике[1].
DD4 (К176ИЕ13) — БИС часов. «Специализация» выводов у данной мик-росхемы: 4 — сброс (обнуление) счетчиков, 3 — суточный импульс. Переход рассматриваемой части микросхемы от высокого состояний к низкому осуще-ствляется при показаниях часов "00 ч 00 мин. Однако следует отметить, что при принудительном переходе через указанный «рубикон» (во время манипуляции кнопками «час» и «мин») импульс на выводе 3 DD4 отсутствует. Появляется он только при самостоятельном переходе через рубеж "00 ч 00 мин". Что касается назначения выводов 13, 14, 15, 1, то с них можно снять информацию о текущем времени в динамическом режиме.
Соединение DD1 с DD4 типовое, кроме подачи синхронизирующей часто-ты 1024 Гц. В приводимой схеме эта частота снимается не с DD1 (К176ИЕ12), а с вывода 5 счетчика DD8 (К561ИЕ16). Ну а конденсатор С7 защищает часы от импульсных помех, наводимых в электросети бытовыми электроприборами.
Микросхема DD5 подсчитывает импульсы, эквивалентные температуре окружающего воздуха. Причем DD4 и DD5 включаются поочередно (выходы не работающей в данный момент времени микросхемы переходят в высокоим-педансное состояние, т.е. попросту отключаются от шины счетчиков). DD5 та-кая же, как и в часах (К176ИЕ13). Но здесь, в DD5, использован только счетчик минут. Так как считать он может только до числа 59, то замеры температуры воздуха выполняются лишь в пределах от 0°С до +59°С.
Съем показаний происходит через каждую минуту. Цепочка С8, R6 фор-мирует импульс сброса счетчика DD5 на «ноль», а три элемента DD3—более длинный импульс, открывающий ключ DD2.4. На трех остальных элементах DD2 собран генератор, в частотозадающую цепь которого включен терморези-стор КМТ11 на 100 кОм. При повышении температуры окружающего воздуха последний уменьшает свое сопротивление, А это ведет к увеличению частоты генератора, выполненного на DD2.1-DD2.3. Счетчик DD5 через открытый ключ DD2.4 подсчитает выданные импульсы генератора. Их количество и будет со-ответствовать измеренной температуре воздуха.
При наладке термометра на «стандартных» элементах не удается получить требуемую точность. Поэтому приходится вводить термокомпенсационные ре-зисторы СТ6-ЗБ, включая их в формирователь импульсов на микросхеме DD3. Следует заметить, что терморезисторы СТ6-ЗБ при нагреве увеличивают свое сопротивление (в отличие от КМТ11, у которых этот параметр уменьшается). В комплексе же схема теперь работает так, что время, в течение которого открыт ключ DD2.4, уже строже зависит от замеряемой температуры.
И еще одна особенность. Промышленность выпускает СТ6-ЗБ только в пределах 1 кОм.,.10 к0м, поэтому при калибровке термометра необходимо ус-танавливать несколько термокомпенсационных резисторов, соединенных по-следовательно. Электрическая схема термодатчика приведена на рис.3.
Термодатчик

Рис.3.
Счетчик DD5 синхронизирован частотой 1024 Гц. Неиспользованные вы-воды 9,11 этой микросхемы соединены с общим проводом.
Дешифратор часов и термометра единый – DD6. Собран он на постоянном запоминающем устройстве объемом 2 кБайт. Это—микросхема типа К573РФ2.
Память ПЗУ согласно замыслу разработки условно разделена на две стра-ницы. В одной из них находится информация для часов, а в другой — для тер-мометра. Переключение страниц памяти происходит посредством счетчика DD7 (К561ИЕ8). Причем при логическом «О» на выходе 19 (вход А10) ПЗУ включена первая страница памяти. Здесь находится информация для часов. Кроме того, логический «О» будет присутствовать и на входах элемента DD3.1. и на выводе 2 микросхемы DD5. Значит, будет работать микросхема DD4, а DD5 отключится от шины. Следует отметить, что при отключении от шины она (микросхема) сохраняет свою работоспособность, подсчитывая импульсы.
За очередностью и временем «удержания» сведений следит DD7, включая также поочередно ПЗУ DD6 и микросхему DD15 с текстовой информацией. Неработающее ПЗУ переходит в высокоимпедансное состояние (так же, как и пара DD4, DD5). Микросхема DD10 (К561 ИЕ10, использована только полови-на) определяет дни недели (считает до семи). Цикл укорочен тремя кремниевы-ми диодами VD3-VD5 и резистором R7. Суточный же импульс смены дней не-дели приходит от третьего вывода микросхемы DD4. Причем — через кнопку первоначальной (ручной) установки. Выходы счетчика дней недели соединены с входами А8, A9, А10 микросхемы DD15. В ПЗУ записан текст. И очевидно, что определенный текст «привязан» к дню недели. Кроме того, в данной разра-ботке предусмотрена установка этой микросхемы на панельку, что дает воз-можность записывать в ПЗУ любой текст.
Для обеспечения режима ”бегущая строка”, а также увеличения объема текстовой информации пришлось применить еще одно ПЗУ. Эта микросхема, имея специальную программу, управляет DD15 с текстовой информацией, обеспечивает режимы «Бегущая строка», «Две «шторки», «Одна «шторка». Для такой работы микросхема DD13 должна иметь соответствующий объем памяти (8 кБайт). Хотя можно обойтись и другим ПЗУ. Например, с объемом памяти от 2 кБайт до 32 кБайт (микросхема типа К573РФ4).
А вот микросхемой DD13 «СДВИГ» управляет типовой счетчик адреса. Собран он на двух К561ИЕ16. Инверторы на микросхеме DD12 и одном эле-менте DD11, дешифраторы DD14, DD16 (К155ИДЗ), а также 32 транзисторных ключа управляют катодами матриц. Что касается VT1...VT32, то они увеличи-вают нагрузочную способность дешифраторов, повышая яркость свечения све-тодиодного дисплея. В данной разработке применена матрица со светодиодами красного свечения типа КИПМ-32.
3 ПРОГРАММЫ И КАРТЫ ПРОШИВКИ ПЗУ
Карта прошивки ПЗУ с текстовой информацией (DD6) создается в соот-ветствии с таблицей, отражающей соответствие каждой букве алфавита опре-деленного кода (ТАБ. 2).
ТАБЛИЦА 2
| СИМВОЛ |
КОДЫ |
СИМВОЛ |
КОДЫ |
| А |
7Е 09 09 7Е 00 |
Р |
7F 09 09 06 00 |
| Б |
7F 49 49 79 00 |
С |
3E 41 41 22 00 |
| В |
7F 49 49 36 00 |
Т |
01 01 7F 01 01 |
| Г |
7F 01 01 01 00 |
У |
27 48 48 3F 00 |
| Д |
60 3F 21 3F 60 |
Ф |
0E 0A 7F 0A 0E |
| Е |
7F 49 49 41 00 |
Х |
63 14 08 14 63 |
| Ж |
63 14 7F 14 63 |
Ц |
3F 20 20 3F 60 |
| З |
22 41 45 3A 00 |
Ч |
0F 08 08 7F 00 |
| И |
7F 10 08 7F 00 |
Ш |
7F 40 7C 40 7F |
| Й |
7F 20 11 08 7F |
Щ |
3F 20 3E 20 7F |
| К |
7F 08 14 22 41 |
Ъ |
01 7F 48 48 30 |
| Л |
40 7C 02 01 7F |
Ы |
7F 48 48 30 7F |
| М |
7F 02 04 02 7F |
Ь |
7F 48 48 30 00 |
| Н |
7F 08 08 7F 00 |
Э |
22 49 49 3E 00 |
| О |
3E 41 41 3E 00 |
Ю |
7F 08 3E 41 3E |
| П |
7F 01 01 7F 00 |
Я |
46 29 19 7F 00 |
В эту микросхему программируется текст в соответствии с (ТАБ. 1). В кар-ту прошивки записывается поочередно каждое слово через небольшие пробелы (ТАБ. 3). В неуказанных ячейках карты записываются нули.
ТАБЛИЦА 3
| 0020 |
7F |
08 |
14 |
22 |
41 |
7 E |
09 |
09 |
7F |
00 |
0E |
0A |
7F |
0A |
0E |
7F |
Кафедра микроэлектроники приветствует Вас |
| 0030 |
49 |
49 |
41 |
00 |
60 |
3F |
21 |
3F |
60 |
7F |
09 |
09 |
06 |
00 |
7E |
09 |
|
| 0040 |
09 |
7E |
00 |
00 |
00 |
00 |
00 |
7F |
02 |
04 |
02 |
7F |
7F |
10 |
08 |
7F |
|
| 0050 |
00 |
7F |
08 |
14 |
22 |
41 |
7F |
09 |
09 |
06 |
00 |
7E |
41 |
41 |
3E |
00 |
|
| 0060 |
22 |
49 |
49 |
3E |
00 |
40 |
7C |
02 |
01 |
7F |
7F |
49 |
49 |
41 |
00 |
7F |
|
| 0070 |
08 |
14 |
22 |
41 |
01 |
01 |
7F |
01 |
01 |
7F |
09 |
09 |
06 |
00 |
3E |
41 |
|
| 0080 |
41 |
3E |
00 |
7F |
08 |
08 |
7F |
00 |
7F |
10 |
08 |
7F |
00 |
7F |
08 |
14 |
|
| 0090 |
22 |
41 |
7F |
10 |
08 |
7F |
00 |
00 |
00 |
00 |
00 |
7F |
01 |
01 |
7F |
00 |
|
| 00A0 |
7F |
09 |
09 |
06 00 00 |
00 |
7F |
10 |
08 |
7F |
00 |
7F |
49 |
49 |
36 |
00 |
7F |
|
| 00B0 |
49 |
49 |
41 |
00 |
01 |
01 |
7F |
01 |
01 |
3E |
41 |
41 |
22 |
00 |
01 |
01 |
|
| 00C0 |
7F |
01 |
01 |
7F |
49 |
49 |
36 |
00 |
27 |
48 |
48 |
3F |
00 |
7F |
49 |
49 |
|
| 00D0 |
41 |
00 |
01 |
01 |
7f |
01 |
01 |
00 |
00 |
00 |
00 |
00 |
7f |
49 |
49 |
36 |
|
| 00E0 |
00 |
7E |
09 |
09 |
7E |
00 |
3E |
41 |
41 |
22 |
00 |
00 |
00 |
00 |
00 |
00 |
|
| 0120 |
7F |
49 |
49 |
36 |
00 |
7F |
09 |
09 |
06 |
00 |
7F |
49 |
49 |
41 |
00 |
7F |
Время |
| 0130 |
02 |
04 |
02 |
7F |
00 |
46 |
29 |
19 |
7F |
00 |
00 |
00 |
00 |
00 |
7F |
01 |
|
| 0140 |
01 |
7F |
00 |
3E |
41 |
41 |
3E |
00 |
7F |
08 |
08 |
7F |
00 |
7F |
49 |
49 |
Понед. |
| 0150 |
41 |
00 |
60 |
3F |
21 |
3F |
60 |
00 |
00 |
00 |
00 |
00 |
00 |
00 |
00 |
00 |
|
| 0180 |
7F |
08 |
14 |
22 |
41 |
7E |
09 |
09 |
7E |
00 |
0E |
0A |
7F |
0A |
0E |
7F |
Кафедре сорок лет |
| 0190 |
49 |
49 |
41 |
00 |
60 |
3F |
21 |
3F |
60 |
7F |
09 |
09 |
06 |
00 |
7F |
49 |
|
| 01A0 |
49 |
41 |
00 |
00 |
00 |
00 |
00 |
3E |
41 |
41 |
22 |
00 |
3E |
41 |
41 |
3E |
|
| 01B0 |
00 |
3F |
09 |
09 |
06 |
00 |
3E |
41 |
41 |
3E |
00 |
7F |
08 |
14 |
22 |
41 |
|
| 01C0 |
00 |
00 |
00 |
00 |
00 |
40 |
7C |
02 |
01 |
7F |
7F |
49 |
49 |
41 |
00 |
01 |
Карта прошивки микросхемы DD13 представлена в таблице (Таб. 5).
ТАБЛИЦА 4
| 0000: 0010: 0020: 0030: 0040: 0050: 0060: 0070: 0080: 0090: 00А0: 00В0: 00С0: 00 D 0: 00 E 0: 00 F 0:
|
00 10 01 11 02 12 03 13 04 14 05 15 06 16 07 17
|
01 11 02 12 03 13 04 14 05 15 06 16 07 17 08 18
|
02 12 03 13 04 14 05 15 06 16 07 17 08 18 09 19
|
03 13 04 14 05 15 06 16 07 17 08 18 09 19 OA 1A
|
04 14 05 15 06 16 07 17 08 18 09 19 OA 1A OB 1B
|
05 06 07 08 09 OA 15 16 17 18 19 1A 06 07 08 09 OA OB 16 17 18 19 1A 1B 07 08 09 OA OB OC 17 18 19 1A 1B 1C 08 09 OA OB OC 0D 18 19 1A 1B 1C 1D 09 OA OB OC OD OE 19 1A 1B 1C 1D 1Е OA OB OC OD OE OF 1A 1B 1C 1D 1Е 1F OB ОС OD OE OF 10 1B 1C ID 1Е 1F 20 ОС OD OE OF 10 11 1C 1D 1Е 1F 20 21
|
OB 1B ОС 1C OD 1D OE 1Е OF 1F 10 20 11 21 12 22
|
ОС 1C OD 1D OE 1Е OF 1F 10 20 11 21 12 22 13 23
|
OD 1D OE 1Е OF 1F 10 20 11 21 12 22 13 23 14 24
|
OE 1Е OF 1F 10 20 11 21 12 22 13 23 14 24 15 25
|
OF 1F 10 20 11 21 12 22 13 23 14 24 15 25 1A 26
|
Добавляя к каждому коду по одному десятку, получаем “прошивку” с ад-ресами 0200...02F0, 0400...04F0, 0600...06F0, 0800...08F0, 0A00...0AF0, 0C00...0CF0, 0E00...0EF0.
| 0100: О11О: 0120: 0130: 0140: 0150: 0160: 0170: 0180: 0190: 01АО:01ВО: 01СО; 01 DO : 01ЕО: 01 FO :
|
08 18 09 19 OA 1A OB 1B ОС 1C 00 1D OE 1Е OF 1F
|
09 19 OA 1A OB 1B ОС 1C OD 1D OE 1Е OF 1F 10 20
|
OA 1A OB 1B ОС 1C OD 1D OE 1Е OF 1F 10 20 11 21
|
OB 1B ОС 1C OD 1D OE 1Е OF 1F 10 20 11 21 12 22
|
ОС 1C OD 1D OE 1Е OF 1F 10 20 11 21 12 22 13 23
|
OD 1D OE 1Е OF 1F 10 20 11 21 12 22 13 23 14 24
|
OE 1Е OF 1F 10 20 11 21 12 22 13 23 14 24 15 25
|
OF 10 11 12 13 14 15 1F 20 21 22 23 24 25 10 11 12 13 14 15 16 20 21 22 23 24 25 26 11 12 13 14 15 16 17 21 22 23 24 25 26 27 12 13 14 15 16 17 18 22 23 24 25 26 27 28 13 14 15 16 17 18 19 23 24 25 26 27 28 29 14 15 16 17 18 19 1A 24 25 26 27 28 29 2A 15 16 17 18 19 1A 1B 25 26 27 28 29 2A 2В 16 17 18 19 1A 1B 1C 26 27 28 29 2A 2В 2С
|
16 26 17 27 18 28 19 29 1A 2A 1B 2В 1C 2С 1D 2D
|
17 27 18 28 19 29 1A 2A 1B 2В 1C 2С 1D 2D 1Е 2Е
|
Добавляя к каждому коду последовательно по одному десятку, получаем про-шивку с адресами 0300...03F0, 0500...05F0, 0700...07F0, 0900...09F0, 0B00...0BF0, 0D00...0DF0.
| ОFОО: OF10; OF20: OF30: OF40: OF50: OF60: OF70: OF80: OF90: OFAO: OFBO: OFCO: OFDO: OFEO: OFFO:
|
78 08 79 09 7А OA 7В OB 7С ОС 7 D OD 7Е OE 7 F OF
|
79 09 7А OA 7В OB 7С ОС 7 D OD 7Е OE 7 F OF 00 10
|
7А OA 7В OB 7С ОС 7 D OD 7Е OE 7 F OF 00 10 01 11
|
7В OB 7С ОС 7 D OD 7Е OE 7 F OF 00 10 01 11 02 12
|
7С ОС 7D OD 7Е OE 7F OF 00 10 01 11 02 12 03 13
|
7D 7Е 7F 00 01 02 OD OE OF 10 11 12 7Е 7F 00 01 02 03 OE OF 10 11 12 13 7F 00 01 02 03 04 OF 10 11 12 13 14 00 01 02 03 04 05 10 11 12 13 14 15 01 02 03 04 05 06 11 12 13 14 15 16 02 03 04 05 06 07 12 13 14 15 16 17 03 04 05 06 07 08 13 14 15 16 17 18 04 05 06 07 08 09 14 15 16 17 18 19
|
03 13 04 14 05 15 06 16 07 17 08 18 09 19 OA 1A
|
04 14 05 15 06 16 07 17 08 18 09 19 OA 1A OB 1B
|
05 15 06 16 07 17 08 18 09 19 OA 1A OB 1B ОС 1C
|
06 16 07 17 08 18 09 19 OA 1A OB 1B ОС 1C OD 1D
|
07 17 08 18 09 19 OA 1A OB 1B ОС 1C OD 1D OE 1Е
|
Аналогичное чередование кодов наблюдается в диапазоне адресов 1300...13F0, 1400...14F0, 1500...15F0, 1600...16F0.
Такие же коды имеют последующие адреса с нечетным числом десятков, а также 1880, 18D0, 18F0, 19В0, 19D0, 19F0, 1ЕЕ0, 1F00, 1F20, 1F40, 1F60, 1F80, 1FA0, 1FC0,1РЕ0,1FF0.
4 КОНСТРУКЦИЯ МИКРОТАБЛО
Информационное табло представляет собой матрицу, состоящую из 224 светодиодов. У неё 7 строк и 32 столбца. Причем для часов и термометра мат-рица условно разделена на 4 части (по 56 светодиодов в каждой). Вывод теку-щего времени на табло имеет стандартный вид с двумя разделительными точ-ками. Частота их мерцания –1 Гц. При показании температуры окружающего воздуха первый разряд (левый крайний) высвечивает символы <<°C>>, второй- знак <<+>>, а третий и четвертый – реальную температуру.
При установке плат в корпус, сверху индикатор необходимо накрыть красным оргстеклом для осуществления лучшей видимости в условиях высокой освещенности передней панели устройства.
4.1 ПЕЧАТНЫЕ ПЛАТЫ
Информационное микротабло собрано на двух двусторонних печатных платах из фольгированного текстолита (см. ПРИЛОЖЕНИЕ 3,4). Причем на одной плате располагается светодиодная матрица, а на второй-сама электриче-ская схема, которая соединена с матрицей проводами. Такой вариант располо-жения элементов разработан для того, чтобы размеры всего устройства (соб-ранного в корпусе), совпадали с размерами табло. Плата электрической схемы при этом располагается позади табло. Размер обоих плат совпадает и составля-ет 400 110 мм.
На плате матрицы расположены 224 светодиода, при пайке которых, есте-ственно, следует соблюдать полярность. Выше смонтированы катодные ключи VT1...VT32. Это—транзисторы прямой проводимости. Например, КТ814, КТ816 и др. Следует отметить, что коллекторы всех 32 транзисторов никуда не вставляются. Более того, для них на плате даже отверстия не предусмотрены. Коллекторы здесь попросту спаяны между собой и соединены с общим прово-дом. Зато анодные ключи (транзисторы КТ805, КТ819 и др.) располагают на второй плате по обе стороны от микросхемы DD4.
Ну а что касается рекомендуемого места установки терморезисторов, то оно должно находиться снаружи корпуса во избежание подогрева элементами схемы.
На плате располагаются еще пять блокировочных керамических конден-саторов СБ емкостью 0,1 мкФ...О,33 мкФ, на принципиальной электрической схеме не указанных. Распределяют их равномерно по плате, чтобы исключить самовозбуждение и нежелательные явления во время работы устройства.
И еще. Под все ПЗУ необходимо предусмотреть панельки. Собирая же матрицу, устанавливать на плату не сразу все светодиоды, а только два-три «столбца». Это позволит уберечь от переполюсовки и прочих, «неожиданно-стей».
4.2 СБОРОЧНЫЙ ЧЕРТЕЖ
В ПРИЛОЖЕНИЕ 5 приведен сборочный чертеж всего устройства. Сбор-ку можно производить в соответствии со сборочным чертежом. Следует только отметить, что катоды всех светодиодов направлены к верху (см. ПРИЛОЖЕНИЕ 5) платы. На чертеже также показано множество контактных площадок, к которым ни каких элементов схемы не припаивается. Эти контакт-ные площадки служат для осуществления контакта между обеими сторонами печатной платы, который производится посредством проволочных перемычек.
Все микросхемы ПЗУ не впаиваются в плату, а устанавливаются на соот-ветствующие панельки, которые впаиваются на место этих микросхем.
Пайку всего устройства необходимо производить припоем ПОС-60.
5 ОСОБЕННОСТИ НАСТРОЙКИ
Но вот плата в основном спаяна. Причем (в соответствии с вышеизложен-ными рекомендациями) светодиоды на ней не все, а только 2—3 «столбца». В таком случае пора переходить к первому включению, подав на плату +5В от ис-точника питания с нагрузочной способностью не менее 1А. Если впаянные све-тодиоды засветились, значит, все в порядке. В противном случае подключают вольтметр и убеждаются в наличии на плате +5В. Если указанное напряжение есть, а светодиоды «не горят», можно смело (на включенной плате) искать ошибки монтажа.
Рекомендуемая последовательность действий здесь такова. Вначале прове-ряют на выводе 4 DD1 наличие секундного импульса 1 Гц. Добиваются, чтобы и на выводе 7 DD9 был тот же 1 Гц. Если пайка светодиодов велась аккуратно, без перегрева выводов и корпусов, то имеющаяся (подключенная) часть матри-цы должна заработать. Тогда, не обращая внимания на высвечиваемое, можно переходить к пайке остальных светодиодов, периодически включая плату для проверки.
При установке на плате одного только ПЗУ часов и термометра, собранного на DD6, с нажатием кнопки «Сброс» должны светиться все 224 диода матрицы в течение 16 с. После этого осуществляется переход на текущее время. На дис-плее высвечиваются «00:00». Как и положено, разделительные точки при этом мигают. А еще через 7 секунд на дисплее высветится «°С + 00». Если подклю-чены терморезисторы, то вскоре высветится и ожидаемая температура. При ус-тановленных же всех микросхемах памяти с нажатием кнопки «Сброс» появит-ся текстовая информация в режиме «БЕГУЩАЯ СТРОКА».
ЗАКЛЮЧЕНИЕ
В ходе работы над курсовым проектом на тему: Информационное микро-табло, была разработана электрическая схема позволяющая выполнять возло-женную на неё функцию отображения различного типа информации. Были со-ставлены карты прошивки для задействованных при разработке электрической схемы микросхем ПЗУ. Также были разработаны печатные платы для данного устройства.
При синтезе электрической схемы устройства и разработке конструкции приоритетной задачей была минимизация затрат на изготовление данной разра-ботки без ущерба, однако, электрическим и эксплуатационным параметрам устройства.
Разработанное устройство носит немалую хозяйственную и социальную ценность, так как может предоставлять различного рода информацию для ши-роких масс посредством вывода ее на матричный светодиодный дисплей. Уста-навливаться данное устройство может в любых (но не очень больших) поме-щениях, где наблюдается большое скопление людей.
СПИСОК ИСПОЛЬЗОВАННЫХ ИСТОЧНИКОВ ЛИТЕРАТУРЫ
1. И разбудит, и все сообщит / А. Симутин // Моделист конструктор. - 1995.- №10. - с. 15-18.
2. И разбудит, и все сообщит / А. Симутин // Моделист конструктор. - 1995.- №11. - с. 15-17.
3. И разбудит, и все сообщит / А. Симутин // Моделист конструктор. - 1995.- №12. - с. 14-18.
4. Полупроводниковые приборы: Транзисторы и диоды. Справочник/ В. Л. Аронов, А. В. Баюнов и др. Под общ. ред. Н. Н. Горюнова. - М.: Энерго-атомиздат. 1983-904с., ил.
5. Аналоговые и цифровые интегральные микросхемы: Справочник/ С. В. Якубовский, Н. А. Баранов и др.; Под ред. С. В. Якубовского. - 2-е изд., перераб. и доп. – М.: Радио и связь. 1984. – 432с., ил.
Приложения 1

1-Детектор температуры
2-Кварцевый генератор
3-Генератор импульсов
4-БИС часов
5-Счетчик
6-Дешифратор часов и температуры
7-Устройство управления
8-Счетчик адреса
9-Счетчик дней
10-Постоянное запоминающее устройство (ПЗУ) выполняющее функцию сдвига
11-Дешифратор
12- Индикатор
13- ПЗУ хранящее информацию о тексте, выводимом на табло
