| Скачать .docx |
Реферат: Приборы для радиоизмерений Понятие и
Цифровой вольтметр с преобразованием напряжения в частоту : схема и принцип действия

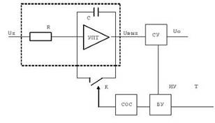
Рис. 1.
Структурная схема цифрового вольтметра (ЦВ) приведена на рис. 1.
Основным злом схемы является интегратор, на вход которого подается постоянное напряжение Ux. На выходе интегратора напряжение Uвых изменяется по линейному закону:
,
Где τ=RC – постоянная интегрирования.
Напряжение Uвых подается на сравнивающее устройство (СУ). На второй вход СУ подается образцовое напряжение Uо.
Когда наступает равенство напряжений (Uвых= Uо) срабатывает СУ и на его выходе появится импульс управления (ИУ), по которому блок управления (БУ) включает схему обратной связи (СОС). Схема СОС включает ключ (К) на короткое время, которого будет достаточно для полного разряда конденсатора (С). Затем процесс повторяется.

Рис. 2.
На рис 2 показана временная диаграмма напряжения Uвых, где Т – период временного напряжения на выходе интегратора или время интегрирования.
Следовательно, можно написать:
,
Таким образом основное уравнение преобразования
= F(Ux), будет:
.
Генератор шумовых сигналов: схема, принцип действия
Генератор шумовых сигналов (ГШС), например Г2–59, предназначен для использования в качестве источника электрического шумового сигнала с равномерным спектром, нормальным распределением мгновенных значении напряжения и регулируемым в широких пределах уровнем выхода, при исследовании статистических процессов нелинейных искажений трактов, прохождении сложных сигналов, проверке различных устройств на помехоустойчивость, при проведении статистических корреляционных и других видов измерении в акустике, гидроакустике, медицине и других областях.
Генератор Г2–59 используется в автоматизированных измерительных системах.
Генераторы шумовых сигналов вырабатывают флуктуационные напряжения с определенными (заданными) вероятностными характеристиками.
Их применяют при измерении предельной чувствительности усиления, коэффициента шума радиоприемников, исследования помехоустойчивости различных электронных, автоматических и радиотехнических систем или отдельных узлов, снятии частотных характеристик электроакустических устройств, проверке приборов для изменения вероятностных характеристик случайных процессов и т.д.

Рис. 3 Структурная схема ГШС
Основным узлом схемы шумового генератора является задающий генератор (Рис. 3). Его сигналы должны иметь равномерную спектральную плотность мощности по всей требуемой полосе частот. В задающем генераторе используются физические явления, при которых возникают достаточно интенсивные шумы со статическими характеристиками и параметрами, поддающимися достаточно несложному математическому анализу.
В качестве образцового источника шума может служить нагретый проволочный резистор, действующее значение напряжения на котором рассчитывается по формуле:
,
Где
- 1,380*
Дж/к (Постоянная Больцмана).
Т – абсолютная температура резистора в градусах Кельвина.
R – сопротивление резистора, Ом.
– полоса пропускания, Гц.
Конструктивно резистор выполняется в виде вольфрамовой спирали, намотанной на керамический каркас, температура которой поддерживается постоянной.
К источникам тепловой шумовой мощности относится и болометрический генератор. Болометр представляет собой вакуумный стеклянный баллон, внутри которого натянута вольфрамовая нить.
Источники теплового шума используются в качестве образцовых генераторов шумовых напряжений, так как расчетные данные хорошо совпадают с практическими результатами. В шумовых генераторах также применяются фотоэлектронные умножители, газоразрядные трубки, шумовые диоды и т.п.
В качестве преобразователей спектра в шумовых генераторах применяются усилители, фильтры, ограничители, генераторы перестраиваемой частоты – в зависимости от того, какое преобразование шума требуется.
Так, применив в качестве преобразователя фильтр с определенным коэффициентом передачи, можно получить из генератора белого шума генератор стационарного случайного процесса со спектральной плотностью мощности, изменяющейся по заданному закону в определенном диапазоне частот. Основным элементом выходного устройства генератора служит калиброванный аттенюатор, обеспечивающий одинаковый коэффициент деления мощности по всей полосе частот шума. Для контроля уровня выходной мощности в схему генератора встраивается вольтметр действующего значения.
Низкочастотные генераторы шумов обозначаются как Г2, работают в диапазоне от 20 Гц до 10 МГц и вырабатывают мощность до 5 Вт. СВЧ – генераторы имеют высшую частоту рабочего диапазона до 37 ГГц, и как генераторы гармонических колебаний, выполняются однодиапазонными с малым перекрытием по частоте. Обозначаются СВЧ шумовые генераторы так же как и низкочастотные Г2.
Электронно-счетные частотомеры (ЭСЧ) в режиме измерения частоты: схема, принцип действия, погрешности
Частотомер – измерительный прибор для определения частоты периодического процесса или частот гармонических составляющих спектра сигнала.
Принцип действия электронно-счетных частотомеров (ЭСЧ) основан на подсчете количества импульсов, сформированных входными цепями из периодического сигнала произвольной формы, за определенный интервал времени. Интервал времени измерения также задается методом подсчета импульсов, взятых с внутреннего кварцевого генератора ЭСЧ или из внешнего источника (например стандарта частоты). Таким образом ЭСЧ является прибором сравнения, точность измерения которого зависит от точности эталонной частоты.
ЭСЧ является наиболее распространенным видом частотомеров благодаря своей универсальности, широкому диапазону частот (от долей герца до десятков мегагерц) и высокой точности. Для повышения диапазона до сотен мегагерц – десятков гигагерц используются дополнительные блоки – делители частоты и переносчики частоты.
Большинство ЭСЧ кроме частоты позволяют измерять период следования импульсов, интервалы времени между импульсами, отношения двух частот, а также могут использоваться в качестве счетчиков количества импульсов.
Некоторые ЭСЧ (например Ч3–64) сочетают в себе электронно-счетный и гетеродинный методы измерения. Это не только повышает диапазон измерения, но и позволяет определять несущую частоту импульсно-модулированных сигналов, что простым методом счета недоступно.
НАЗНАЧЕНИЕ: обслуживание, регулировка и диагностика радиоэлектронного оборудования различного назначения, контроль работы радиосистем и технологических процессов
ПРИМЕРЫ: Ч3–54, Ч3–57, Ф5137, Ч3–84
В основу измерения частоты положен метод счета числа импульсов, поступаюших на вход прибора за калиброванный интервал времени Т
. Если за время измерения t
=Т
подсчитано N импульсов, то среднее значение частоты:
,
Где интервал времени Т
может принимать значение 0,01, 0,1, 1, 10 или 100 с.
При выборе Т
-1 с, измеряемое количество импульсов равно неизвестной частоте:
= N.

Рис. 4.1

Рис. 4.2
На рисунке 4.1 приведена упрощенная схема цифрового частотомера, а на рисунке 4.2 временные диаграммы в различных ее точках.
Напряжение измеряемой частоты f
подается на усиление формирователь УФ, преобразующий различные по форме и амплитуде периодические сигналы в короткие импульсы, частота следования которых равна f
. Эти импульсы поступают на вход электронного ключа ЭК, который нормально закрыт. Управление ЭК производится сигналами схемы формирователя интервалов времени (ФИВ). Запуск ФИВ осуществляется сигналом «Пуск». По сигналу «Пуск» ФИВ формирует импульс прямоугольной формы длительностью Т
. Под действием импульса ЭК открывается и за время Т
на счетчик СЧ с ФИВ поступит N импульсов.
В зависимости от взаимного положения импульсов, следующих с частотой f
, и импульса, вырабатываемого схемой ФИВ, возможно получение трех различных результатов на СЧ при одной и той же измеряемой частоте (рис 5).
Период Т
(Рис. 5. (2)) кратен периоду измеряемой частоты f
(Рис. 5. (1)). На временной диаграмме кратность равна четырем. Если передний и задний фронты импульса с ФИВ окажутся в промежутке между импульсами измеряемой частоты, то на ЦСУ будет получена цифра «4» (Рис. 5. (3)). Если же фронты импульса с ФИВ совпадут с импульсами частоты f
, то по ряду причин на ЦОУ за время Т
может быть получена цифра, отличная на
, то есть «5» (Рис. 5. (4)) или «3» (Рис. 5. (5)).
Относительная погрешность измерения частоты определяется по формуле:
![]()
(1)
(2)
(3)
(4)
(5)
Рис. 5.
Абсолютная погрешность измерения частоты
данным методом определяется одним импульсом, отнесенным к интервалу времени Т
, т.е.
=
f
,
Для уменьшения погрешности дискретности при измерении низких частот увеличивают время Т
, применяют умножители частоты, позволяющие повышать частоту в 10 раз, или переходят к измерению периода исследуемого сигнала.