| Скачать .docx |
Курсовая работа: Расчет каскадов ЧМ передатчика
Курсовой проект
по дисциплине
«Устройства генерирования и передачи сигналов»
по теме:
«Расчет каскадов ЧМ передатчика»
Составление блок-схемы передатчика
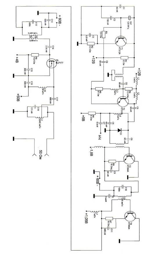
Составление блок-схемы передатчика начинается с выходного каскада начинается с выходного каскада. Данные, определяющие его мощность, содержатся в задании. Также задается колебательная мощность в антенне в режиме несущей частоты. В данном передатчике необходимо применить умножитель частоты, в качестве которого может работать предоконечный или дополнительный предварительный каскад, включаемый между возбудителем и предоконечным каскадом. Вид блок-схемы передатчика с частотной модуляцией представлен на рисунке:

Техническое задание:
Требуется произвести расчет передатчика, работающего на 120 МГц.
Вид модуляции – частотная (ЧМ)
Максимальная девиация частоты – 100 кГц
Вид передаваемых сообщений – аудиосигналы
Мощность передатчика – 100 Вт
1. Расчет выходного каскада
Для работы в выходном каскаде выберем транзистор
Приведем его характеристики.
Тип – кремниевый n‑канальный высокочастотный МОП – транзистор вертикальной структуры, выполненный по технологии с двойной диффузией, рекомендован производителем для применения в промышленных устройствах в КВ\УКВ диапазоне.
Достоинства:
– высокий коэффициент усиления по мощности (19 дБ на 108 МГц)
– низкие интермодуляционные искажения
– высокая температурная стабильность
– устойчивость при работе на согласованную нагрузку.
Технические характеристики:
Пробойное напряжение сток-исток
> 110 В
Ток утечки сток-исток
(при
= 50 В,
=0) < 2,5 мА
Ток утечки затвор-исток
(при
= 20 В) < 1 мкА
Крутизна линии граничного режима
4,5 – 6,2 См
Напряжение отсеки определим по проходной характеристике транзистора ![]()
Крутизна передаточной характеристики S = 5 См
Коэффициенты Берга, соответствующие выбранному углу отсечки
, ![]()
Расчетные данные
50 В
Ток стока
20 А
110 В
(данная величина рекомендована для УКВ-диапазона)
130 Вт
1. Коэффициент использования стокового напряжения

2. Амплитуда стокового напряжения:
![]()
3. Амплитуда первой гармоники стокового тока:

4. Амплитуда импульсов стокового тока:

5. Постоянная составляющая стокового тока:
![]()
6. Эквивалентное сопротивление нагрузки:

7. Напряжение возбуждения:

Напряжение смещения для угла отсечки =
будет равно напряжению отсечки по паспорту транзистора, т.е. 3 В, тогда амплитуда напряжения на затворе будет равна 5,85 В.
7. Посчитаем входную мощность ГВВ:

8. Коэффициент усиления по мощности:


Таким образом, схема генератора с внешним возбуждением будет выглядеть так:
9. Выходное сопротивление транзистора:

Для согласования с пятидесятиомной нагрузкой нужна схема с неполным включением индуктивности, при этом, емкость конденсатора в колебательном контуре рекомендуется брать
, а индуктивность катушки ![]()
2. Расчет модулятора
В проектируемом передатчике частотная модуляция будет получена из фазовой методом расстройки колебательного контура:
Схема модулятора выглядит следующим образом:

Выберем диод Д902. При напряжении смещения 5 В, его характеристика имеет достаточно большую крутизну и линейность. По графику для Д902 определяем
S=2 пФ/В.
Амплитуда возбуждения звуковой частоты – 1 В, значит максимальное изменение емкости составит 2 пФ. Начальная емкость
при отсутствии сигнала ЗЧ составит
8 пФ.
В результате подбора параметров получены следующие величины:
Частота возбуждения:
, т.е.
рад/с
Коэффициент умножения – 10
Индуктивность: ![]()
Максимальное отклонение частоты от
:
рад/с
Зададим добротностью колебательного контура, равной 20.
Величина фазовой модуляции:
рад
Девиация частоты при частоте модулирующего сигнала 15 кГц:
рад/с
Индекс модуляции, получаемый в фазовом модуляторе: M=0,307. При умножении частоты в 10 раз, индекс модуляции получится равным 3,07.
Выберем транзистор КТ312А. Он обладает следующими параметрами:

Расчет коллекторной цепи
Выбираем напряжение на коллекторе
, зададим угол отсечки
и определим коэффициенты разложения (
,
).
1. Коэффициент использования коллекторного напряжения:

2. Амплитуда напряжения на коллекторе:
![]()
3. Амплитуда первой гармоники коллекторного тока:

4. Амплитуда импульсов коллекторного тока:

Выполним проверку условия
– условие выполняется.
5. Постоянная составляющая постоянного тока:
![]()
6. Эквивалентное сопротивление нагрузки, обеспечивающее рассчитываемый режим:

7. Мощность, потребляемая от источника питания:
![]()
8. Мощность, рассеиваемая на коллекторе:
![]()
При этом, мощность, рассеиваемая на коллекторе, меньше предельно допустимой.
9. КПД коллекторной цепи:

Расчет базовой цепи
1. Находим предельную частоту транзистора, при которой коэффициент передачи по току в схеме с общим эмиттером равен 1:
![]()
2. Рассчитываем время дрейфа транзистора:

3. Определим угол дрейфа на высшей частоте:
![]()
Т.к. угол дрейфа меньше
, то считаем, что
и
.
4. Амплитуда переменного напряжения на переходе эмиттер-база:

5. Модуль коэффициента передачи напряжения со входа на переход эмиттер-база:

6. Амплитуда напряжения возбуждения, требуемая от источника возбуждения:

7. Входное сопротивление:
![]()
8. Мощность возбуждения:

9. Первая гармоника тока базы:

10. Реальная величина тока базы:

Напряжение смещения, обеспечивающее заданный угол отсечки базового тока:
![]()
11. Максимальное значение положительного импульса тока базы:

12. Постоянная составляющая положительных импульсов тока базы:
![]()
13. Мощность рассеяния в цепи базы:
![]()
14. Рассчитаем сопротивления делителя напряжения цепи смещения
и
. Значения индуктивностей (кроме колебательного контура) должны быть такими, чтобы не предоставлять значительного сопротивления постоянному току, в то же время, блокируя переменную составляющую на частоте 10 МГц:

3. Расчет возбудителя

Схема возбудителя с кварцевой стабилизацией.
Выбираем транзистор КТ312А.
Приведем параметры, применяемые при расчете:

Определим коэффициент обратной связи:
(
– динамическое сопротивление кварца,
– коэффициент регенерации,
– нормированное управляющее сопротивление)
, где
– фаза крутизны
,
– обобщенная расстройка – 
– затухание кварца.
Для заданной частоты – 10,1 МГц –
=10 пФ,
= 80 Ом
![]()


Рассчитаем емкость
, включенную между базой и эмиттером:

Тогда, емкость
, включенная между эмиттером и коллектором, будет равна:
![]()
Вычисляем функцию угла отсечки:

– характеристическое сопротивление кварца (
=0,025 Гн)
– добротность кварца



![]()

По таблицам значений Берга, это значение соответствует
.
Расчет коллекторной цепи возбудителя
Выбираем напряжение на коллекторе
.
В генераторе необходимо развить мощность, требующуюся для возбуждения следующего каскада с учетом потерь в согласующей цепи:

1. Коэффициент использования коллекторного напряжения:

2. Амплитуда напряжения на коллекторе:
![]()
3. Амплитуда первой гармоники коллекторного тока:

4. Амплитуда импульсов коллекторного тока:

.
5. Постоянная составляющая постоянного тока:
![]()
6. Эквивалентное сопротивление нагрузки, обеспечивающее рассчитываемый режим:

7. Мощность, потребляемая от источника питания:
![]()
8. Мощность, рассеиваемая на коллекторе:
![]()
При этом, мощность, рассеиваемая на коллекторе, меньше предельно допустимой.
9. КПД коллекторной цепи:

Расчет базовой цепи возбудителя
1. Находим предельную частоту транзистора, при которой коэффициент передачи по току в схеме с общим эмиттером равен 1:
![]()
2. Рассчитываем время дрейфа транзистора:

3. Определим угол дрейфа на высшей частоте:
![]()
Т.к. угол дрейфа меньше
, то считаем, что
и
.
4. Амплитуда переменного напряжения на переходе эмиттер-база:

5. Модуль коэффициента передачи напряжения с входа на переход эмиттер-база:

6. Амплитуда напряжения возбуждения:
![]()
7. Входное сопротивление:
![]()
8. Мощность возбуждения:

9. Первая гармоника тока базы:

10.
11. Напряжение смещения, обеспечивающее заданный угол отсечки базового тока:
![]()
12. Сопротивление в цепи базового смещения, обеспечивающее заданное напряжение смещения R = 4590 Ом.
4. Расчет умножителя частоты
Для умножения частоты в 10 раз нужно выбрать угол отсечки
.
При таком малом угле отсечки резко увеличивается ток возбуждения, падает КПД и выходная мощность, поэтому, чтобы получить необходимую для следующего каскада мощность приходится применять мощный транзистор КТ904А
Схема умножителя:

В расчете требуются 10-е коэффициенты Берга:
и
.
Умножитель должен на 10-й гармонике развивать мощность 0,06 Вт.
Расчет коллекторной цепи
Напряжение питания:
.
1. Коэффициент использования коллекторного напряжения:

2. Коэффициент использования коллекторного напряжения на 10‑й гармонике:

3. Амплитуда напряжения на коллекторе:
![]()
4. Амплитуда первой гармоники коллекторного тока:

5. Амплитуда десятой гармоники коллекторного тока:

6. Амплитуда импульсов коллекторного тока:

7. Постоянная составляющая постоянного тока:
![]()
8. Эквивалентное сопротивление нагрузки коллекторного контура на 10-й гармонике:

Расчет базовой цепи
1. Находим предельную частоту транзистора, при которой коэффициент передачи по току в схеме с общим эмиттером равен 1:
![]()
2. Рассчитываем время дрейфа транзистора:

3. Определим угол дрейфа на высшей частоте:
![]()
Т.к. угол дрейфа меньше
, то считаем, что
и
.
4. Амплитуда переменного напряжения на переходе эмиттер-база:

5. Модуль коэффициента передачи напряжения со входа на переход эмиттер-база:

по графику определяем
.
6. Амплитуда напряжения возбуждения, требуемая от источника возбуждения:

7. Входное сопротивление:
![]()
8. Мощность возбуждения:

9. Первая гармоника тока базы:

10. Реальная величина тока базы:

11. Напряжение смещения, обеспечивающее заданный угол отсечки базового тока:
![]()
Колебательный контур, на который нагружен транзистор, должен при частоте 100 МГц иметь эквивалентное сопротивление 1650 Ом:

Рассчитаем емкость и индуктивность:
![]()
![]()
Индуктивность на входе: ![]()
5. Расчет предоконечного каскада

Схема предоконечного каскада
В первой части расчета мощность возбуждения выходного каскада получилась равной 2,11 Вт. С учетом потерь в согласующей цепи. Зададим мощность предоконечного каскада:
.
Исходя из требований по мощности и частоте, выберем транзистор КТ903А. Угол отсечки примем равным
.
Расчет коллекторной цепи
Выбираем напряжение питания
.
1. Коэффициент использования коллекторного напряжения:

2. Амплитуда напряжения на коллекторе:
![]()
3. Амплитуда первой гармоники коллекторного тока:

4. Амплитуда импульсов коллекторного тока:

5. Постоянная составляющая постоянного тока:
![]()
6. Эквивалентное сопротивление нагрузки, обеспечивающее рассчитываемый режим:

7. Мощность, потребляемая от источника питания:
![]()
8. Мощность, рассеиваемая на коллекторе:
![]()
При этом, мощность, рассеиваемая на коллекторе, меньше предельно допустимой.
9. КПД коллекторной цепи:

Расчет базовой цепи
1. Находим предельную частоту транзистора, при которой коэффициент передачи по току в схеме с общим эмиттером равен 1:
![]()
2. Рассчитываем время дрейфа транзистора:

3. Определим угол дрейфа на наивысшей частоте:
![]()
4. Нижний угол отсечки положительных импульсов эмиттерного тока:
![]()
Коэффициенты
и
, соответствующие углу отсечки
:
и
.
5. Модуль коэффициента передачи по току на рабочей частоте:

где 
6. Амплитуда первой гармоники тока эмиттера:

7. Амплитуда положительного импульса эмиттерного тока:

8. Постоянная составляющая тока эмиттера:
![]()
9. Амплитуда переменного напряжения на переходе эмиттер-база:

10. Модуль коэффициента передачи напряжения с входа на переход эмиттер-база:

по графику определяем
.
11. Амплитуда сигнала возбуждения, требуемая от предыдущего каскада:

12. Входное сопротивление:
![]()
13. Мощность, требуемая от предыдущего каскада:

14. Первая гармоника тока базы:

15. Напряжение смещения:
![]()
16. Индуктивность на входе:
![]()
17. Емкость и индуктивность на выходе колебательного контура:
и ![]()
Расчет коэффициентов трансформации согласующих трансформаторов
1. Согласование возбудителя и модулятора.

2. Согласование модулятора и умножителя частоты.

3. Согласование умножителя частоты и предусилителя.


Список использованной литературы
1. «Радиопередающие устройства» – под ред. В.В. Шахгильдяна, РиС, 1996 г.
2. «Проектирование и техническая эксплуатация радиопередающих устройств» – Сиверс Г.А., РиС, 1989 г.
3. «Проектирование радиопередающих устройств» – под ред. В.В. Шахгильдяна, РиС, 1998 г.