| Скачать .docx |
Курсовая работа: Розрахунок електронних схем
КУРСОВА РОБОТА
з курсу Аналогова схемотехніка
тема Розрахунок електронних схем
Зміст
1. Теоретичні відомості.
1.1 Живлення ланцюгів транзистора.
1.2 Властивості каскадів при різних ввімкненнях транзистору.
1.3 Активні фільтри.
1.4 Генератори коливань.
2. Розрахункова частина.
2.1 Підсилювальні каскади на біполярних транзисторах.
2.1.1 Завдання.
2.1.2 Методика розрахунку.
2.1.3 Кінцеві схеми з вказаними номіналами елементів.
2.1.4 Висновки.
2.2 Активні RC–фільтри нижніх частот.
2.2.1 Завдання.
2.2.2 Методика розрахунку.
2.2.3 Кінцеві схеми з вказаними номіналами елементів.
2.2.4 Розрахунок амплітудно–частотних характеристик схем.
2.2.5 Висновки.
2.3. RC–генератори.
2.3.1 Завдання.
2.3.2 Методика розрахунку.
2.3.3 Кінцева схема з вказаними номіналами елементів.
2.3.4 Амплітудно–частотна характеристика фазозсуваючого ланцюга.
2.3.5 Висновки.
3. Висновки по роботі.
Список літератури.
1. Теоретичні відомості
1.1 Живлення ланцюгів транзистора
Джерело живлення обирають залежно від призначення підсилювача і необхідної вихідної потужності (напруга сигналу на заданому навантаженні). Якщо є вимоги до економічності підсилювача, обирають як можна меншу напругу живлення. Внутрішній (вихідний) опір джерела живлення повинен бути досить малим, щоб небажані зворотні зв’язки через загальне джерело живлення каскадів не призводили до нестабільності характеристик підсилювача.
Живлення БТ типу
в режимі підсилення здійснюється подачею негативної напруги на колектор и невеликої позитивної напруги на емітер (відносно бази). Живлення БТ типу
відрізняється лише полярністю напруги джерел напруги.
На рис. 1.1 приведені найпростіші схеми резистивних підсилювальних каскадів на БТ, ввімкнених по схемі з ЗЕ. Необхідну напругу на базу можна подавати через резистор
(рис. 1.1, а) або з дільника напруги
(рис. 1.1, б). Опір
у багато разів перевищує опір переходу база–емітер для постійного струму, тому зміщення через резистор
називають зміщення фіксованим струмом бази. Зміщення за допомогою дільника напруги менше змінюється при зміні температури, старінні та заміні екземплярів транзисторів, тому воно називається зміщенням фіксованою напругою база–емітер.
Напругу зміщення на базу можна подавати паралельно з напругою сигналу (рис. 1.1, а, б) та послідовно з напругою сигналу, якщо сигнал подається через трансформатор (рис. 1.1, в). Зміщення на базу з дільника напруги також можна подати і послідовно з напругою сигналу. Для цього в схемі на рис. 1.1, в паралельно конденсатору
треба включити резистор. При послідовному включенні напруги сигналу та зміщення вхідний опір каскаду більше, ніж при паралельному.
1.2 Властивості каскадів при різних ввімкненнях транзистору
Ввімкнення транзистору з ЗБ дозволяє отримати підсилення тільки напруги. Коефіцієнт підсилення струму при такому включенні менше одиниці і мало змінюється при зміні режиму роботи, температури і заміні екземпляру транзистору. Коефіцієнт підсилення потужності порівняно невеликий, однак при заміні екземплярів транзисторів, їх старінні та зміні температури змінюється значно менше, ніж при інших схемах включення.
Вхідний опір транзистора при включенні з ЗБ менше, ніж при інших включення і знаходиться в межах від десятих долей ома (для транзисторів великої потужності) до десятків ом (для транзисторів малої потужності). При збільшенні опору навантаження вхідний опір зростає. Вихідний опір при включенні з ЗБ більше, ніж при інших включення і зростає при збільшенні внутрішнього опору джерела сигналу. Коефіцієнт гармонік зазвичай не перевищує декількох відсотків навіть при повному використанні транзистора.
Включення транзистору з ЗЕ дозволяє отримати підсилення як струму, так і напруги сигналу. Коефіцієнт підсилення потужності при такому включенні найбільший, однак він сильно змінюється при зміні режиму транзистора, температури та заміні екземплярів транзисторів. Вхідний опір транзистора значно вище, ніж при включенні з ЗБ і знаходиться в межах від декількох ом (для транзисторів великої потужності) до тисяч ом (для транзисторів малої потужності). При збільшенні опору навантаження вхідний опір зменшується. Вихідний опір менше, ніж при включенні з ЗБ, і зменшується при збільшенні внутрішнього опору джерела сигналу. Коефіцієнт гармонік більше, ніж при інших включеннях. Однак таке включення використовується найбільш широко, оскільки дозволяє отримати найбільше підсилення потужності (напруги при заданому опорі навантаження).
Включення транзистора з ЗК дозволяє досягти найбільшого вхідного опору (до сотень кілоом для БТ малої потужності). Цей опір суттєво зростає при збільшенні опору навантаження. Вихідний опір при такому включенні менше, ніж при інших включеннях і знаходиться в межах від десятих долей ома (для транзисторів великої потужності) до тисяч ом (для транзисторів малої потужності). Він різко зростає при збільшенні внутрішнього опору джерела сигналу. Коефіцієнт підсилення напруги менше одиниці, коефіцієнт підсилення струму більше, ніж при включенні з ЗЕ и сильно змінюється при зміні режиму роботи, температури і заміні транзисторів.
Підсилювачі, що мають виборчі властивості, умовно поділяють на фільтри нижніх і високих частот, а також смугові та режекторні (загороджувальні). Фільтри низьких і високих частот відповідно пропускають тільки низькі або тільки високі частоти, смугові та режекторні забезпечують пропускання або непропускання сигналів певних частот.
Для отримання в підсилювачах виборчих властивостей в області низьких частот (нижче
) переважно застосовують
ланцюги інтегруючого або диференціюючого типів. Вони включаються на вході або виході підсилювача і охоплюють його частотно–залежним зворотнім зв’язком.
В області високих частот в якості фільтрів низьких частот широко застосовують високоякісні дроселі, а смугові і режекторні фільтри виконують на основі використання котушок індуктивності (
фільтри).
В окремих випадках використовують електромеханічні фільтри, які відносяться до числа смугових та мають резонансну частоту, рівну частоті власних механічних коливань системи. Добротність таких фільтрів зазвичай велика (сотні…тисячі одиниць), але перестройка частоти ускладнена. Тому електромеханічні фільтри в основному використовують в техніці зв’язку та радіомовленні, де маються стандартні визначені робочі частоти.
Під активними фільтрами зазвичай розуміють електронні підсилювачі, що мають
ланцюги, ввімкненні так, що у підсилювача з’являються виборчі властивості. При їх застосуванні вдається обійтись без громіздких, дорогих і нетехнологічних котушок індуктивностей і створити низькочастотні фільтри в мікроелектронному виконанні, в яких основні параметри можуть бути змінені за допомогою зовнішніх резисторів та конденсаторів.
Найпростіші фільтри високих і низьких частот показані на рис. 1.2, а, в. В них конденсатор, визначаючий частотну характеристику, ввімкнений в ЗЗ.
![]() |
Для фільтру високих частот, який часто використовується в якості диференціюючого пристрою, коефіцієнт передачі
.
Переходячи до операторного запису, отримаємо передавальну функцію
,
де
.
ЛАЧХ даного фільтра наведена на рис. 1.2, б. Частоту спряження асимптот
находять з умови
, звідки
.
Для фільтру низьких частот (рис. 1.2, в) аналогічно розглянутому маємо

або в операторному вигляді
,
де
.
ЛАЧХ фільтру низьких частот показана на рис. 1.2, г. Так як на частоті спряження асимптот виконується умова
, то частота спряження
.
Передавальні функції наведених найпростіших фільтрів являють собою рівняння першого порядку, тому і фільтри називаються фільтрами першого порядку. Коефіцієнт підсилення у них зменшується з частотою на
.
При об’єднанні фільтрів низьких та високих частот (рис. 1.2, а, в) виходить смуговий фільтр (рис. 1.3, а), що має ЛАЧХ приведену на рис. 1.3, б.
![]() |
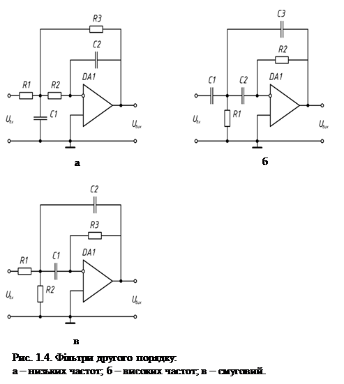
Найпростіші активні фільтри мають малу крутизну спаду ЛАЧХ, що свідчить про погані виборчі властивості. Для поліпшення вибірковості треба підвищувати порядок передавальних функцій за рахунок введення додаткових
ланцюгів або послідовного ввімкнення ідентичних активних фільтрів. На практиці найбільш широко застосовують ОП з ланцюгами ЗЗ, робота котрих описується рівняннями другого порядку. При необхідності збільшити вибірковість системи окремі фільтри другого порядку включають послідовно.
Активні фільтри низьких, високих частот та смуговий фільтри другого порядку наведені на рис. 1.4, а, б, в. У них при відповідному виборі номіналів резисторів і конденсаторів нахил асимптот
. Причому, як видно з рис. 1.4, а, б, перехід від фільтру низьких до фільтру високих частот виконується заміною резисторів на конденсатори і навпаки. В смуговому фільтрі маються елементи фільтрів низьких та високих частот. Передавальні характеристики цих фільтрів відповідно рівні:
;
;
.
![]() |
Для смугового фільтра рис. 1.4, в резонансна частота
.
Для фільтрів низьких і високих частот частоти, що характеризують «початок» зрізу або його «завершення», рівні
;
.
Вигляд їх частотної характеристики залежить від параметрів компонентів. Вона маже бути монотонно спадаючою або наростаючою, або мати немонотонний вигляд та підйом поблизу частоти
.
Достатньо часто смугові фільтри другого порядку реалізують за допомогою мостових ланцюгів. Найбільш розповсюджені подвійні
подібні мости, які «не пропускають» сигнал на частоті резонансу (рис. 1.5, а) і мости Віна, що мають максимальних коефіцієнт передачі на резонансній частоті
(рис. 1.5, б).
![]() |
Мостові ланцюги включені в ланцюг від’ємного та додатного ЗЗ. У випадку подвійного
подібного мосту глибина від’ємного ЗЗ мінімальна на частоті резонансу. Коефіцієнт підсилення на цій частоті має максимальне значення. При використанні мосту Віна на частоті резонансу виявляється максимальна глибина додатного ЗЗ і найбільше підсилення. При цьому для збереження стійкості глибина від’ємного ЗЗ, створеного за допомогою резисторів
,
, повинна бути більше додатної. Якщо коефіцієнти додатного і від’ємного ЗЗ близькі, то даний активний фільтр може мати еквівалентну добротність
.
Резонансну частоту подвійного
подібного мосту при
і
, та мосту Віна при
і
обирають виходячи з умови стійкості
, так як коефіцієнт передачі мосту Віна на частоті
рівний
.
Для отримання режекторного фільтру подвійний
подібний міст можна включити так, як показано на рис. 1.5, в, або міст Віна ввімкнути в ланцюг від’ємного ЗЗ.
Якщо виникне необхідність перестройки активного фільтру в широких межах, то зазвичай використовують міст Віна, у якого резистори
та
виконують у вигляді здвоєного резистора.
Зі здешевленням і випуском декількох ОП в одному корпусі почали широко застосовувати декілька активних фільтрів низьких порядків, об’єднаних між собою в єдину замкнену систему. Приклад побудови такого фільтру показаний на рис. 1.5, г. В його склад входять суматор на ОП
та два фільтри низьких частот першого порядку на ОП
,
. Суматор і активні фільтри ввімкнені послідовно. Якщо
, то частота спряження
.
Асимптоти мають нахил
(рис. 1.5, д, е, ж). В подібному складному фільтрі вдіється одночасно реалізувати фільтри низьких і високих частот, а також смуговий фільтр, який має порівняно низьку чутливість до відхилень параметрів окремих компонентів, що буває важливо при практичній реалізації вибіркових пристроїв.
В електронних ланцюгах крім розглянутих використовують фазові фільтри. Вони мають незалежний від частоти коефіцієнт передачі і пропорційний їй фазовий зсув вихідного сигналу. В якості фазових фільтрів можна використовувати фазозсуваючі пристрої.
Електронні ланцюги, в яких періодичні зміни напруги та струму виникають без прикладення до них додаткових періодичних сигналів, називаються автономними автоколивальними ланцюгами, а пристрої, виконані на їх основі, – автогенераторами або генераторами коливань відповідної форми. Ці ланцюги треба розглядати як перетворювачі енергії джерела живлення постійного струму в енергію періодичних коливань.
Автогенератори можна розділяти на генератори імпульсів і генератори синусоїдальних коливань. Генератори імпульсів в залежності від форми вихідної напруги ділять на генератори: напруги прямокутної форми (ГПН); напруги експоненціальної форми; напруги, що лінійно змінюється (ГЛЗН); напруги трикутної форми; ступінчастої напруги; імпульсів, вершина яких має дзвіноподібну форму (блокінг–генератор).
Генератори синусоїдальних коливань класифікують по типу коливальної системи і ділять на:
автогенератори;
автогенератори; генератори з кварцовою стабілізацією частоти; генератори з електромеханічними резонансними системами стабілізації частоти.
Для отримання незатухаючих коливань у всіх названих автогенераторах використовуються компоненти електроніки, на вольт–амперних характеристиках яких мається або створена за допомогою ланцюга додатного ЗЗ ділянка з від’ємним диференціальним опором. В більшості автогенераторів використовуються електронні підсилювачі з додатнім ЗЗ.
При додатному ЗЗ, коли фазовий зсув по петлі підсилювач–ланцюг зворотного зв’язку
рівний нулю та
, підсилювач втрачає стійкість. Якщо в ланцюгу підсилювача або ланцюгу ЗЗ нема елементу накопичуючого електричну енергію, то підсилювач з додатнім ЗЗ перетворюється в тригер і має стійкі стани.
При наявності в петлі підсилювач–ланцюг зворотного зв’язку елементу, накопичуючого енергію, наприклад конденсатора, підсилювач з додатнім ЗЗ не має жодного стійкого стані генерує періодично змінюючюся напругу. Генератори імпульсів, що складаються з широкосмугових електронних підсилювачів, охоплених додатнім зворотнім зв’язком, глибина котрого залишається майже постійною у широкій смузі частот, і мають в петлі зворотного зв’язку елементи, що накопичують енергію, називаються мультивібраторами.
2.1 Підсилювальні каскади на біполярних транзисторах
Таблиця 2.1
| Номер варіанту |
Схема включення |
|
|
|
|
|
Тип транзистора |
| 5 |
ЗЕ, ЗК |
250 |
120 |
1,2 |
20 |
1,5 |
МП39 |
Напруга живлення схеми
.
Схеми підсилювальних каскадів зображені на рис. 2.1.
![]() |
2.1.2.1 Транзистор обирається з вимоги забезпечення необхідної амплітуди вихідного сигналу
і смуги пропускання
при заданій вихідній напрузі та коефіцієнті частотних спотворень
в області верхніх частот
:
;
,
де
– максимально допустима напруга на колекторі.
В табл. 2.2 наведені параметри обраного транзистора МП39.
Таблиця 2.2
| Параметр |
Значення |
|
|
12 |
|
|
|
|
|
|
|
|
|
|
|
25 |
|
|
|
|
|
|
|
|
10 |
|
|
|
|
|
|
|
|
|
|
|
|
|
|
20 |
|
|
150 |
|
|
150 |
2.1.2.2 Опір резисторів
,
,
і допустима ємність конденсатора навантаження
обираються з умови:
;
,
де
– максимально допустимий струм колектора у режимі підсилення. В даному випадку треба взяти таке значення
, щоб струм робочої точки не перевищив максимально допустимого значення постійного струму колектора для даного транзистора.
Таким чином:
,
;
,
обираємо
,
.
Тоді можна розрахувати ємність конденсаторів
;
.
2.1.2.3 На родині вихідних характеристик транзистора будується лінія навантаження по постійному струму і визначається положення точки спокою (
,
,
,
) для режиму класу
(рис. 2.2). На родині вхідних характеристик транзистора по
,
визначається напруга початкового зміщення
,
(рис. 2.3).
Робоча точка
:
;
;
;
,
;
;
.
При розрахунках необхідно брати значення не враховуючи знак.
2.1.2.4. Опір резисторів
,
,
, що забезпечують початкове зміщення фіксованим струмом бази (емітера для ЗБ)
,
;
,
.
2.1.2.5 Ємність роздільних конденсаторів
,
визначається з умови забезпечення заданого коефіцієнту частотних спотворень
на нижніх частотах
:
;
;
;
,
де
,
.
Розрахунок ємностей роздільних конденсаторів. Спочатку необхідно виконати розрахунок допоміжних параметрів:
,
;
,
;
,
;
;
.
Розрахунок ємностей:
,
;
,
;
,
;
,
.
2.1.3 Кінцеві схеми з вказаними номіналами елементів.
Схеми зображені на рис. 2.4.
![]() |
Дані схеми є досить простими: в них немає стабілізації режиму транзисторів та іншого. Через це вони мають обмежене застосування в підсилювачах.
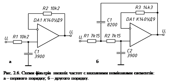
2.2 Активні RC–фільтри нижніх частот
Частота зрізу
.
Схеми фільтрів наведені на рис. 2.5.
Параметри компонентів схеми для фільтрів нижніх частот 1–го порядку
, обираємо
;
,
;
.
![]() |
Для фільтрів нижніх частот 2–го порядку
, обираємо
;
,
;
,
;
;
,
.
В якості операційного підсилювача можна взяти модель К140УД9.
2.2.3 Кінцеві схеми з вказаними номіналами елементів
Схеми фільтрів першого та другого порядків наведені на рис. 2.6.
![]() |
2.2. 4 Розрахунок амплітудно-частотних характеристик схем
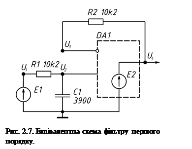
Схема активного фільтра першого порядку (див. рис. 2.6, а) являє собою пасивний
фільтр, який навантажений операційним підсилювачем, що працює в якості буферу (повторювач напруги, який усуває вплив навантаження). Якщо вважати цю схему ідеальною (рис. 2.7) (нехтуємо паразитними елементами та частотними обмеженнями реальних компонентів) то коефіцієнт передачі в частотній області можна записати у вигляді
,
для розрахунку АЧХ приймається
.
![]() |
АЧХ у логарифмічному масштабі (ЛАЧХ) визначається як
.
Графік ЛАЧХ наведений на рис. 2.8.
![]() |
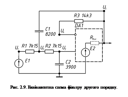
Для розрахунку АЧХ фільтру другого порядку (див. рис. 2.6, б) необхідно скласти систему рівнянь за методом вузлових потенціалів для схеми рис. 2.9. Знехтувавши певними елементами (в тому числі вхідним опором ОП) залишили
– вихідний опір ОП, без якого розрахунок стає більш складним (інакше вихідний вузол виявиться підключеним до землі через нескінченну провідність ідеального керованого джерела
, через що, це джерело необхідно буде «проносити» через вузол в гілки де є опори).
![]() |
Складаємо систему рівнянь у матричному вигляді за методом вузлових потенціалів
,
врахуємо, що
,
де
власний коефіцієнт підсилення ОП.
Тоді
.
Розв’язавши систему рівнянь можемо визначити коефіцієнт передачі у частотній області
![]()
![]()
![]()
.
Якщо прийняти, що
, то
.
АЧХ має вигляд
.
Графік ЛАЧХ для даного фільтру наведений на рис. 2.8.
2.2.5 Висновки
З графіків АЧХ видно (див. рис. 2.8), що обидва фільтра мають частоту зрізу близьку до заданої в умові
, але в реальній схемі вона може помітно відрізнятися, особливо тоді, коли необхідне велике її значення, яке досягається зменшенням ємностей, а це в свою чергу призведе до більшого впливу паразитних ємностей і т. д.
Частота генерації
,
................................................................. 30
Вихідна напруга
,
....................................................................... 3
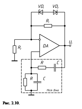
Схема генератора представлена на рис. 2.10.
![]() |
Генератор з мостом Віна. В схемі (рис. 2.10) RC–генератора використовується частотно–залежний позитивний зворотній зв'язок (міст Віна) і частотно–незалежний негативний зворотній зв'язок (НЗЗ) за допомогою резисторів
та
. Для зменшення нелінійних спотворень в ланцюгу НЗЗ резистор
шунтується двома зустрічно ввімкненими стабілітронами
,
з напругою стабілізації
. Коли напруга на виході ОП стає більше
стабілітрон (в залежності від полярності
) відкривається та шунтує резистор
, зменшуючи тим самим коефіцієнт підсилення і попереджує досягнення
рівня
. Резистор
дозволяє регулювати амплітуду вихідної напруги
віл
до
.
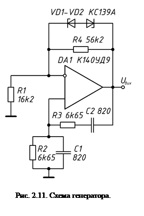
Вибір та розрахунок допоміжних параметрів.
Приймаємо
,
.
Обрана модель операційного підсилювача: К140УД9
Вхідний струм
,
....................................................................... 350
Різниця вхідних струмів
,
.................................................... ![]()
Вхідний опір
,
..................................................................... ![]()
Напруга зміщення нуля
,
....................................................... ![]()
Коефіцієнт підсилення напруги
........................................ ![]()
Коефіцієнт ослаблення синфазних вхідних напруг
,
.......... 80
Частота одиничного підсилення
,
.......................................... ![]()
Вихідний опір
,
..................................................................... 150
Максимальний вихідний струм
,
........................................ 22
Максимальна вихідна напруга
,
........................................ ![]()
Максимальна вхідна диференціальна напруга
,
............. ![]()
Напруга живлення
,
................................................................ ![]()
Струм споживання
,
................................................................... ![]()
Вибір стабілітрона:
,
,
таку напругу стабілізації має стабілітрон КС139А.
Розрахунок опорів та ємностей
,
;
,
.
Резистори
,
обираються у відповідності з умовами
;
,
де
,
– вхідний, вихідний опір ОП.
Обираємо
,
.
При таких значеннях опорів вказані вище умови виконуються:
;
.
2.3.3 Кінцева схема з вказаними номіналами елементів
Схема представлена на рис. 2.11.
2. 3.4 Амплітудно-частотна характеристика фазозсуваючого ланцюга
Для визначення АЧХ ланцюга (рис. 2.12) представимо його у більш загальному вигляді в частотній області (рис. 2.13). Де
,
.
![]() |
||
![]() |
||
Тоді вихідну напругу можна розрахувати виходячи з уявлень про дільник напруги
,
А коефіцієнт передачі
,
;
АЧХ
.
Графік АЧХ наведений на рис. 2.14.
![]() |
Як видно з АЧХ (див. рис. 2.14), міст Віна являє собою смуговий фільтр, тому при використанні в ланцюгу зворотного зв’язку генератора дозволяє генерацію лише певних частот.
Використання операційних підсилювачів в різноманітних схемах дозволяє спростити розрахунок цих схем, адже на відміну від транзисторів та інших дискретних активних елементів, операційні підсилювачі мають параметри близькі до ідеальних (надзвичайно великий вхідний опір, малий вихідний опір, дуже велике значення коефіцієнту підсилення та відсутність власного зворотного зв’язку). На ОП можна будувати звичайні підсилювачі, фільтри, генератори, інвертори імпедансу та інші схеми, до того ж в інтегральному виконанні. В той час як розрахунок найпростішої схеми на одному транзисторі потребує застосування графоаналітичного методу і в цілому є дуже складним.
1. Терещук Р.М, Терещук К.М., «Полупроводниковые приемно-усилительные устройства». «Наукова думка», Киев, 1987.
2. Гусев В.Г., Гусев Ю.М., «Электроника». «Высшая школа», Москва, 1991.
3. Галкин В.И., Булычев А.Л., «Полупроводниковые приборы». «Беларусь» Минск 1987.
| Поз. познач. |
Найменування |
Кіл. |
Примітка |
||||||||
|
|
Компоненти схеми рис. 2.4, а |
|
|
||||||||
|
|
|
|
|
||||||||
|
|
Резистори |
|
|
||||||||
| R1 |
1206 2 3,7 кОм |
1 |
|
||||||||
| R2 |
2512 30 1 Ом |
1 |
|
||||||||
|
|
|
|
|
||||||||
|
|
Конденсатори |
|
|
||||||||
| C1 |
GRM18 3,3 мкФ |
1 |
Murata |
||||||||
| C2 |
GRM18 47 мкФ |
1 |
————— ||————— |
||||||||
|
|
|
|
|
||||||||
|
|
Транзистори |
|
|
||||||||
| VT1 |
МП39 |
1 |
|
||||||||
|
|
|
|
|
||||||||
|
|
Компоненти схеми рис. 2.4, б |
|
|
||||||||
|
|
|
|
|
||||||||
|
|
Резистори |
|
|
||||||||
| R1 |
1206 11 ,3 кОм |
1 |
|
||||||||
| R2 |
2512 30 1 Ом |
1 |
|
||||||||
|
|
|
|
|
||||||||
|
|
Конденсатори |
|
|
||||||||
| C1 |
GRM18 0,33 мкФ |
1 |
Murata |
||||||||
| C2 |
GRM18 47 мкФ |
1 |
————— ||————— |
||||||||
|
|
|
|
|
||||||||
|
|
Транзистори |
|
|
||||||||
| VT1 |
МП39 |
1 |
|
||||||||
|
|
|
|
|
||||||||
|
|
|
|
|
||||||||
|
|
|
|
|
||||||||
|
|
|
|
|
|
|
||||||
|
|
|
|
|
|
|||||||
| Змн.
|
Арк.
|
№ докум.
|
Підпис
|
Дата
|
|||||||
| Розроб.
|
ανι9526
|
|
|
Специфікація (схема електрична принципова) |
Літ.
|
Арк.
|
Аркушів
|
||||
| Перевір.
|
****
|
|
|
|
|
|
26
|
28
|
|||
| Реценз.
|
|
|
|
|
|||||||
| Н. Контр.
|
|
|
|
||||||||
| Затверд.
|
|
|
|
||||||||
| Поз. познач. |
Найменування |
Кіл. |
Примітка |
||||||||
|
|
Компоненти схеми рис. 2. 6 , а |
|
|
||||||||
|
|
|
|
|
||||||||
|
|
Резистори |
|
|
||||||||
| R 1 , R2 |
1206 10,2 кОм |
2 |
|
||||||||
|
|
|
|
|
||||||||
|
|
Конденсатори |
|
|
||||||||
| C 1 |
GRM 18 3,9 нФ |
1 |
Murata |
||||||||
|
|
|
|
|||||||||
|
|
Мікросхеми |
|
|
||||||||
| DA1 |
К140УД9 |
1 |
|
||||||||
|
|
|
|
|
||||||||
|
|
Компоненти схеми рис. 2. 6 , б |
|
|
||||||||
|
|
|
|
|
||||||||
|
|
Резистори |
|
|
||||||||
| R 1 , R2 |
1206 7 , 15 кОм |
2 |
|
||||||||
| R 3 |
1206 14,3 кОм |
1 |
|
||||||||
|
|
|
|
|
||||||||
|
|
Конденсатори |
|
|
||||||||
| C 1 |
GRM 18 8,2 нФ |
1 |
Murata |
||||||||
| C 2 |
GRM 18 3,9 нФ |
1 |
—————||————— |
||||||||
|
|
|
|
|
||||||||
|
|
Мікросхеми |
|
|
||||||||
| DA1 |
К140УД9 |
1 |
|
||||||||
|
|
|
|
|
||||||||
|
|
|
|
|
||||||||
|
|
|
|
|
||||||||
|
|
|
|
|
||||||||
|
|
|
|
|
||||||||
|
|
|
|
|
|
|
||||||
|
|
|
|
|
|
|||||||
| Змн.
|
Арк.
|
№ докум.
|
Підпис
|
Дата
|
|||||||
| Розроб.
|
ανι9526
|
|
|
Специфікація (схема електрична принципова) |
Літ.
|
Арк.
|
Аркушів
|
||||
| Перевір.
|
****
|
|
|
|
|
|
27
|
28
|
|||
| Реценз.
|
|
|
|
|
|||||||
| Н. Контр.
|
|
|
|
||||||||
| Затверд.
|
|
|
|
||||||||
| Поз. познач. |
Найменування |
Кіл. |
Примітка |
||||||||
|
|
Компоненти схеми рис. 2.11 |
|
|
||||||||
|
|
|
|
|
||||||||
|
|
Резистори |
|
|
||||||||
| R 1 |
1206 1 6 ,2 кОм |
1 |
|
||||||||
| R2, R3 |
1206 6,65 кОм |
2 |
|
||||||||
| R4 |
1206 56,2 кОм |
1 |
|
||||||||
|
|
|
|
|
||||||||
|
|
Конденсатори |
|
|
||||||||
| C 1 , C2 |
GRM 18 8,2 нФ |
2 |
Murata |
||||||||
|
|
|
|
|||||||||
|
|
Мікросхеми |
|
|
||||||||
| DA1 |
К140УД9 |
1 |
|
||||||||
|
|
|
|
|
||||||||
|
|
|
|
|
||||||||
|
|
|
|
|
||||||||
|
|
|
|
|
||||||||
|
|
|
|
|
||||||||
|
|
|
|
|
||||||||
|
|
|
|
|
||||||||
|
|
|
|
|||||||||
|
|
|
|
|
||||||||
|
|
|
|
|
||||||||
|
|
|
|
|
||||||||
|
|
|
|
|
||||||||
|
|
|
|
|
||||||||
|
|
|
|
|
|
|
||||||
|
|
|
|
|
|
|||||||
| Змн.
|
Арк.
|
№ докум.
|
Підпис
|
Дата
|
|||||||
| Розроб.
|
ανι9526
|
|
|
Специфікація (схема електрична принципова) |
Літ.
|
Арк.
|
Аркушів
|
||||
| Перевір.
|
**** |
|
|
|
|
|
28
|
28
|
|||
| Реценз. |
|
|
|
|
|||||||
| Н. Контр.
|
|
|
|
||||||||
| Затверд.
|
|
|
|
||||||||














